Республика Беларусь,
г. Минск, ул. Селицкого 21к - центральный склад
Пн-пт с 8:00 до 17:00
Меню
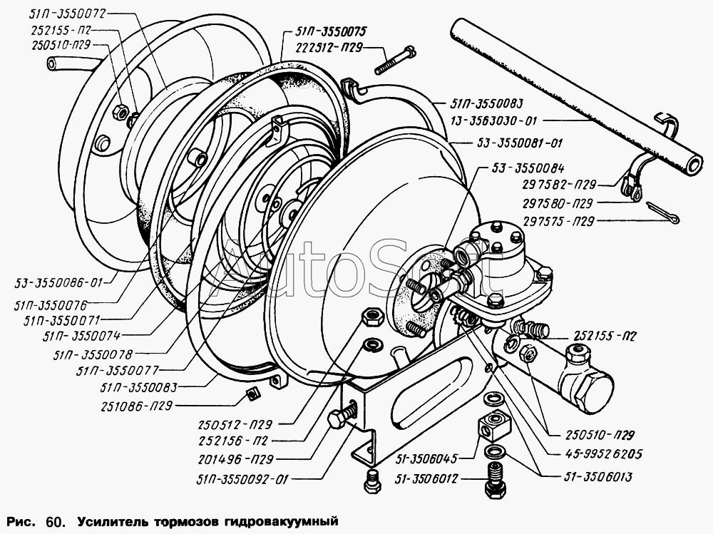
51-3550075/60 Ремкомплект гидровакуумного усилителя со штоком
Наименование: Ремкомплект 51-3550075/60 гидровакуумного усилителя со штоком
Каталожный номер: 51-3550075/60
Производитель: RSTA
Код товара: 00-ГР024764
Доставка: по всей Беларуси
Остаток: под заказ

Нашли не точность в описании товара? сообщить администратору.

+375 (44) 770-80-78 +375 (29) 747-80-78
* Выставить счет, получить техническую информацию и стоимость
Заказать деталь Онлайн
Описание
Наличие на филиалах
Применяемость
Заменить на СТО

Ремкомплект 51-3550075/60 гидровакуумного усилителя со штоком производства RSTA (РФ), Код для заказа: 00-ГР024764

Марка Модель Кат.номер Наим. по каталогу Чертеж
ГАЗ ГАЗ-24 24-3550075 Диафрагма Гидровакуумный усилитель Чертеж Гидровакуумный усилитель
ГАЗ ГАЗ-3306 (1994) 51П-3550075 Диафрагма гидровакуумного усилителя тормозов Усилитель гидровакуумный тормозов и клапан управления гидровакуумного усилителя тормозов Чертеж Усилитель гидровакуумный тормозов и клапан управления гидровакуумного усилителя тормозов
ГАЗ ГАЗ-3307 (2000) 51П-3550075 Диафрагма гидровакуумного усилителя тормозов Усилитель гидровакуумный тормозов и клапан управления гидровакуумным усилителем тормозов
ГАЗ ГАЗ-3309 51П-3550075 Диафрагма гидровакуумного усилителя тормозов Усилитель гидровакуумный тормозов и клапан управления
ГАЗ ГАЗ-52-02 51П-3550075 Диафрагма гидровакуумного усилителя тормозов Гидровакуумный усилитель тормоза и клапан управления гидровакуумным усилителем тормоза
ГАЗ ГАЗ-53 А (1989) 51П-3550075 Диафрагма гидровакуумного усилителя тормозов Гидровакуумный усилитель тормоза Чертеж Гидровакуумный усилитель тормоза
ГАЗ ГАЗ-66 (Каталог 1983 г.) (1983) 51П-3550075 Диафрагма гидровакуумного усилителя тормозов Гидровакуумный усилитель тормозов и клапан управления Чертеж Гидровакуумный усилитель тормозов и клапан управления
ГАЗ ГАЗ-66 (Каталог 1996 г.) (1996) 51П-3550075 Диафрагма гидровакуумного усилителя тормозов Усилитель тормозов гидровакуумный Чертеж Усилитель тормозов гидровакуумный
ГАЗ ГАЗ-3308 (2000) 51П-3550075 Диафрагма гидровакуумного усилителя тормозов Гидровакуумный усилитель тормозов, корпус и диафрагма усилителя
ГАЗ ГАЗ-5312 (2002) 51П-3550075 Диафрагма гидровакуумного усилителя тормозов Гидровакуумный усилитель тормоза Чертеж Гидровакуумный усилитель тормоза
ГАЗ ГАЗ-51 (63, 93) (1960) 51П-3550075 Диафрагма гидровакуумного усилителя тормозов Гидровакуумный усилитель тормоза для ГАЗ-51П и ГАЗ-63Д
ГАЗ ГАЗ-3308 (2002) 51П-3550075 Диафрагма гидровакуумного усилителя тормозов Гидровакуумный усилитель тормозов
КАВЗ КАВЗ-685 (1971) 51П-3550075 Диафрагма гидровакуумного усилителя тормозов Гидровакуумный усилитель тормоза Чертеж Гидровакуумный усилитель тормоза
ПАЗ ПАЗ-672М (1987) 51П-3550075 Диафрагма гидровакуумного усилителя тормоза Гидровакуумный усилитель тормозов
Товары из этой категории
Трос 3205-3508168
Трос
Каталожный номер 3205-3508168
Производитель RSTA RSTA
Код 23136
Доставка по всей Беларуси
Доступность остатки на филиалах Остатки на филиалах
Остаток В наличии
Склад Адрес Контакт Остатки
г. Мозырь промузел Козенки +375 (44) 731-94-60 ( Мало )
Схема проезда
Колодка тормозная передняя 3308-3501090
Колодка тормозная передняя
Каталожный номер 3308-3501090
Производитель ГАЗ ГАЗ
Код 22608
Доставка по всей Беларуси
Доступность остатки на филиалах Остатки на филиалах
Остаток: г.Минск, ул.Селицкого 21к В наличии
Склад Адрес Контакт Остатки
г. Минск ул. Селицкого, 21к +375 (44) 770-80-78 ( Много )
Схема проезда
г. Глубокое ул. Энгельса, 22 +375 (44) 505-71-40 ( Средне )
Схема проезда
Цилиндр 3309-3502340 (K3812C3) тормозной колесный с АБС FENOX K3812C3
Цилиндр 3309-3502340 (K3812C3) тормозной колесный с АБС FENOX
Каталожный номер K3812C3
Производитель FENOX FENOX
Код 00-ГР017630
Доставка по всей Беларуси
Доступность остатки на филиалах Остатки на филиалах
Остаток В наличии
Склад Адрес Контакт Остатки
г. Барановичи ул. Пролетарская, 40 +375 (29) 795-96-37 ( Средне )
Схема проезда
г. Бобруйск ул. Орловского, 22к3 +375 (29) 345-37-07 ( Средне )
Схема проезда
г. Борисов ул. Демина, 2а +375 (44) 560-99-75 ( Мало )
Схема проезда
г. Витебск ул. Правды, 33 +375 (44) 770-80-87 ( Мало )
Схема проезда
г. Глубокое ул. Энгельса, 22 +375 (44) 505-71-40 ( Средне )
Схема проезда
г. Гомель ул. Барыкина, 291Б +375 (44) 514-15-30 ( Мало )
Схема проезда
г. Гродно ул. Карского, 35 +375 (44) 770-70-21 ( Средне )
Схема проезда
г. Дрогичин ул. Юбилейная, 42 +375 (29) 682-17-13 ( Средне )
Схема проезда
г. Дятлово ул. Советская ,104 +375 (29) 187-87-37 ( Средне )
Схема проезда
г. Лельчицы ул. Советская, д.96/1 +375 (29) 346-98-96 ( Средне )
Схема проезда
г. Лунинец ул.Красная, 175а +375 (44) 721-46-74 ( Мало )
Схема проезда
г. Несвиж ул. Кутузова, 2 +375 (29) 394-82-48 ( Средне )
Схема проезда
г. Ошмяны ул. Льнозоводская 3 +375 (44) 770-80-91 ( Средне )
Схема проезда
г. Полоцк-2 ул. Шенягина, 52 +375 (29) 302-94-73 ( Мало )
Схема проезда
г. Пружаны ул. Макаренко, 21 +375 (29) 348-83-18 ( Мало )
Схема проезда
г. Слоним ул. Советская, 93а +375 (29) 394-82-01 ( Мало )
Схема проезда
г. Солигорск Чижевичский сельсовет, 3Г +375 (29) 899-58-52 ( Средне )
Схема проезда
Цилиндр RG204-709732 тормозной главный с бочком RIGINAL RG204-709732
Цилиндр RG204-709732 тормозной главный с бочком RIGINAL
Каталожный номер RG204-709732
Производитель RIGINAL RIGINAL
Код 00-ГР032658
Доставка по всей Беларуси
Доступность остатки на филиалах Остатки на филиалах
Остаток: г.Минск, ул.Селицкого 21к В наличии
Склад Адрес Контакт Остатки
г. Минск ул. Селицкого, 21к +375 (44) 770-80-78 ( Средне )
Схема проезда
г. Барановичи ул. Бадака, 27Б +375 (29) 350-33-47 ( Мало )
Схема проезда
г. Гродно ул. Карского, 35 +375 (44) 770-70-21 ( Мало )
Схема проезда
Трос стояночного тормоза задний левый 33091-3508181
Трос стояночного тормоза задний левый
Каталожный номер 33091-3508181
Производитель Автотрос Автотрос
Код 45937
Доставка по всей Беларуси
Доступность остатки на филиалах Остатки на филиалах
Остаток: г.Минск, ул.Селицкого 21к В наличии
Склад Адрес Контакт Остатки
г. Минск ул. Селицкого, 21к +375 (44) 770-80-78 ( Много )
Схема проезда
г. Барановичи ул. Бадака, 27Б +375 (29) 350-33-47 ( Мало )
Схема проезда
г. Горки ул.Мира, д.51а/1 +375 (44) 565-33-61 ( Мало )
Схема проезда
г. Гродно ул. Карского, 35 +375 (44) 770-70-21 ( Средне )
Схема проезда
г. Дятлово ул. Советская ,104 +375 (29) 187-87-37 ( Средне )
Схема проезда
г. Кобрин ул. Пролетарская, 177А +375 (44) 588-10-80 ( Мало )
Схема проезда
г. Кричев ул. Комсомольская, 126 +375 (29) 628-88-42 ( Мало )
Схема проезда
г. Новогрудок ул. Индустриальная, 3 +375 (44) 729-39-19 ( Мало )
Схема проезда
г. Ошмяны ул. Льнозоводская 3 +375 (44) 770-80-91 ( Мало )
Схема проезда
г. Полоцк-2 ул. Шенягина, 52 +375 (29) 302-94-73 ( Мало )
Схема проезда
г. Слоним ул. Советская, 93а +375 (29) 394-82-01 ( Мало )
Схема проезда
г. Сморгонь ул. Железнодорожная, 32 +375 (29) 671-02-10 ( Мало )
Схема проезда