Республика Беларусь,
г. Минск, ул. Селицкого 21к - центральный склад
Пн-пт с 8:00 до 17:00
Меню
РС-530 Реле стартера
Наименование: Реле РС-530 стартера
Каталожный номер: РС-530
Производитель: RSTA
Код товара: 11409
Доставка: по всей Беларуси
Остаток: под заказ

Нашли не точность в описании товара? сообщить администратору.

+375 (44) 770-80-78 +375 (29) 747-80-78
* Выставить счет, получить техническую информацию и стоимость
Заказать деталь Онлайн
Описание
Наличие на филиалах
Применяемость
Заменить на СТО

Код для заказа: 11409

Марка Модель Кат.номер Наим. по каталогу Чертеж
МАЗ МАЗ-537 530-2201026-Б Крестовина карданного вала в сборе Промежуточный карданный вал Чертеж Промежуточный карданный вал
МАЗ МАЗ-537 530-2201032 Кольцо уплотнительное Промежуточный карданный вал Чертеж Промежуточный карданный вал
МАЗ МАЗ-537 530-2201031 Обойма сальника крестовины карданного вала Промежуточный карданный вал Чертеж Промежуточный карданный вал
МАЗ МАЗ-537 530-2201030 Крестовина карданного вала Промежуточный карданный вал Чертеж Промежуточный карданный вал
МАЗ МАЗ-537 530-8602035 Кольцо уплотнительное Гидроусилитель рулевого управления
МАЗ МАЗ-537 530-3405150 Шайба золотника установочная Гидроусилитель рулевого управления
МАЗ МАЗ-537 530-3405152 Пружина золотника Гидроусилитель рулевого управления
Ikarus 260.50 0630-530-064 Стопорное кольцо Промежуточный вал, элементы заднего хода, шестерни
Ikarus 260.50 0650-530-064 Стопорное кольцо Промежуточный вал, элементы заднего хода, шестерни
ЛиАЗ ЛиАЗ 5256 530-3901533 Прокладка Домкрат Чертеж Домкрат
ЗИЛ ЗИЛ-3250 (2000) 530-5109021-02 Ковер пола передний левый Кабина без дверей
БелАЗ 7522, 7540, 75401, 7523, 75231 Общий 530-3406018 Прокладка насоса Насосы опрокидывающего и рулевого механизмов Чертеж Насосы опрокидывающего и рулевого механизмов
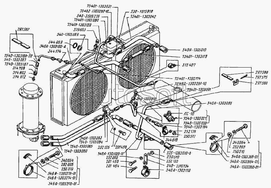
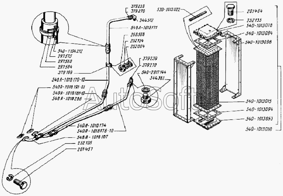
БелАЗ 7522, 7540, 75401, 7523, 75231 Общий 530-1013022 Набивка пеньковая Масляный радиатор и маслопроводы автомобиля Чертеж Масляный радиатор и маслопроводы автомобиля
БелАЗ 7522, 7540, 75401, 7523, 75231 Общий 530-1108014-Б Педаль Привод управления подачей топлива Чертеж Привод управления подачей топлива
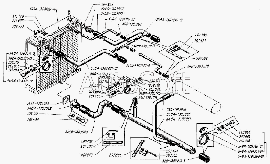
БелАЗ 7522, 7540, 75401, 7523, 75231 Общий 530-1302118 Болт специальный Водяной радиатор Чертеж Водяной радиатор
БелАЗ 7522, 7540, 75401, 7523, 75231 Общий 530-1013022 Набивка пеньковая Водяной радиатор Чертеж Водяной радиатор
БелАЗ 7522, 7540, 75401, 7523, 75231 Общий 530-1013022 Набивка пеньковая Дополнительный водяной радиатор Чертеж Дополнительный водяной радиатор
БелАЗ 7522, 7540, 75401, 7523, 75231 Общий 530-1302118 Болт специальный Дополнительный водяной радиатор Чертеж Дополнительный водяной радиатор
БелАЗ 7522, 7540, 75401, 7523, 75231 Общий 530-1015818 Шланг Трубопроводы системы охлаждения Чертеж Трубопроводы системы охлаждения
БелАЗ 7522, 7540, 75401, 7523, 75231 Общий 530-1015818 Шланг Трубопроводы системы охлаждения Чертеж Трубопроводы системы охлаждения
Товары из этой категории
Траверса 142-3708330
Траверса
Каталожный номер 142-3708330
Производитель RSTA RSTA
Код 5927
Доставка по всей Беларуси
Доступность остатки на филиалах Остатки на филиалах
Остаток В наличии
Склад Адрес Контакт Остатки
г. Слуцк ул. Тутаринова, 8 +375 (29) 346-06-90 ( Мало )
Схема проезда
Стартер СТ-142-3708-10 (КАМАЗ Евро-2,3) БАТЭ СТ-142-3708-10
Стартер СТ-142-3708-10 (КАМАЗ Евро-2,3) БАТЭ
Каталожный номер СТ-142-3708-10
Производитель БАТЭ БАТЭ
Код 23061
Доставка по всей Беларуси
Доступность остатки на филиалах Остатки на филиалах
Остаток Под заказ
Фонарь ОН3-00-03 светодиод (а-г ФП-131) освещения номерного знака ОН3-00-03
Фонарь ОН3-00-03 светодиод (а-г ФП-131) освещения номерного знака
Каталожный номер ОН3-00-03
Производитель RSTA RSTA
Код 10665
Доставка по всей Беларуси
Доступность остатки на филиалах Остатки на филиалах
Остаток: г.Минск, ул.Селицкого 21к В наличии
Склад Адрес Контакт Остатки
г. Минск ул. Селицкого, 21к +375 (44) 770-80-78 ( Много )
Схема проезда
г. Берёза ул. Красноармейская, 89/11 +375 (29) 676-70-71 ( Мало )
Схема проезда
г. Брест Тельминский с/с, 1Д/1, 1 км южнее д. Тельмы-2 +375 (44) 599-90-75 ( Средне )
Схема проезда
г. Витебск ул. Правды, 33 +375 (44) 770-80-87 ( Средне )
Схема проезда
г. Витебск ул. Петруся Бровки, 34 +375 (29) 636-25-08 ( Средне )
Схема проезда
г. Жлобин ул. Козлова, 25 +375 (29) 346-06-78 ( Средне )
Схема проезда
г. Кобрин ул. Пролетарская, 177А +375 (44) 588-10-80 ( Средне )
Схема проезда
г. Кричев ул. Комсомольская, 126 +375 (29) 628-88-42 ( Мало )
Схема проезда
г. Могилев ул. Габровская 11Б +375 (29) 662-02-16 ( Мало )
Схема проезда
г. Орша ул. Сергея Кирова, д. 34 +375 (44) 583-91-42 ( Мало )
Схема проезда
г. Осиповичи ул. Короткая, 11 +375 (29) 165-60-07 ( Мало )
Схема проезда
г. Ошмяны ул. Льнозоводская 3 +375 (44) 770-80-91 ( Средне )
Схема проезда
г. Полоцк-2 ул. Шенягина, 52 +375 (29) 302-94-73 ( Мало )
Схема проезда
г. Полоцк-2 ул. Шенягина, 52 +375 (29) 302-94-73 ( Средне )
Схема проезда
г. Столин ул. Быковского, 29 +375 (33) 304-54-36 ( Мало )
Схема проезда
Клапан электромагнитный КЭМ-10 СМ КЭМ-10
Клапан электромагнитный КЭМ-10 СМ
Каталожный номер КЭМ-10
Производитель СпецМаш СпецМаш
Код 00-ГР020991
Доставка по всей Беларуси
Доступность остатки на филиалах Остатки на филиалах
Остаток: г.Минск, ул.Селицкого 21к В наличии
Склад Адрес Контакт Остатки
г. Минск ул. Бабушкина, 37 +375 (29) 632-00-82 ( Мало )
Схема проезда
г. Минск ул. Селицкого, 21к +375 (44) 770-80-78 ( Много )
Схема проезда
г. Барановичи ул. Пролетарская, 40 +375 (29) 795-96-37 ( Мало )
Схема проезда
г. Бобруйск ул. Гоголя, 181/1-6 +375 (29) 630-05-01 ( Мало )
Схема проезда
г. Бобруйск ул. Орловского, 22к3 +375 (29) 345-37-07 ( Средне )
Схема проезда
г. Борисов ул. Демина, 2а +375 (44) 560-99-75 ( Мало )
Схема проезда
г. Витебск ул. Правды, 33 +375 (44) 770-80-87 ( Мало )
Схема проезда
г. Гомель ул. Барыкина, 291Б +375 (44) 514-15-30 ( Мало )
Схема проезда
г. Горки ул.Мира, д.51а/1 +375 (44) 565-33-61 ( Мало )
Схема проезда
г. Дрогичин ул. Юбилейная, 42 +375 (29) 682-17-13 ( Мало )
Схема проезда
г. Кричев ул. Комсомольская, 126 +375 (29) 628-88-42 ( Мало )
Схема проезда
г. Лепель ул. Лобанка, 43 +375 (44) 778-65-21 ( Мало )
Схема проезда
г. Молодечно ул. Галицкого, 14 +375 (44) 567-28-47 ( Мало )
Схема проезда
г. Новогрудок ул. Индустриальная, 3 +375 (44) 729-39-19 ( Средне )
Схема проезда
г. Осиповичи ул. Короткая, 11 +375 (29) 165-60-07 ( Средне )
Схема проезда
г. Ошмяны ул. Льнозоводская 3 +375 (44) 770-80-91 ( Мало )
Схема проезда
г. Петриков ул. Первомайская, 124 +375 (33) 660-06-75 ( Мало )
Схема проезда
г. Полоцк-2 ул. Шенягина, 52 +375 (29) 302-94-73 ( Мало )
Схема проезда
г. Слоним ул. Советская, 93а +375 (29) 394-82-01 ( Мало )
Схема проезда
г. Слуцк ул. Тутаринова, 8 +375 (29) 346-06-90 ( Средне )
Схема проезда
г. Сморгонь ул. Железнодорожная, 32 +375 (29) 671-02-10 ( Мало )
Схема проезда
г. Столин ул. Быковского, 29 +375 (33) 304-54-36 ( Мало )
Схема проезда
г. Щучин ул. Советская, 39 +375 (29) 177-29-70 ( Мало )
Схема проезда
Переключатель габаритов П147-04.04
Переключатель габаритов
Каталожный номер П147-04.04
Производитель RSTA RSTA
Код 17683
Доставка по всей Беларуси
Доступность остатки на филиалах Остатки на филиалах
Остаток В наличии
Склад Адрес Контакт Остатки
г. Минск ул. Бабушкина, 37 +375 (29) 632-00-82 ( Мало )
Схема проезда
г. Барановичи ул. Пролетарская, 40 +375 (29) 795-96-37 ( Мало )
Схема проезда
г. Барановичи ул. Бадака, 27Б +375 (29) 350-33-47 ( Мало )
Схема проезда
г. Бобруйск ул. Орловского, 22к3 +375 (29) 345-37-07 ( Мало )
Схема проезда
г. Борисов ул. Демина, 2а +375 (44) 560-99-75 ( Средне )
Схема проезда
г. Витебск ул. Правды, 33 +375 (44) 770-80-87 ( Средне )
Схема проезда
г. Витебск ул. Петруся Бровки, 34 +375 (29) 636-25-08 ( Мало )
Схема проезда
г. Глубокое ул. Энгельса, 22 +375 (44) 505-71-40 ( Средне )
Схема проезда
г. Гомель ул. Барыкина, 291Б +375 (44) 514-15-30 ( Средне )
Схема проезда
г. Гомель ул. Барыкина, 291Б +375 (44) 514-15-30 ( Средне )
Схема проезда
г. Горки ул.Мира, д.51а/1 +375 (44) 565-33-61 ( Средне )
Схема проезда
г. Дрогичин ул. Юбилейная, 42 +375 (29) 682-17-13 ( Средне )
Схема проезда
г. Жлобин ул. Козлова, 25 +375 (29) 346-06-78 ( Средне )
Схема проезда
г. Ивацевичи ул. Загородная, 6А +375 (29) 188-59-01 ( Средне )
Схема проезда
г. Кобрин ул. Пролетарская, 177А +375 (44) 588-10-80 ( Мало )
Схема проезда
г. Кричев ул. Комсомольская, 126 +375 (29) 628-88-42 ( Мало )
Схема проезда
г. Лельчицы ул. Советская, д.96/1 +375 (29) 346-98-96 ( Средне )
Схема проезда
г. Лепель ул. Лобанка, 43 +375 (44) 778-65-21 ( Средне )
Схема проезда
г. Молодечно ул. Галицкого, 14 +375 (44) 567-28-47 ( Средне )
Схема проезда
г. Новогрудок ул. Индустриальная, 3 +375 (44) 729-39-19 ( Средне )
Схема проезда
г. Орша ул. Сергея Кирова, д. 34 +375 (44) 583-91-42 ( Средне )
Схема проезда
г. Осиповичи ул. Короткая, 11 +375 (29) 165-60-07 ( Средне )
Схема проезда
г. Ошмяны ул. Льнозоводская 3 +375 (44) 770-80-91 ( Средне )
Схема проезда
г. Петриков ул. Первомайская, 124 +375 (33) 660-06-75 ( Мало )
Схема проезда
г. Полоцк-2 ул. Шенягина, 52 +375 (29) 302-94-73 ( Средне )
Схема проезда
г. Полоцк-2 ул. Шенягина, 52 +375 (29) 302-94-73 ( Средне )
Схема проезда
г. Слоним ул. Советская, 93а +375 (29) 394-82-01 ( Средне )
Схема проезда
г. Солигорск Чижевичский сельсовет, 3Г +375 (29) 899-58-52 ( Средне )
Схема проезда
г. Столин ул. Быковского, 29 +375 (33) 304-54-36 ( Мало )
Схема проезда