Республика Беларусь,
г. Минск, ул. Селицкого 21к - центральный склад
Пн-пт с 8:00 до 17:00
Меню
А29.51.000Б Регулятор давления (80-3512010)
Наименование: Регулятор давления А29.51.000Б (80-3512010)
Каталожный номер: А29.51.000Б
Производитель: Украина
Код товара: 00-ГР026434
Доставка: по всей Беларуси
Остаток: под заказ

Нашли не точность в описании товара? сообщить администратору.

+375 (44) 770-80-78 +375 (29) 747-80-78
* Выставить счет, получить техническую информацию и стоимость
Заказать деталь Онлайн
Описание
Наличие на филиалах
Применяемость
Заменить на СТО

Регулятор давления А29.51.000Б (80-3512010) производства Украина (Украина), Код для заказа: 00-ГР026434

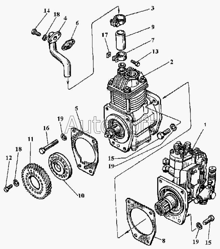
Марка Модель Кат.номер Наим. по каталогу Чертеж
ТВЭКС ВП-05 А29.51.000Б ТУ23.1.110-82 Регулятор давления Пневмоуправление Чертеж Пневмоуправление
ВТЗ Д-144 А29.02.000Б-02 Компрессор Установка компрессора с топливным насосом и их привод Чертеж Установка компрессора с топливным насосом и их привод
ВТЗ Д-144 А29.02.040Б Вал коленчатый Компрессор А29.02.000Б-02 Чертеж Компрессор А29.02.000Б-02
ВТЗ Д-144 А29.01.050-02 Головка цилиндра Компрессор А29.02.000Б-02 Чертеж Компрессор А29.02.000Б-02
ВТЗ Д-144 А29.05.100 Поршень и шатун Компрессор А29.02.000Б-02 Чертеж Компрессор А29.02.000Б-02
ВТЗ Д-144 А29.05.170 Шатун Компрессор А29.02.000Б-02 Чертеж Компрессор А29.02.000Б-02
ВТЗ Д-144 А29.02.001-02 Картер Компрессор А29.02.000Б-02 Чертеж Компрессор А29.02.000Б-02
ВТЗ Д-144 А29.01.002-02 Цилиндр Компрессор А29.02.000Б-02 Чертеж Компрессор А29.02.000Б-02
ВТЗ Д-144 А29.02.003-02 Крышка Компрессор А29.02.000Б-02 Чертеж Компрессор А29.02.000Б-02
ВТЗ Д-144 А29.02.004-01 Прокладка Компрессор А29.02.000Б-02 Чертеж Компрессор А29.02.000Б-02
ВТЗ Д-144 А29.01.006-01 Прокладка Компрессор А29.02.000Б-02 Чертеж Компрессор А29.02.000Б-02
ВТЗ Д-144 А29.01.008-01 Прокладка Компрессор А29.02.000Б-02 Чертеж Компрессор А29.02.000Б-02
ВТЗ Д-144 А29.01.023-01 Шпилька Компрессор А29.02.000Б-02 Чертеж Компрессор А29.02.000Б-02
ВТЗ Д-144 А29.02.041Б Вал коленчатый Компрессор А29.02.000Б-02 Чертеж Компрессор А29.02.000Б-02
ВТЗ Д-144 А29.02.042 Втулка Компрессор А29.02.000Б-02 Чертеж Компрессор А29.02.000Б-02
ВТЗ Д-144 А29.01.051-02 Головка цилиндра Компрессор А29.02.000Б-02 Чертеж Компрессор А29.02.000Б-02
ВТЗ Д-144 А29.01.052 Корпус Компрессор А29.02.000Б-02 Чертеж Компрессор А29.02.000Б-02
ВТЗ Д-144 А29.01.053-02 Пробка Компрессор А29.02.000Б-02 Чертеж Компрессор А29.02.000Б-02
ВТЗ Д-144 А29.01.055-01 Пружина Компрессор А29.02.000Б-02 Чертеж Компрессор А29.02.000Б-02
ВТЗ Д-144 А29.01.056-01 Пружина Компрессор А29.02.000Б-02 Чертеж Компрессор А29.02.000Б-02
Товары из этой категории
Диск тормозной  (клёпаный) 85-3502040-02
Диск тормозной (клёпаный)
Каталожный номер 85-3502040-02
Производитель RSTA RSTA
Код 00-ГР009274
Доставка по всей Беларуси
Доступность остатки на филиалах Остатки на филиалах
Остаток В наличии
Склад Адрес Контакт Остатки
г. Несвиж ул. Кутузова, 2 +375 (29) 394-82-48 ( Средне )
Схема проезда
Регулятор давления тормозов МТЗ 80-3512010
Регулятор давления тормозов МТЗ
Каталожный номер 80-3512010
Производитель RSTA RSTA
Код 36288
Доставка по всей Беларуси
Доступность остатки на филиалах Остатки на филиалах
Остаток: г.Минск, ул.Селицкого 21к В наличии
Склад Адрес Контакт Остатки
г. Минск ул. Селицкого, 21к +375 (44) 770-80-78 ( Мало )
Схема проезда
г. Барановичи ул. Пролетарская, 40 +375 (29) 795-96-37 ( Мало )
Схема проезда
г. Березино ул. Комсомольская, д. 24 +375 (44) 770-80-17 ( Мало )
Схема проезда
г. Бобруйск ул. Орловского, 22к3 +375 (29) 345-37-07 ( Мало )
Схема проезда
г. Борисов ул. Демина, 2а +375 (44) 560-99-75 ( Мало )
Схема проезда
г. Витебск ул. Правды, 33 +375 (44) 770-80-87 ( Мало )
Схема проезда
г. Глубокое ул. Энгельса, 22 +375 (44) 505-71-40 ( Мало )
Схема проезда
г. Горки ул.Мира, д.51а/1 +375 (44) 565-33-61 ( Мало )
Схема проезда
г. Дрогичин ул. Юбилейная, 42 +375 (29) 682-17-13 ( Мало )
Схема проезда
г. Дятлово ул. Советская ,104 +375 (29) 187-87-37 ( Мало )
Схема проезда
г. Ивацевичи ул. Загородная, 6А +375 (29) 188-59-01 ( Мало )
Схема проезда
г. Кричев ул. Комсомольская, 126 +375 (29) 628-88-42 ( Мало )
Схема проезда
г. Лельчицы ул. Советская, д.96/1 +375 (29) 346-98-96 ( Мало )
Схема проезда
г. Лепель ул. Лобанка, 43 +375 (44) 778-65-21 ( Мало )
Схема проезда
г. Могилев ул. Габровская 11Б +375 (29) 662-02-16 ( Мало )
Схема проезда
г. Молодечно ул. Галицкого, 14 +375 (44) 567-28-47 ( Средне )
Схема проезда
г. Несвиж ул. Кутузова, 2 +375 (29) 394-82-48 ( Средне )
Схема проезда
г. Новогрудок ул. Индустриальная, 3 +375 (44) 729-39-19 ( Мало )
Схема проезда
г. Орша ул. Сергея Кирова, д. 34 +375 (44) 583-91-42 ( Мало )
Схема проезда
г. Осиповичи ул. Короткая, 11 +375 (29) 165-60-07 ( Мало )
Схема проезда
г. Ошмяны ул. Льнозоводская 3 +375 (44) 770-80-91 ( Средне )
Схема проезда
г. Пинск ул. Калиновского 32 +375 (44) 560-99-59 ( Мало )
Схема проезда
г. Полоцк-2 ул. Шенягина, 52 +375 (29) 302-94-73 ( Мало )
Схема проезда
г. Полоцк-2 ул. Шенягина, 52 +375 (29) 302-94-73 ( Мало )
Схема проезда
г. Поставы ул. Советская, 69 +375 (44) 770-80-13 ( Мало )
Схема проезда
г. Слоним ул. Советская, 93а +375 (29) 394-82-01 ( Мало )
Схема проезда
г. Солигорск Чижевичский сельсовет, 3Г +375 (29) 899-58-52 ( Мало )
Схема проезда
г. Столин ул. Быковского, 29 +375 (33) 304-54-36 ( Средне )
Схема проезда
Диск тормозной 70-3502040-01 БЗТДиА 70-3502040-01
Диск тормозной 70-3502040-01 БЗТДиА
Каталожный номер 70-3502040-01
Производитель БЗТДиА БЗТДиА
Код 00-ГР026104
Доставка по всей Беларуси
Доступность остатки на филиалах Остатки на филиалах
Остаток: г.Минск, ул.Селицкого 21к В наличии
Склад Адрес Контакт Остатки
г. Минск ул. Селицкого, 21к +375 (44) 770-80-78 ( Много )
Схема проезда
г. Осиповичи ул. Короткая, 11 +375 (29) 165-60-07 ( Много )
Схема проезда
г. Ошмяны ул. Льнозоводская 3 +375 (44) 770-80-91 ( Средне )
Схема проезда
Диск тормозной 85-3502030 (TB41085) разжимной FENOX TB41085
Диск тормозной 85-3502030 (TB41085) разжимной FENOX
Каталожный номер TB41085
Производитель FENOX FENOX
Код 00-ГР019815
Доставка по всей Беларуси
Доступность остатки на филиалах Остатки на филиалах
Остаток: г.Минск, ул.Селицкого 21к В наличии
Склад Адрес Контакт Остатки
г. Минск ул. Бабушкина, 37 +375 (29) 632-00-82 ( Средне )
Схема проезда
г. Минск ул. Селицкого, 21к +375 (44) 770-80-78 ( Мало )
Схема проезда
г. Витебск ул. Правды, 33 +375 (44) 770-80-87 ( Средне )
Схема проезда
г. Глубокое ул. Энгельса, 22 +375 (44) 505-71-40 ( Средне )
Схема проезда
г. Гомель ул. Барыкина, 291Б +375 (44) 514-15-30 ( Мало )
Схема проезда
г. Горки ул.Мира, д.51а/1 +375 (44) 565-33-61 ( Средне )
Схема проезда
г. Гродно ул. Карского, 35 +375 (44) 770-70-21 ( Средне )
Схема проезда
г. Жлобин ул. Козлова, 25 +375 (29) 346-06-78 ( Мало )
Схема проезда
г. Ивацевичи ул. Загородная, 6А +375 (29) 188-59-01 ( Средне )
Схема проезда
г. Кобрин ул. Пролетарская, 177А +375 (44) 588-10-80 ( Средне )
Схема проезда
г. Лунинец ул.Красная, 175а +375 (44) 721-46-74 ( Средне )
Схема проезда
г. Молодечно ул. Галицкого, 14 +375 (44) 567-28-47 ( Средне )
Схема проезда
г. Несвиж ул. Кутузова, 2 +375 (29) 394-82-48 ( Средне )
Схема проезда
г. Новогрудок ул. Индустриальная, 3 +375 (44) 729-39-19 ( Средне )
Схема проезда
г. Осиповичи ул. Короткая, 11 +375 (29) 165-60-07 ( Средне )
Схема проезда
г. Пинск ул. Калиновского 32 +375 (44) 560-99-59 ( Мало )
Схема проезда
г. Полоцк-2 ул. Шенягина, 52 +375 (29) 302-94-73 ( Средне )
Схема проезда
г. Поставы ул. Советская, 69 +375 (44) 770-80-13 ( Мало )
Схема проезда
г. Пружаны ул. Макаренко, 21 +375 (29) 348-83-18 ( Средне )
Схема проезда
г. Слоним ул. Советская, 93а +375 (29) 394-82-01 ( Средне )
Схема проезда
г. Сморгонь ул. Железнодорожная, 32 +375 (29) 671-02-10 ( Средне )
Схема проезда
г. Столин ул. Быковского, 29 +375 (33) 304-54-36 ( Средне )
Схема проезда
Маслопровод 240-3509150-01 компрессора (L=410мм) ММЗ 240-3509150-01
Маслопровод 240-3509150-01 компрессора (L=410мм) ММЗ
Каталожный номер 240-3509150-01
Производитель ММЗ ММЗ
Код 00-ГР014264
Доставка по всей Беларуси
Доступность остатки на филиалах Остатки на филиалах
Остаток: г.Минск, ул.Селицкого 21к В наличии
Склад Адрес Контакт Остатки
г. Минск ул. Селицкого, 21к +375 (44) 770-80-78 ( Много )
Схема проезда
г. Бобруйск ул. Гоголя, 181/1-6 +375 (29) 630-05-01 ( Мало )
Схема проезда
г. Бобруйск ул. Орловского, 22к3 +375 (29) 345-37-07 ( Средне )
Схема проезда
г. Борисов ул. Демина, 2а +375 (44) 560-99-75 ( Средне )
Схема проезда
г. Брест Тельминский с/с, 1Д/1, 1 км южнее д. Тельмы-2 +375 (44) 599-90-75 ( Средне )
Схема проезда
г. Витебск ул. Правды, 33 +375 (44) 770-80-87 ( Мало )
Схема проезда
г. Витебск ул. Петруся Бровки, 34 +375 (29) 636-25-08 ( Средне )
Схема проезда
г. Глубокое ул. Энгельса, 22 +375 (44) 505-71-40 ( Средне )
Схема проезда
г. Гомель ул. Барыкина, 291Б +375 (44) 514-15-30 ( Мало )
Схема проезда
г. Гомель ул. Барыкина, 291Б +375 (44) 514-15-30 ( Мало )
Схема проезда
г. Гродно ул. Карского, 35 +375 (44) 770-70-21 ( Средне )
Схема проезда
г. Дятлово ул. Советская ,104 +375 (29) 187-87-37 ( Мало )
Схема проезда
г. Ивацевичи ул. Загородная, 6А +375 (29) 188-59-01 ( Средне )
Схема проезда
г. Кобрин ул. Пролетарская, 177А +375 (44) 588-10-80 ( Мало )
Схема проезда
г. Лельчицы ул. Советская, д.96/1 +375 (29) 346-98-96 ( Средне )
Схема проезда
г. Мозырь промузел Козенки +375 (44) 731-94-60 ( Мало )
Схема проезда
г. Молодечно ул. Галицкого, 14 +375 (44) 567-28-47 ( Средне )
Схема проезда
г. Несвиж ул. Кутузова, 2 +375 (29) 394-82-48 ( Средне )
Схема проезда
г. Новогрудок ул. Индустриальная, 3 +375 (44) 729-39-19 ( Средне )
Схема проезда
г. Орша ул. Сергея Кирова, д. 34 +375 (44) 583-91-42 ( Мало )
Схема проезда
г. Осиповичи ул. Короткая, 11 +375 (29) 165-60-07 ( Средне )
Схема проезда
г. Ошмяны ул. Льнозоводская 3 +375 (44) 770-80-91 ( Средне )
Схема проезда
г. Пинск ул. Калиновского 32 +375 (44) 560-99-59 ( Средне )
Схема проезда
г. Пружаны ул. Макаренко, 21 +375 (29) 348-83-18 ( Средне )
Схема проезда
г. Слоним ул. Советская, 93а +375 (29) 394-82-01 ( Много )
Схема проезда
г. Сморгонь ул. Железнодорожная, 32 +375 (29) 671-02-10 ( Средне )
Схема проезда
г. Солигорск Чижевичский сельсовет, 3Г +375 (29) 899-58-52 ( Мало )
Схема проезда