Республика Беларусь,
г. Минск, ул. Селицкого 21к - центральный склад
Пн-пт с 8:00 до 17:00
Меню
53-2402010-11 Редуктор (37 зуб.)
Наименование: Редуктор 53-2402010-11 (37 зуб.)
Каталожный номер: 53-2402010-11
Производитель: Агрегат
Код товара: 14586
Доставка: по всей Беларуси
Остаток: под заказ

Нашли не точность в описании товара? сообщить администратору.

+375 (44) 770-80-78 +375 (29) 747-80-78
* Выставить счет, получить техническую информацию и стоимость
Заказать деталь Онлайн
Описание
Наличие на филиалах
Применяемость
Заменить на СТО

БС вес: 68,35 на 17.06.2020

Код для заказа: 14586

Марка Модель Кат.номер Наим. по каталогу Чертеж
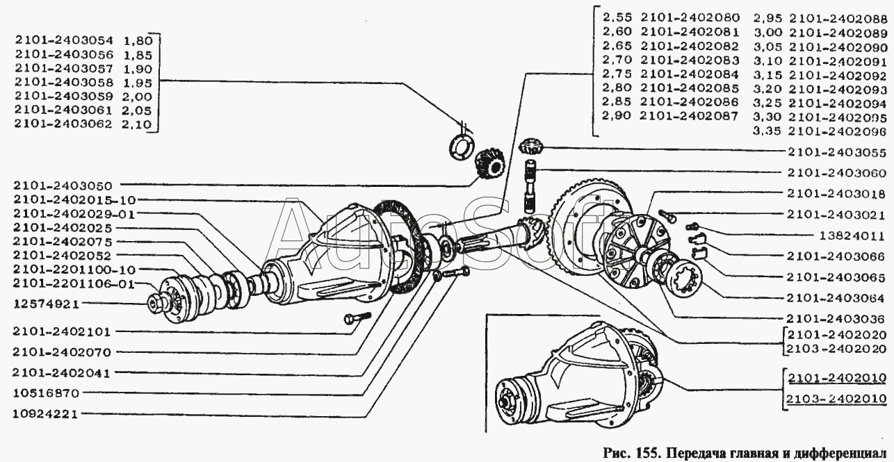
ВАЗ ВАЗ-2101 (1982) 2101-2402010 Редуктор заднего моста Передача главная и дифференциал Чертеж Передача главная и дифференциал
ВАЗ ВАЗ-2101 (1982) 2103-2402010 Редуктор Передача главная и дифференциал Чертеж Передача главная и дифференциал
ВАЗ ВАЗ-2102 (1982) 2101-2402010 Редуктор заднего моста Передача главная и дифференциал Чертеж Передача главная и дифференциал
ВАЗ ВАЗ-2102 (1982) 2103-2402010 Редуктор Передача главная и дифференциал Чертеж Передача главная и дифференциал
ВАЗ ВАЗ-2103 2103-2402010 Редуктор Передача главная и дифференциал Чертеж Передача главная и дифференциал
ВАЗ ВАЗ-2103 2101-2402010 Редуктор заднего моста Передача главная и дифференциал Чертеж Передача главная и дифференциал
ВАЗ ВАЗ-2104 2101-2402010 Редуктор заднего моста Передача главная и дифференциал Чертеж Передача главная и дифференциал
ВАЗ ВАЗ-2104 2103-2402010 Редуктор Передача главная и дифференциал Чертеж Передача главная и дифференциал
ВАЗ ВАЗ-2105 2101-2402010 Редуктор заднего моста Передача главная и дифференциал Чертеж Передача главная и дифференциал
ВАЗ ВАЗ-2105 2103-2402010 Редуктор Передача главная и дифференциал Чертеж Передача главная и дифференциал
ВАЗ ВАЗ-2106 2102-2402010 Редуктор Передача главная и дифференциал Чертеж Передача главная и дифференциал
ВАЗ ВАЗ-2106 2103-2402010 Редуктор Передача главная и дифференциал Чертеж Передача главная и дифференциал
ВАЗ ВАЗ-2106 2106-2402010 Редуктор заднего моста Передача главная и дифференциал Чертеж Передача главная и дифференциал
ВАЗ ВАЗ-2107 (1990) 2106-2402010 Редуктор заднего моста Передача главная и дифференциал Чертеж Передача главная и дифференциал
ВАЗ ВАЗ-2107 (1990) 2103-2402010 Редуктор Передача главная и дифференциал Чертеж Передача главная и дифференциал
ВАЗ ВАЗ-2120 (Надежда) 2101-2402010 Редуктор заднего моста Редуктор и дифференциал заднего моста Чертеж Редуктор и дифференциал заднего моста
ВАЗ ВАЗ-2120 (Надежда) 2106-2402010 Редуктор заднего моста Редуктор и дифференциал заднего моста Чертеж Редуктор и дифференциал заднего моста
ВАЗ ВАЗ-2120 (Надежда) 2123-2402010 Редуктор заднего моста Редуктор и дифференциал заднего моста Чертеж Редуктор и дифференциал заднего моста
ВАЗ ВАЗ-2121 (NIVA) 2121-2402010 Редуктор Редуктор и дифференциал заднего моста Чертеж Редуктор и дифференциал заднего моста
ВАЗ ВАЗ-2121 (NIVA) 2121-2402010-10 Редуктор заднего моста Редуктор и дифференциал заднего моста Чертеж Редуктор и дифференциал заднего моста
Товары из этой категории
Шплинт (4х40) 258056-П29
Шплинт (4х40)
Каталожный номер 258056-П29
Производитель Красная Этна Красная Этна
Код 22838
Доставка по всей Беларуси
Доступность остатки на филиалах Остатки на филиалах
Остаток: г.Минск, ул.Селицкого 21к В наличии
Склад Адрес Контакт Остатки
г. Минск ул. Бабушкина, 37 +375 (29) 632-00-82 ( Средне )
Схема проезда
г. Минск ул. Селицкого, 21к +375 (44) 770-80-78 ( Много )
Схема проезда
г. Барановичи ул. Пролетарская, 40 +375 (29) 795-96-37 ( Много )
Схема проезда
г. Бобруйск ул. Гоголя, 181/1-6 +375 (29) 630-05-01 ( Много )
Схема проезда
г. Бобруйск ул. Орловского, 22к3 +375 (29) 345-37-07 ( Много )
Схема проезда
г. Борисов ул. Демина, 2а +375 (44) 560-99-75 ( Много )
Схема проезда
г. Брест Тельминский с/с, 1Д/1, 1 км южнее д. Тельмы-2 +375 (44) 599-90-75 ( Много )
Схема проезда
г. Витебск ул. Правды, 33 +375 (44) 770-80-87 ( Много )
Схема проезда
г. Витебск ул. Петруся Бровки, 34 +375 (29) 636-25-08 ( Много )
Схема проезда
г. Глубокое ул. Энгельса, 22 +375 (44) 505-71-40 ( Много )
Схема проезда
г. Горки ул.Мира, д.51а/1 +375 (44) 565-33-61 ( Средне )
Схема проезда
г. Дрогичин ул. Юбилейная, 42 +375 (29) 682-17-13 ( Много )
Схема проезда
г. Дятлово ул. Советская ,104 +375 (29) 187-87-37 ( Много )
Схема проезда
г. Ивацевичи ул. Загородная, 6А +375 (29) 188-59-01 ( Много )
Схема проезда
г. Кобрин ул. Пролетарская, 177А +375 (44) 588-10-80 ( Много )
Схема проезда
г. Кричев ул. Комсомольская, 126 +375 (29) 628-88-42 ( Средне )
Схема проезда
г. Лельчицы ул. Советская, д.96/1 +375 (29) 346-98-96 ( Средне )
Схема проезда
г. Лепель ул. Лобанка, 43 +375 (44) 778-65-21 ( Много )
Схема проезда
г. Могилев ул. Габровская 11Б +375 (29) 662-02-16 ( Много )
Схема проезда
г. Мозырь промузел Козенки +375 (44) 731-94-60 ( Много )
Схема проезда
г. Молодечно ул. Галицкого, 14 +375 (44) 567-28-47 ( Много )
Схема проезда
г. Несвиж ул. Кутузова, 2 +375 (29) 394-82-48 ( Много )
Схема проезда
г. Новогрудок ул. Индустриальная, 3 +375 (44) 729-39-19 ( Много )
Схема проезда
г. Орша ул. Сергея Кирова, д. 34 +375 (44) 583-91-42 ( Много )
Схема проезда
г. Осиповичи ул. Короткая, 11 +375 (29) 165-60-07 ( Много )
Схема проезда
г. Ошмяны ул. Льнозоводская 3 +375 (44) 770-80-91 ( Много )
Схема проезда
г. Пинск ул. Калиновского 32 +375 (44) 560-99-59 ( Много )
Схема проезда
г. Полоцк-2 ул. Шенягина, 52 +375 (29) 302-94-73 ( Много )
Схема проезда
г. Полоцк-2 ул. Шенягина, 52 +375 (29) 302-94-73 ( Много )
Схема проезда
г. Пружаны ул. Макаренко, 21 +375 (29) 348-83-18 ( Много )
Схема проезда
г. Слоним ул. Советская, 93а +375 (29) 394-82-01 ( Много )
Схема проезда
г. Слуцк ул. Тутаринова, 8 +375 (29) 346-06-90 ( Много )
Схема проезда
г. Сморгонь ул. Железнодорожная, 32 +375 (29) 671-02-10 ( Много )
Схема проезда
г. Солигорск Чижевичский сельсовет, 3Г +375 (29) 899-58-52 ( Много )
Схема проезда
г. Столин ул. Быковского, 29 +375 (33) 304-54-36 ( Много )
Схема проезда
г. Щучин ул. Советская, 39 +375 (29) 177-29-70 ( Много )
Схема проезда
Шайба 69-2401055 замковая 69-2401055
Шайба 69-2401055 замковая
Каталожный номер 69-2401055
Производитель RSTA RSTA
Код 30721
Доставка по всей Беларуси
Доступность остатки на филиалах Остатки на филиалах
Остаток: г.Минск, ул.Селицкого 21к В наличии
Склад Адрес Контакт Остатки
г. Минск ул. Селицкого, 21к +375 (44) 770-80-78 ( Много )
Схема проезда
г. Ошмяны ул. Льнозоводская 3 +375 (44) 770-80-91 ( Средне )
Схема проезда
Манжета 3160-2402052 3160-2402052
Манжета 3160-2402052
Каталожный номер 3160-2402052
Производитель RSTA RSTA
Код 30246
Доставка по всей Беларуси
Доступность остатки на филиалах Остатки на филиалах
Остаток: г.Минск, ул.Селицкого 21к В наличии
Склад Адрес Контакт Остатки
г. Минск ул. Селицкого, 21к +375 (44) 770-80-78 ( Средне )
Схема проезда
г. Бобруйск ул. Орловского, 22к3 +375 (29) 345-37-07 ( Средне )
Схема проезда
г. Витебск ул. Правды, 33 +375 (44) 770-80-87 ( Средне )
Схема проезда
г. Глубокое ул. Энгельса, 22 +375 (44) 505-71-40 ( Средне )
Схема проезда
г. Гродно ул. Карского, 35 +375 (44) 770-70-21 ( Мало )
Схема проезда
г. Ивацевичи ул. Загородная, 6А +375 (29) 188-59-01 ( Средне )
Схема проезда
г. Лунинец ул.Красная, 175а +375 (44) 721-46-74 ( Средне )
Схема проезда
г. Новогрудок ул. Индустриальная, 3 +375 (44) 729-39-19 ( Средне )
Схема проезда
г. Ошмяны ул. Льнозоводская 3 +375 (44) 770-80-91 ( Мало )
Схема проезда
г. Пинск ул. Калиновского 32 +375 (44) 560-99-59 ( Средне )
Схема проезда
г. Полоцк-2 ул. Шенягина, 52 +375 (29) 302-94-73 ( Средне )
Схема проезда
г. Полоцк-2 ул. Шенягина, 52 +375 (29) 302-94-73 ( Средне )
Схема проезда
г. Сморгонь ул. Железнодорожная, 32 +375 (29) 671-02-10 ( Средне )
Схема проезда