Республика Беларусь,
г. Минск, ул. Селицкого 21к - центральный склад
Пн-пт с 8:00 до 17:00
Меню
AX-519 Разъем к ДМРВ с 5-ю проводами CARGEN
Наименование: Разъем AX-519 к ДМРВ с 5-ю проводами CARGEN
Каталожный номер: AX-519
Производитель: CARGEN
Код товара: 00-ГР027569
Доставка: по всей Беларуси
Остаток: под заказ

Нашли не точность в описании товара? сообщить администратору.

+375 (44) 770-80-78 +375 (29) 747-80-78
* Выставить счет, получить техническую информацию и стоимость
Заказать деталь Онлайн
Описание
Наличие на филиалах
Применяемость
Заменить на СТО

Разъем 1928405159 (5pin) 5 контактов:

Тип разъема: Герметичный

Тип контакта: Гнездовой (Female)

К датчику массового расхода воздуха OEM: 316300387701300

Применяемость:

UAZ
Hunter, Patriot.

Разъем AX-519 к ДМРВ с 5-ю проводами CARGEN производства Cargen (Cargen), Код для заказа: 00-ГР027569

Марка Модель Кат.номер Наим. по каталогу Чертеж
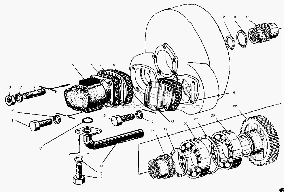
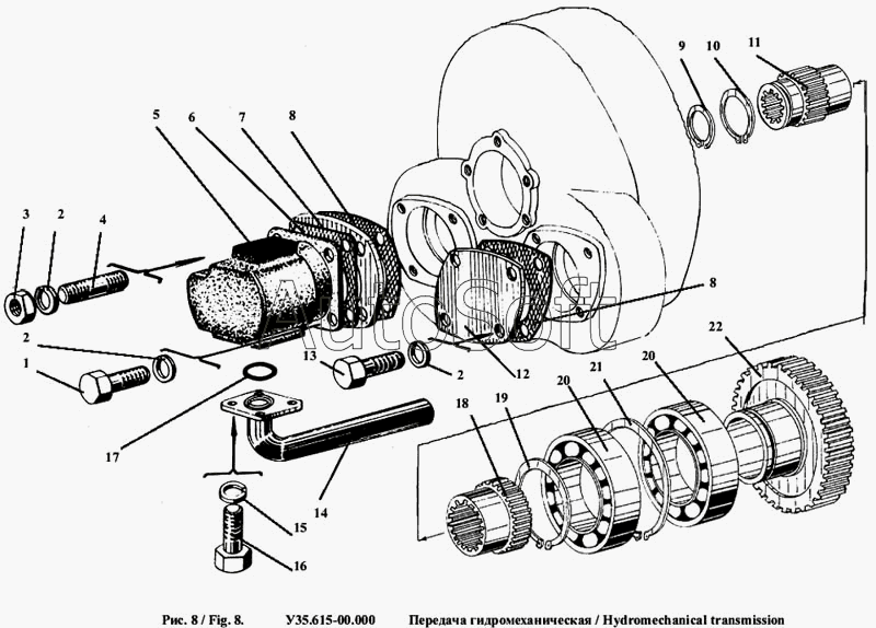
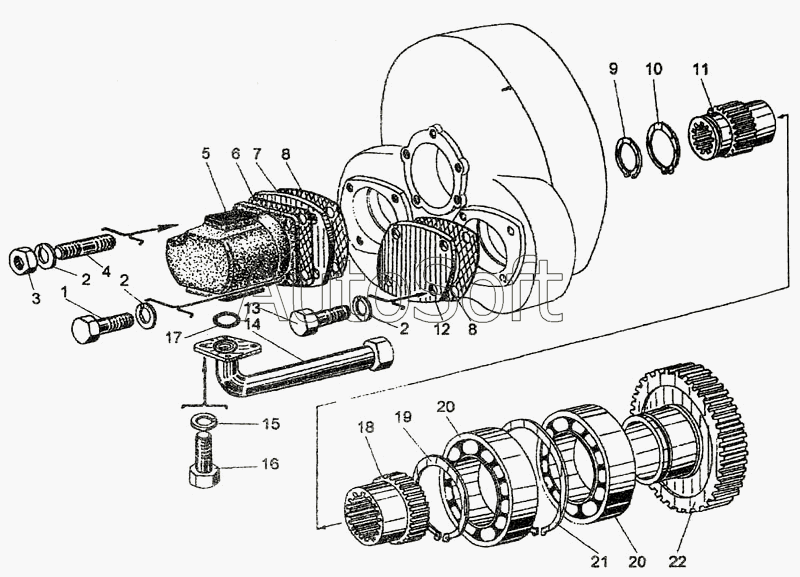
Амкодор Амкодор-333В (ТО-18Б3) У35.615-01.519 Крышка Передача гидромеханическая Чертеж Передача гидромеханическая
Амкодор Амкодор-342А (ТО-28А) У35.615-01.519 Крышка Передача гидромеханическая Чертеж Передача гидромеханическая
Амкодор Амкодор-327 (ТО-18Д) (2003) У35.615-01.519 Крышка Передача гидромеханическая Чертеж Передача гидромеханическая
Амкодор Амкодор-333 (ТО-18Б) (2004) У35.615-01.519 Крышка Гидромеханическая передача Чертеж Гидромеханическая передача
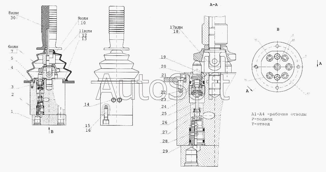
ТВЭКС ВП-05 13.80.04.519 Упор Блок управления Чертеж Блок управления
ТВЭКС ВП-05 13.80.04.519 Упор Блок управления педальный Чертеж Блок управления педальный
ТВЭКС ВП-05 13.80.04.519 Упор Блок управления Чертеж Блок управления
ТВЭКС ЕК-12 (2005) 13.80.04.519 Упор Блок управления Чертеж Блок управления
ТВЭКС ЕК-12 (2005) 13.80.04.519 Упор Блок управления Чертеж Блок управления
ТВЭКС ЕК-12 (2005) 13.80.04.519 Упор Блок управлений Чертеж Блок управлений
ТВЭКС ЕК-12 (2005) 13.80.04.519 Упор Блок управления Чертеж Блок управления
ТВЭКС E145W (ЕК-14) 13.80.04.519 Упор Блок управления Чертеж Блок управления
ТВЭКС E145W (ЕК-14) 13.80.04.519 Упор Блок управления Чертеж Блок управления
ТВЭКС E145W (ЕК-14) 13.80.04.519 Упор Блок управления Чертеж Блок управления
ТВЭКС E185W (ЕК-18) 13.80.04.519 Упор 13.80.04.500 Блок управления Чертеж 13.80.04.500 Блок управления
ТВЭКС E185W (ЕК-18) 13.80.04.519 Упор 13.80.04.400 Блок управления Чертеж 13.80.04.400 Блок управления
ТВЭКС E185W (ЕК-18) 13.80.04.519 Упор 13.80.04.920 Блок управления педальный Чертеж 13.80.04.920 Блок управления педальный
ТВЭКС ЕТ-25 13.80.04.519 Упор Блок управления
ТВЭКС ЕТ-16 (2005) 13.80.04.519 Упор Блок управления Чертеж Блок управления
ТВЭКС ЕТ-18-20 (2005) 13.80.04.519 Упор Блок управления
Товары из этой категории
Свеча УМЗ-А274 «EvoTech 2.7» QR15LC-1-N (4 шт.) BRISK QR15LC-1-N
Свеча УМЗ-А274 «EvoTech 2.7» QR15LC-1-N (4 шт.) BRISK
Каталожный номер QR15LC-1-N
Производитель BRISK BRISK
Код 49458
Доставка по всей Беларуси
Доступность остатки на филиалах Остатки на филиалах
Остаток В наличии
Склад Адрес Контакт Остатки
г. Борисов ул. Демина, 2а +375 (44) 560-99-75 ( Мало )
Схема проезда
г. Гомель ул. Барыкина, 291Б +375 (44) 514-15-30 ( Средне )
Схема проезда
г. Горки ул.Мира, д.51а/1 +375 (44) 565-33-61 ( Средне )
Схема проезда
г. Житковичи ул. Комсомольская, 49 +375 (29) 394-82-52 ( Средне )
Схема проезда
г. Новогрудок ул. Индустриальная, 3 +375 (44) 729-39-19 ( Мало )
Схема проезда
г. Ошмяны ул. Льнозоводская 3 +375 (44) 770-80-91 ( Мало )
Схема проезда
г. Солигорск Чижевичский сельсовет, 3Г +375 (29) 899-58-52 ( Мало )
Схема проезда
Регулятор напряжения 67.3702 (аналог 2702.3702) 67.3702 2702.3702
Регулятор напряжения 67.3702 (аналог 2702.3702)
Каталожный номер 67.3702 2702.3702
Производитель RSTA RSTA
Код 00-ГР016967
Доставка по всей Беларуси
Доступность остатки на филиалах Остатки на филиалах
Остаток Под заказ
Фонарь ФП132 LED AE задний светодиод АВТОЭЛЕКТРИКА ФП132 LED AE
Фонарь ФП132 LED AE задний светодиод АВТОЭЛЕКТРИКА
Каталожный номер ФП132 LED AE
Производитель Автоэлектрика Автоэлектрика
Код 00-ГР017969
Доставка по всей Беларуси
Доступность остатки на филиалах Остатки на филиалах
Остаток: г.Минск, ул.Селицкого 21к В наличии
Склад Адрес Контакт Остатки
г. Минск ул. Селицкого, 21к +375 (44) 770-80-78 ( Много )
Схема проезда
г. Бобруйск ул. Орловского, 22к3 +375 (29) 345-37-07 ( Средне )
Схема проезда
г. Витебск ул. Правды, 33 +375 (44) 770-80-87 ( Средне )
Схема проезда
г. Глубокое ул. Энгельса, 22 +375 (44) 505-71-40 ( Средне )
Схема проезда
г. Горки ул.Мира, д.51а/1 +375 (44) 565-33-61 ( Средне )
Схема проезда
г. Гродно ул. Карского, 35 +375 (44) 770-70-21 ( Средне )
Схема проезда
г. Дятлово ул. Советская ,104 +375 (29) 187-87-37 ( Мало )
Схема проезда
г. Жлобин ул. Козлова, 25 +375 (29) 346-06-78 ( Средне )
Схема проезда
г. Ивацевичи ул. Загородная, 6А +375 (29) 188-59-01 ( Средне )
Схема проезда
г. Лунинец ул.Красная, 175а +375 (44) 721-46-74 ( Средне )
Схема проезда
г. Осиповичи ул. Короткая, 11 +375 (29) 165-60-07 ( Средне )
Схема проезда
г. Ошмяны ул. Льнозоводская 3 +375 (44) 770-80-91 ( Средне )
Схема проезда
г. Петриков ул. Первомайская, 124 +375 (33) 660-06-75 ( Мало )
Схема проезда
г. Полоцк-2 ул. Шенягина, 52 +375 (29) 302-94-73 ( Мало )
Схема проезда
г. Пружаны ул. Макаренко, 21 +375 (29) 348-83-18 ( Средне )
Схема проезда
г. Слоним ул. Советская, 93а +375 (29) 394-82-01 ( Много )
Схема проезда
г. Сморгонь ул. Железнодорожная, 32 +375 (29) 671-02-10 ( Средне )
Схема проезда
г. Солигорск Чижевичский сельсовет, 3Г +375 (29) 899-58-52 ( Средне )
Схема проезда
г. Столин ул. Быковского, 29 +375 (33) 304-54-36 ( Средне )
Схема проезда
К-т проводов УМЗ-4216, ГАЗель, УАЗ, Евро 4 4216-3707080-23
К-т проводов УМЗ-4216, ГАЗель, УАЗ, Евро 4
Каталожный номер 4216-3707080-23
Производитель RSTA RSTA
Код 29754
Доставка по всей Беларуси
Доступность остатки на филиалах Остатки на филиалах
Остаток В наличии
Склад Адрес Контакт Остатки
г. Витебск ул. Правды, 33 +375 (44) 770-80-87 ( Мало )
Схема проезда
г. Гродно ул. Карского, 35 +375 (44) 770-70-21 ( Мало )
Схема проезда
г. Лунинец ул.Красная, 175а +375 (44) 721-46-74 ( Мало )
Схема проезда
г. Петриков ул. Первомайская, 124 +375 (33) 660-06-75 ( Мало )
Схема проезда
г. Полоцк-2 ул. Шенягина, 52 +375 (29) 302-94-73 ( Мало )
Схема проезда
Фонарь задний УАЗ ФП132A AE
Фонарь задний УАЗ
Каталожный номер ФП132A AE
Производитель Автоэлектрика Автоэлектрика
Код 11007
Доставка по всей Беларуси
Доступность остатки на филиалах Остатки на филиалах
Остаток: г.Минск, ул.Селицкого 21к В наличии
Склад Адрес Контакт Остатки
г. Минск ул. Селицкого, 21к +375 (44) 770-80-78 ( Много )
Схема проезда
г. Барановичи ул. Пролетарская, 40 +375 (29) 795-96-37 ( Мало )
Схема проезда
г. Барановичи ул. Бадака, 27Б +375 (29) 350-33-47 ( Средне )
Схема проезда
г. Березино ул. Комсомольская, д. 24 +375 (44) 770-80-17 ( Средне )
Схема проезда
г. Бобруйск ул. Гоголя, 181/1-6 +375 (29) 630-05-01 ( Мало )
Схема проезда
г. Бобруйск ул. Орловского, 22к3 +375 (29) 345-37-07 ( Средне )
Схема проезда
г. Борисов ул. Демина, 2а +375 (44) 560-99-75 ( Средне )
Схема проезда
г. Витебск ул. Правды, 33 +375 (44) 770-80-87 ( Средне )
Схема проезда
г. Витебск ул. Петруся Бровки, 34 +375 (29) 636-25-08 ( Средне )
Схема проезда
г. Глубокое ул. Энгельса, 22 +375 (44) 505-71-40 ( Мало )
Схема проезда
г. Горки ул.Мира, д.51а/1 +375 (44) 565-33-61 ( Средне )
Схема проезда
г. Гродно ул. Карского, 35 +375 (44) 770-70-21 ( Средне )
Схема проезда
г. Дятлово ул. Советская ,104 +375 (29) 187-87-37 ( Средне )
Схема проезда
г. Житковичи ул. Комсомольская, 49 +375 (29) 394-82-52 ( Средне )
Схема проезда
г. Ивацевичи ул. Загородная, 6А +375 (29) 188-59-01 ( Средне )
Схема проезда
г. Кобрин ул. Пролетарская, 177А +375 (44) 588-10-80 ( Средне )
Схема проезда
г. Кричев ул. Комсомольская, 126 +375 (29) 628-88-42 ( Средне )
Схема проезда
г. Лельчицы ул. Советская, д.96/1 +375 (29) 346-98-96 ( Средне )
Схема проезда
г. Лепель ул. Лобанка, 43 +375 (44) 778-65-21 ( Средне )
Схема проезда
г. Лунинец ул.Красная, 175а +375 (44) 721-46-74 ( Средне )
Схема проезда
г. Могилев ул. Габровская 11Б +375 (29) 662-02-16 ( Средне )
Схема проезда
г. Молодечно ул. Галицкого, 14 +375 (44) 567-28-47 ( Средне )
Схема проезда
г. Несвиж ул. Кутузова, 2 +375 (29) 394-82-48 ( Средне )
Схема проезда
г. Новогрудок ул. Индустриальная, 3 +375 (44) 729-39-19 ( Средне )
Схема проезда
г. Орша ул. Сергея Кирова, д. 34 +375 (44) 583-91-42 ( Мало )
Схема проезда
г. Осиповичи ул. Короткая, 11 +375 (29) 165-60-07 ( Средне )
Схема проезда
г. Ошмяны ул. Льнозоводская 3 +375 (44) 770-80-91 ( Средне )
Схема проезда
г. Петриков ул. Первомайская, 124 +375 (33) 660-06-75 ( Средне )
Схема проезда
г. Полоцк-2 ул. Шенягина, 52 +375 (29) 302-94-73 ( Средне )
Схема проезда
г. Полоцк-2 ул. Шенягина, 52 +375 (29) 302-94-73 ( Много )
Схема проезда
г. Полоцк-2 ул. Шенягина, 52 +375 (29) 302-94-73 ( Средне )
Схема проезда
г. Поставы ул. Советская, 69 +375 (44) 770-80-13 ( Средне )
Схема проезда
г. Слоним ул. Советская, 93а +375 (29) 394-82-01 ( Средне )
Схема проезда
г. Слуцк ул. Тутаринова, 8 +375 (29) 346-06-90 ( Средне )
Схема проезда
г. Сморгонь ул. Железнодорожная, 32 +375 (29) 671-02-10 ( Средне )
Схема проезда
г. Столин ул. Быковского, 29 +375 (33) 304-54-36 ( Средне )
Схема проезда
г. Щучин ул. Советская, 39 +375 (29) 177-29-70 ( Много )
Схема проезда