Республика Беларусь,
г. Минск, ул. Селицкого 21к - центральный склад
Пн-пт с 8:00 до 17:00
Меню
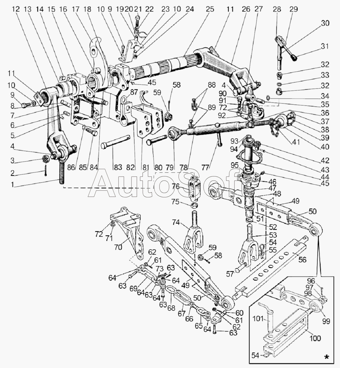
1220-4605150-Б Раскос ВЗТЗЧ
Наименование: Раскос 1220-4605150-Б ВЗТЗЧ
Каталожный номер: 1220-4605150-Б
Производитель: ВЗТЗЧ
Код товара: 00-ГР001696
Доставка: по всей Беларуси
Остаток: под заказ

Нашли не точность в описании товара? сообщить администратору.

+375 (44) 770-80-78 +375 (29) 747-80-78
* Выставить счет, получить техническую информацию и стоимость
Заказать деталь Онлайн
Описание
Наличие на филиалах
Применяемость
Заменить на СТО

Раскос предназначен для регулировки положения нижних тяг в составе навески по высоте.
Применение (модель трактора): 1025, 826, 900, 920, 950, 952

Раскос 1220-4605150-Б ВЗТЗЧ производства ВЗТЗЧ (ВЗТЗЧ), Код для заказа: 00-ГР001696

Марка Модель Кат.номер Наим. по каталогу Чертеж
МТЗ МТЗ-1221 (1997) 1220-4605150 Раскос в сборе Механизм задней навески Чертеж Механизм задней навески
МТЗ МТЗ-822 (2008) 1220-4605150-Б-01 Раскос регулируемый Навесное устройство
МТЗ МТЗ-922 (2008) 1220-4605150-Б-01 Раскос регулируемый Навесное устройство Чертеж Навесное устройство
МТЗ МТЗ-923 (2008) 1220-4605150-Б-01 Раскос регулируемый Навесное устройство
МТЗ МТЗ-570 (2010) 1220-4605150 Раскос в сборе Механизм задней навески (для тракторов с силовым регулятором) Чертеж Механизм задней навески (для тракторов с силовым регулятором)
МТЗ МТЗ-900/920/950/952 (2009) 1220-4605150 Раскос в сборе Механизм задней навески (для тракторов с силовым регулятором)
МТЗ МТЗ-900/920/950/952 (2009) 1220-4605150-Б-01 Раскос регулируемый Механизм задней навески (с гидроподъемником)
МТЗ МТЗ-920.4/952.4 (2009) 1220-4605150-Б-01 Раскос регулируемый Механизм задней навески
МТЗ МТЗ-826 (2010) 1220-4605150 Раскос в сборе Механизм задней навески, для тракторов с силовым регулятором
МТЗ МТЗ-826 (2010) 1220-4605150-Б-01 Раскос регулируемый Механизм задней навески с гидроподъемником
МТЗ МТЗ-1025.4 (2009) 1220-4605150-Б-01 Раскос регулируемый Механизм задней навески Чертеж Механизм задней навески
МТЗ 92П (2010) 1220-4605150-Б-01 Раскос регулируемый Механизм задней навески (с гидроподъемником) Чертеж Механизм задней навески (с гидроподъемником)
МТЗ 892 (2011) 1220-4605150 Раскос в сборе Механизм задней навески Чертеж Механизм задней навески
МТЗ 922.5 (2013) 1220-4605150-Б-01 Раскос регулируемый Механизм задней навески (с гидроподъемником)
МТЗ 923.4 (2014) 1220-4605150-Б-01 Раскос регулируемый Механизм задней навески (с гидроподъемником) Чертеж Механизм задней навески (с гидроподъемником)
МТЗ 922.3 / 922.4 (2013) 1220-4605150-Б-01 Раскос регулируемый Механизм задней навески (с гидроподъемником)
МТЗ 923.5 (2013) 1220-4605150-Б-01 Раскос регулируемый Механизм задней навески (с гидроподъемником) Чертеж Механизм задней навески (с гидроподъемником)
МТЗ МТЗ-80.1 (2015) 1220-4605150 Раскос в сборе Механизм задней навески (вариант) Чертеж Механизм задней навески (вариант)
МТЗ 952.5 (2013) 1220-4605150-Б-01 Раскос регулируемый Механизм задней навески
МТЗ 1025/1025.2/1025.3 (2009) 1220-4605150 Раскос в сборе Механизм задней навески (по заказу) Чертеж Механизм задней навески (по заказу)
Товары из этой категории
Гидрораспределитель РП70-1221.1, МРС70 4/2 РМ 111 (RG006) FENOX RG006
Гидрораспределитель РП70-1221.1, МРС70 4/2 РМ 111 (RG006) FENOX
Каталожный номер RG006
Производитель FENOX FENOX
Код 00-ГР019171
Доставка по всей Беларуси
Доступность остатки на филиалах Остатки на филиалах
Остаток: г.Минск, ул.Селицкого 21к В наличии
Склад Адрес Контакт Остатки
г. Минск ул. Селицкого, 21к +375 (44) 770-80-78 ( Мало )
Схема проезда
г. Глубокое ул. Энгельса, 22 +375 (44) 505-71-40 ( Мало )
Схема проезда
г. Новогрудок ул. Индустриальная, 3 +375 (44) 729-39-19 ( Мало )
Схема проезда
г. Сморгонь ул. Железнодорожная, 32 +375 (29) 671-02-10 ( Мало )
Схема проезда
г. Столин ул. Быковского, 29 +375 (33) 304-54-36 ( Средне )
Схема проезда
Тяга навески левая длинная 70-4605055
Тяга навески левая длинная
Каталожный номер 70-4605055
Производитель RSTA RSTA
Код 11693
Доставка по всей Беларуси
Доступность остатки на филиалах Остатки на филиалах
Остаток: г.Минск, ул.Селицкого 21к В наличии
Склад Адрес Контакт Остатки
г. Минск ул. Селицкого, 21к +375 (44) 770-80-78 ( Средне )
Схема проезда
г. Глубокое ул. Энгельса, 22 +375 (44) 505-71-40 ( Мало )
Схема проезда
г. Дрогичин ул. Юбилейная, 42 +375 (29) 682-17-13 ( Мало )
Схема проезда
г. Жлобин ул. Козлова, 25 +375 (29) 346-06-78 ( Мало )
Схема проезда
г. Кричев ул. Комсомольская, 126 +375 (29) 628-88-42 ( Мало )
Схема проезда
г. Лепель ул. Лобанка, 43 +375 (44) 778-65-21 ( Мало )
Схема проезда
г. Молодечно ул. Галицкого, 14 +375 (44) 567-28-47 ( Мало )
Схема проезда
г. Несвиж ул. Кутузова, 2 +375 (29) 394-82-48 ( Мало )
Схема проезда
г. Новогрудок ул. Индустриальная, 3 +375 (44) 729-39-19 ( Мало )
Схема проезда
г. Осиповичи ул. Короткая, 11 +375 (29) 165-60-07 ( Мало )
Схема проезда
г. Ошмяны ул. Льнозоводская 3 +375 (44) 770-80-91 ( Мало )
Схема проезда
г. Полоцк-2 ул. Шенягина, 52 +375 (29) 302-94-73 ( Мало )
Схема проезда
г. Полоцк-2 ул. Шенягина, 52 +375 (29) 302-94-73 ( Мало )
Схема проезда
г. Поставы ул. Советская, 69 +375 (44) 770-80-13 ( Средне )
Схема проезда
г. Пружаны ул. Макаренко, 21 +375 (29) 348-83-18 ( Мало )
Схема проезда
г. Столин ул. Быковского, 29 +375 (33) 304-54-36 ( Средне )
Схема проезда
Ось тяг нижней задней навески 70-4605026
Ось тяг нижней задней навески
Каталожный номер 70-4605026
Производитель RSTA RSTA
Код 11775
Доставка по всей Беларуси
Доступность остатки на филиалах Остатки на филиалах
Остаток: г.Минск, ул.Селицкого 21к В наличии
Склад Адрес Контакт Остатки
г. Минск ул. Селицкого, 21к +375 (44) 770-80-78 ( Много )
Схема проезда
г. Витебск ул. Правды, 33 +375 (44) 770-80-87 ( Мало )
Схема проезда
г. Горки ул.Мира, д.51а/1 +375 (44) 565-33-61 ( Мало )
Схема проезда
г. Дрогичин ул. Юбилейная, 42 +375 (29) 682-17-13 ( Мало )
Схема проезда
г. Лепель ул. Лобанка, 43 +375 (44) 778-65-21 ( Мало )
Схема проезда
г. Молодечно ул. Галицкого, 14 +375 (44) 567-28-47 ( Средне )
Схема проезда
г. Несвиж ул. Кутузова, 2 +375 (29) 394-82-48 ( Средне )
Схема проезда
г. Ошмяны ул. Льнозоводская 3 +375 (44) 770-80-91 ( Средне )
Схема проезда
г. Полоцк-2 ул. Шенягина, 52 +375 (29) 302-94-73 ( Средне )
Схема проезда
г. Поставы ул. Советская, 69 +375 (44) 770-80-13 ( Мало )
Схема проезда
г. Слоним ул. Советская, 93а +375 (29) 394-82-01 ( Средне )
Схема проезда
Стяжка 50-4605115 ВЗТЗЧ 50-4605115
Стяжка 50-4605115 ВЗТЗЧ
Каталожный номер 50-4605115
Производитель ВЗТЗЧ ВЗТЗЧ
Код 00-ГР015281
Доставка по всей Беларуси
Доступность остатки на филиалах Остатки на филиалах
Остаток: г.Минск, ул.Селицкого 21к В наличии
Склад Адрес Контакт Остатки
г. Минск ул. Селицкого, 21к +375 (44) 770-80-78 ( Средне )
Схема проезда
г. Новогрудок ул. Индустриальная, 3 +375 (44) 729-39-19 ( Мало )
Схема проезда
г. Пружаны ул. Макаренко, 21 +375 (29) 348-83-18 ( Средне )
Схема проезда
г. Слоним ул. Советская, 93а +375 (29) 394-82-01 ( Средне )
Схема проезда
г. Столин ул. Быковского, 29 +375 (33) 304-54-36 ( Мало )
Схема проезда
Устройство  запорное РВД ключ 36 (00) А60/75-4616320
Устройство запорное РВД ключ 36 (00)
Каталожный номер А60/75-4616320
Производитель КНР КНР
Код 47046
Доставка по всей Беларуси
Доступность остатки на филиалах Остатки на филиалах
Остаток В наличии
Склад Адрес Контакт Остатки
г. Лунинец ул.Красная, 175а +375 (44) 721-46-74 ( Мало )
Схема проезда