130-8101012 Радиатор отопителя
| Наименование: | Радиатор отопителя 130-8101012 |
| Каталожный номер: | 130-8101012 |
| Производитель: |
|
| Код товара: | 14860 |
| Доставка: | по всей Беларуси |
| Остаток: | под заказ |
Нашли не точность в описании товара? сообщить администратору.
* Выставить счет, получить техническую информацию и стоимость
Заказать деталь Онлайн
Описание
Наличие на филиалах
Применяемость
Заменить на СТО
Email
ras.Drenchik@gmail.com
Email
ras.Drobot@gmail.com
Email
ras.Rozhkov@gmail.com
Email
los.Konoda@gmail.com
Email
ras.titenkova@gmail.com
Email
ras.Abramovich@gmail.com
Email
pinsk.sto@gmail.com
Email
sto.Polock@snabavto.by
Код для заказа: 14860
| Марка | Модель | Кат.номер | Наим. по каталогу | Чертеж | |
|---|---|---|---|---|---|
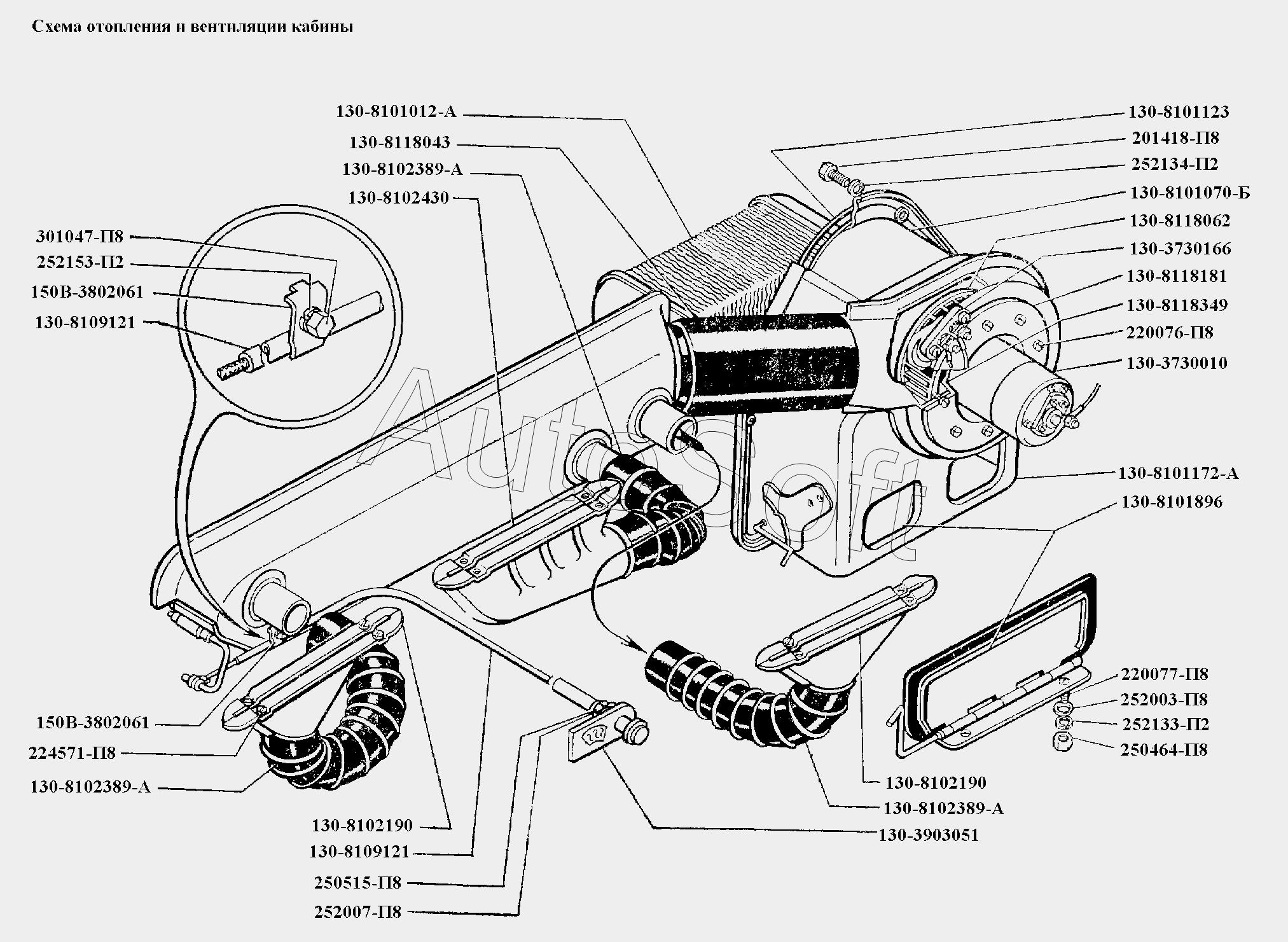
| ЗИЛ | ЗИЛ-431410 Каталог 1989 г. (1989) | 130-8101012-А | Радиатор отопителя в сборе | Схема отопления и вентиляции кабины | |
| ЗИЛ | ЗИЛ-131 | 130-8101012-А | Радиатор отопителя в сборе | Схема отопления и вентиляции кабины |
|
| ЗИЛ | ЗИЛ-133ГЯ | 130-8101012-А | Радиатор отопителя в сборе | Схема отопления и вентиляции кабины |
|
| ЗИЛ | ЗИЛ-431416 (1990) | 130-8101012-А | Радиатор отопителя в сборе | Вентиляция и отопление\Схема отопления и вентиляции кабины |
|
| ЗИЛ | ЗИЛ-441517 Каталог 1987 г. (1987) | 130-8101012-А | Радиатор отопителя в сборе | Схема отопления и вентиляции кабины | |
| ЗИЛ | ЗИЛ-130 (1985) | 130-8101012-А | Радиатор отопителя в сборе | Схема отопления и вентиляции кабины |
|
Под заказ
Политика обработки файлов cookie
На сайте snabavto.by используются файлы cookie для сбора обезличенной информации о пользователях. Это помогает нам анализировать статистику, совершенствовать сервис и делать его более удобным для вас. Подробнее о файлах cookie вы можете узнать в соответствующем разделе Политики обработки файлов cookie.
Ремавтоснаб