Республика Беларусь,
г. Минск, ул. Селицкого 21к - центральный склад
Пн-пт с 8:00 до 17:00
Меню
54115-1301010-10 Радиатор медный
Наименование: Радиатор 54115-1301010-10 медный
Каталожный номер: 54115-1301010-10
Производитель: ШААЗ
Код товара: 00-ГР022369
Доставка: по всей Беларуси
Остаток: под заказ

Нашли не точность в описании товара? сообщить администратору.

+375 (44) 770-80-78 +375 (29) 747-80-78
* Выставить счет, получить техническую информацию и стоимость
Заказать деталь Онлайн
Описание
Наличие на филиалах
Применяемость
Заменить на СТО

Радиатор 54115-1301010-10 медный производства ШААЗ (РФ), Код для заказа: 00-ГР022369

Марка Модель Кат.номер Наим. по каталогу Чертеж
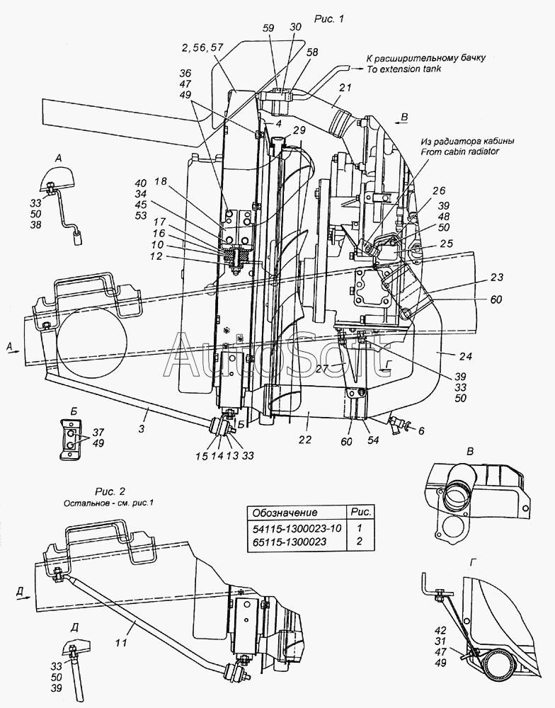
Камский автозавод 4326 (2001) 54115-1301010 Радиатор в сборе Установка радиатора и уплотнителей радиатора Чертеж Установка радиатора и уплотнителей радиатора
Камский автозавод 65115 (2001) 54115-1301010-10 Радиатор в сборе Установка радиатора и уплотнителей радиатора Чертеж Установка радиатора и уплотнителей радиатора
Камский автозавод 6540 54115-1301010-10 Радиатор в сборе Установка радиатора Чертеж Установка радиатора
Камский автозавод 43114 54115-1301010-10 Радиатор в сборе Установка радиатора Чертеж Установка радиатора
Камский автозавод 43118 (2002) 54115-1301010-10 Радиатор в сборе Установка радиатора Чертеж Установка радиатора
Камский автозавод 4326 (2003г) 54115-1301010-10 Радиатор в сборе Установка радиатора Чертеж Установка радиатора
Камский автозавод 53228, 65111 (2004) 54115-1301010-10 Радиатор в сборе Установка радиатора Чертеж Установка радиатора
Камский автозавод 65116 (2006) 54115-1301010-10 Радиатор в сборе Установка радиатора
Камский автозавод 43501 (4х4) (2007) 54115-1301010-10 Радиатор в сборе 54115-1300023-10 Установка радиатора Чертеж 54115-1300023-10 Установка радиатора
Камский автозавод 43501 (4х4) (2007) 146.1301010-10 Радиатор ТУ 4591-042-002321 82-1997 54115-1300023-10 Установка радиатора Чертеж 54115-1300023-10 Установка радиатора
Камский автозавод 43501 (4х4) (2007) 146.1301010-11 Радиатор ТУ 4591-042-00232182-1997 54115-1300023-10 Установка радиатора Чертеж 54115-1300023-10 Установка радиатора
Камский автозавод 4350 (4х4) (2004) 54115-1301010-10 Радиатор в сборе 54115-1300023-10 Установка радиатора Чертеж 54115-1300023-10 Установка радиатора
Камский автозавод 4350 (4х4) (2004) 146.1301010-10 Радиатор ТУ 4591-042-002321 82-1997 54115-1300023-10 Установка радиатора Чертеж 54115-1300023-10 Установка радиатора
Камский автозавод 4350 (4х4) (2004) 146.1301010-11 Радиатор ТУ 4591-042-00232182-1997 54115-1300023-10 Установка радиатора Чертеж 54115-1300023-10 Установка радиатора
Камский автозавод 43261 (Евро-1, 2) (2007) 54115-1301010-10 Радиатор в сборе 53205-1300023 Установка радиатора
Камский автозавод 43261 (Евро-1, 2) (2007) 54115-1301010-10 Радиатор в сборе 54115-1300023-10 Установка радиатора Чертеж 54115-1300023-10 Установка радиатора
Камский автозавод 43261 (Евро-1, 2) (2007) 12.1301010-21 Радиатор 54115-1300023-10 Установка радиатора Чертеж 54115-1300023-10 Установка радиатора
Камский автозавод 43261 (Евро-1, 2) (2007) 146.1301010-10 Радиатор ТУ 4591-042-002321 82-1997 54115-1300023-10 Установка радиатора Чертеж 54115-1300023-10 Установка радиатора
Камский автозавод 43261 (Евро-1, 2) (2007) 146.1301010-11 Радиатор ТУ 4591-042-00232182-1997 54115-1300023-10 Установка радиатора Чертеж 54115-1300023-10 Установка радиатора
ЛиАЗ ЛиАЗ-5256, 6212 (2006) (2006) 54115-1301010-10 Радиатор Система охлаждения двигателя ЯМЗ-236НЕ с механической КПП-ЯМЗ-236Л1 Чертеж Система охлаждения двигателя ЯМЗ-236НЕ с механической КПП-ЯМЗ-236Л1
Товары из этой категории
Патрубки радиатора комплект 3шт. 5320-1303010/26/27
Патрубки радиатора комплект 3шт.
Каталожный номер 5320-1303010/26/27
Производитель Резинотехника Резинотехника
Код 42997
Доставка по всей Беларуси
Доступность остатки на филиалах Остатки на филиалах
Остаток: г.Минск, ул.Селицкого 21к В наличии
Склад Адрес Контакт Остатки
г. Минск ул. Бабушкина, 37 +375 (29) 632-00-82 ( Мало )
Схема проезда
г. Минск ул. Селицкого, 21к +375 (44) 770-80-78 ( Средне )
Схема проезда
г. Бобруйск ул. Орловского, 22к3 +375 (29) 345-37-07 ( Мало )
Схема проезда
г. Борисов ул. Демина, 2а +375 (44) 560-99-75 ( Мало )
Схема проезда
г. Глубокое ул. Энгельса, 22 +375 (44) 505-71-40 ( Мало )
Схема проезда
г. Гродно ул. Карского, 35 +375 (44) 770-70-21 ( Мало )
Схема проезда
г. Дятлово ул. Советская ,104 +375 (29) 187-87-37 ( Мало )
Схема проезда
г. Осиповичи ул. Короткая, 11 +375 (29) 165-60-07 ( Мало )
Схема проезда
г. Сморгонь ул. Железнодорожная, 32 +375 (29) 671-02-10 ( Мало )
Схема проезда
Бачок 5320-1311010
Бачок
Каталожный номер 5320-1311010
Производитель ТЕХНОКАМ ТЕХНОКАМ
Код 14236
Доставка по всей Беларуси
Доступность остатки на филиалах Остатки на филиалах
Остаток: г.Минск, ул.Селицкого 21к В наличии
Склад Адрес Контакт Остатки
г. Минск ул. Селицкого, 21к +375 (44) 770-80-78 ( Средне )
Схема проезда
г. Ошмяны ул. Льнозоводская 3 +375 (44) 770-80-91 ( Мало )
Схема проезда
Насос водяной 740-1307010-02 ТМК 740-1307010-02
Насос водяной 740-1307010-02 ТМК
Каталожный номер 740-1307010-02
Производитель ЗЧТД ЗЧТД
Код 00-ГР018119
Доставка по всей Беларуси
Доступность остатки на филиалах Остатки на филиалах
Остаток: г.Минск, ул.Селицкого 21к В наличии
Склад Адрес Контакт Остатки
г. Минск ул. Селицкого, 21к +375 (44) 770-80-78 ( Средне )
Схема проезда
г. Берёза ул. Красноармейская, 89/11 +375 (29) 676-70-71 ( Мало )
Схема проезда
г. Бобруйск ул. Орловского, 22к3 +375 (29) 345-37-07 ( Мало )
Схема проезда
г. Новогрудок ул. Индустриальная, 3 +375 (44) 729-39-19 ( Мало )
Схема проезда
г. Ошмяны ул. Льнозоводская 3 +375 (44) 770-80-91 ( Мало )
Схема проезда
г. Полоцк-2 ул. Шенягина, 52 +375 (29) 302-94-73 ( Мало )
Схема проезда
г. Слоним ул. Советская, 93а +375 (29) 394-82-01 ( Мало )
Схема проезда
г. Солигорск Чижевичский сельсовет, 3Г +375 (29) 899-58-52 ( Мало )
Схема проезда
Патрубок расширительного бачка 5320-1311049
Патрубок расширительного бачка
Каталожный номер 5320-1311049
Производитель Резинотехника Резинотехника
Код 12011
Доставка по всей Беларуси
Доступность остатки на филиалах Остатки на филиалах
Остаток: г.Минск, ул.Селицкого 21к В наличии
Склад Адрес Контакт Остатки
г. Минск ул. Селицкого, 21к +375 (44) 770-80-78 ( Средне )
Схема проезда
г. Бобруйск ул. Орловского, 22к3 +375 (29) 345-37-07 ( Средне )
Схема проезда
г. Витебск ул. Петруся Бровки, 34 +375 (29) 636-25-08 ( Мало )
Схема проезда
г. Дрогичин ул. Юбилейная, 42 +375 (29) 682-17-13 ( Мало )
Схема проезда
г. Дятлово ул. Советская ,104 +375 (29) 187-87-37 ( Мало )
Схема проезда
г. Осиповичи ул. Короткая, 11 +375 (29) 165-60-07 ( Мало )
Схема проезда
г. Полоцк-2 ул. Шенягина, 52 +375 (29) 302-94-73 ( Мало )
Схема проезда
г. Сморгонь ул. Железнодорожная, 32 +375 (29) 671-02-10 ( Мало )
Схема проезда
г. Щучин ул. Советская, 39 +375 (29) 177-29-70 ( Мало )
Схема проезда
Сальник гидромуфты 740-1318166
Сальник гидромуфты
Каталожный номер 740-1318166
Производитель БРТ БРТ
Код 11220
Доставка по всей Беларуси
Доступность остатки на филиалах Остатки на филиалах
Остаток: г.Минск, ул.Селицкого 21к В наличии
Склад Адрес Контакт Остатки
г. Минск ул. Селицкого, 21к +375 (44) 770-80-78 ( Много )
Схема проезда
г. Борисов ул. Демина, 2а +375 (44) 560-99-75 ( Средне )
Схема проезда
г. Слоним ул. Советская, 93а +375 (29) 394-82-01 ( Средне )
Схема проезда