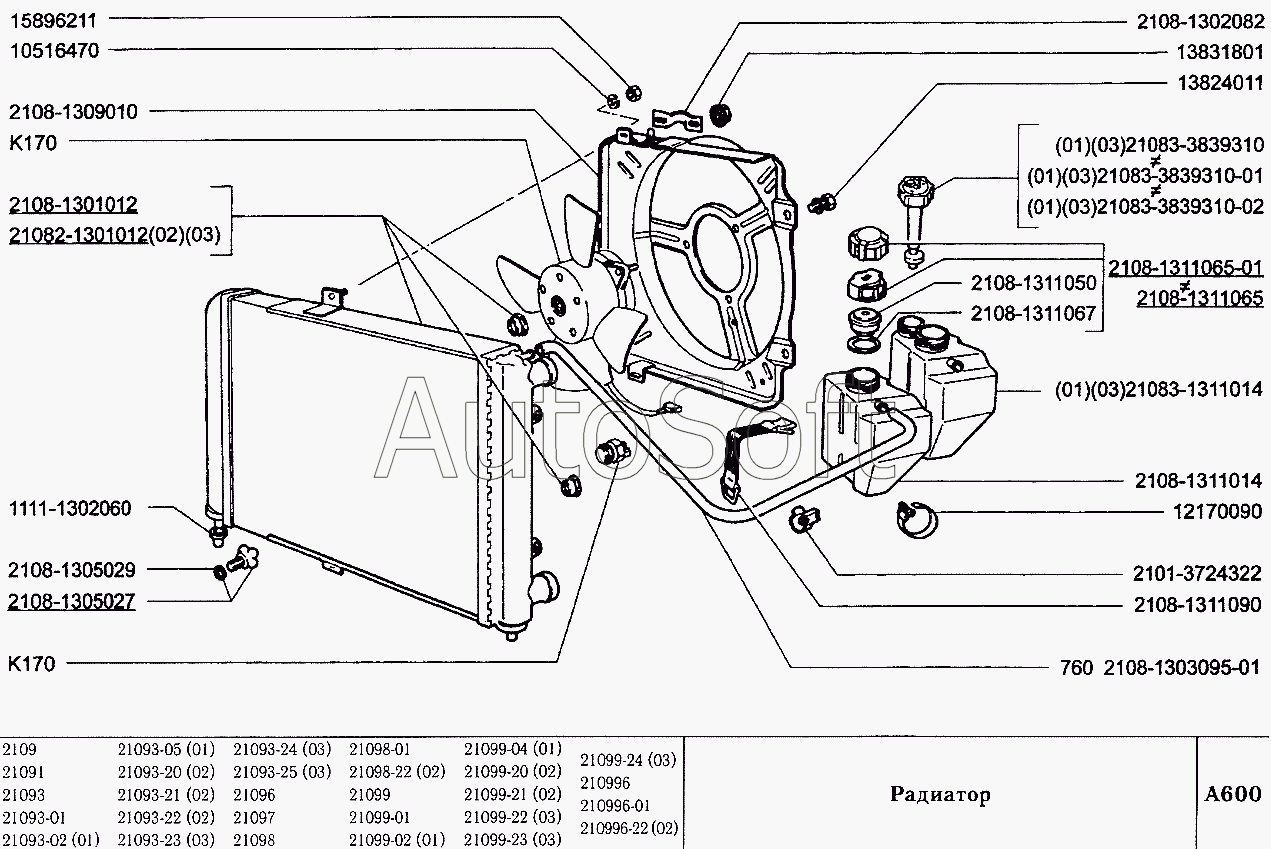
2108-1301012 Радиатор
| Наименование: | Радиатор 2108-1301012 |
| Каталожный номер: | 2108-1301012 |
| Производитель: |
|
| Код товара: | 18236 |
| Доставка: | по всей Беларуси |
| Остаток: | под заказ |
Нашли не точность в описании товара? сообщить администратору.
* Выставить счет, получить техническую информацию и стоимость
Заказать деталь Онлайн
Описание
Наличие на филиалах
Применяемость
Заменить на СТО
Email
ras.Drenchik@gmail.com
Email
ras.Drobot@gmail.com
Email
ras.Rozhkov@gmail.com
Email
los.Konoda@gmail.com
Email
ras.titenkova@gmail.com
Email
ras.Abramovich@gmail.com
Email
pinsk.sto@gmail.com
Email
sto.Polock@snabavto.by
Радиатор 2108-1301012 производства ВАЗ (РФ), Код для заказа: 18236
| Марка | Модель | Кат.номер | Наим. по каталогу | Чертеж | |
|---|---|---|---|---|---|
| ВАЗ | ВАЗ-2108 | 2108-1301012 | Радиатор | Радиатор | |
| ВАЗ | ВАЗ-2108 | 21082-1301012 | Радиатор | Радиатор | |
| ВАЗ | ВАЗ-2108 | 21083-1301012 | Радиатор | Радиатор | |
| ВАЗ | ВАЗ-2109 (1991) | 2108-1301012 | Радиатор | Радиатор | |
| ВАЗ | ВАЗ-21099 | 2108-1301012 | Радиатор | Радиатор | |
| ВАЗ | ВАЗ-2115 (2000) | 2108-1301012 | Радиатор | Радиатор | |
| ВАЗ | ВАЗ-2115 (2003) | 2108-1301012 | Радиатор | Радиатор |
|
| ВАЗ | ВАЗ-2108 (2002) | 2108-1301012 | Радиатор | Радиатор |
|
| ВАЗ | ВАЗ-2108 (2002) | 21082-1301012 | Радиатор | Радиатор |
|
| ВАЗ | ВАЗ-2109 (2002) | 2108-1301012 | Радиатор | Радиатор |
|
Под заказ
Товары из этой категории
| Пробка расширительного бачка | |
| Каталожный номер | 2108-1311065 |
| Производитель |
|
| Код | 46071 |
| Доставка | по всей Беларуси |
| Доступность | остатки на филиалах |
| Остаток: г.Минск, ул.Селицкого 21к | В наличии |
| Склад | Адрес | Контакт | Остатки | |
|---|---|---|---|---|
| г. Минск | ул. Селицкого, 21к | +375 (44) 770-80-78 |
( Мало )
|
Схема проезда |
| г. Бобруйск | ул. Орловского, 22к3 | +375 (29) 345-37-07 |
( Мало )
|
Схема проезда |
| г. Гродно | ул. Карского, 35 | +375 (44) 770-70-21 |
( Мало )
|
Схема проезда |
| г. Жлобин | ул. Козлова, 25 | +375 (29) 346-06-78 |
( Мало )
|
Схема проезда |
| г. Ошмяны | ул. Льнозоводская 3 | +375 (44) 770-80-91 |
( Мало )
|
Схема проезда |
| г. Петриков | ул. Первомайская, 124 | +375 (33) 660-06-75 |
( Мало )
|
Схема проезда |
| Пробка 2170М-1311065-01 | |
| Каталожный номер | 2170М-1311065-01 |
| Производитель |
|
| Код | 36642 |
| Доставка | по всей Беларуси |
| Доступность | остатки на филиалах |
| Остаток | В наличии |
| Склад | Адрес | Контакт | Остатки | |
|---|---|---|---|---|
| г. Глубокое | ул. Энгельса, 22 | +375 (44) 505-71-40 |
( Мало )
|
Схема проезда |
| г. Новогрудок | ул. Индустриальная, 3 | +375 (44) 729-39-19 |
( Мало )
|
Схема проезда |
Политика обработки файлов cookie
На сайте snabavto.by используются файлы cookie для сбора обезличенной информации о пользователях. Это помогает нам анализировать статистику, совершенствовать сервис и делать его более удобным для вас. Подробнее о файлах cookie вы можете узнать в соответствующем разделе Политики обработки файлов cookie.
Ремавтоснаб