Республика Беларусь,
г. Минск, ул. Селицкого 21к - центральный склад
Пн-пт с 8:00 до 17:00
Меню
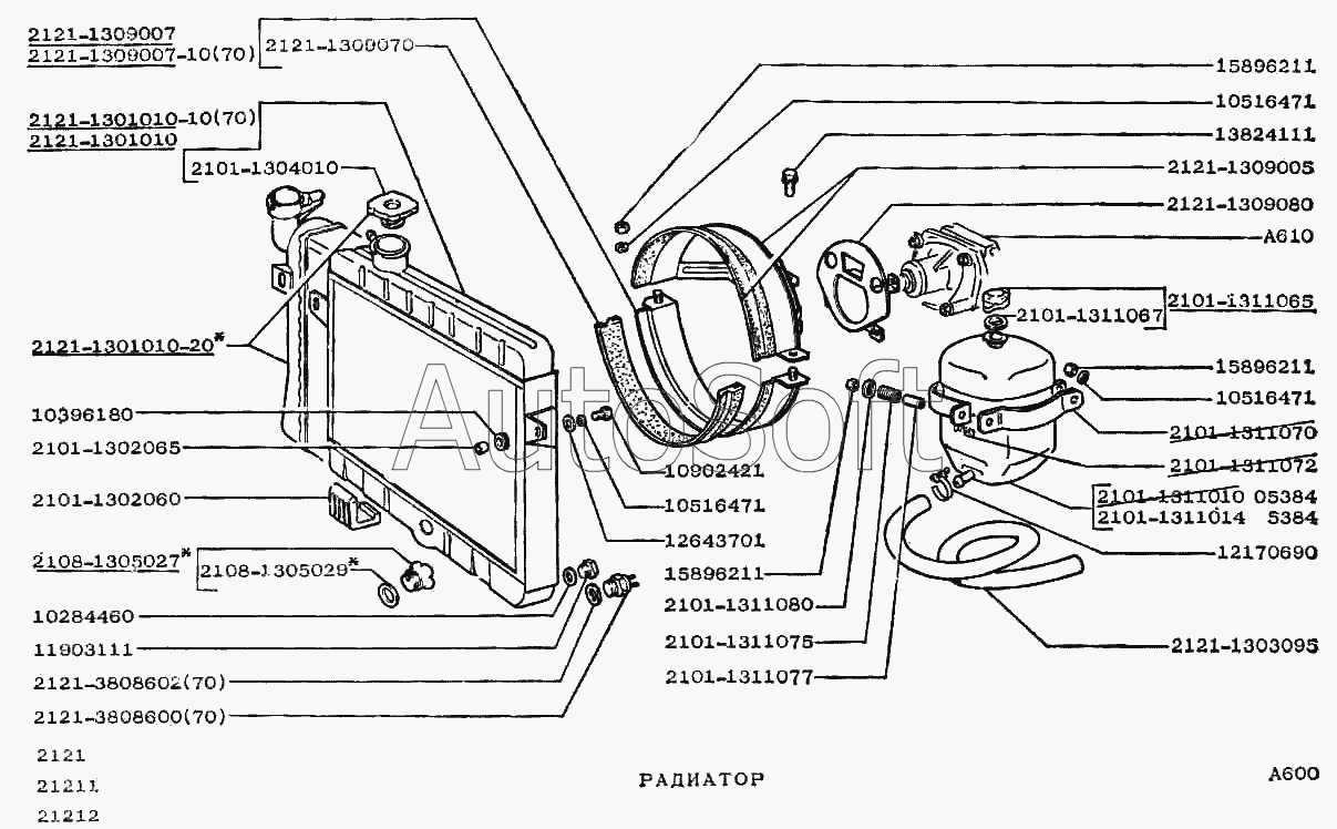
12.1301010-20 Радиатор (54115-1301010) медный Лихославль
Наименование: Радиатор 12.1301010-20 (54115-1301010) медный Лихославль
Каталожный номер: 12.1301010-20
Производитель: Лихославль
Код товара: 43924
Доставка: по всей Беларуси
Остаток: под заказ

Нашли не точность в описании товара? сообщить администратору.

+375 (44) 770-80-78 +375 (29) 747-80-78
* Выставить счет, получить техническую информацию и стоимость
Заказать деталь Онлайн
Описание
Наличие на филиалах
Применяемость
Заменить на СТО

Радиатор 146-1301010 производства РФ (РФ), Код для заказа: 43924

Марка Модель Кат.номер Наим. по каталогу Чертеж
ВАЗ ВАЗ-2101 (1982) 2101-1301010-10 Радиатор Радиатор
ВАЗ ВАЗ-2102 (1982) 2101-1301010-10 Радиатор Радиатор
ВАЗ ВАЗ-2103 2103-1301010 Радиатор Радиатор Чертеж Радиатор
ВАЗ ВАЗ-2104 2105-1301010-10 Радиатор Радиатор Чертеж Радиатор
ВАЗ ВАЗ-2105 2105-1301010-10 Радиатор Радиатор Чертеж Радиатор
ВАЗ ВАЗ-2106 2103-1301010 Радиатор Радиатор
ВАЗ ВАЗ-2107 (1990) 2107-1301010-20 Радиатор Радиатор Чертеж Радиатор
ВАЗ ВАЗ-2107 (1990) 2107-1301010-30 Радиатор Радиатор Чертеж Радиатор
ВАЗ ВАЗ-2107 (1990) 2105-1301010-10 Радиатор Радиатор
ВАЗ ВАЗ-2121 (NIVA) 2121-1301010 Радиатор Радиатор Чертеж Радиатор
ВАЗ ВАЗ-2121 (NIVA) 2121-1301010-10 Радиатор Радиатор Чертеж Радиатор
ВАЗ ВАЗ-2121 (NIVA) 2121-1301010-20 Радиатор Радиатор Чертеж Радиатор
ГАЗ ГАЗ-24 24-1301010-Б Радиатор в сборе Радиатор Чертеж Радиатор
ГАЗ ГАЗ-24-10 (1995) 24-1301010-21 Радиатор в сборе Радиатор, трубопроводы и шланги, пробка радиатора, краник сливной, кожух вентилятора, жалюзи и расширительный бачок Чертеж Радиатор, трубопроводы и шланги, пробка радиатора, краник сливной, кожух вентилятора, жалюзи и расширительный бачок
ГАЗ ГАЗ-3102 (2000) 3102-1301010 Радиатор в сборе Радиатор, подвеска радиатора, трубопроводы и шланги, пробка радиатора, кожух вентилятора, жалюзи и расширительный бачок
ГАЗ ГАЗ-31029 24-1301010-21 Радиатор в сборе Радиатор, трубопроводы и шланги, пробка радиатора, краник сливной, кожух вентилятора, жалюзи и расширительный бачок
ГАЗ ГАЗ-3105 (1996) 3105-1301010 Радиатор Радиатор
ГАЗ ГАЗ-3110 3110-1301010-20 Радиатор Радиатор, электровентилятор, датчик включения электровентилятора двигателя ЗМЗ-4062.10 Чертеж Радиатор, электровентилятор, датчик включения электровентилятора двигателя ЗМЗ-4062.10
ГАЗ ГАЗ-3110 3110-1301010-20 Радиатор Радиатор, электровентилятор (дополнительный вентилятор), датчик включения электровентилятора, датчик сигнализатора перегрева охлаждающей жидкости двигателей ЗМЗ-402.10 и ЗМЗ-4021.10 Чертеж Радиатор, электровентилятор (дополнительный вентилятор), датчик включения электровентилятора, датчик сигнализатора перегрева охлаждающей жидкости двигателей ЗМЗ-402.10 и ЗМЗ-4021.10
ГАЗ ГАЗ-3302 (ГАЗель) 33021-1301010 Радиатор Радиатор, подвеска радиатора, трубопроводы и шланги Чертеж Радиатор, подвеска радиатора, трубопроводы и шланги
Товары из этой категории
Бачок 5320-1311010
Бачок
Каталожный номер 5320-1311010
Производитель ТЕХНОКАМ ТЕХНОКАМ
Код 14236
Доставка по всей Беларуси
Доступность остатки на филиалах Остатки на филиалах
Остаток: г.Минск, ул.Селицкого 21к В наличии
Склад Адрес Контакт Остатки
г. Минск ул. Селицкого, 21к +375 (44) 770-80-78 ( Средне )
Схема проезда
г. Ошмяны ул. Льнозоводская 3 +375 (44) 770-80-91 ( Мало )
Схема проезда
Ремкомплект системы охлаждения КАМАЗ (большой) 740.30-1303768
Ремкомплект системы охлаждения КАМАЗ (большой)
Каталожный номер 740.30-1303768
Производитель Резинотехника Резинотехника
Код 11308
Доставка по всей Беларуси
Доступность остатки на филиалах Остатки на филиалах
Остаток В наличии
Склад Адрес Контакт Остатки
г. Минск ул. Бабушкина, 37 +375 (29) 632-00-82 ( Мало )
Схема проезда
Ролик направляющий 740.11-1307220
Ролик направляющий
Каталожный номер 740.11-1307220
Производитель СпецМаш СпецМаш
Код 22597
Доставка по всей Беларуси
Доступность остатки на филиалах Остатки на филиалах
Остаток: г.Минск, ул.Селицкого 21к В наличии
Склад Адрес Контакт Остатки
г. Минск ул. Селицкого, 21к +375 (44) 770-80-78 ( Средне )
Схема проезда
г. Мозырь промузел Козенки +375 (44) 731-94-60 ( Мало )
Схема проезда
г. Пинск ул. Калиновского 32 +375 (44) 560-99-59 ( Мало )
Схема проезда
г. Слоним ул. Советская, 93а +375 (29) 394-82-01 ( Средне )
Схема проезда
Насос водяной 740-1307010-02 ТМК 740-1307010-02
Насос водяной 740-1307010-02 ТМК
Каталожный номер 740-1307010-02
Производитель ЗЧТД ЗЧТД
Код 00-ГР018119
Доставка по всей Беларуси
Доступность остатки на филиалах Остатки на филиалах
Остаток: г.Минск, ул.Селицкого 21к В наличии
Склад Адрес Контакт Остатки
г. Минск ул. Селицкого, 21к +375 (44) 770-80-78 ( Средне )
Схема проезда
г. Берёза ул. Красноармейская, 89/11 +375 (29) 676-70-71 ( Мало )
Схема проезда
г. Бобруйск ул. Орловского, 22к3 +375 (29) 345-37-07 ( Мало )
Схема проезда
г. Новогрудок ул. Индустриальная, 3 +375 (44) 729-39-19 ( Мало )
Схема проезда
г. Ошмяны ул. Льнозоводская 3 +375 (44) 770-80-91 ( Мало )
Схема проезда
г. Полоцк-2 ул. Шенягина, 52 +375 (29) 302-94-73 ( Мало )
Схема проезда
г. Слоним ул. Советская, 93а +375 (29) 394-82-01 ( Мало )
Схема проезда
г. Солигорск Чижевичский сельсовет, 3Г +375 (29) 899-58-52 ( Мало )
Схема проезда
Патрубки радиатора комплект 3шт. 5320-1303010/26/27
Патрубки радиатора комплект 3шт.
Каталожный номер 5320-1303010/26/27
Производитель Резинотехника Резинотехника
Код 42997
Доставка по всей Беларуси
Доступность остатки на филиалах Остатки на филиалах
Остаток: г.Минск, ул.Селицкого 21к В наличии
Склад Адрес Контакт Остатки
г. Минск ул. Бабушкина, 37 +375 (29) 632-00-82 ( Мало )
Схема проезда
г. Минск ул. Селицкого, 21к +375 (44) 770-80-78 ( Средне )
Схема проезда
г. Бобруйск ул. Орловского, 22к3 +375 (29) 345-37-07 ( Мало )
Схема проезда
г. Борисов ул. Демина, 2а +375 (44) 560-99-75 ( Мало )
Схема проезда
г. Глубокое ул. Энгельса, 22 +375 (44) 505-71-40 ( Мало )
Схема проезда
г. Гродно ул. Карского, 35 +375 (44) 770-70-21 ( Мало )
Схема проезда
г. Дятлово ул. Советская ,104 +375 (29) 187-87-37 ( Мало )
Схема проезда
г. Осиповичи ул. Короткая, 11 +375 (29) 165-60-07 ( Мало )
Схема проезда
г. Сморгонь ул. Железнодорожная, 32 +375 (29) 671-02-10 ( Мало )
Схема проезда