Республика Беларусь,
г. Минск, ул. Селицкого 21к - центральный склад
Пн-пт с 8:00 до 17:00
Меню
УТН-5.1110187-Д Пружина
Наименование: Пружина УТН-5.1110187-Д
Каталожный номер: УТН-5.1110187-Д
Производитель: НЗТА
Код товара: 00-ГР019713
Доставка: по всей Беларуси
Остаток: под заказ

Нашли не точность в описании товара? сообщить администратору.

+375 (44) 770-80-78 +375 (29) 747-80-78
* Выставить счет, получить техническую информацию и стоимость
Заказать деталь Онлайн
Описание
Наличие на филиалах
Применяемость
Заменить на СТО

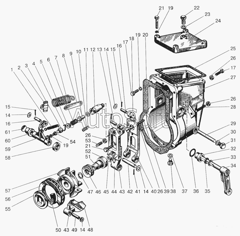
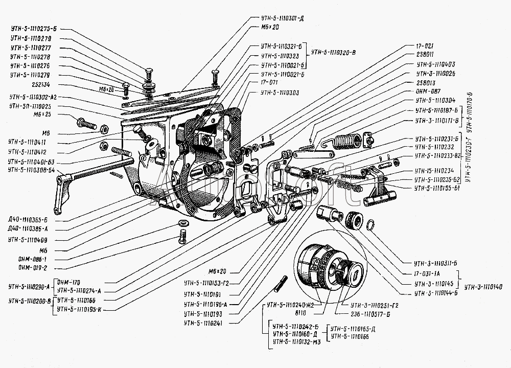
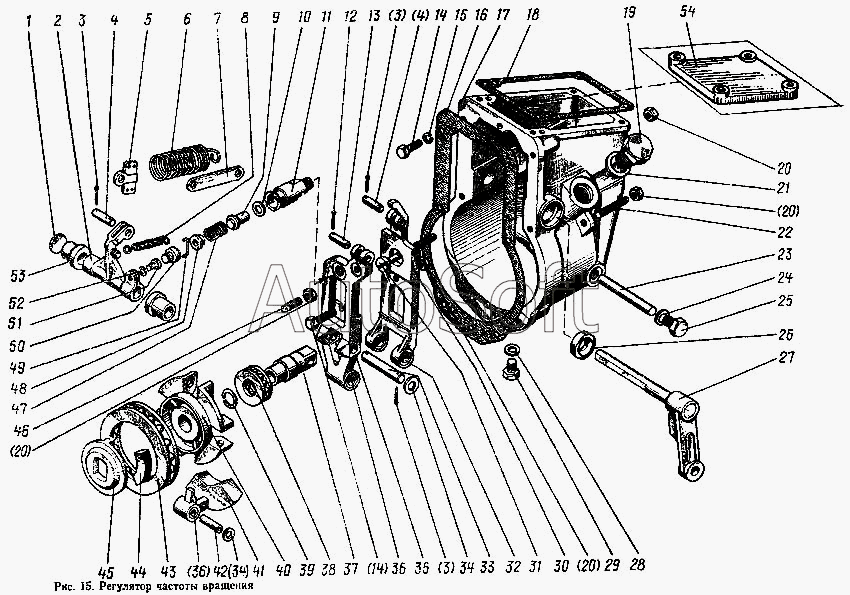
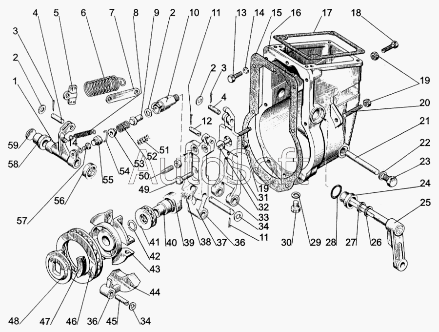
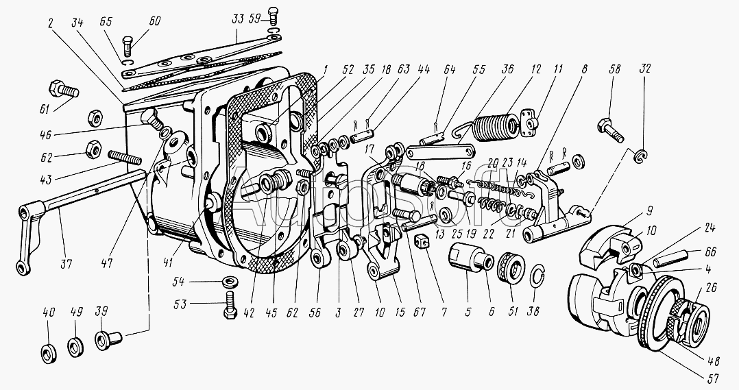
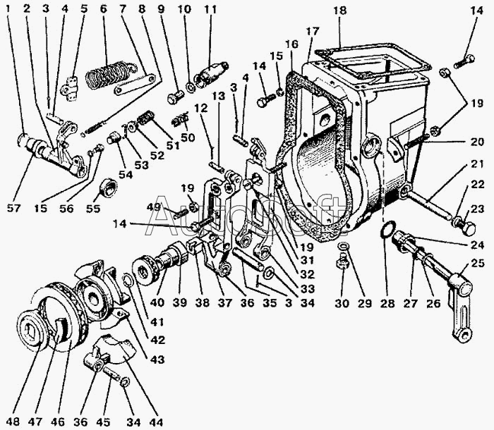
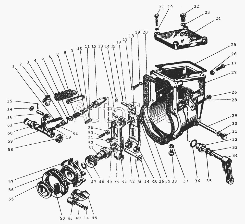
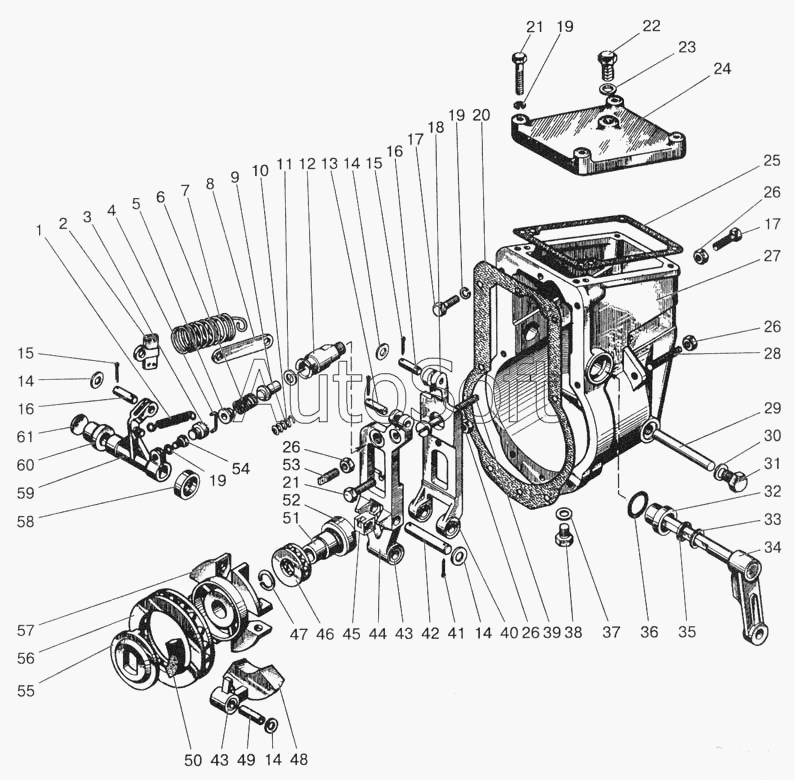
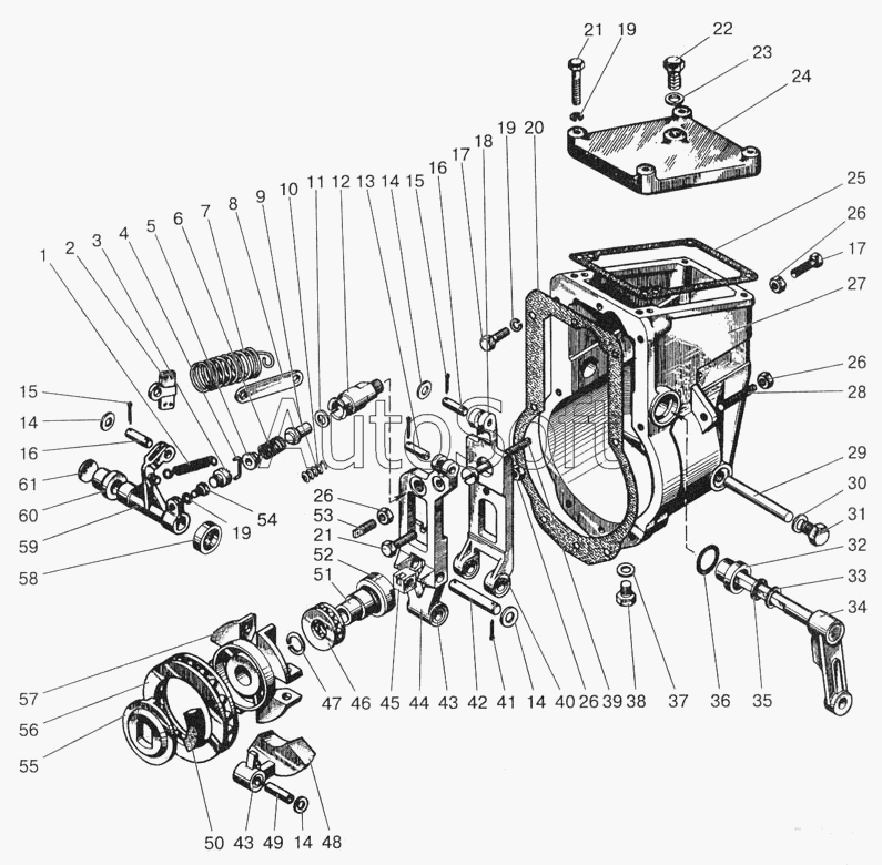
Пружина УТН-5.1110187-Д производства НЗТА (НЗТА), Код для заказа: 00-ГР019713

Марка Модель Кат.номер Наим. по каталогу Чертеж
МТЗ МТЗ-80 (1998) УТН-5-1110187-Д Пружина Регулятор топливного насоса Чертеж Регулятор топливного насоса
МТЗ МТЗ-100 УТН-5-1110187-Д Пружина Регулятор частоты вращения Чертеж Регулятор частоты вращения
МТЗ МТЗ-900 УТН-5-1110187-Д Пружина Регулятор частоты вращения Чертеж Регулятор частоты вращения
МТЗ МТЗ-822 (2008) УТН-5-1110187-Д Пружина Регулятор топливного насоса Чертеж Регулятор топливного насоса
МТЗ МТЗ-922 (2008) УТН-5-1110187-Д Пружина Регулятор топливного насоса Чертеж Регулятор топливного насоса
МТЗ МТЗ-923 (2008) УТН-5-1110187-Д Пружина Регулятор топливного насоса Чертеж Регулятор топливного насоса
МТЗ МТЗ-1005 (2008) УТН-5-1110187-Д Пружина Регулятор частоты вращения Чертеж Регулятор частоты вращения
МТЗ МТЗ-80 (2002) (2002) УТН-5-1110187-Д Пружина 1110 Регулятор топливного насоса Чертеж 1110 Регулятор топливного насоса
МТЗ 800/900 (2003) УТН-5-1110187-Д Пружина Регулятор топливного насоса (однорычажный)
ЮМЗ ЮМЗ-6Л (1991) УТН-3-1110187 Пружина регулятора Регулятор топливного насоса Чертеж Регулятор топливного насоса
ЮМЗ ЮМЗ-6КЛ, (6КМ) (1995) УТН-5-1110187-Г Пружина Регулятор топливного насоса Чертеж Регулятор топливного насоса
ЮМЗ Д-65 (1995) УТН-3-1110187-Б Пружина Регулятор топливного насоса Чертеж Регулятор топливного насоса
ММЗ Д-242 УТН-5-1110187-Г Пружина Регулятор топливного насоса Чертеж Регулятор топливного насоса
ММЗ Д-243 (2000) УТН-5-1110187-Д Пружина регулятора Регулятор топливного насоса Чертеж Регулятор топливного насоса
ММЗ Д-245 УТН-5-1110187-Д Пружина регулятора Регулятор топливного насоса
Товары из этой категории
Р/к-т пары плунжерной (РТИ) ЕМ10PF-41 р/к
Р/к-т пары плунжерной (РТИ)
Каталожный номер ЕМ10PF-41 р/к
Производитель RCZP LTD RCZP LTD
Код 25263
Доставка по всей Беларуси
Доступность остатки на филиалах Остатки на филиалах
Остаток: г.Минск, ул.Селицкого 21к В наличии
Склад Адрес Контакт Остатки
г. Минск ул. Селицкого, 21к +375 (44) 770-80-78 ( Много )
Схема проезда
Угольник М10хМ12 402717
Угольник М10хМ12
Каталожный номер 402717
Производитель МАЗ МАЗ
Код 31948
Доставка по всей Беларуси
Доступность остатки на филиалах Остатки на филиалах
Остаток: г.Минск, ул.Селицкого 21к В наличии
Склад Адрес Контакт Остатки
г. Минск ул. Селицкого, 21к +375 (44) 770-80-78 ( Много )
Схема проезда
г. Берёза ул. Красноармейская, 89/11 +375 (29) 676-70-71 ( Средне )
Схема проезда
г. Бобруйск ул. Орловского, 22к3 +375 (29) 345-37-07 ( Средне )
Схема проезда
г. Брест Тельминский с/с, 1Д/1, 1 км южнее д. Тельмы-2 +375 (44) 599-90-75 ( Много )
Схема проезда
г. Ивацевичи ул. Загородная, 6А +375 (29) 188-59-01 ( Мало )
Схема проезда
г. Кобрин ул. Пролетарская, 177А +375 (44) 588-10-80 ( Средне )
Схема проезда
г. Лельчицы ул. Советская, д.96/1 +375 (29) 346-98-96 ( Средне )
Схема проезда
г. Мозырь промузел Козенки +375 (44) 731-94-60 ( Мало )
Схема проезда
г. Новогрудок ул. Индустриальная, 3 +375 (44) 729-39-19 ( Средне )
Схема проезда
г. Осиповичи ул. Короткая, 11 +375 (29) 165-60-07 ( Средне )
Схема проезда
г. Ошмяны ул. Льнозоводская 3 +375 (44) 770-80-91 ( Мало )
Схема проезда
г. Пинск ул. Калиновского 32 +375 (44) 560-99-59 ( Мало )
Схема проезда
г. Сморгонь ул. Железнодорожная, 32 +375 (29) 671-02-10 ( Средне )
Схема проезда
г. Столин ул. Быковского, 29 +375 (33) 304-54-36 ( Мало )
Схема проезда
Трубка топливная (L=925мм) 245-1104180-А-05
Трубка топливная (L=925мм)
Каталожный номер 245-1104180-А-05
Производитель НЗГА НЗГА
Код 31088
Доставка по всей Беларуси
Доступность остатки на филиалах Остатки на филиалах
Остаток: г.Минск, ул.Селицкого 21к В наличии
Склад Адрес Контакт Остатки
г. Минск ул. Бабушкина, 37 +375 (29) 632-00-82 ( Средне )
Схема проезда
г. Минск ул. Селицкого, 21к +375 (44) 770-80-78 ( Много )
Схема проезда
г. Барановичи ул. Пролетарская, 40 +375 (29) 795-96-37 ( Средне )
Схема проезда
г. Березино ул. Комсомольская, д. 24 +375 (44) 770-80-17 ( Средне )
Схема проезда
г. Бобруйск ул. Орловского, 22к3 +375 (29) 345-37-07 ( Средне )
Схема проезда
г. Борисов ул. Демина, 2а +375 (44) 560-99-75 ( Средне )
Схема проезда
г. Витебск ул. Правды, 33 +375 (44) 770-80-87 ( Мало )
Схема проезда
г. Витебск ул. Петруся Бровки, 34 +375 (29) 636-25-08 ( Мало )
Схема проезда
г. Глубокое ул. Энгельса, 22 +375 (44) 505-71-40 ( Средне )
Схема проезда
г. Гомель ул. Барыкина, 291Б +375 (44) 514-15-30 ( Средне )
Схема проезда
г. Гомель ул. Барыкина, 291Б +375 (44) 514-15-30 ( Средне )
Схема проезда
г. Горки ул.Мира, д.51а/1 +375 (44) 565-33-61 ( Мало )
Схема проезда
г. Гродно ул. Карского, 35 +375 (44) 770-70-21 ( Средне )
Схема проезда
г. Дрогичин ул. Юбилейная, 42 +375 (29) 682-17-13 ( Мало )
Схема проезда
г. Дятлово ул. Советская ,104 +375 (29) 187-87-37 ( Мало )
Схема проезда
г. Ивацевичи ул. Загородная, 6А +375 (29) 188-59-01 ( Средне )
Схема проезда
г. Лельчицы ул. Советская, д.96/1 +375 (29) 346-98-96 ( Средне )
Схема проезда
г. Лепель ул. Лобанка, 43 +375 (44) 778-65-21 ( Мало )
Схема проезда
г. Лунинец ул.Красная, 175а +375 (44) 721-46-74 ( Средне )
Схема проезда
г. Мозырь промузел Козенки +375 (44) 731-94-60 ( Мало )
Схема проезда
г. Молодечно ул. Галицкого, 14 +375 (44) 567-28-47 ( Средне )
Схема проезда
г. Несвиж ул. Кутузова, 2 +375 (29) 394-82-48 ( Средне )
Схема проезда
г. Новогрудок ул. Индустриальная, 3 +375 (44) 729-39-19 ( Средне )
Схема проезда
г. Осиповичи ул. Короткая, 11 +375 (29) 165-60-07 ( Мало )
Схема проезда
г. Полоцк-2 ул. Шенягина, 52 +375 (29) 302-94-73 ( Средне )
Схема проезда
г. Поставы ул. Советская, 69 +375 (44) 770-80-13 ( Средне )
Схема проезда
г. Пружаны ул. Макаренко, 21 +375 (29) 348-83-18 ( Мало )
Схема проезда
г. Слоним ул. Советская, 93а +375 (29) 394-82-01 ( Мало )
Схема проезда
г. Слуцк ул. Тутаринова, 8 +375 (29) 346-06-90 ( Мало )
Схема проезда
г. Сморгонь ул. Железнодорожная, 32 +375 (29) 671-02-10 ( Мало )
Схема проезда
г. Солигорск Чижевичский сельсовет, 3Г +375 (29) 899-58-52 ( Средне )
Схема проезда
г. Столин ул. Быковского, 29 +375 (33) 304-54-36 ( Мало )
Схема проезда
Трубка (Д8мм) 240-1104165-02
Трубка (Д8мм)
Каталожный номер 240-1104165-02
Производитель КНР КНР
Код 16680
Доставка по всей Беларуси
Доступность остатки на филиалах Остатки на филиалах
Остаток: г.Минск, ул.Селицкого 21к В наличии
Склад Адрес Контакт Остатки
г. Минск ул. Селицкого, 21к +375 (44) 770-80-78 ( Средне )
Схема проезда
г. Лепель ул. Лобанка, 43 +375 (44) 778-65-21 ( Средне )
Схема проезда
г. Несвиж ул. Кутузова, 2 +375 (29) 394-82-48 ( Мало )
Схема проезда
г. Орша ул. Сергея Кирова, д. 34 +375 (44) 583-91-42 ( Средне )
Схема проезда
г. Полоцк-2 ул. Шенягина, 52 +375 (29) 302-94-73 ( Средне )
Схема проезда
Клапан нагнетательный УТН-5.1111220, 463А-16с16Р (22 мм) WEIFU 463А-16с16Р
Клапан нагнетательный УТН-5.1111220, 463А-16с16Р (22 мм) WEIFU
Каталожный номер 463А-16с16Р
Производитель WEIFU WEIFU
Код 00-ГР020890
Доставка по всей Беларуси
Доступность остатки на филиалах Остатки на филиалах
Остаток В наличии
Склад Адрес Контакт Остатки
г. Мозырь промузел Козенки +375 (44) 731-94-60 ( Много )
Схема проезда