Республика Беларусь,
г. Минск, ул. Селицкого 21к - центральный склад
Пн-пт с 8:00 до 17:00
Меню
У35.615-12.104 Пружина стяжная
Наименование: Пружина У35.615-12.104 стяжная
Каталожный номер: У35.615-12.104
Производитель: Амкодор
Код товара: 00-ГР042201
Доставка: по всей Беларуси
Остаток: под заказ
Цена:

Нашли не точность в описании товара? сообщить администратору.

+375 (44) 770-80-78 +375 (29) 747-80-78
* Выставить счет, получить техническую информацию и стоимость
Заказать деталь Онлайн
Описание
Наличие на филиалах
Применяемость
Заменить на СТО

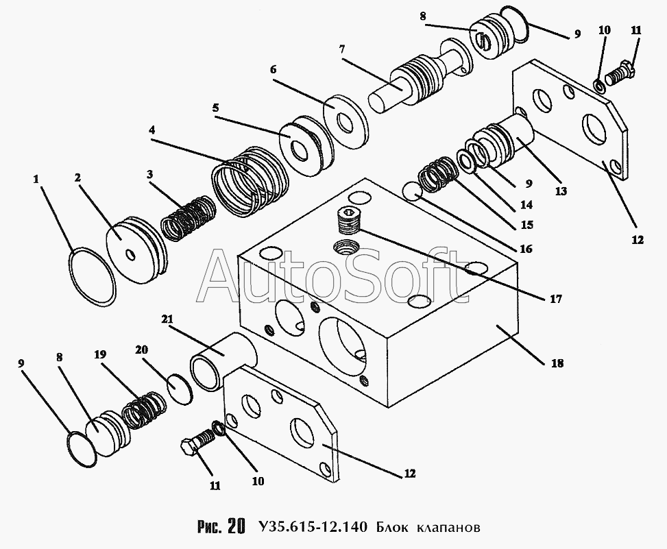
L=40 (8ВИТ.) Ф14Х18 DВИТ=1,5 ГОСТ18793-80

Пружина У35.615-12.104 стяжная производства Амкодор (Амкодор), Код для заказа: 00-ГР042201

Марка Модель Кат.номер Наим. по каталогу Чертеж
Амкодор Амкодор-352 (2006) У35.615М-12.104 Пружина Фильтр У35.615-12.100 Чертеж Фильтр У35.615-12.100
Амкодор Амкодор-352 (2006) У35.615-12.104 Пружина Блок клапанов У35.615-12.140 Чертеж Блок клапанов У35.615-12.140
Амкодор Амкодор-352 (2006) У35.615-12.104 Пружина Клапан У35.605М-05.000 Чертеж Клапан У35.605М-05.000
Амкодор Амкодор-352 (2006) 104-110-36.9833 Кольцо Механизм тормозной У35.615-35.510 Чертеж Механизм тормозной У35.615-35.510
Амкодор Амкодор-332С-01 (2006) У35.615М-12.104 Пружина Фильтр У35.615-12.100 Чертеж Фильтр У35.615-12.100
Амкодор Амкодор-332С-01 (2006) У35.615-12.104 Пружина Блок клапанов У35.615-12.140
Амкодор Амкодор-332С-01 (2006) У35.615-12.104 Пружина Клапан У35.605М-05.000
Амкодор Амкодор-342В (ТО-18А) (2006) У35.615М-12.104 Пружина Фильтр У35.615-12.100 Чертеж Фильтр У35.615-12.100
Амкодор Амкодор-342В (ТО-18А) (2006) У35.615-12.104 Пружина Блок клапанов У35.615-12.140 Чертеж Блок клапанов У35.615-12.140
Амкодор Амкодор-342В (ТО-18А) (2006) У35.615-12.104 Пружина Клапан У35.605М-05.000
Амкодор Амкодор-342В (ТО-18А) (2006) 104-110-36.9833 Кольцо Механизм тормозной У35.615-35.510 Чертеж Механизм тормозной У35.615-35.510
Амкодор Амкодор-342С (2006) У35.615М-12.104 Пружина Фильтр У35.615-12.100 Чертеж Фильтр У35.615-12.100
Амкодор Амкодор-342С (2006) У35.615-12.104 Пружина Блок клапанов У35.615-12.140
Амкодор Амкодор-342С (2006) У35.615-12.104 Пружина Клапан У35.605М-05.000
Амкодор Амкодор-342С (2006) 104-110-36.9833 Кольцо Механизм тормозной У35.615-35.510
Амкодор Амкодор-333А (ТО-18Б2) (2006) У35.615М-12.104 Пружина Фильтр У35.615-12.100 Чертеж Фильтр У35.615-12.100
Амкодор Амкодор-333А (ТО-18Б2) (2006) У35.615-12.104 Пружина Блок клапанов У35.615-12.140
Амкодор Амкодор-333А (ТО-18Б2) (2006) У35.615-12.104 Пружина Клапан У35.605М-05.000
Амкодор Амкодор-325 (ТО-18К) (2006) У35.615М-12.104 Пружина Фильтр У35.615-12.100 Чертеж Фильтр У35.615-12.100
Амкодор Амкодор-325 (ТО-18К) (2006) У35.615-12.104 Пружина Блок клапанов У35.615-12.140 Чертеж Блок клапанов У35.615-12.140
Товары из этой категории
Рычаг 5551-1703410-01 (4370-1703410) СпецМаш 5551-1703410-01
Рычаг 5551-1703410-01 (4370-1703410) СпецМаш
Каталожный номер 5551-1703410-01
Производитель СпецМаш СпецМаш
Код 00-ГР037098
Доставка по всей Беларуси
Доступность остатки на филиалах Остатки на филиалах
Остаток: г.Минск, ул.Селицкого 21к В наличии
Склад Адрес Контакт Остатки
г. Минск ул. Селицкого, 21к +375 (44) 770-80-78 ( Средне )
Схема проезда
г. Брест Тельминский с/с, 1Д/1, 1 км южнее д. Тельмы-2 +375 (44) 599-90-75 ( Мало )
Схема проезда
г. Гомель ул. Барыкина, 291Б +375 (44) 514-15-30 ( Мало )
Схема проезда
г. Новогрудок ул. Индустриальная, 3 +375 (44) 729-39-19 ( Мало )
Схема проезда
г. Солигорск Чижевичский сельсовет, 3Г +375 (29) 899-58-52 ( Мало )
Схема проезда
Вилка 2-3 передачи КПП 239,Автодизель 239.1702027
Вилка 2-3 передачи КПП 239,Автодизель
Каталожный номер 239.1702027
Производитель Автодизель Автодизель
Код 46466
Доставка по всей Беларуси
Доступность остатки на филиалах Остатки на филиалах
Остаток: г.Минск, ул.Селицкого 21к В наличии
Склад Адрес Контакт Остатки
г. Минск ул. Селицкого, 21к +375 (44) 770-80-78 ( Средне )
Схема проезда
Гайка М70х2х6Н вала первичного, Автодизель 311810-П2
Гайка М70х2х6Н вала первичного, Автодизель
Каталожный номер 311810-П2
Производитель Автодизель Автодизель
Код 4504
Доставка по всей Беларуси
Доступность остатки на филиалах Остатки на филиалах
Остаток: г.Минск, ул.Селицкого 21к В наличии
Склад Адрес Контакт Остатки
г. Минск ул. Селицкого, 21к +375 (44) 770-80-78 ( Средне )
Схема проезда
г. Бобруйск ул. Орловского, 22к3 +375 (29) 345-37-07 ( Мало )
Схема проезда
г. Брест Тельминский с/с, 1Д/1, 1 км южнее д. Тельмы-2 +375 (44) 599-90-75 ( Средне )
Схема проезда
г. Витебск ул. Петруся Бровки, 34 +375 (29) 636-25-08 ( Мало )
Схема проезда
г. Новогрудок ул. Индустриальная, 3 +375 (44) 729-39-19 ( Мало )
Схема проезда
г. Пинск ул. Калиновского 32 +375 (44) 560-99-59 ( Средне )
Схема проезда
г. Полоцк-2 ул. Шенягина, 52 +375 (29) 302-94-73 ( Мало )
Схема проезда
Механизм переключения 5336-1702200-10 кулиса 5336-1702200-10
Механизм переключения 5336-1702200-10 кулиса
Каталожный номер 5336-1702200-10
Производитель Автоштамп Автоштамп
Код 00-ГР020286
Доставка по всей Беларуси
Доступность остатки на филиалах Остатки на филиалах
Остаток: г.Минск, ул.Селицкого 21к В наличии
Склад Адрес Контакт Остатки
г. Минск ул. Селицкого, 21к +375 (44) 770-80-78 ( Много )
Схема проезда
г. Барановичи ул. Пролетарская, 40 +375 (29) 795-96-37 ( Мало )
Схема проезда
г. Барановичи ул. Бадака, 27Б +375 (29) 350-33-47 ( Мало )
Схема проезда
г. Бобруйск ул. Орловского, 22к3 +375 (29) 345-37-07 ( Мало )
Схема проезда
г. Борисов ул. Демина, 2а +375 (44) 560-99-75 ( Мало )
Схема проезда
г. Витебск ул. Правды, 33 +375 (44) 770-80-87 ( Мало )
Схема проезда
г. Глубокое ул. Энгельса, 22 +375 (44) 505-71-40 ( Средне )
Схема проезда
г. Лепель ул. Лобанка, 43 +375 (44) 778-65-21 ( Мало )
Схема проезда
г. Молодечно ул. Галицкого, 14 +375 (44) 567-28-47 ( Мало )
Схема проезда
г. Новогрудок ул. Индустриальная, 3 +375 (44) 729-39-19 ( Средне )
Схема проезда
г. Ошмяны ул. Льнозоводская 3 +375 (44) 770-80-91 ( Мало )
Схема проезда
г. Петриков ул. Первомайская, 124 +375 (33) 660-06-75 ( Мало )
Схема проезда
г. Полоцк-2 ул. Шенягина, 52 +375 (29) 302-94-73 ( Мало )
Схема проезда
г. Полоцк-2 ул. Шенягина, 52 +375 (29) 302-94-73 ( Мало )
Схема проезда
г. Полоцк-2 ул. Шенягина, 52 +375 (29) 302-94-73 ( Мало )
Схема проезда
г. Поставы ул. Советская, 69 +375 (44) 770-80-13 ( Мало )
Схема проезда
г. Пружаны ул. Макаренко, 21 +375 (29) 348-83-18 ( Мало )
Схема проезда
г. Слоним ул. Советская, 93а +375 (29) 394-82-01 ( Мало )
Схема проезда
г. Щучин ул. Советская, 39 +375 (29) 177-29-70 ( Мало )
Схема проезда
Гнездо подшипника высокое, Автодизель 238М-1701078
Гнездо подшипника высокое, Автодизель
Каталожный номер 238М-1701078
Производитель ТМЗ ТМЗ
Код 00-ГР007933
Доставка по всей Беларуси
Доступность остатки на филиалах Остатки на филиалах
Остаток: г.Минск, ул.Селицкого 21к В наличии
Склад Адрес Контакт Остатки
г. Минск ул. Селицкого, 21к +375 (44) 770-80-78 ( Средне )
Схема проезда
г. Бобруйск ул. Орловского, 22к3 +375 (29) 345-37-07 ( Мало )
Схема проезда
г. Витебск ул. Петруся Бровки, 34 +375 (29) 636-25-08 ( Мало )
Схема проезда
Кольцо пружинное упорное,Автодизель 336.1701483-04
Кольцо пружинное упорное,Автодизель
Каталожный номер 336.1701483-04
Производитель Автодизель Автодизель
Код 47807
Доставка по всей Беларуси
Доступность остатки на филиалах Остатки на филиалах
Остаток: г.Минск, ул.Селицкого 21к В наличии
Склад Адрес Контакт Остатки
г. Минск ул. Селицкого, 21к +375 (44) 770-80-78 ( Средне )
Схема проезда
Клапан 54402-1703800 СМ 54402-1703800
Клапан 54402-1703800 СМ
Каталожный номер 54402-1703800
Производитель СпецМаш СпецМаш
Код 00-ГР022783
Доставка по всей Беларуси
Доступность остатки на филиалах Остатки на филиалах
Остаток Под заказ
Шестерня 3-й передачи втор.валал Z=37,Автодизель 236-1701131
Шестерня 3-й передачи втор.валал Z=37,Автодизель
Каталожный номер 236-1701131
Производитель Автодизель Автодизель
Код 9604
Доставка по всей Беларуси
Доступность остатки на филиалах Остатки на филиалах
Остаток: г.Минск, ул.Селицкого 21к В наличии
Склад Адрес Контакт Остатки
г. Минск ул. Селицкого, 21к +375 (44) 770-80-78 ( Много )
Схема проезда
г. Барановичи ул. Бадака, 27Б +375 (29) 350-33-47 ( Средне )
Схема проезда
г. Брест Тельминский с/с, 1Д/1, 1 км южнее д. Тельмы-2 +375 (44) 599-90-75 ( Мало )
Схема проезда
г. Витебск ул. Петруся Бровки, 34 +375 (29) 636-25-08 ( Мало )
Схема проезда
г. Гомель ул. Барыкина, 291Б +375 (44) 514-15-30 ( Мало )
Схема проезда
г. Гродно ул. Карского, 35 +375 (44) 770-70-21 ( Мало )
Схема проезда
г. Могилев ул. Габровская 11Б +375 (29) 662-02-16 ( Мало )
Схема проезда
г. Мозырь промузел Козенки +375 (44) 731-94-60 ( Мало )
Схема проезда
г. Новогрудок ул. Индустриальная, 3 +375 (44) 729-39-19 ( Мало )
Схема проезда
г. Полоцк-2 ул. Шенягина, 52 +375 (29) 302-94-73 ( Средне )
Схема проезда