Республика Беларусь,
г. Минск, ул. Селицкого 21к - центральный склад
Пн-пт с 8:00 до 17:00
Меню
70-4803019 Пружина
Наименование: Пружина 70-4803019
Каталожный номер: 70-4803019
Производитель: RSTA
Код товара: 60275
Доставка: по всей Беларуси
Остаток: под заказ

Нашли не точность в описании товара? сообщить администратору.

+375 (44) 770-80-78 +375 (29) 747-80-78
* Выставить счет, получить техническую информацию и стоимость
Заказать деталь Онлайн
Описание
Наличие на филиалах
Применяемость
Заменить на СТО

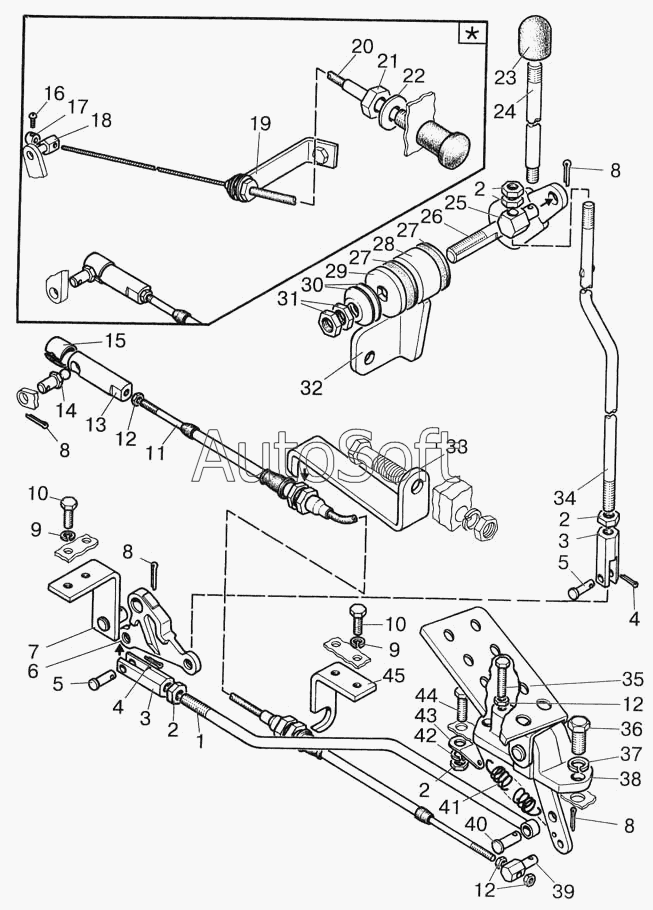
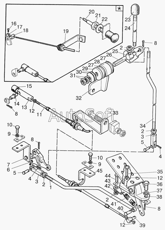
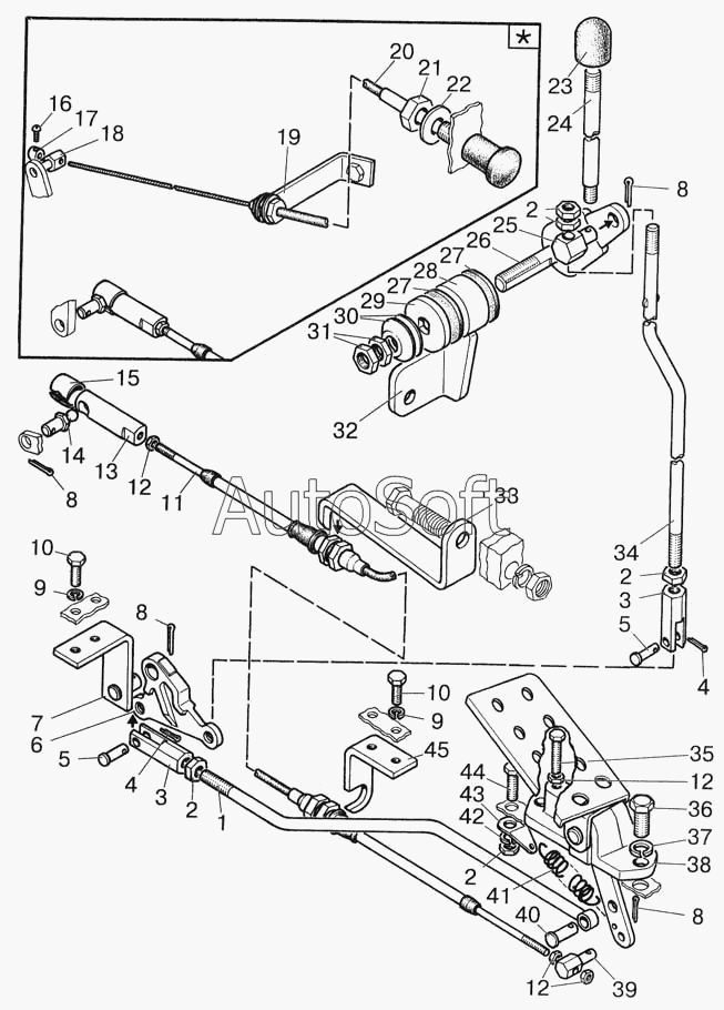
Пружина 70-4803019. Код товара для заказа: 60275

Марка Модель Кат.номер Наим. по каталогу Чертеж
МТЗ МТЗ-80 (1998) 70-4803019 Пружина Управление блокировкой дифференциала
МТЗ МТЗ-900 70-4803019 Пружина Датчик блокировки. Арматура датчика блокировки
МТЗ МТЗ-1221 (1997) 70-4803019 Пружина Управление подачей топлива
МТЗ МТЗ-082 70-4803019 Пружина Управление подачей топлива 082-1108
МТЗ МТЗ-1523 70-4803019 Пружина Управление подачей топлива
МТЗ МТЗ-1522 (2008) 70-4803019 Пружина Управление подачей топлива
МТЗ МТЗ-822 (2008) 70-4803019 Пружина Управление подачей топлива Чертеж Управление подачей топлива
МТЗ МТЗ-822 (2008) 70-4803019 Пружина Управление подачей топлива
МТЗ МТЗ-822 (2008) 70-4803019 Пружина Управление сцеплением Чертеж Управление сцеплением
МТЗ МТЗ-922 (2008) 70-4803019 Пружина Управление подачей топлива Чертеж Управление подачей топлива
МТЗ МТЗ-922 (2008) 70-4803019 Пружина Управление подачей топлива Чертеж Управление подачей топлива
МТЗ МТЗ-922 (2008) 70-4803019 Пружина Управление сцеплением
МТЗ МТЗ-923 (2008) 70-4803019 Пружина Управление подачей топлива Чертеж Управление подачей топлива
МТЗ МТЗ-923 (2008) 70-4803019 Пружина Управление подачей топлива Чертеж Управление подачей топлива
МТЗ МТЗ-923 (2008) 70-4803019 Пружина Управление сцеплением Чертеж Управление сцеплением
МТЗ МТЗ-1005 (2008) 70-4803019 Пружина Управление подачей топлива Чертеж Управление подачей топлива
МТЗ МТЗ-1005 (2008) 70-4803019 Пружина Кран блокировки. Управление блокировкой дифференциала Чертеж Кран блокировки. Управление блокировкой дифференциала
МТЗ МТЗ-80 (2002) (2002) 70-4803019 Пружина 1108 Управление подачей топлива
МТЗ МТЗ-80 (2002) (2002) 70-4803019 Пружина 4801 Управление блокировкой. Вариант с ГОРУ Чертеж 4801 Управление блокировкой. Вариант с ГОРУ
МТЗ МТЗ-80 (2002) (2002) 70-4803019 Пружина 4803 Управление блокировкой. Вариант с ГУР Чертеж 4803 Управление блокировкой. Вариант с ГУР