Республика Беларусь,
г. Минск, ул. Селицкого 21к - центральный склад
Пн-пт с 8:00 до 17:00
Меню
60-1110438 Пружина
Наименование: Пружина 60-1110438
Каталожный номер: 60-1110438
Производитель: RSTA
Код товара: 00-ГР018936
Доставка: по всей Беларуси
Остаток: под заказ
Цена:

Нашли не точность в описании товара? сообщить администратору.

+375 (44) 770-80-78 +375 (29) 747-80-78
* Выставить счет, получить техническую информацию и стоимость
Заказать деталь Онлайн
Описание
Наличие на филиалах
Применяемость

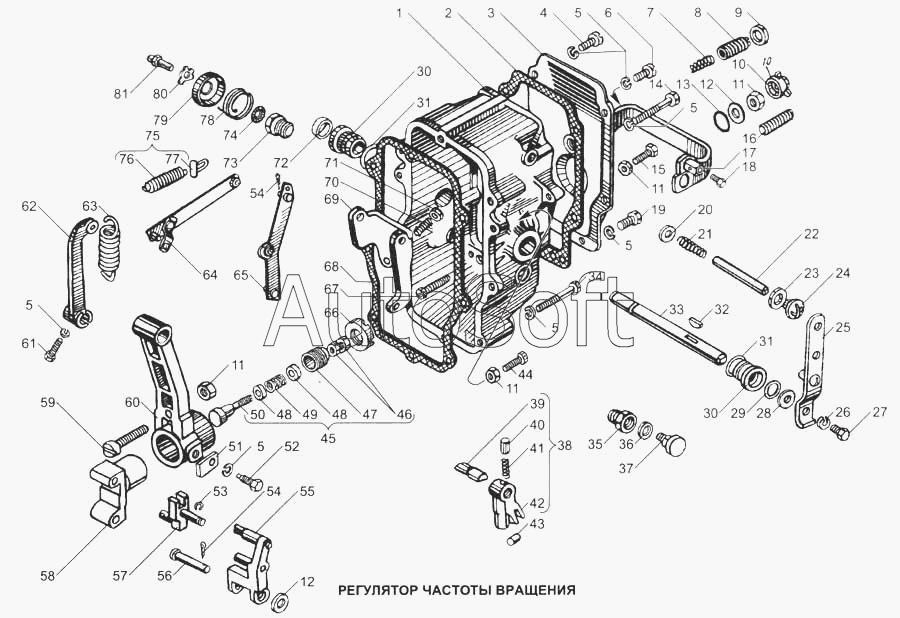
Пружина 60-1110438 производства RSTA (РФ), Код для заказа: 00-ГР018936

Марка Модель Кат.номер Наим. по каталогу Чертеж
МАЗ МАЗ-54328 60.1110438 Пружина (уст. с 1989 г.) Регулятор частоты вращения
МАЗ МАЗ-5433 60.1110438 Пружина (уст. с 1989 г.) Регулятор частоты вращения
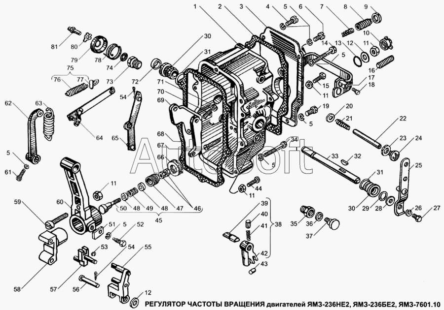
ЯМЗ ЯМЗ-236 НЕ, 236 БЕ, 7601.10 (2003) 60.1110438 Пружина рычага рейки с зацепом в сборе Регулятор вращения двигателей ЯМЗ-236НЕ, ЯМЗ-236БЕ Чертеж Регулятор вращения двигателей ЯМЗ-236НЕ, ЯМЗ-236БЕ
ЯМЗ ЯМЗ-236 НЕ, 236 БЕ, 7601.10 (2003) 60.1110438 Пружина рычага рейки с зацепом в сборе Регулятор вращения двигателей ЯМЗ-236НЕ2, ЯМЗ-236БЕ2, ЯМЗ-7601.10 Чертеж Регулятор вращения двигателей ЯМЗ-236НЕ2, ЯМЗ-236БЕ2, ЯМЗ-7601.10
ЯМЗ ЯМЗ-236 ДК и ЯМЗ 238 АК (2002) 60.1110438 Пружина рычага рейки с зацепом в сборе Регулятор частоты вращения
ЯМЗ ЯМЗ-236 М2 и 238 М2 60.1110438 Пружина рычага рейки с зацепом в сборе Крышка регулятора частоты вращения
ЯМЗ ЯМЗ-238Д и Б (2002) 60.1110438 Пружина рычага рейки с зацепом в сборе Регулятор частоты вращения
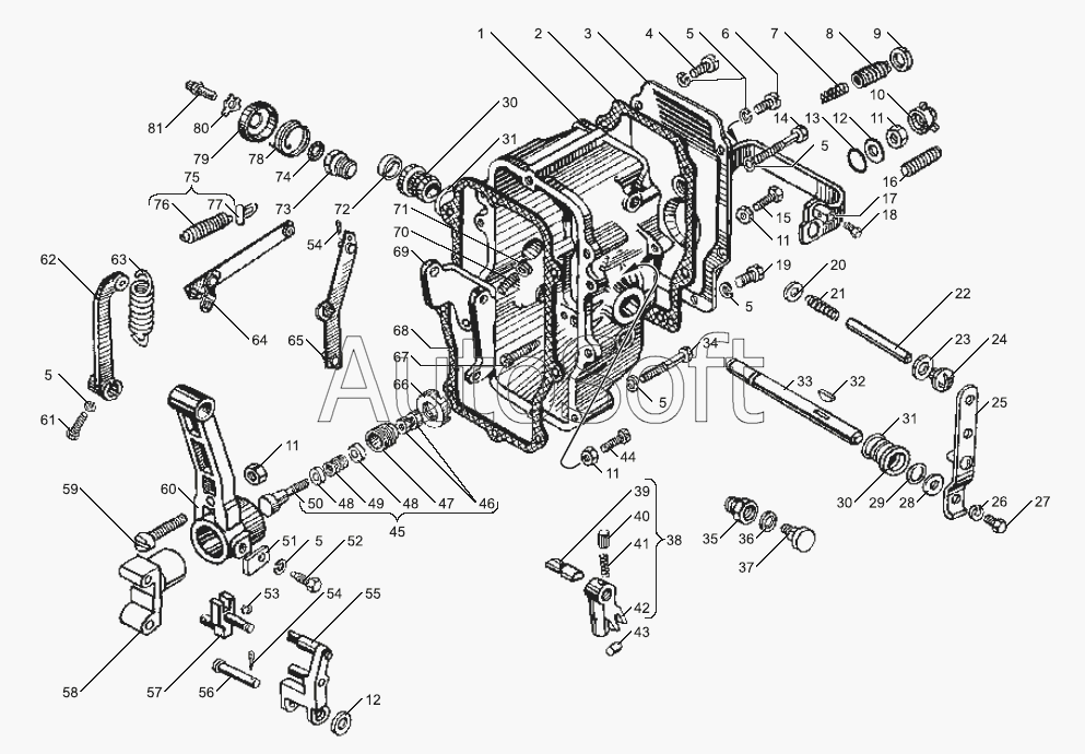
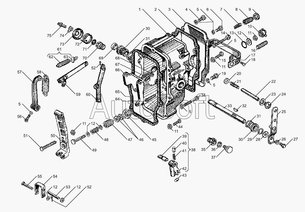
ЯМЗ ЯМЗ-7511 (2005) 60.1110438 Пружина рычага рейки с зацепом в сборе Регулятор частоты вращения Чертеж Регулятор частоты вращения
ЯМЗ ЯМЗ-8401 60.1110438 Пружина рычага рейки с зацепом в сборе Регулятор частоты вращения Чертеж Регулятор частоты вращения
ЯМЗ ЯМЗ-7511 (2005) (2005) 60.1110438 Пружина рычага рейки с зацепом в сборе Регулятора частоты вращения Чертеж Регулятора частоты вращения
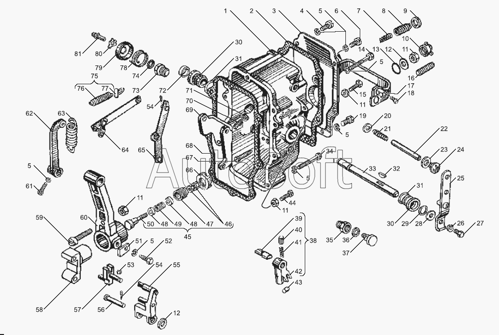
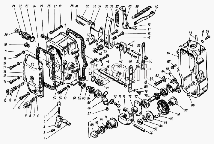
ЯМЗ ЯМЗ-238БЕ (Каталог 2004 года) 60.1110438 Пружина рычага рейки с зацепом в сборе Регулятор частоты вращения двигателей ЯМЗ-238БЕ, ЯМЗ-238ДЕ Чертеж Регулятор частоты вращения двигателей ЯМЗ-238БЕ, ЯМЗ-238ДЕ
ЯМЗ ЯМЗ-238БЕ (Каталог 2004 года) 60.1110438 Пружина рычага рейки с зацепом в сборе Регулятор частоты вращения двигателей ЯМЗ-238БЕ2, ЯМЗ-238ДЕ2 Чертеж Регулятор частоты вращения двигателей ЯМЗ-238БЕ2, ЯМЗ-238ДЕ2
ТМЗ Дизели ТМЗ-8421 - 85227 (2007) 60.1110438 Пружина рычага рейки с зацепом (в сборе) Регулятор частоты вращения Чертеж Регулятор частоты вращения
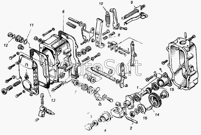
ЯЗДА ТНВД-60, 80, 90, 604, 806, 901 (2008) 60.1110438 Пружина рычага рейки в сборе Крышка регулятора частоты вращения Чертеж Крышка регулятора частоты вращения
ЯЗДА ТНВД-60, 80, 90, 604, 806, 901 (2008) 60.1110438 Пружина рычага рейки в сборе Крышка регулятора частоты вращения Чертеж Крышка регулятора частоты вращения
ЯЗДА ТНВД-60, 80, 90, 604, 806, 901 (2008) 60.1110438 Пружина рычага рейки в сборе Крышка регулятора частоты вращения Чертеж Крышка регулятора частоты вращения
ЯЗДА ТНВД-60, 80, 90, 604, 806, 901 (2008) 60.1110438 Пружина рычага рейки в сборе Крышка регулятора частоты вращения Чертеж Крышка регулятора частоты вращения
ЯЗДА ТНВД-60, 80, 90, 604, 806, 901 (2008) 60.1110438 Пружина рычага рейки в сборе Крышка регулятора частоты вращения Чертеж Крышка регулятора частоты вращения
ЯЗДА ТНВД-60, 80, 90, 604, 806, 901 (2008) 60.1110438 Пружина рычага рейки в сборе Крышка регулятора частоты вращения
ЯЗДА ТНВД-135, 175, 185 (2008) 60.1110438 Пружина рычага рейки в сборе Крышка регулятора частоты вращения Чертеж Крышка регулятора частоты вращения
Товары из этой категории
Ремкомплект ТНВД 175-1111012 полный 175-1111012
Ремкомплект ТНВД 175-1111012 полный
Каталожный номер 175-1111012
Код 8214
Доставка по всей Беларуси
Доступность остатки на филиалах Остатки на филиалах
Остаток: г.Минск, ул.Селицкого 21к В наличии
Склад Адрес Контакт Остатки
г. Минск ул. Селицкого, 21к +375 (44) 770-80-78 ( Много )
Схема проезда
г. Бобруйск ул. Орловского, 22к3 +375 (29) 345-37-07 ( Средне )
Схема проезда
г. Брест Тельминский с/с, 1Д/1, 1 км южнее д. Тельмы-2 +375 (44) 599-90-75 ( Средне )
Схема проезда
г. Мозырь промузел Козенки +375 (44) 731-94-60 ( Средне )
Схема проезда
г. Полоцк-2 ул. Шенягина, 52 +375 (29) 302-94-73 ( Мало )
Схема проезда
Пробка крышка топливного бака без замка 6430-1103010 У
Пробка крышка топливного бака без замка
Каталожный номер 6430-1103010 У
Код 6749
Доставка по всей Беларуси
Доступность остатки на филиалах Остатки на филиалах
Остаток: г.Минск, ул.Селицкого 21к В наличии
Склад Адрес Контакт Остатки
г. Минск ул. Селицкого, 21к +375 (44) 770-80-78 ( Мало )
Схема проезда
г. Берёза ул. Красноармейская, 89/11 +375 (29) 676-70-71 ( Мало )
Схема проезда
г. Бобруйск ул. Гоголя, 181/1-6 +375 (29) 630-05-01 ( Мало )
Схема проезда
г. Бобруйск ул. Орловского, 22к3 +375 (29) 345-37-07 ( Мало )
Схема проезда
г. Борисов ул. Демина, 2а +375 (44) 560-99-75 ( Мало )
Схема проезда
г. Витебск ул. Правды, 33 +375 (44) 770-80-87 ( Мало )
Схема проезда
г. Витебск ул. Петруся Бровки, 34 +375 (29) 636-25-08 ( Мало )
Схема проезда
г. Волковыск ул. Жолудева, 74Д-2 +375 (44) 786-00-40 ( Мало )
Схема проезда
г. Гомель ул. Барыкина, 291Б +375 (44) 514-15-30 ( Мало )
Схема проезда
г. Гомель ул. Барыкина, 291Б +375 (44) 514-15-30 ( Мало )
Схема проезда
г. Горки ул.Мира, д.51а/1 +375 (44) 565-33-61 ( Мало )
Схема проезда
г. Ивацевичи ул. Загородная, 6А +375 (29) 188-59-01 ( Мало )
Схема проезда
г. Кобрин ул. Пролетарская, 177А +375 (44) 588-10-80 ( Мало )
Схема проезда
г. Лунинец ул.Красная, 175а +375 (44) 721-46-74 ( Мало )
Схема проезда
г. Молодечно ул. Галицкого, 14 +375 (44) 567-28-47 ( Мало )
Схема проезда
г. Новогрудок ул. Индустриальная, 3 +375 (44) 729-39-19 ( Мало )
Схема проезда
г. Орша ул. Сергея Кирова, д. 34 +375 (44) 583-91-42 ( Мало )
Схема проезда
г. Полоцк-2 ул. Шенягина, 52 +375 (29) 302-94-73 ( Мало )
Схема проезда
г. Поставы ул. Советская, 69 +375 (44) 770-80-13 ( Мало )
Схема проезда
г. Слоним ул. Советская, 93а +375 (29) 394-82-01 ( Мало )
Схема проезда
г. Сморгонь ул. Железнодорожная, 32 +375 (29) 671-02-10 ( Мало )
Схема проезда
г. Солигорск Чижевичский сельсовет, 3Г +375 (33) 662-29-98 ( Мало )
Схема проезда
Бак топливный 500л 64221-1101010 (600*670*1400) 64221-1101010
Бак топливный 500л 64221-1101010 (600*670*1400)
Каталожный номер 64221-1101010
Код 00-ГР011036
Доставка по всей Беларуси
Доступность остатки на филиалах Остатки на филиалах
Остаток: г.Минск, ул.Селицкого 21к В наличии
Склад Адрес Контакт Остатки
г. Минск ул. Селицкого, 21к +375 (44) 770-80-78 ( Мало )
Схема проезда
г. Гомель ул. Барыкина, 291Б +375 (44) 514-15-30 ( Мало )
Схема проезда
Переходник под воздухозаборник н/о 643010-1109338
Переходник под воздухозаборник н/о
Каталожный номер 643010-1109338
Код 8471
Доставка по всей Беларуси
Доступность остатки на филиалах Остатки на филиалах
Остаток: г.Минск, ул.Селицкого 21к В наличии
Склад Адрес Контакт Остатки
г. Минск ул. Селицкого, 21к +375 (44) 770-80-78 ( Средне )
Схема проезда
г. Брест Тельминский с/с, 1Д/1, 1 км южнее д. Тельмы-2 +375 (44) 599-90-75 ( Мало )
Схема проезда
г. Гродно ул. Карского, 35 +375 (44) 770-70-21 ( Мало )
Схема проезда
г. Пинск ул. Калиновского 32 +375 (44) 560-99-59 ( Мало )
Схема проезда
г. Сморгонь ул. Железнодорожная, 32 +375 (29) 671-02-10 ( Мало )
Схема проезда
Ремкомплект стакана форсунки 236-1003003 (латунь)  ГА 236-1003003 ГА
Ремкомплект стакана форсунки 236-1003003 (латунь) ГА
Каталожный номер 236-1003003 ГА
Код 00-ГР034891
Доставка по всей Беларуси
Доступность остатки на филиалах Остатки на филиалах
Остаток: г.Минск, ул.Селицкого 21к В наличии
Склад Адрес Контакт Остатки
г. Минск ул. Селицкого, 21к +375 (44) 770-80-78 ( Средне )
Схема проезда
г. Бобруйск ул. Орловского, 22к3 +375 (29) 345-37-07 ( Много )
Схема проезда
г. Витебск ул. Петруся Бровки, 34 +375 (29) 636-25-08 ( Много )
Схема проезда
г. Гомель ул. Барыкина, 291Б +375 (44) 514-15-30 ( Много )
Схема проезда
г. Гродно ул. Карского, 35 +375 (44) 770-70-21 ( Много )
Схема проезда
г. Столин ул. Быковского, 29 +375 (33) 304-54-36 ( Много )
Схема проезда