14-1602160 Пружина оттяжная ПГУ
| Наименование: | Пружина 14-1602160 оттяжная ПГУ |
| Каталожный номер: | 14-1602160 |
| Производитель: |
|
| Код товара: | 49270 |
| Доставка: | по всей Беларуси |
| Остаток: | под заказ |
Нашли не точность в описании товара? сообщить администратору.
* Выставить счет, получить техническую информацию и стоимость
Заказать деталь Онлайн
Описание
Наличие на филиалах
Применяемость
Заменить на СТО
Email
ras.Drenchik@gmail.com
Email
ras.Drobot@gmail.com
Email
ras.Rozhkov@gmail.com
Email
los.Konoda@gmail.com
Email
ras.titenkova@gmail.com
Email
ras.Abramovich@gmail.com
Email
pinsk.sto@gmail.com
Email
sto.Polock@snabavto.by
Пружина 14-1602160 оттяжная ПГУ производства РФ (РФ), Код для заказа: 49270
| Марка | Модель | Кат.номер | Наим. по каталогу | Чертеж | |
|---|---|---|---|---|---|
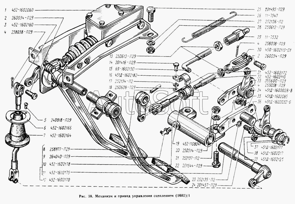
| УАЗ | УАЗ-3741 | 452-1602160 | Тяга | Механизм и привод управления сцеплением | |
| УАЗ | УАЗ-3962 | 452-1602160 | Тяга | Механизм и привод управления сцеплением | |
| УАЗ | УАЗ-2206 | 452-1602160 | Тяга | Механизм и привод управления сцеплением |
|
| УАЗ | УАЗ-3303 | 452-1602160 | Тяга | Механизм и привод управления сцеплением |
|
| ЛАЗ | ЛАЗ 695Б | 695-1602160 | Пружина рычага вилки выключения сцепления | Педаль и привод выключения сцепления | |
| ЛАЗ | ЛАЗ 695Н (1976) | 695-1602160 | Пружина рычага вилки выключения сцепления | Педаль и привод выключения сцепления | |
| ЛАЗ | ЛАЗ 699Р | 695-1602160 | Пружина рычага вилки выключения сцепления | Механизм и привод управления сцеплением |
|
| Камский автозавод | 4310 | 5320-1602160 | Пружина оттяжная рычага вилки выключения сцепления | Привод управления сцеплением |
|
| Камский автозавод | 4326 (2001) | 5320-1602160 | Пружина оттяжная рычага вилки выключения сцепления | Привод управления сцеплением |
|
| Камский автозавод | 5315 | 5320-1602160 | Пружина оттяжная рычага вилки выключения сцепления | Привод механизма сцепления | |
| Камский автозавод | 5320 | 5320-1602160 | Пружина оттяжная рычага вилки выключения сцепления | Привод управления сцеплением |
|
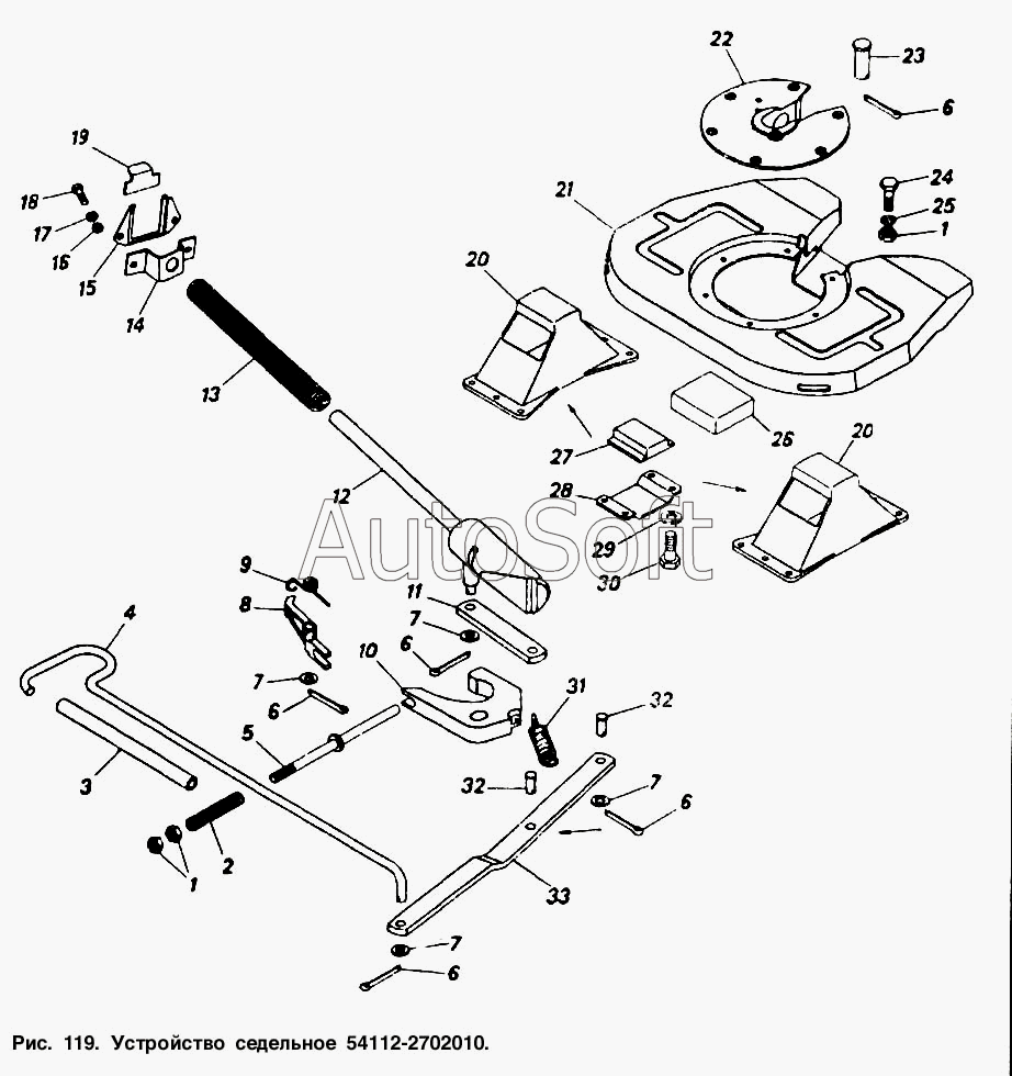
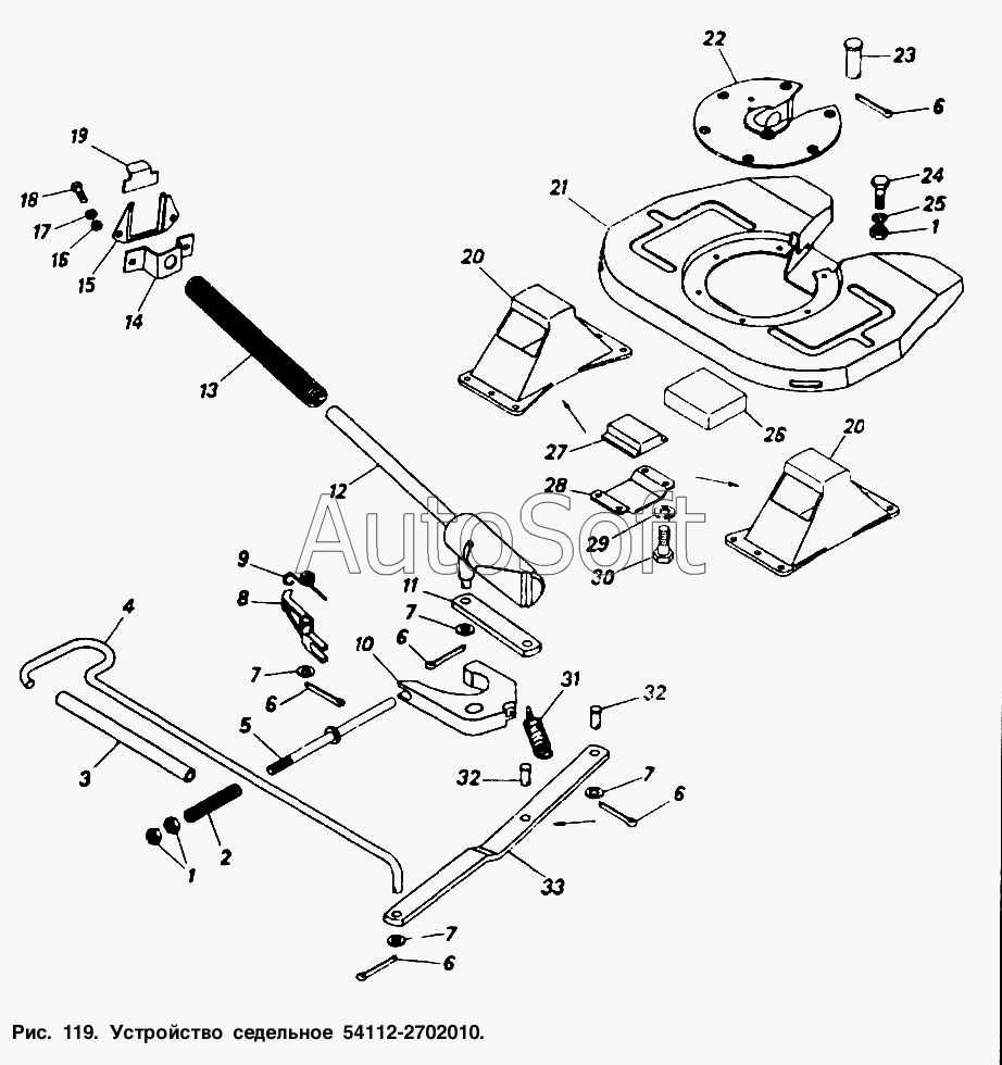
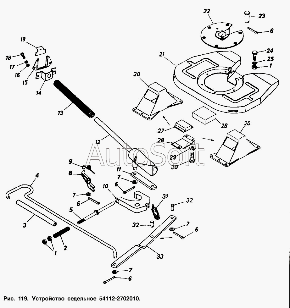
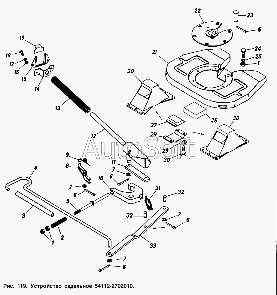
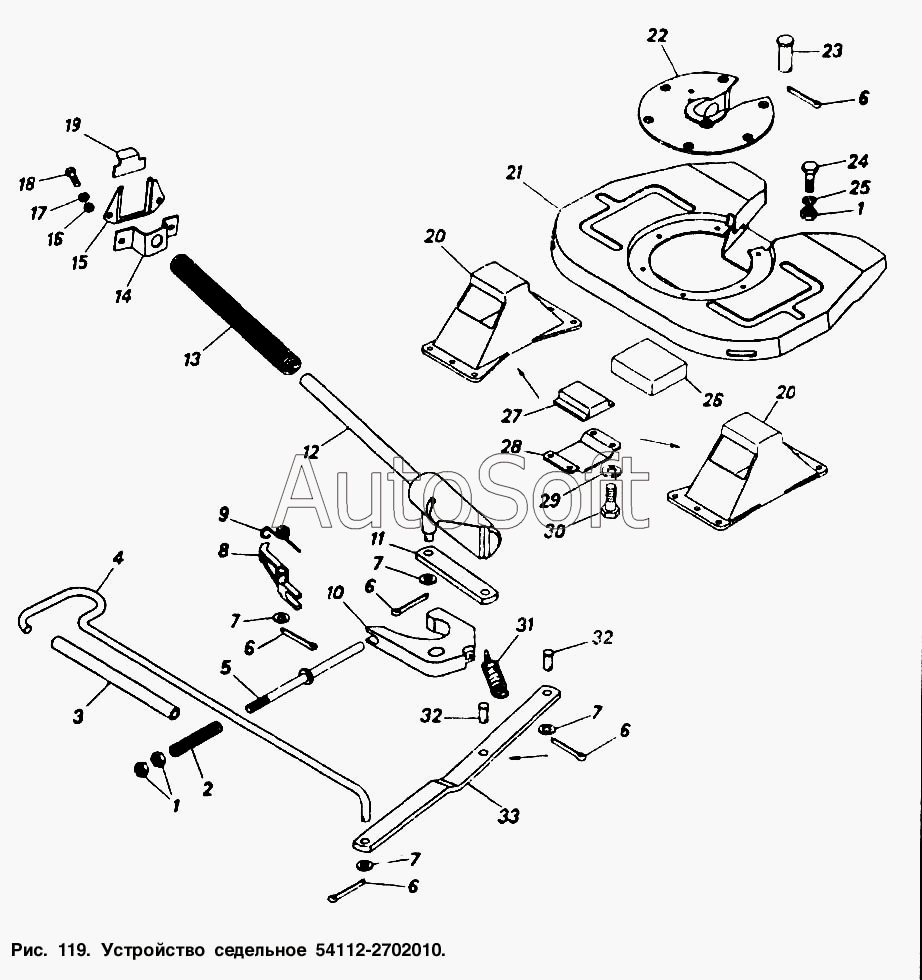
| Камский автозавод | 5320 | 5320-1602160 | Пружина оттяжная рычага вилки выключения сцепления | Устройство седельное 54112-2702010 |
|
| Камский автозавод | 53212 | 5320-1602160 | Пружина оттяжная рычага вилки выключения сцепления | Привод управления сцеплением |
|
| Камский автозавод | 53212 | 5320-1602160 | Пружина оттяжная рычага вилки выключения сцепления | Устройство седельное 54112-2702010 |
|
| Камский автозавод | 5410 | 5320-1602160 | Пружина оттяжная рычага вилки выключения сцепления | Привод управления сцеплением | |
| Камский автозавод | 5410 | 5320-1602160 | Пружина оттяжная рычага вилки выключения сцепления | Устройство седельное 54112-2702010 |
|
| Камский автозавод | 54112 | 5320-1602160 | Пружина оттяжная рычага вилки выключения сцепления | Привод управления сцеплением |
|
| Камский автозавод | 54112 | 5320-1602160 | Пружина оттяжная рычага вилки выключения сцепления | Устройство седельное 54112-2702010 |
|
| Камский автозавод | 5511 (2003) | 5320-1602160 | Пружина оттяжная рычага вилки выключения сцепления | Привод управления сцеплением | |
| Камский автозавод | 5511 (2003) | 5320-1602160 | Пружина оттяжная рычага вилки выключения сцепления | Устройство седельное 54112-2702010 |
|
Под заказ
Товары из этой категории
| Муфта выключения сцепления в сборе | |
| Каталожный номер | 14-1601180 |
| Производитель |
|
| Код | 11466 |
| Доставка | по всей Беларуси |
| Доступность | остатки на филиалах |
| Остаток: г.Минск, ул.Селицкого 21к | В наличии |
| Склад | Адрес | Контакт | Остатки | |
|---|---|---|---|---|
| г. Минск | ул. Селицкого, 21к | +375 (44) 770-80-78 |
( Мало )
|
Схема проезда |
| Пневмогидравлический усилитель сцепления без штока | |
| Каталожный номер | 5320-1609510 |
| Производитель |
|
| Код | 17029 |
| Доставка | по всей Беларуси |
| Доступность | остатки на филиалах |
| Остаток | В наличии |
| Склад | Адрес | Контакт | Остатки | |
|---|---|---|---|---|
| г. Лепель | ул. Лобанка, 43 | +375 (44) 778-65-21 |
( Мало )
|
Схема проезда |
| Ремкомплект ПГУ РТИ | |
| Каталожный номер | 5320-1609510РК |
| Производитель |
|
| Код | 16471 |
| Доставка | по всей Беларуси |
| Доступность | остатки на филиалах |
| Остаток: г.Минск, ул.Селицкого 21к | В наличии |
| Склад | Адрес | Контакт | Остатки | |
|---|---|---|---|---|
| г. Минск | ул. Селицкого, 21к | +375 (44) 770-80-78 |
( Много )
|
Схема проезда |
| г. Барановичи | ул. Пролетарская, 40 | +375 (29) 795-96-37 |
( Мало )
|
Схема проезда |
| г. Бобруйск | ул. Гоголя, 181/1-6 | +375 (29) 630-05-01 |
( Мало )
|
Схема проезда |
| г. Борисов | ул. Демина, 2а | +375 (44) 560-99-75 |
( Мало )
|
Схема проезда |
| г. Горки | ул.Мира, д.51а/1 | +375 (44) 565-33-61 |
( Мало )
|
Схема проезда |
| г. Дрогичин | ул. Юбилейная, 42 | +375 (29) 682-17-13 |
( Мало )
|
Схема проезда |
| г. Кобрин | ул. Пролетарская, 177А | +375 (44) 588-10-80 |
( Мало )
|
Схема проезда |
| г. Лунинец | ул.Красная, 175а | +375 (44) 721-46-74 |
( Мало )
|
Схема проезда |
| г. Орша | ул. Сергея Кирова, д. 34 | +375 (44) 583-91-42 |
( Мало )
|
Схема проезда |
| г. Осиповичи | ул. Короткая, 11 | +375 (29) 165-60-07 |
( Средне )
|
Схема проезда |
| г. Ошмяны | ул. Льнозоводская 3 | +375 (44) 770-80-91 |
( Мало )
|
Схема проезда |
| г. Полоцк-2 | ул. Шенягина, 52 | +375 (29) 302-94-73 |
( Мало )
|
Схема проезда |
| Муфта сцепления 000 034 HAMMER | |
| Каталожный номер | 8.9794 |
| Производитель |
|
| Код | 00-ГР019623 |
| Доставка | по всей Беларуси |
| Доступность | остатки на филиалах |
| Остаток | Под заказ |
| Шланг ПГУ | |
| Каталожный номер | 5320-1602590 |
| Производитель |
|
| Код | 11367 |
| Доставка | по всей Беларуси |
| Доступность | остатки на филиалах |
| Остаток | В наличии |
| Склад | Адрес | Контакт | Остатки | |
|---|---|---|---|---|
| г. Бобруйск | ул. Орловского, 22к3 | +375 (29) 345-37-07 |
( Мало )
|
Схема проезда |
| г. Витебск | ул. Петруся Бровки, 34 | +375 (29) 636-25-08 |
( Мало )
|
Схема проезда |
| г. Горки | ул.Мира, д.51а/1 | +375 (44) 565-33-61 |
( Мало )
|
Схема проезда |
| г. Дрогичин | ул. Юбилейная, 42 | +375 (29) 682-17-13 |
( Мало )
|
Схема проезда |
| г. Кричев | ул. Комсомольская, 126 | +375 (29) 628-88-42 |
( Мало )
|
Схема проезда |
| г. Ошмяны | ул. Льнозоводская 3 | +375 (44) 770-80-91 |
( Средне )
|
Схема проезда |
Политика обработки файлов cookie
На сайте snabavto.by используются файлы cookie для сбора обезличенной информации о пользователях. Это помогает нам анализировать статистику, совершенствовать сервис и делать его более удобным для вас. Подробнее о файлах cookie вы можете узнать в соответствующем разделе Политики обработки файлов cookie.
Ремавтоснаб