130-1602077 Пружина
| Наименование: | Пружина 130-1602077 |
| Каталожный номер: | 130-1602077 |
| Производитель: |
|
| Код товара: | 18467 |
| Доставка: | по всей Беларуси |
| Остаток: | под заказ |
Нашли не точность в описании товара? сообщить администратору.
* Выставить счет, получить техническую информацию и стоимость
Заказать деталь Онлайн
Описание
Наличие на филиалах
Применяемость
Заменить на СТО
Email
ras.Drenchik@gmail.com
Email
ras.Drobot@gmail.com
Email
ras.Rozhkov@gmail.com
Email
los.Konoda@gmail.com
Email
ras.titenkova@gmail.com
Email
ras.Abramovich@gmail.com
Email
pinsk.sto@gmail.com
Email
sto.Polock@snabavto.by
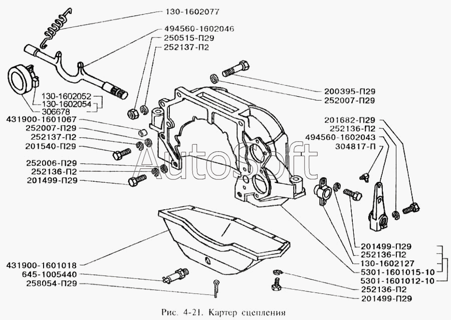
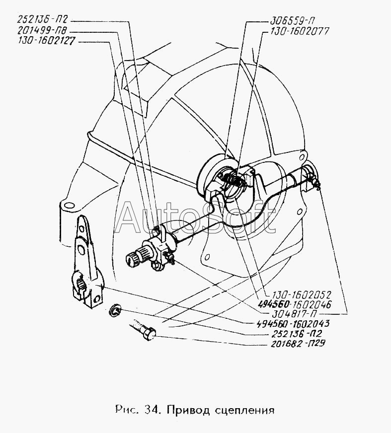
Пружина 130-1602077 производства RSTA (РФ), Код для заказа: 18467
| Марка | Модель | Кат.номер | Наим. по каталогу | Чертеж | |
|---|---|---|---|---|---|
| ЛАЗ | ЛАЗ 695Н (1976) | 130-1602077 | Пружина муфты выключения сцепления оттяжная | Цилиндр управления сцеплением | |
| ЗИЛ | ЗИЛ-431410 (130) | 130-1602077 | Пружина оттяжная муфты подшипника выключения сцепления | Привод выключения сцепления | |
| ЗИЛ | ЗИЛ-431410 Каталог 1989 г. (1989) | 130-1602077 | Пружина оттяжная муфты подшипника выключения сцепления | Педаль и привод выключения сцепления | |
| ЗИЛ | ЗИЛ-131 | 130-1602077 | Пружина оттяжная муфты подшипника выключения сцепления | Педаль и привод выключения сцепления | |
| ЗИЛ | ЗИЛ-433360 (1995) | 130-1602077 | Пружина оттяжная муфты подшипника выключения сцепления | Привод сцепления | |
| ЗИЛ | ЗИЛ-442160 (1995) | 130-1602077 | Пружина оттяжная муфты подшипника выключения сцепления | Привод сцепления |
|
| ЗИЛ | ЗИЛ-494560 (1995) | 130-1602077 | Пружина оттяжная муфты подшипника выключения сцепления | Привод сцепления |
|
| ЗИЛ | ЗИЛ-5301 (2000) | 130-1602077 | Пружина оттяжная муфты подшипника выключения сцепления | Картер сцепления | |
| ЗИЛ | ЗИЛ-3250 (2000) | 130-1602077 | Пружина оттяжная муфты подшипника выключения сцепления | Картер сцепления |
|
| ЗИЛ | ЗИЛ-5301 (2006) (2006) | 130-1602077 | Пружина оттяжная муфты подшипника выключения сцепления | Картер сцепления | |
| ЗИЛ | ЗИЛ-433110 (2003) | 130-1602077 | Пружина оттяжная муфты подшипника выключения сцепления | Привод сцепления |
|
| ЗИЛ | ЗИЛ-3250 (2006) | 130-1602077 | Пружина оттяжная муфты подшипника выключения сцепления | Картер сцепления | |
| ЗИЛ | ЗИЛ-431416 (1990) | 130-1602077 | Пружина оттяжная муфты подшипника выключения сцепления | Сцепление\Педаль и привод выключения сцепления |
|
| ЗИЛ | ЗИЛ-441517 Каталог 1987 г. (1987) | 130-1602077 | Пружина оттяжная муфты подшипника выключения сцепления | Педаль и привод выключения сцепления |
|
| ЗИЛ | ЗИЛ-43272Н, 43273Н (2004) | 130-1602077 | Пружина оттяжная муфты подшипника выключения сцепления | Картер сцепления |
|
| ЗИЛ | ЗИЛ-130 (1985) | 130-1602077 | Пружина оттяжная муфты подшипника выключения сцепления | Педаль и привод выключения сцепления | |
| КАЗ | КАЗ 608 | 130-1602077 | Пружина муфты выключения сцепления оттяжная | Педаль и привод выключения сцепления | |
Под заказ
Товары из этой категории
| Диск сцепления 130-1601090 нажимной рычажный | |
| Каталожный номер | 130-1601090 |
| Производитель |
|
| Код | 00-ГР016156 |
| Доставка | по всей Беларуси |
| Доступность | остатки на филиалах |
| Остаток: г.Минск, ул.Селицкого 21к | В наличии |
| Склад | Адрес | Контакт | Остатки | |
|---|---|---|---|---|
| г. Минск | ул. Селицкого, 21к | +375 (44) 770-80-78 |
( Средне )
|
Схема проезда |
| Муфта сцепления 130-1601180 АЕ АГРОТЭК | |
| Каталожный номер | 130-1601180 АЕ |
| Производитель |
|
| Код | 00-ГР023187 |
| Доставка | по всей Беларуси |
| Доступность | остатки на филиалах |
| Остаток: г.Минск, ул.Селицкого 21к | В наличии |
| Склад | Адрес | Контакт | Остатки | |
|---|---|---|---|---|
| г. Минск | ул. Селицкого, 21к | +375 (44) 770-80-78 |
( Много )
|
Схема проезда |
| г. Березино | ул. Комсомольская, д. 24 | +375 (44) 770-80-17 |
( Мало )
|
Схема проезда |
| г. Бобруйск | ул. Орловского, 22к3 | +375 (29) 345-37-07 |
( Мало )
|
Схема проезда |
| г. Глубокое | ул. Энгельса, 22 | +375 (44) 505-71-40 |
( Мало )
|
Схема проезда |
| г. Гомель | ул. Барыкина, 291Б | +375 (44) 514-15-30 |
( Мало )
|
Схема проезда |
| г. Жлобин | ул. Козлова, 25 | +375 (29) 346-06-78 |
( Мало )
|
Схема проезда |
| г. Лунинец | ул.Красная, 175а | +375 (44) 721-46-74 |
( Мало )
|
Схема проезда |
| г. Несвиж | ул. Кутузова, 2 | +375 (29) 394-82-48 |
( Мало )
|
Схема проезда |
| г. Новогрудок | ул. Индустриальная, 3 | +375 (44) 729-39-19 |
( Мало )
|
Схема проезда |
| г. Орша | ул. Сергея Кирова, д. 34 | +375 (44) 583-91-42 |
( Мало )
|
Схема проезда |
| г. Ошмяны | ул. Льнозоводская 3 | +375 (44) 770-80-91 |
( Мало )
|
Схема проезда |
| г. Петриков | ул. Первомайская, 124 | +375 (33) 660-06-75 |
( Мало )
|
Схема проезда |
| г. Полоцк-2 | ул. Шенягина, 52 | +375 (29) 302-94-73 |
( Мало )
|
Схема проезда |
| г. Поставы | ул. Советская, 69 | +375 (44) 770-80-13 |
( Мало )
|
Схема проезда |
| г. Слуцк | ул. Тутаринова, 8 | +375 (29) 346-06-90 |
( Мало )
|
Схема проезда |
| г. Солигорск | Чижевичский сельсовет, 3Г | +375 (29) 899-58-52 |
( Мало )
|
Схема проезда |
| Диск сцепления нажимной (ведущий) | |
| Каталожный номер | 130-1601090 |
| Производитель |
|
| Код | 10730 |
| Доставка | по всей Беларуси |
| Доступность | остатки на филиалах |
| Остаток | Под заказ |
| Диск сцепления фрикционный (ведомый) | |
| Каталожный номер | 130-1601130 |
| Производитель |
|
| Код | 11965 |
| Доставка | по всей Беларуси |
| Доступность | остатки на филиалах |
| Остаток: г.Минск, ул.Селицкого 21к | В наличии |
| Склад | Адрес | Контакт | Остатки | |
|---|---|---|---|---|
| г. Минск | ул. Селицкого, 21к | +375 (44) 770-80-78 |
( Мало )
|
Схема проезда |
| г. Несвиж | ул. Кутузова, 2 | +375 (29) 394-82-48 |
( Средне )
|
Схема проезда |
| Диск сцепления нажимной (ведущий) лепестковый | |
| Каталожный номер | 5301-1601090 |
| Производитель |
|
| Код | 23144 |
| Доставка | по всей Беларуси |
| Доступность | остатки на филиалах |
| Остаток | В наличии |
| Склад | Адрес | Контакт | Остатки | |
|---|---|---|---|---|
Политика обработки файлов cookie
На сайте snabavto.by используются файлы cookie для сбора обезличенной информации о пользователях. Это помогает нам анализировать статистику, совершенствовать сервис и делать его более удобным для вас. Подробнее о файлах cookie вы можете узнать в соответствующем разделе Политики обработки файлов cookie.
Ремавтоснаб