Республика Беларусь,
г. Минск, ул. Селицкого 21к - центральный склад
Пн-пт с 8:00 до 17:00
Меню
312434-П Прокладка Универсал,Бобруйск
Наименование: Прокладка Универсал,Бобруйск
Каталожный номер: 312434-П
Код товара: 312434П
Доставка: по всей Беларуси
Остаток: под заказ 1-45 дней

Нашли не точность в описании товара? сообщить администратору.

+375 (44) 770-80-78 +375 (29) 747-80-78
* Выставить счет, получить техническую информацию и стоимость
Заказать деталь Онлайн
Описание
Наличие на филиалах
Применяемость
Заменить на СТО

312434-П Прокладка.

  • Производитель: Универсал,Бобруйск
  • Каталожный номер по заводу: 312434-П
  • Код для заказа:  312434П
Марка Модель Кат.номер Наим. по каталогу Чертеж
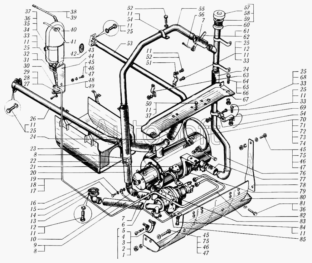
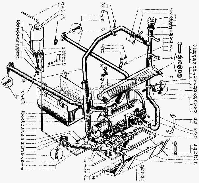
МАЗ МАЗ-643068 (2003) 312434-П Прокладка Установка регуляторов положения кабины
МАЗ КПП МАЗ-543205-070 312434 Прокладка 10х16х2 Механизм переключения передач Чертеж Механизм переключения передач
АМАЗ МАЗ-103 (2000) 312434 Шайба 10 Привод управления двигателем (лист 2) 104-1108002-31 Чертеж Привод управления двигателем (лист 2) 104-1108002-31
АМАЗ МАЗ-103 (2000) 312434 Шайба 10 Мост задний МАЗ-104. Тормозной механизм Чертеж Мост задний МАЗ-104. Тормозной механизм
АМАЗ МАЗ-103 (2000) 312434 Шайба 10 Тормозной механизм заднего моста МАЗ-103
АМАЗ МАЗ-103 (2000) 312434 Шайба 10 Тормозной механизм заднего моста МАЗ-105
КрАЗ КрАЗ-255 312434-П Шайба 10 Устройство пусковое подогревательное Чертеж Устройство пусковое подогревательное
КрАЗ КрАЗ-256 312434-П Шайба 10 Пусковой подогреватель Чертеж Пусковой подогреватель
КрАЗ КрАЗ-250 312434-П Шайба 10 Подогреватель предпусковой
КрАЗ КрАЗ-260 312434-П Шайба 10 Пусковой подогреватель Чертеж Пусковой подогреватель
КрАЗ КрАЗ-260 312434-П Шайба 10 Рычаг переключения передач, кран управления Чертеж Рычаг переключения передач, кран управления
КрАЗ КрАЗ-6443 312434-П Шайба 10 Установка опрокидывающего механизма
КрАЗ КрАЗ-6443 312434-П Шайба 10 Подогреватель пусковой Чертеж Подогреватель пусковой
КрАЗ КрАЗ-6443 312434-П Шайба 10 Рычаг переключения передач, кран управления Чертеж Рычаг переключения передач, кран управления
КрАЗ КрАЗ-6510 (1993) 312434-П Шайба 10 Установка опрокидывающего механизма с одним цилиндром Чертеж Установка опрокидывающего механизма с одним цилиндром
КрАЗ КрАЗ-6510 (1993) 312434-П Шайба 10 Подогреватель предпусковой КРАЗ Чертеж Подогреватель предпусковой КРАЗ
МЗКТ МЗКТ-65158 (1999) 312434 Прокладка 10 Механизм переключения передач 202-1702010 и опора рычага 201-1702200 Чертеж Механизм переключения передач 202-1702010 и опора рычага 201-1702200
МЗКТ МЗКТ-65158 (1999) 312434 Прокладка 10 Установка коробки отбора мощности
ЯМЗ ЯМЗ-236 М 312434-П Шайба Механизм переключения передач коробок передач 201 Чертеж Механизм переключения передач коробок передач 201
ЯМЗ ЯМЗ-236 НЕ, 236 БЕ, 7601.10 (2003) 312434-П34 Шайба Коллекторы впускные
Аналоги
Прокладка 312434-П МАЗ 312434-П
Прокладка 312434-П МАЗ
Каталожный номер 312434-П
Производитель МАЗ МАЗ
Код 00-ГР040214
Доставка по всей Беларуси
Доступность остатки на филиалах Остатки на филиалах
Остаток Под заказ
Товары из этой категории
Усилитель боковины левый  МАЗ ОАО 5336-5401059
Усилитель боковины левый МАЗ ОАО
Каталожный номер 5336-5401059
Производитель
Код 53365401059
Доставка по всей Беларуси
Остаток Под заказ
Болт М14-6нх30 ОСТ 3700112375  МАЗ ОАО 201585
Болт М14-6нх30 ОСТ 3700112375 МАЗ ОАО
Каталожный номер 201585
Производитель
Код 201585
Доставка по всей Беларуси
Остаток Под заказ
Кронштейн  МАЗ ОАО, УВК 54321-3124049
Кронштейн МАЗ ОАО, УВК
Каталожный номер 54321-3124049
Производитель
Код 543213124049
Доставка по всей Беларуси
Остаток Под заказ
Опора  МАЗ ОАО 9919-8036222
Опора МАЗ ОАО
Каталожный номер 9919-8036222
Производитель
Код 99198036222
Доставка по всей Беларуси
Остаток Под заказ
Брызговик  МАЗ ОАО 5336-8403261
Брызговик МАЗ ОАО
Каталожный номер 5336-8403261
Производитель
Код 53368403261
Доставка по всей Беларуси
Остаток Под заказ