Республика Беларусь,
г. Минск, ул. Селицкого 21к - центральный склад
Пн-пт с 8:00 до 17:00
Меню
24-1008080 Прокладка коллектора впускного/выпускного
Наименование: Прокладка коллектора 24-1008080 впускного/выпускного
Каталожный номер: 24-1008080
Производитель: ЗМЗ
Код товара: 12215
Доставка: по всей Беларуси
Остаток: под заказ

Нашли не точность в описании товара? сообщить администратору.

+375 (44) 770-80-78 +375 (29) 747-80-78
* Выставить счет, получить техническую информацию и стоимость
Заказать деталь Онлайн
Описание
Наличие на филиалах
Применяемость
Заменить на СТО

Код для заказа: 12215

Марка Модель Кат.номер Наим. по каталогу Чертеж
ГАЗ ГАЗ-14 (Чайка) (1980) 14-1008080 Прокладка впускной трубы боковая Газопровод впускной и выпускной, вентиляция картера и термостат системы охлаждения двигателя Чертеж Газопровод впускной и выпускной, вентиляция картера и термостат системы охлаждения двигателя
ГАЗ ГАЗ-24 24-1008080-Г Прокладка газопровода Газопровод
ГАЗ ГАЗ-24-10 (1995) 24-1008080-Г Прокладка газопровода Газопровод
ГАЗ ГАЗ-3102 (2000) 4022-1008080 Прокладка Вал распределительный и газопровод
ГАЗ ГАЗ-31029 24-1008080-Г Прокладка газопровода Газопровод Чертеж Газопровод
ГАЗ ГАЗ-3110 406.1008080 Прокладка впускной трубы Газопровод, ресивер, корпус дросселя, клапан рециркуляции двигателя ЗМЗ-4062.10 Чертеж Газопровод, ресивер, корпус дросселя, клапан рециркуляции двигателя ЗМЗ-4062.10
ГАЗ ГАЗ-3110 24-1008080-Г Прокладка газопровода Газопровод двигателей ЗМЗ-402.10 и ЗМЗ-4021.10
ГАЗ ГАЗ-3302 (ГАЗель) 406.1008080 Прокладка впускной трубы Газопровод двигателей ЗМЗ 4061.10, ЗМЗ 4063.10. ЗМЗ 40637.10
ГАЗ ГАЗ-3302 (ГАЗель) 24-1008080-Г Прокладка газопровода Газопровод двигателей ЗМЗ 4025.10, ЗМЗ 4026.10 Чертеж Газопровод двигателей ЗМЗ 4025.10, ЗМЗ 4026.10
ГАЗ ГАЗ-2705 (ГАЗель) (2000) 406.1008080 Прокладка впускной трубы Газопровод двигателей ЗМЗ-4061.10, ЗМЗ-4063.10 Чертеж Газопровод двигателей ЗМЗ-4061.10, ЗМЗ-4063.10
ГАЗ ГАЗ-2705 (ГАЗель) (2000) 24-1008080-Г Прокладка газопровода Газопровод двигателей ЗМЗ-4025.10, ЗМЗ-4026.10 Чертеж Газопровод двигателей ЗМЗ-4025.10, ЗМЗ-4026.10
ГАЗ ГАЗ-33027 (Дополнение) 560.1008080 Прокладка впускной трубы (2203541/0) Двигатель
ГАЗ ГАЗ-2217 (Соболь) (1999) 406.1008080 Прокладка впускной трубы Газопровод двигателя ЗМЗ-4063 Чертеж Газопровод двигателя ЗМЗ-4063
ГАЗ ГАЗ-2217 (Соболь) (1999) 560.1008080 Прокладка впускной трубы (2203541/0) Труба впускная и коллектор выпускной, турбокомпрессор, клапан рециркуляции, маслопровод к турбокомпрессору и вакуумному насосу двигателя ГАЗ-560 Чертеж Труба впускная и коллектор выпускной, турбокомпрессор, клапан рециркуляции, маслопровод к турбокомпрессору и вакуумному насосу двигателя ГАЗ-560
ГАЗ ГАЗ-3306 (1994) 542.1008080 Прокладка Газопровод
ГАЗ ГАЗ-3307 (2000) 13-1008080-15 Прокладка впускной трубы боковая Газопровод
ГАЗ ГАЗ-3309 542.1008080 Прокладка Газопровод, турбокомпрессор Чертеж Газопровод, турбокомпрессор
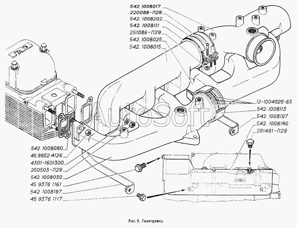
ГАЗ ГАЗ-4301 542.1008080 Прокладка Газопровод Чертеж Газопровод
ГАЗ ГАЗ-52-01 12-1008080 Прокладка газопровода средняя Газопровод
ГАЗ ГАЗ-52-02 12-1008080 Прокладка газопровода средняя Газопровод, насос масляный двигателя, фильтр воздушный и крепление карбюратора
Товары из этой категории
Подушка 0315743А передняя 0315743А
Подушка 0315743А передняя
Каталожный номер 0315743А
Производитель Балаково Резино Техника Балаково Резино Техника
Код 43006
Доставка по всей Беларуси
Доступность остатки на филиалах Остатки на филиалах
Остаток: г.Минск, ул.Селицкого 21к В наличии
Склад Адрес Контакт Остатки
г. Минск ул. Бабушкина, 37 +375 (29) 632-00-82 ( Средне )
Схема проезда
г. Минск ул. Селицкого, 21к +375 (44) 770-80-78 ( Средне )
Схема проезда
г. Бобруйск ул. Гоголя, 181/1-6 +375 (29) 630-05-01 ( Мало )
Схема проезда
г. Витебск ул. Правды, 33 +375 (44) 770-80-87 ( Мало )
Схема проезда
г. Гродно ул. Карского, 35 +375 (44) 770-70-21 ( Средне )
Схема проезда
г. Полоцк-2 ул. Шенягина, 52 +375 (29) 302-94-73 ( Средне )
Схема проезда
г. Слуцк ул. Тутаринова, 8 +375 (29) 346-06-90 ( Средне )
Схема проезда
Вкладыш коренной (0,5) 24-1000102-31
Вкладыш коренной (0,5)
Каталожный номер 24-1000102-31
Производитель Дайдо Дайдо
Код 10842
Доставка по всей Беларуси
Доступность остатки на филиалах Остатки на филиалах
Остаток: г.Минск, ул.Селицкого 21к В наличии
Склад Адрес Контакт Остатки
г. Минск ул. Селицкого, 21к +375 (44) 770-80-78 ( Средне )
Схема проезда
Сальник коленвала задний 4062-1005160-001
Сальник коленвала задний
Каталожный номер 4062-1005160-001
Производитель БРТ БРТ
Код 24967
Доставка по всей Беларуси
Доступность остатки на филиалах Остатки на филиалах
Остаток В наличии
Склад Адрес Контакт Остатки
г. Барановичи ул. Пролетарская, 40 +375 (29) 795-96-37 ( Мало )
Схема проезда
г. Барановичи ул. Бадака, 27Б +375 (29) 350-33-47 ( Мало )
Схема проезда
г. Гродно ул. Карского, 35 +375 (44) 770-70-21 ( Мало )
Схема проезда
Прокладка клапанной крышки 406-1007245
Прокладка клапанной крышки
Каталожный номер 406-1007245
Производитель Чайковский Чайковский
Код 12955
Доставка по всей Беларуси
Доступность остатки на филиалах Остатки на филиалах
Остаток В наличии
Склад Адрес Контакт Остатки
г. Барановичи ул. Пролетарская, 40 +375 (29) 795-96-37 ( Мало )
Схема проезда
г. Барановичи ул. Бадака, 27Б +375 (29) 350-33-47 ( Мало )
Схема проезда
г. Бобруйск ул. Орловского, 22к3 +375 (29) 345-37-07 ( Мало )
Схема проезда
г. Борисов ул. Демина, 2а +375 (44) 560-99-75 ( Средне )
Схема проезда
г. Брест Тельминский с/с, 1Д/1, 1 км южнее д. Тельмы-2 +375 (44) 599-90-75 ( Мало )
Схема проезда
г. Витебск ул. Правды, 33 +375 (44) 770-80-87 ( Средне )
Схема проезда
г. Глубокое ул. Энгельса, 22 +375 (44) 505-71-40 ( Средне )
Схема проезда
г. Гомель ул. Барыкина, 291Б +375 (44) 514-15-30 ( Мало )
Схема проезда
г. Горки ул.Мира, д.51а/1 +375 (44) 565-33-61 ( Мало )
Схема проезда
г. Гродно ул. Карского, 35 +375 (44) 770-70-21 ( Средне )
Схема проезда
г. Дятлово ул. Советская ,104 +375 (29) 187-87-37 ( Средне )
Схема проезда
г. Житковичи ул. Комсомольская, 49 +375 (29) 394-82-52 ( Мало )
Схема проезда
г. Ивацевичи ул. Загородная, 6А +375 (29) 188-59-01 ( Мало )
Схема проезда
г. Кричев ул. Комсомольская, 126 +375 (29) 628-88-42 ( Мало )
Схема проезда
г. Лепель ул. Лобанка, 43 +375 (44) 778-65-21 ( Мало )
Схема проезда
г. Мозырь промузел Козенки +375 (44) 731-94-60 ( Мало )
Схема проезда
г. Молодечно ул. Галицкого, 14 +375 (44) 567-28-47 ( Средне )
Схема проезда
г. Несвиж ул. Кутузова, 2 +375 (29) 394-82-48 ( Мало )
Схема проезда
г. Ошмяны ул. Льнозоводская 3 +375 (44) 770-80-91 ( Средне )
Схема проезда
г. Пинск ул. Калиновского 32 +375 (44) 560-99-59 ( Мало )
Схема проезда
г. Полоцк-2 ул. Шенягина, 52 +375 (29) 302-94-73 ( Мало )
Схема проезда
г. Полоцк-2 ул. Шенягина, 52 +375 (29) 302-94-73 ( Мало )
Схема проезда
г. Поставы ул. Советская, 69 +375 (44) 770-80-13 ( Мало )
Схема проезда
г. Пружаны ул. Макаренко, 21 +375 (29) 348-83-18 ( Средне )
Схема проезда
г. Слоним ул. Советская, 93а +375 (29) 394-82-01 ( Средне )
Схема проезда
г. Слуцк ул. Тутаринова, 8 +375 (29) 346-06-90 ( Мало )
Схема проезда
г. Щучин ул. Советская, 39 +375 (29) 177-29-70 ( Средне )
Схема проезда
К-т прокладок ЗМЗ-24 полный 402-3906022
К-т прокладок ЗМЗ-24 полный
Каталожный номер 402-3906022
Производитель ФАРЕР ФАРЕР
Код 13306
Доставка по всей Беларуси
Доступность остатки на филиалах Остатки на филиалах
Остаток: г.Минск, ул.Селицкого 21к В наличии
Склад Адрес Контакт Остатки
г. Минск ул. Селицкого, 21к +375 (44) 770-80-78 ( Средне )
Схема проезда
г. Барановичи ул. Пролетарская, 40 +375 (29) 795-96-37 ( Мало )
Схема проезда
г. Березино ул. Комсомольская, д. 24 +375 (44) 770-80-17 ( Мало )
Схема проезда
г. Бобруйск ул. Орловского, 22к3 +375 (29) 345-37-07 ( Мало )
Схема проезда
г. Борисов ул. Демина, 2а +375 (44) 560-99-75 ( Мало )
Схема проезда
г. Витебск ул. Правды, 33 +375 (44) 770-80-87 ( Мало )
Схема проезда
г. Гомель ул. Барыкина, 291Б +375 (44) 514-15-30 ( Мало )
Схема проезда
г. Гомель ул. Барыкина, 291Б +375 (44) 514-15-30 ( Мало )
Схема проезда
г. Гродно ул. Карского, 35 +375 (44) 770-70-21 ( Мало )
Схема проезда
г. Дрогичин ул. Юбилейная, 42 +375 (29) 682-17-13 ( Мало )
Схема проезда
г. Дятлово ул. Советская ,104 +375 (29) 187-87-37 ( Мало )
Схема проезда
г. Кобрин ул. Пролетарская, 177А +375 (44) 588-10-80 ( Средне )
Схема проезда
г. Кричев ул. Комсомольская, 126 +375 (29) 628-88-42 ( Мало )
Схема проезда
г. Молодечно ул. Галицкого, 14 +375 (44) 567-28-47 ( Мало )
Схема проезда
г. Орша ул. Сергея Кирова, д. 34 +375 (44) 583-91-42 ( Мало )
Схема проезда
г. Осиповичи ул. Короткая, 11 +375 (29) 165-60-07 ( Мало )
Схема проезда
г. Ошмяны ул. Льнозоводская 3 +375 (44) 770-80-91 ( Мало )
Схема проезда
г. Полоцк-2 ул. Шенягина, 52 +375 (29) 302-94-73 ( Мало )
Схема проезда
г. Поставы ул. Советская, 69 +375 (44) 770-80-13 ( Мало )
Схема проезда
г. Пружаны ул. Макаренко, 21 +375 (29) 348-83-18 ( Мало )
Схема проезда
г. Слоним ул. Советская, 93а +375 (29) 394-82-01 ( Мало )
Схема проезда
г. Сморгонь ул. Железнодорожная, 32 +375 (29) 671-02-10 ( Мало )
Схема проезда