Республика Беларусь,
г. Минск, ул. Селицкого 21к - центральный склад
Пн-пт с 8:00 до 17:00
Меню
002-00-007-У Прокладка клапанной крышки ЕВРО-3 (силикон зеленый)
Наименование: Прокладка клапанной крышки 002-00-007-У ЕВРО-3 (силикон зеленый)
Каталожный номер: 002-00-007-У
Производитель: РФ
Код товара: 00-ГР008365
Доставка: по всей Беларуси
Остаток: под заказ

Нашли не точность в описании товара? сообщить администратору.

+375 (44) 770-80-78 +375 (29) 747-80-78
* Выставить счет, получить техническую информацию и стоимость
Заказать деталь Онлайн
Описание
Наличие на филиалах
Применяемость
Заменить на СТО

Прокладка клапанной крышки 002-00-007-У ЕВРО-3 (силикон зеленый) производства РФ (РФ), Код для заказа: 00-ГР008365

Марка Модель Кат.номер Наим. по каталогу Чертеж
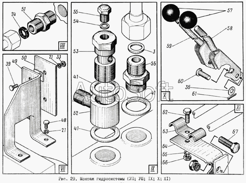
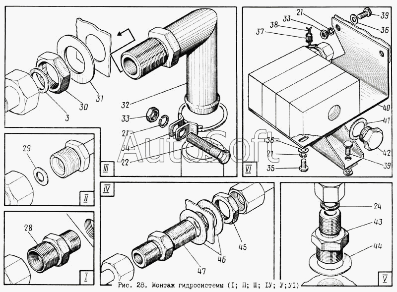
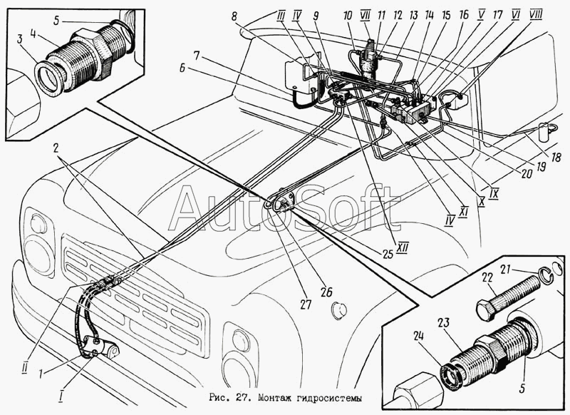
МЗКМ КО-713 КО-002.19.03.007 Штуцер Монтаж гидросистемы Чертеж Монтаж гидросистемы
МЗКМ КО-713 КО-002.19.03.007 Штуцер Монтаж гидросистемы Чертеж Монтаж гидросистемы
МЗКМ КО-713 КО-002.19.03.007 Штуцер Монтаж гидросистемы Чертеж Монтаж гидросистемы
МЗКМ КО-713 КО-002.19.03.007 Штуцер Монтаж гидросистемы
МЗКМ КО-713 КО-002.16.00.007 Фартук Установка крыльев
УАЗ 4CT90-1ME 2.10.007 Шина Электрическое оборудование (4.96.72.02.002) Чертеж Электрическое оборудование (4.96.72.02.002)
Камский автозавод 65226 (2009) 45 104 240 002 790 Ведущая шестерня колесного редуктора 41-007-2021 Мост средний Чертеж Мост средний
Бобруйскагромаш (ОАО «УКХ «Бобруйскагромаш») ПС-30 (2004) ПРТ-10.03.002 или ПРТ-10.03.007 Втулка подшипника Балансир с цапфами и кронштейнами Чертеж Балансир с цапфами и кронштейнами
МАЗ МАЗ-6422, 5432 (2007) 543202-2801002-002 Рама Рамы 543202-2801002-002, 543205-2801002-004, 543208-2801002-007 Чертеж Рамы 543202-2801002-002, 543205-2801002-004, 543208-2801002-007
МАЗ МАЗ-6422, 5432 (2007) 543208-2801002-007 Рама Рамы 543202-2801002-002, 543205-2801002-004, 543208-2801002-007 Чертеж Рамы 543202-2801002-002, 543205-2801002-004, 543208-2801002-007
ZF КПП ZF 6S1000TO (2011) 1346.102.007 GUIDE TUBE Material-assembly-group-no: 1346.002.062 Чертеж Material-assembly-group-no: 1346.002.062
Лидагропроммаш КДД-9ВТ (2020) 0540.03.09.002 Верхняя ступица правая Режущий брус правый 0608.04.00.007
Лидагропроммаш КДД-9ВТ (2020) 0540.03.10.002 Верхняя ступица Режущий брус правый 0608.04.00.007
Лидагропроммаш КДД-9ВТ (2020) MIPS-052-002 Редуктор бруса Режущий брус правый 0608.04.00.007
Лидагропроммаш КДД-9ВТ (2020) MZNS-010-002 Гайка Режущий брус правый 0608.04.00.007
Лидагропроммаш КДД-9ВТ (2020) MZWP-000-002 Шпонка Режущий брус правый 0608.04.00.007
Лидагропроммаш КДД-9ВТ (2020) 0540.03.09.002 Верхняя ступица правая Режущий брус левый 0608.05.007
Лидагропроммаш КДД-9ВТ (2020) 0540.03.10.002 Верхняя ступица Режущий брус левый 0608.05.007
Лидагропроммаш КДД-9ВТ (2020) MIPS-053-002 Редуктор бруса Режущий брус левый 0608.05.007
Лидагропроммаш КДД-9ВТ (2020) MZNS-010-002 Гайка Режущий брус левый 0608.05.007
Товары из этой категории
Прокладка поддона 740-1009040-10 740-1009040-10
Прокладка поддона 740-1009040-10
Каталожный номер 740-1009040-10
Производитель Резинотехника Резинотехника
Код 00-ГР033620
Доставка по всей Беларуси
Доступность остатки на филиалах Остатки на филиалах
Остаток: г.Минск, ул.Селицкого 21к В наличии
Склад Адрес Контакт Остатки
г. Минск ул. Селицкого, 21к +375 (44) 770-80-78 ( Мало )
Схема проезда
г. Горки ул.Мира, д.51а/1 +375 (44) 565-33-61 ( Мало )
Схема проезда
г. Ошмяны ул. Льнозоводская 3 +375 (44) 770-80-91 ( Мало )
Схема проезда
Элемент фильтрующий очистки масла 7405-1012040
Элемент фильтрующий очистки масла
Каталожный номер 7405-1012040
Производитель УП Фильтр УП Фильтр
Код 26005
Доставка по всей Беларуси
Доступность остатки на филиалах Остатки на филиалах
Остаток: г.Минск, ул.Селицкого 21к В наличии
Склад Адрес Контакт Остатки
г. Минск ул. Селицкого, 21к +375 (44) 770-80-78 ( Средне )
Схема проезда
г. Березино ул. Комсомольская, д. 24 +375 (44) 770-80-17 ( Мало )
Схема проезда
г. Бобруйск ул. Орловского, 22к3 +375 (29) 345-37-07 ( Мало )
Схема проезда
г. Горки ул.Мира, д.51а/1 +375 (44) 565-33-61 ( Мало )
Схема проезда
г. Гродно ул. Карского, 35 +375 (44) 770-70-21 ( Мало )
Схема проезда
г. Ивацевичи ул. Загородная, 6А +375 (29) 188-59-01 ( Мало )
Схема проезда
г. Лельчицы ул. Советская, д.96/1 +375 (29) 346-98-96 ( Средне )
Схема проезда
г. Лепель ул. Лобанка, 43 +375 (44) 778-65-21 ( Средне )
Схема проезда
г. Осиповичи ул. Короткая, 11 +375 (29) 165-60-07 ( Средне )
Схема проезда
г. Ошмяны ул. Льнозоводская 3 +375 (44) 770-80-91 ( Мало )
Схема проезда
г. Полоцк-2 ул. Шенягина, 52 +375 (29) 302-94-73 ( Мало )
Схема проезда
г. Слоним ул. Советская, 93а +375 (29) 394-82-01 ( Мало )
Схема проезда
г. Солигорск Чижевичский сельсовет, 3Г +375 (29) 899-58-52 ( Мало )
Схема проезда
Элемент 7405-1012040С фильтрующий (металл) очистки масла УП Фильтр 7405-1012040С
Элемент 7405-1012040С фильтрующий (металл) очистки масла УП Фильтр
Каталожный номер 7405-1012040С
Производитель УП Фильтр УП Фильтр
Код 00-ГР018613
Доставка по всей Беларуси
Доступность остатки на филиалах Остатки на филиалах
Остаток: г.Минск, ул.Селицкого 21к В наличии
Склад Адрес Контакт Остатки
г. Минск ул. Селицкого, 21к +375 (44) 770-80-78 ( Много )
Схема проезда
г. Бобруйск ул. Орловского, 22к3 +375 (29) 345-37-07 ( Мало )
Схема проезда
г. Молодечно ул. Галицкого, 14 +375 (44) 567-28-47 ( Мало )
Схема проезда
г. Ошмяны ул. Льнозоводская 3 +375 (44) 770-80-91 ( Средне )
Схема проезда
г. Пинск ул. Калиновского 32 +375 (44) 560-99-59 ( Средне )
Схема проезда
г. Столин ул. Быковского, 29 +375 (33) 304-54-36 ( Мало )
Схема проезда
Кольцо уплотнительное газового стыка 740-1003466
Кольцо уплотнительное газового стыка
Каталожный номер 740-1003466
Производитель RSTA RSTA
Код 15153
Доставка по всей Беларуси
Доступность остатки на филиалах Остатки на филиалах
Остаток: г.Минск, ул.Селицкого 21к В наличии
Склад Адрес Контакт Остатки
г. Минск ул. Селицкого, 21к +375 (44) 770-80-78 ( Много )
Схема проезда
г. Ошмяны ул. Льнозоводская 3 +375 (44) 770-80-91 ( Средне )
Схема проезда
Фильтр топливный 1008767139 (1002020787) (WP-4,WP-10,WP-12) Weichai 1008767139
Фильтр топливный 1008767139 (1002020787) (WP-4,WP-10,WP-12) Weichai
Каталожный номер 1008767139
Производитель WEICHAI WEICHAI
Код 00-ГР028782
Доставка по всей Беларуси
Доступность остатки на филиалах Остатки на филиалах
Остаток: г.Минск, ул.Селицкого 21к В наличии
Склад Адрес Контакт Остатки
г. Минск ул. Селицкого, 21к +375 (44) 770-80-78 ( Много )
Схема проезда
г. Березино ул. Комсомольская, д. 24 +375 (44) 770-80-17 ( Мало )
Схема проезда
г. Бобруйск ул. Орловского, 22к3 +375 (29) 345-37-07 ( Средне )
Схема проезда
г. Витебск ул. Петруся Бровки, 34 +375 (29) 636-25-08 ( Средне )
Схема проезда
г. Глубокое ул. Энгельса, 22 +375 (44) 505-71-40 ( Средне )
Схема проезда
г. Гомель ул. Барыкина, 291Б +375 (44) 514-15-30 ( Средне )
Схема проезда
г. Гомель ул. Барыкина, 291Б +375 (44) 514-15-30 ( Средне )
Схема проезда
г. Лельчицы ул. Советская, д.96/1 +375 (29) 346-98-96 ( Средне )
Схема проезда
г. Лепель ул. Лобанка, 43 +375 (44) 778-65-21 ( Средне )
Схема проезда
г. Мозырь промузел Козенки +375 (44) 731-94-60 ( Средне )
Схема проезда
г. Полоцк-2 ул. Шенягина, 52 +375 (29) 302-94-73 ( Много )
Схема проезда
г. Слоним ул. Советская, 93а +375 (29) 394-82-01 ( Средне )
Схема проезда
г. Слуцк ул. Тутаринова, 8 +375 (29) 346-06-90 ( Средне )
Схема проезда
г. Сморгонь ул. Железнодорожная, 32 +375 (29) 671-02-10 ( Средне )
Схема проезда
г. Солигорск Чижевичский сельсовет, 3Г +375 (29) 899-58-52 ( Средне )
Схема проезда
г. Столин ул. Быковского, 29 +375 (33) 304-54-36 ( Средне )
Схема проезда