Республика Беларусь,
г. Минск, ул. Селицкого 21к - центральный склад
Пн-пт с 8:00 до 17:00
Меню
5336-1018038 Прокладка МАЗ ОАО, УВК
Наименование: Прокладка МАЗ ОАО, УВК
Каталожный номер: 5336-1018038
Код товара: 53361018038
Доставка: по всей Беларуси
Остаток: под заказ

Нашли не точность в описании товара? сообщить администратору.

+375 (44) 770-80-78 +375 (29) 747-80-78
* Выставить счет, получить техническую информацию и стоимость
Заказать деталь Онлайн
Описание
Наличие на филиалах
Применяемость
Заменить на СТО

5336-1018038 Прокладка.

  • Производитель: МАЗ ОАО, УВК
  • Каталожный номер по заводу: 5336-1018038
  • Код для заказа:  53361018038
Марка Модель Кат.номер Наим. по каталогу Чертеж
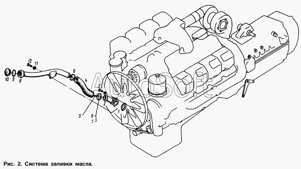
МАЗ МАЗ-53363 5336-1018038 Прокладка Заливка и контроль уровня масла Чертеж Заливка и контроль уровня масла
МАЗ МАЗ-53366 5336-1018038 Прокладка Заливка и контроль уровня масла Чертеж Заливка и контроль уровня масла
МАЗ МАЗ-5337 5336-1018038 Прокладка Заливка и контроль уровня масла Чертеж Заливка и контроль уровня масла
МАЗ МАЗ-53371 5336-1018038 Прокладка Заливка и контроль уровня масла Чертеж Заливка и контроль уровня масла
МАЗ МАЗ-54321 5336-1018038 Прокладка Система заливки масла Чертеж Система заливки масла
МАЗ МАЗ-54323 5336-1018038 Прокладка Заливка и контроль уровня масла
МАЗ МАЗ-5434 5336-1018038 Прокладка Заливка и контроль уровня масла Чертеж Заливка и контроль уровня масла
МАЗ МАЗ-5516 5336-1018038 Прокладка Заливка и контроль уровня масла Чертеж Заливка и контроль уровня масла
МАЗ МАЗ-5551 5336-1018038 Прокладка Заливка и контроль уровня масла Чертеж Заливка и контроль уровня масла
МАЗ МАЗ-6303 (2000) 5336-1018038 Прокладка Заливка и контроль уровня масла Чертеж Заливка и контроль уровня масла
МАЗ МАЗ-6317 5336-1018038 Прокладка Система заливки масла Чертеж Система заливки масла
МАЗ МАЗ-64221 5336-1018038 Прокладка Система заливки масла Чертеж Система заливки масла
МАЗ МАЗ-64255 5336-1018038 Прокладка Заливка и контроль уровня масла Чертеж Заливка и контроль уровня масла
МАЗ МАЗ-64229 5336-1018038 Прокладка Заливка и контроль уровня масла
МАЗ Общий (см. мод-ции) 5336-1018038 Прокладка Заливка и контроль уровня масла Чертеж Заливка и контроль уровня масла
МАЗ МАЗ-543202 (2003) 5336-1018038 Прокладка Установка системы заливки и контроля уровня масла
МАЗ МАЗ-5336 (2005) 5336-1018038 Прокладка Установка системы заливки и контроля уровня масла
МАЗ МАЗ-6422 (2003) 5336-1018038 Прокладка Установка системы заливки и контроля уровня масла Чертеж Установка системы заливки и контроля уровня масла
МАЗ МАЗ-6303 (2005) (2005) 5336-1018038 Прокладка Установка системы заливки и контроля уровня масла
МАЗ МАЗ-5551 (2003) (2003) 5336-1018038 Прокладка Установка системы заливки и контроля уровня масла Чертеж Установка системы заливки и контроля уровня масла
Товары из этой категории
Кронштейн  МАЗ ОАО 64302-1109134
Кронштейн МАЗ ОАО
Каталожный номер 64302-1109134
Производитель
Код 643021109134
Доставка по всей Беларуси
Остаток Под заказ
Воздухозаборник  МАЗ ОАО 64221-1109024
Воздухозаборник МАЗ ОАО
Каталожный номер 64221-1109024
Производитель
Код 642211109024
Доставка по всей Беларуси
Остаток Под заказ
Болт  МАЗ ОАО 54321-3104051
Болт МАЗ ОАО
Каталожный номер 54321-3104051
Производитель
Код 543213104051
Доставка по всей Беларуси
Остаток Под заказ
Ось  МАЗ ОАО 8373-2707070
Ось МАЗ ОАО
Каталожный номер 8373-2707070
Производитель
Код 83732707070
Доставка по всей Беларуси
Остаток Под заказ
Заглушка  ОЗАА,Осиповичи 103465-5301615
Заглушка ОЗАА,Осиповичи
Каталожный номер 103465-5301615
Производитель
Код 1034655301615
Доставка по всей Беларуси
Остаток Под заказ