Республика Беларусь,
г. Минск, ул. Селицкого 21к - центральный склад
Пн-пт с 8:00 до 17:00
Меню
80С-1702066 Прокладка
Наименование: Прокладка 80С-1702066
Каталожный номер: 80С-1702066
Производитель: RSTA
Код товара: 00-ГР001685
Доставка: по всей Беларуси
Остаток: под заказ

Нашли не точность в описании товара? сообщить администратору.

+375 (44) 770-80-78 +375 (29) 747-80-78
* Выставить счет, получить техническую информацию и стоимость
Заказать деталь Онлайн
Описание
Наличие на филиалах
Применяемость
Заменить на СТО

13.10.20

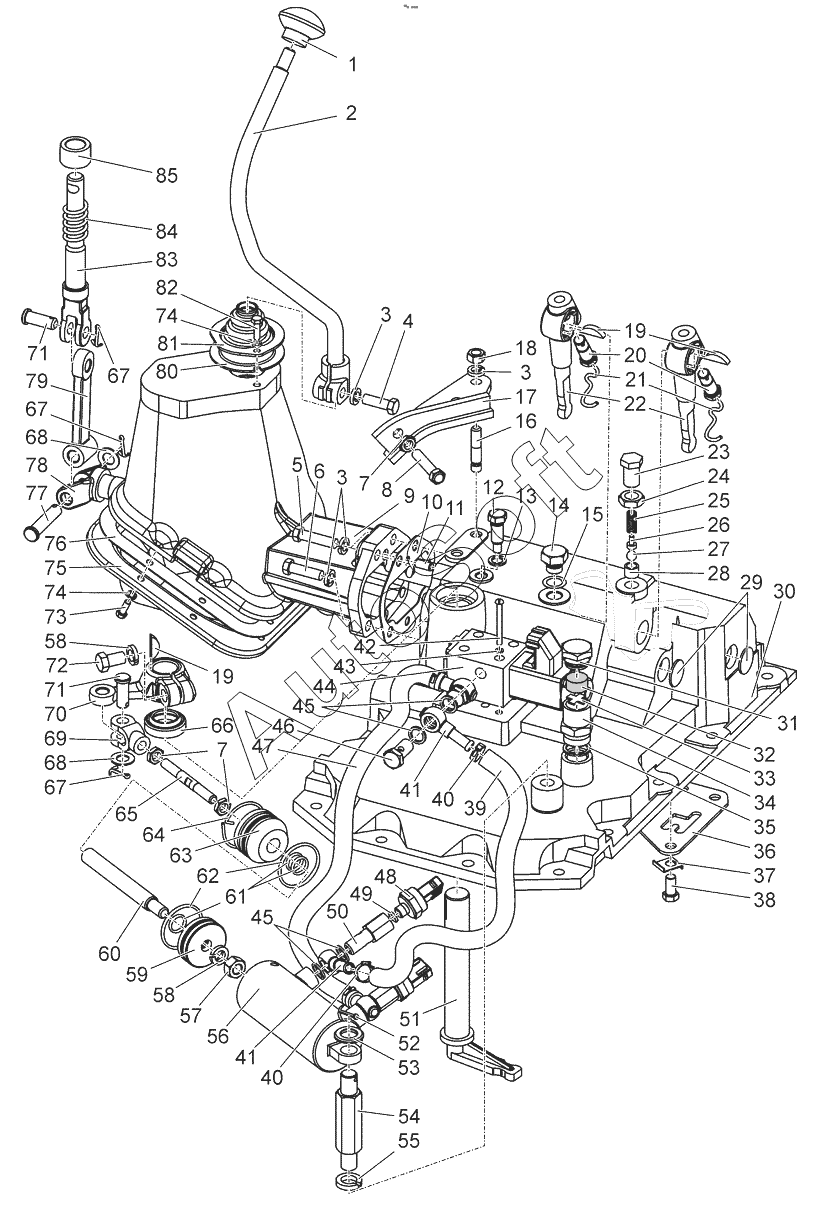
Прокладка 80С-1702066 производства RSTA (РФ), Код для заказа: 00-ГР001685

Марка Модель Кат.номер Наим. по каталогу Чертеж
МТЗ МТЗ-100 80С-1702066 Прокладка Механизм управления коробкой передач (вариант 2)
МТЗ МТЗ-1523 80С-1702066 Прокладка Механизм управления коробкой передач
МТЗ МТЗ-1523 80С-1702066 Прокладка Механизм управления коробкой передач
МТЗ МТЗ-1522 (2008) 80С-1702066 Прокладка Механизм управления коробкой передач
МТЗ МТЗ-1522 (2008) 80С-1702066 Прокладка Механизм управления коробкой передач
МТЗ МТЗ-1005 (2008) 80С-1702066 Прокладка Механизм управления коробкой передач Чертеж Механизм управления коробкой передач
МТЗ МЛ-131 (2008) 80С-1702066 Прокладка Механизм управления коробкой передач Чертеж Механизм управления коробкой передач
МТЗ МТЗ-1222/1523 (2009) 80С-1702066 Прокладка Механизм управления коробкой передач
МТЗ МТЗ-2022 (2010) 80С-1702066 Прокладка Механизм управления коробкой передач Чертеж Механизм управления коробкой передач
МТЗ МТЗ-1523.4 (2010) 80С-1702066 Прокладка Механизм управления коробкой передач
МТЗ МТЗ-1523.4 (2010) 80С-1702066 Прокладка Механизм управления коробкой передач Чертеж Механизм управления коробкой передач
МТЗ МТЗ-2103 (2010) 80С-1702066 Прокладка Механизм управления Чертеж Механизм управления
МТЗ МЛПТ-344 (2011) 80С-1702066 Прокладка Коробка передач – Механизм управления. Корпус. Вилка. Ограничитель Чертеж Коробка передач – Механизм управления. Корпус. Вилка. Ограничитель
МТЗ 1502 (2012) 80С-1702066 Прокладка Механизм управления коробкой передач Чертеж Механизм управления коробкой передач
МТЗ МТЗ-1221.5 (2013) 80С-1702066 Прокладка Механизм управления коробкой передач (16F+8R)
МТЗ МТЗ-1221.5 (2013) 80С-1702066 Прокладка Механизм управления коробкой передач (24F+12R) Чертеж Механизм управления коробкой передач (24F+12R)
МТЗ БЕЛАРУС 1502 (2017) 80С-1702066 Прокладка Механизм управления. Рычаги КП. Сапун. Тяга Чертеж  Механизм управления. Рычаги КП. Сапун. Тяга
МТЗ БЕЛАРУС 2103 (2015) 80С-1702066 Прокладка Установка рычага КП. Механизм управления. Сапун. Маслопровод. Цилиндр Чертеж  Установка рычага КП. Механизм управления. Сапун. Маслопровод. Цилиндр
МТЗ БЕЛАРУС 1502 (2015) 80С-1702066 Прокладка Механизм управления коробкой передач Чертеж  Механизм управления коробкой передач
Товары из этой категории
Синхронизатор 80С-1701060-А вала промежуточного в сборе АМ 80С-1701060-А
Синхронизатор 80С-1701060-А вала промежуточного в сборе АМ
Каталожный номер 80С-1701060-А
Производитель Автомагнат Автомагнат
Код 00-ГР021650
Доставка по всей Беларуси
Доступность остатки на филиалах Остатки на филиалах
Остаток: г.Минск, ул.Селицкого 21к В наличии
Склад Адрес Контакт Остатки
г. Минск ул. Селицкого, 21к +375 (44) 770-80-78 ( Средне )
Схема проезда
Шестерня 50-1701218 5-й передачи и заднего хода (Z=38/19) АМ 50-1701218
Шестерня 50-1701218 5-й передачи и заднего хода (Z=38/19) АМ
Каталожный номер 50-1701218
Производитель Автомагнат Автомагнат
Код 00-ГР021631
Доставка по всей Беларуси
Доступность остатки на филиалах Остатки на филиалах
Остаток В наличии
Склад Адрес Контакт Остатки
г. Новогрудок ул. Индустриальная, 3 +375 (44) 729-39-19 ( Мало )
Схема проезда
Шестерня 50-1701048А 4,5 передач (Z=27/24) АМ 50-1701048
Шестерня 50-1701048А 4,5 передач (Z=27/24) АМ
Каталожный номер 50-1701048
Производитель Автомагнат Автомагнат
Код 00-ГР021624
Доставка по всей Беларуси
Доступность остатки на филиалах Остатки на филиалах
Остаток Под заказ
Шестерня 1-й передачи и заднего хода 50-1701212 А
Шестерня 1-й передачи и заднего хода
Каталожный номер 50-1701212 А
Производитель RSTA RSTA
Код 11713
Доставка по всей Беларуси
Доступность остатки на филиалах Остатки на филиалах
Остаток В наличии
Склад Адрес Контакт Остатки
г. Глубокое ул. Энгельса, 22 +375 (44) 505-71-40 ( Мало )
Схема проезда
г. Ивацевичи ул. Загородная, 6А +375 (29) 188-59-01 ( Мало )
Схема проезда
г. Несвиж ул. Кутузова, 2 +375 (29) 394-82-48 ( Мало )
Схема проезда
г. Поставы ул. Советская, 69 +375 (44) 770-80-13 ( Мало )
Схема проезда
г. Столин ул. Быковского, 29 +375 (33) 304-54-36 ( Мало )
Схема проезда
Шестерня 50-1701196 (Z=20/20) АГРОТЭК 50-1701196
Шестерня 50-1701196 (Z=20/20) АГРОТЭК
Каталожный номер 50-1701196
Производитель АГРОТЭК АГРОТЭК
Код 42600
Доставка по всей Беларуси
Доступность остатки на филиалах Остатки на филиалах
Остаток Под заказ