Республика Беларусь,
г. Минск, ул. Селицкого 21к - центральный склад
Пн-пт с 8:00 до 17:00
Меню
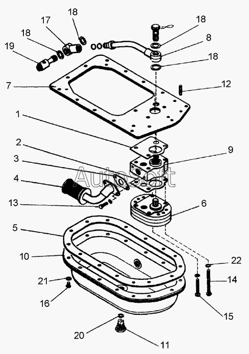
80-1704016 Прокладка
Наименование: Прокладка 80-1704016
Каталожный номер: 80-1704016
Производитель: RSTA
Код товара: 00-ГР001681
Доставка: по всей Беларуси
Остаток: под заказ

Нашли не точность в описании товара? сообщить администратору.

+375 (44) 770-80-78 +375 (29) 747-80-78
* Выставить счет, получить техническую информацию и стоимость
Заказать деталь Онлайн
Описание
Наличие на филиалах
Применяемость
Заменить на СТО

13.10.20

Прокладка 80-1704016 производства RSTA (РФ), Код для заказа: 00-ГР001681

Марка Модель Кат.номер Наим. по каталогу Чертеж
МАЗ КПП МАЗ-543205-070 201.1704016 Втулка Масляный насос Чертеж Масляный насос
БелАЗ 7522, 7540, 75401, 7523, 75231 Общий 7548-1704016 Корпус Насос гидромеханической передачи передний Чертеж Насос гидромеханической передачи передний
БелАЗ 7540 7548-1704016 Корпус Насос гидромеханической передачи передний Чертеж Насос гидромеханической передачи передний
БелАЗ 75231 7548-1704016 Корпус Насос гидромеханической передачи передний Чертеж Насос гидромеханической передачи передний
БелАЗ 7548А (2000) 7548-1704016 Корпус Насос масляный (5.2) Чертеж Насос масляный (5.2)
МТЗ МТЗ-100 80-1704016 Прокладка Привод насосов Чертеж Привод насосов
МТЗ МТЗ-1221 (1997) 80-1704016 Прокладка Привод насосов Чертеж Привод насосов
МТЗ МТЗ-1523 80-1704016 Прокладка Привод насоса
МТЗ МТЗ-1522 (2008) 80-1704016 Прокладка Привод насоса Чертеж Привод насоса
МТЗ МТЗ-1005 (2008) 80-1704016 Прокладка Привод насосов
МТЗ МЛ-131 (2008) 80-1704016 Прокладка Привод насоса Чертеж Привод насоса
МТЗ МТЗ-1222/1523 (2009) 80-1704016 Прокладка Привод насоса
МТЗ МТЗ-2022 (2010) 80-1704016 Прокладка Привод насосов Чертеж Привод насосов
МТЗ МТЗ-1523.4 (2010) 80-1704016 Прокладка Привод насоса Чертеж Привод насоса
ПТЗ К-702МВ 700А.1704016 Прокладка Насос коробки передач Чертеж Насос коробки передач
ПТЗ К-702МБА (1998) 700А.1704016 Прокладка Насос коробки передач Чертеж Насос коробки передач
ПТЗ К-744Р2 700А.1704016 Прокладка Поддон коробки передач с насосом входит в 744Р-1700000-3
ПТЗ К-702МВА 700А.1704016 Прокладка Насос КП
ПТЗ K-744P1 (2001) 700А.1704016 Прокладка Поддон коробки передач с насосом Чертеж Поддон коробки передач с насосом
МоАЗ 40481 (2003) 7548-1704016 Корпус Насос гидромеханической передачи 7548-1704010 Чертеж Насос гидромеханической передачи 7548-1704010
Товары из этой категории
Шестерня 70-1701082 промежуточная заднего хода (Z=31) АМ 70-1701082
Шестерня 70-1701082 промежуточная заднего хода (Z=31) АМ
Каталожный номер 70-1701082
Производитель Автомагнат Автомагнат
Код 00-ГР021642
Доставка по всей Беларуси
Доступность остатки на филиалах Остатки на филиалах
Остаток: г.Минск, ул.Селицкого 21к В наличии
Склад Адрес Контакт Остатки
г. Минск ул. Селицкого, 21к +375 (44) 770-80-78 ( Средне )
Схема проезда
г. Столин ул. Быковского, 29 +375 (33) 304-54-36 ( Мало )
Схема проезда
Шестерня 1-й передачи и заднего хода 50-1701212 А
Шестерня 1-й передачи и заднего хода
Каталожный номер 50-1701212 А
Производитель RSTA RSTA
Код 11713
Доставка по всей Беларуси
Доступность остатки на филиалах Остатки на филиалах
Остаток В наличии
Склад Адрес Контакт Остатки
г. Глубокое ул. Энгельса, 22 +375 (44) 505-71-40 ( Мало )
Схема проезда
г. Ивацевичи ул. Загородная, 6А +375 (29) 188-59-01 ( Мало )
Схема проезда
г. Несвиж ул. Кутузова, 2 +375 (29) 394-82-48 ( Мало )
Схема проезда
г. Поставы ул. Советская, 69 +375 (44) 770-80-13 ( Мало )
Схема проезда
г. Столин ул. Быковского, 29 +375 (33) 304-54-36 ( Мало )
Схема проезда
Упор 50-1701187 МТЗ 50-1701187
Упор 50-1701187 МТЗ
Каталожный номер 50-1701187
Производитель МТЗ МТЗ
Код 00-ГР028539
Доставка по всей Беларуси
Доступность остатки на филиалах Остатки на филиалах
Остаток: г.Минск, ул.Селицкого 21к В наличии
Склад Адрес Контакт Остатки
г. Минск ул. Селицкого, 21к +375 (44) 770-80-78 ( Средне )
Схема проезда
г. Новогрудок ул. Индустриальная, 3 +375 (44) 729-39-19 ( Средне )
Схема проезда
г. Столин ул. Быковского, 29 +375 (33) 304-54-36 ( Мало )
Схема проезда
Корпус вилок 50-1702080-А МТЗ 50-1702080-А
Корпус вилок 50-1702080-А МТЗ
Каталожный номер 50-1702080-А
Производитель МТЗ МТЗ
Код 00-ГР020561
Доставка по всей Беларуси
Доступность остатки на филиалах Остатки на филиалах
Остаток: г.Минск, ул.Селицкого 21к В наличии
Склад Адрес Контакт Остатки
г. Минск ул. Селицкого, 21к +375 (44) 770-80-78 ( Много )
Схема проезда
г. Ивацевичи ул. Загородная, 6А +375 (29) 188-59-01 ( Мало )
Схема проезда
г. Лунинец ул.Красная, 175а +375 (44) 721-46-74 ( Мало )
Схема проезда
г. Новогрудок ул. Индустриальная, 3 +375 (44) 729-39-19 ( Мало )
Схема проезда
Вал внутренний привода ВОМ Завод 50-1701185
Вал внутренний привода ВОМ Завод
Каталожный номер 50-1701185
Производитель МТЗ МТЗ
Код 00-ГР007486
Доставка по всей Беларуси
Доступность остатки на филиалах Остатки на филиалах
Остаток: г.Минск, ул.Селицкого 21к В наличии
Склад Адрес Контакт Остатки
г. Минск ул. Селицкого, 21к +375 (44) 770-80-78 ( Мало )
Схема проезда