Республика Беларусь,
г. Минск, ул. Селицкого 21к - центральный склад
Пн-пт с 8:00 до 17:00
Меню
80-1601343 Прокладка
Наименование: Прокладка 80-1601343
Каталожный номер: 80-1601343
Производитель: RSTA
Код товара: 00-ГР001678
Доставка: по всей Беларуси
Остаток: под заказ

Нашли не точность в описании товара? сообщить администратору.

+375 (44) 770-80-78 +375 (29) 747-80-78
* Выставить счет, получить техническую информацию и стоимость
Заказать деталь Онлайн
Описание
Наличие на филиалах
Применяемость
Заменить на СТО

13.10.20

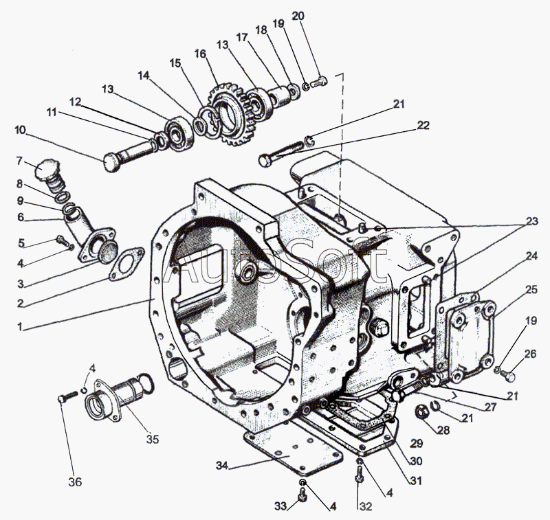
Прокладка 80-1601343 производства RSTA (РФ), Код для заказа: 00-ГР001678

Марка Модель Кат.номер Наим. по каталогу Чертеж
МТЗ МТЗ-100 80-1601343 Прокладка Корпус сцепления Чертеж Корпус сцепления
МТЗ МТЗ-1221 (1997) 80-1601343 Прокладка Корпус сцепления Чертеж Корпус сцепления
МТЗ МТЗ-1523 80-1601343 Прокладка Корпус сцепления Чертеж Корпус сцепления
МТЗ МТЗ-1522 (2008) 80-1601343 Прокладка Корпус сцепления
МТЗ МТЗ-1005 (2008) 80-1601343 Прокладка Корпус сцепления
МТЗ МТЗ-821/921 (2009) 80-1601343 Прокладка Корпус сцепления, отводка Чертеж Корпус сцепления, отводка
МТЗ МТЗ-821/921 (2009) 821-1601343 Пластина Корпус сцепления, отводка Чертеж Корпус сцепления, отводка
МТЗ МТЗ-1222/1523 (2009) 80-1601343 Прокладка Корпус сцепления Чертеж Корпус сцепления
МТЗ МТЗ-1523.4 (2010) 80-1601343 Прокладка Корпус сцепления Чертеж Корпус сцепления
МТЗ МТЗ-1025.4 (2009) 80-1601343 Прокладка Сцепление Чертеж Сцепление
ЯМЗ ЯМЗ-236 НЕ, 236 БЕ, 7601.10 (2003) 182.1601343-10 Болт нажимного диска Сцепление ЯМЗ-183 Чертеж Сцепление ЯМЗ-183
ЯМЗ ЯМЗ-236 ДК и ЯМЗ 238 АК (2002) 182.1601343 Болт нажимного диска Сцепление ЯМЗ-181 и ЯМЗ-182 Чертеж Сцепление ЯМЗ-181 и ЯМЗ-182
ЯМЗ ЯМЗ-236 М2 и 238 М2 182.1601343 Болт нажимного диска Сцепление ЯМЗ-181 и ЯМЗ-182 Чертеж Сцепление ЯМЗ-181 и ЯМЗ-182
ЯМЗ ЯМЗ-238Д и Б (2002) 182.1601343 Болт нажимного диска Сцепление ЯМЗ-183
ЯМЗ ЯМЗ-7511 (2005) 182.1601343 Болт нажимного диска Сцепление Чертеж Сцепление
ЯМЗ ЯМЗ-7511 (2005) (2005) 182.1601343-10 Болт нажимного диска Сцепление
ЯМЗ ЯМЗ-238БЕ (Каталог 2004 года) 182.1601343-10 Болт нажимного диска Сцепление ЯМЗ-183 Чертеж Сцепление ЯМЗ-183
ЯМЗ ЯМЗ-6582.10 (Евро 3) (2008) 182.1601343-10 Болт нажимного диска Сцепление ЯМЗ-183-15 Чертеж Сцепление ЯМЗ-183-15
ЯМЗ ЯМЗ-6581.10 (Евро 3) (2007) 182.1601343-10 Болт нажимного диска Сцепление ЯМЗ-184-15
ЯМЗ ЯМЗ-6561.10 (Евро 3) (2007) 182.1601343-10 Болт нажимного диска Сцепление для двигателей ЯМЗ-6562.10, 6563.10 Чертеж Сцепление для двигателей ЯМЗ-6562.10, 6563.10
Товары из этой категории
Диск сцепления 85-1601130-01 AE ведомый АГРОТЭК 85-1601130-01 AE
Диск сцепления 85-1601130-01 AE ведомый АГРОТЭК
Каталожный номер 85-1601130-01 AE
Производитель АГРОТЭК АГРОТЭК
Код 00-ГР024022
Доставка по всей Беларуси
Доступность остатки на филиалах Остатки на филиалах
Остаток: г.Минск, ул.Селицкого 21к В наличии
Склад Адрес Контакт Остатки
г. Минск ул. Селицкого, 21к +375 (44) 770-80-78 ( Много )
Схема проезда
г. Барановичи ул. Пролетарская, 40 +375 (29) 795-96-37 ( Мало )
Схема проезда
г. Березино ул. Комсомольская, д. 24 +375 (44) 770-80-17 ( Средне )
Схема проезда
г. Бобруйск ул. Гоголя, 181/1-6 +375 (29) 630-05-01 ( Средне )
Схема проезда
г. Бобруйск ул. Орловского, 22к3 +375 (29) 345-37-07 ( Мало )
Схема проезда
г. Борисов ул. Демина, 2а +375 (44) 560-99-75 ( Мало )
Схема проезда
г. Витебск ул. Правды, 33 +375 (44) 770-80-87 ( Мало )
Схема проезда
г. Витебск ул. Петруся Бровки, 34 +375 (29) 636-25-08 ( Средне )
Схема проезда
г. Глубокое ул. Энгельса, 22 +375 (44) 505-71-40 ( Средне )
Схема проезда
г. Гомель ул. Барыкина, 291Б +375 (44) 514-15-30 ( Средне )
Схема проезда
г. Дрогичин ул. Юбилейная, 42 +375 (29) 682-17-13 ( Средне )
Схема проезда
г. Житковичи ул. Комсомольская, 49 +375 (29) 394-82-52 ( Средне )
Схема проезда
г. Ивацевичи ул. Загородная, 6А +375 (29) 188-59-01 ( Средне )
Схема проезда
г. Кобрин ул. Пролетарская, 177А +375 (44) 588-10-80 ( Средне )
Схема проезда
г. Кричев ул. Комсомольская, 126 +375 (29) 628-88-42 ( Мало )
Схема проезда
г. Лельчицы ул. Советская, д.96/1 +375 (29) 346-98-96 ( Средне )
Схема проезда
г. Лунинец ул.Красная, 175а +375 (44) 721-46-74 ( Мало )
Схема проезда
г. Могилев ул. Габровская 11Б +375 (29) 662-02-16 ( Мало )
Схема проезда
г. Молодечно ул. Галицкого, 14 +375 (44) 567-28-47 ( Средне )
Схема проезда
г. Новогрудок ул. Индустриальная, 3 +375 (44) 729-39-19 ( Средне )
Схема проезда
г. Орша ул. Сергея Кирова, д. 34 +375 (44) 583-91-42 ( Средне )
Схема проезда
г. Осиповичи ул. Короткая, 11 +375 (29) 165-60-07 ( Средне )
Схема проезда
г. Ошмяны ул. Льнозоводская 3 +375 (44) 770-80-91 ( Средне )
Схема проезда
г. Петриков ул. Первомайская, 124 +375 (33) 660-06-75 ( Средне )
Схема проезда
г. Пинск ул. Калиновского 32 +375 (44) 560-99-59 ( Мало )
Схема проезда
г. Полоцк-2 ул. Шенягина, 52 +375 (29) 302-94-73 ( Средне )
Схема проезда
г. Полоцк-2 ул. Шенягина, 52 +375 (29) 302-94-73 ( Средне )
Схема проезда
г. Поставы ул. Советская, 69 +375 (44) 770-80-13 ( Много )
Схема проезда
г. Пружаны ул. Макаренко, 21 +375 (29) 348-83-18 ( Средне )
Схема проезда
г. Слоним ул. Советская, 93а +375 (29) 394-82-01 ( Средне )
Схема проезда
г. Слуцк ул. Тутаринова, 8 +375 (29) 346-06-90 ( Мало )
Схема проезда
г. Солигорск Чижевичский сельсовет, 3Г +375 (29) 899-58-52 ( Средне )
Схема проезда
г. Столин ул. Быковского, 29 +375 (33) 304-54-36 ( Мало )
Схема проезда
Диск сцепления 85-1601090-В (PP60097) нажимной FENOX PP60097
Диск сцепления 85-1601090-В (PP60097) нажимной FENOX
Каталожный номер PP60097
Производитель FENOX FENOX
Код 00-ГР035454
Доставка по всей Беларуси
Доступность остатки на филиалах Остатки на филиалах
Остаток В наличии
Склад Адрес Контакт Остатки
г. Бобруйск ул. Гоголя, 181/1-6 +375 (29) 630-05-01 ( Мало )
Схема проезда
г. Витебск ул. Правды, 33 +375 (44) 770-80-87 ( Мало )
Схема проезда
г. Жлобин ул. Козлова, 25 +375 (29) 346-06-78 ( Мало )
Схема проезда
Диск сцепления фрикционный (ведомый) 80-1601130-А БЗТДиА 80-1601130-А
Диск сцепления фрикционный (ведомый) 80-1601130-А БЗТДиА
Каталожный номер 80-1601130-А
Производитель БЗТДиА БЗТДиА
Код 00-ГР036020
Доставка по всей Беларуси
Доступность остатки на филиалах Остатки на филиалах
Остаток: г.Минск, ул.Селицкого 21к В наличии
Склад Адрес Контакт Остатки
г. Минск ул. Селицкого, 21к +375 (44) 770-80-78 ( Много )
Схема проезда
г. Бобруйск ул. Орловского, 22к3 +375 (29) 345-37-07 ( Мало )
Схема проезда
г. Гродно ул. Карского, 35 +375 (44) 770-70-21 ( Мало )
Схема проезда
г. Ивацевичи ул. Загородная, 6А +375 (29) 188-59-01 ( Мало )
Схема проезда
г. Полоцк-2 ул. Шенягина, 52 +375 (29) 302-94-73 ( Мало )
Схема проезда
Диск сцепления фрикционный (ведомый) 2022-1601130-А (с металлокерамической накладкой) БЗТДиА 2022-1601130-А
Диск сцепления фрикционный (ведомый) 2022-1601130-А (с металлокерамической накладкой) БЗТДиА
Каталожный номер 2022-1601130-А
Производитель БЗТДиА БЗТДиА
Код 00-ГР027558
Доставка по всей Беларуси
Доступность остатки на филиалах Остатки на филиалах
Остаток: г.Минск, ул.Селицкого 21к В наличии
Склад Адрес Контакт Остатки
г. Минск ул. Селицкого, 21к +375 (44) 770-80-78 ( Мало )
Схема проезда
Цилиндр сцепления 1523-1602550 рабочий (P2602) FENOX P2602
Цилиндр сцепления 1523-1602550 рабочий (P2602) FENOX
Каталожный номер P2602
Производитель FENOX FENOX
Код 00-ГР012633
Доставка по всей Беларуси
Доступность остатки на филиалах Остатки на филиалах
Остаток: г.Минск, ул.Селицкого 21к В наличии
Склад Адрес Контакт Остатки
г. Минск ул. Селицкого, 21к +375 (44) 770-80-78 ( Много )
Схема проезда
г. Берёза ул. Красноармейская, 89/11 +375 (29) 676-70-71 ( Мало )
Схема проезда
г. Глубокое ул. Энгельса, 22 +375 (44) 505-71-40 ( Мало )
Схема проезда
г. Дрогичин ул. Юбилейная, 42 +375 (29) 682-17-13 ( Мало )
Схема проезда
г. Житковичи ул. Комсомольская, 49 +375 (29) 394-82-52 ( Средне )
Схема проезда
г. Ивацевичи ул. Загородная, 6А +375 (29) 188-59-01 ( Мало )
Схема проезда
г. Лельчицы ул. Советская, д.96/1 +375 (29) 346-98-96 ( Мало )
Схема проезда
г. Несвиж ул. Кутузова, 2 +375 (29) 394-82-48 ( Средне )
Схема проезда
г. Новогрудок ул. Индустриальная, 3 +375 (44) 729-39-19 ( Мало )
Схема проезда
г. Орша ул. Сергея Кирова, д. 34 +375 (44) 583-91-42 ( Средне )
Схема проезда
г. Петриков ул. Первомайская, 124 +375 (33) 660-06-75 ( Мало )
Схема проезда
г. Полоцк-2 ул. Шенягина, 52 +375 (29) 302-94-73 ( Мало )
Схема проезда
г. Полоцк-2 ул. Шенягина, 52 +375 (29) 302-94-73 ( Мало )
Схема проезда
г. Поставы ул. Советская, 69 +375 (44) 770-80-13 ( Средне )
Схема проезда
г. Слоним ул. Советская, 93а +375 (29) 394-82-01 ( Мало )
Схема проезда
г. Сморгонь ул. Железнодорожная, 32 +375 (29) 671-02-10 ( Мало )
Схема проезда
г. Солигорск Чижевичский сельсовет, 3Г +375 (29) 899-58-52 ( Средне )
Схема проезда
Гидроусилитель 80-1602510 (USC003) FENOX USC003
Гидроусилитель 80-1602510 (USC003) FENOX
Каталожный номер USC003
Производитель FENOX FENOX
Код 00-ГР012891
Доставка по всей Беларуси
Доступность остатки на филиалах Остатки на филиалах
Остаток: г.Минск, ул.Селицкого 21к В наличии
Склад Адрес Контакт Остатки
г. Минск ул. Селицкого, 21к +375 (44) 770-80-78 ( Средне )
Схема проезда
г. Дрогичин ул. Юбилейная, 42 +375 (29) 682-17-13 ( Мало )
Схема проезда
г. Новогрудок ул. Индустриальная, 3 +375 (44) 729-39-19 ( Мало )
Схема проезда
г. Полоцк-2 ул. Шенягина, 52 +375 (29) 302-94-73 ( Мало )
Схема проезда
г. Солигорск Чижевичский сельсовет, 3Г +375 (29) 899-58-52 ( Мало )
Схема проезда
г. Столин ул. Быковского, 29 +375 (33) 304-54-36 ( Мало )
Схема проезда
Вал ведущий ВОМ 70-1601026 AE АГРОТЭК 70-1601026 AE
Вал ведущий ВОМ 70-1601026 AE АГРОТЭК
Каталожный номер 70-1601026 AE
Производитель АГРОТЭК АГРОТЭК
Код 00-ГР034660
Доставка по всей Беларуси
Доступность остатки на филиалах Остатки на филиалах
Остаток Под заказ
Цилиндр сцепления 1523-1602550 рабочий ПРАМО 1523-1602550
Цилиндр сцепления 1523-1602550 рабочий ПРАМО
Каталожный номер 1523-1602550
Производитель ПРАМО ПРАМО
Код 00-ГР033219
Доставка по всей Беларуси
Доступность остатки на филиалах Остатки на филиалах
Остаток: г.Минск, ул.Селицкого 21к В наличии
Склад Адрес Контакт Остатки
г. Минск ул. Селицкого, 21к +375 (44) 770-80-78 ( Средне )
Схема проезда
г. Борисов ул. Демина, 2а +375 (44) 560-99-75 ( Мало )
Схема проезда
г. Жлобин ул. Козлова, 25 +375 (29) 346-06-78 ( Мало )
Схема проезда
г. Ивацевичи ул. Загородная, 6А +375 (29) 188-59-01 ( Мало )
Схема проезда
г. Кричев ул. Комсомольская, 126 +375 (29) 628-88-42 ( Мало )
Схема проезда
г. Лельчицы ул. Советская, д.96/1 +375 (29) 346-98-96 ( Мало )
Схема проезда
г. Ошмяны ул. Льнозоводская 3 +375 (44) 770-80-91 ( Мало )
Схема проезда
г. Пинск ул. Калиновского 32 +375 (44) 560-99-59 ( Мало )
Схема проезда
г. Солигорск Чижевичский сельсовет, 3Г +375 (29) 899-58-52 ( Мало )
Схема проезда
г. Столин ул. Быковского, 29 +375 (33) 304-54-36 ( Мало )
Схема проезда