Республика Беларусь,
г. Минск, ул. Селицкого 21к - центральный склад
Пн-пт с 8:00 до 17:00
Меню
51-2913420-Б Прокладка дополнительной рессоры
Наименование: Прокладка 51-2913420-Б дополнительной рессоры
Каталожный номер: 51-2913420-Б
Производитель: RSTA
Код товара: 38213
Доставка: по всей Беларуси
Остаток: под заказ

Нашли не точность в описании товара? сообщить администратору.

+375 (44) 770-80-78 +375 (29) 747-80-78
* Выставить счет, получить техническую информацию и стоимость
Заказать деталь Онлайн
Описание
Наличие на филиалах
Применяемость
Заменить на СТО

Код для заказа: 38213

Марка Модель Кат.номер Наим. по каталогу Чертеж
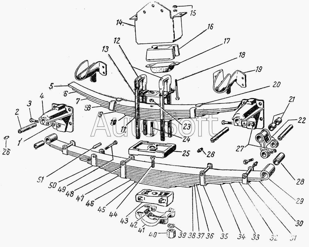
ГАЗ ГАЗ-2705 (ГАЗель) (2000) 3302-2913420 Прокладка Рессора задняя многолистовая, рессора дополнительная, крепление задних многолистовых рессор Чертеж Рессора задняя многолистовая, рессора дополнительная, крепление задних многолистовых рессор
ГАЗ ГАЗ-33027 (Дополнение) 33027-2913420 Подкладка задней рессоры Подвеска Чертеж Подвеска
ГАЗ ГАЗ-3306 (1994) 3306-2913420 Подкладка Подвеска задняя и дополнительная рессора Чертеж Подвеска задняя и дополнительная рессора
ГАЗ ГАЗ-3307 (2000) 51-2913420-Б Подкладка задней дополнительной рессоры Рессора задняя Чертеж Рессора задняя
ГАЗ ГАЗ-3309 51-2913420-Б Подкладка задней дополнительной рессоры Подвеска задняя, основные и дополнительные рессоры Чертеж Подвеска задняя, основные и дополнительные рессоры
ГАЗ ГАЗ-4301 4301-2913420 Подкладка дополнительной рессоры Подвеска задняя
ГАЗ ГАЗ-52-01 51-2913420-Б Подкладка задней дополнительной рессоры Задние и дополнительные рессоры Чертеж Задние и дополнительные рессоры
ГАЗ ГАЗ-52-02 51-2913420-Б Подкладка задней дополнительной рессоры Задние рессоры и задние дополнительные рессоры
ГАЗ ГАЗ-53 А (1989) 51-2913420-Б Подкладка задней дополнительной рессоры Задние рессоры и задние дополнительные рессоры Чертеж Задние рессоры и задние дополнительные рессоры
ГАЗ ГАЗ-51 (63, 63А) (1956) 51-2913420-А Прокладка задней дополнительной рессоры Задние и дополнительные рессоры
ГАЗ ГАЗ-3309 (Евро 2) (2008) 51-2913420-Б Подкладка задней дополнительной рессоры Установка задней подвески Чертеж Установка задней подвески
ГАЗ ГАЗ-5312 (2002) 51-2913420-Б Подкладка задней дополнительной рессоры Подвеска задняя
ГАЗ ГАЗ-51 (63, 93) (1960) 51-2913420-А Прокладка задней дополнительной рессоры Задние и дополнительные рессоры Чертеж Задние и дополнительные рессоры
ГАЗ ГАЗон NEXT C41R13-60 (2021) 51-2913420-Б Подкладка задней дополнительной рессоры С41R11-2910001 Установка задней подвески Чертеж  С41R11-2910001 Установка задней подвески
КАВЗ КАВЗ-685 (1971) 53-2913420 Подкладка задней дополнительной рессоры Задние и дополнительные рессоры и амортизаторы задней подвески Чертеж Задние и дополнительные рессоры и амортизаторы задней подвески
Товары из этой категории
Стремянка 3302-2912406-10 (RG3302-2912406-10) (к-т.2 шт.) задней рессоры (L=220мм) RIGINAL RG3302-2912406-10
Стремянка 3302-2912406-10 (RG3302-2912406-10) (к-т.2 шт.) задней рессоры (L=220мм) RIGINAL
Каталожный номер RG3302-2912406-10
Производитель RIGINAL RIGINAL
Код 00-ГР032623
Доставка по всей Беларуси
Доступность остатки на филиалах Остатки на филиалах
Остаток: г.Минск, ул.Селицкого 21к В наличии
Склад Адрес Контакт Остатки
г. Минск ул. Селицкого, 21к +375 (44) 770-80-78 ( Много )
Схема проезда
г. Гомель ул. Барыкина, 291Б +375 (44) 514-15-30 ( Мало )
Схема проезда
г. Новогрудок ул. Индустриальная, 3 +375 (44) 729-39-19 ( Мало )
Схема проезда
г. Пинск ул. Калиновского 32 +375 (44) 560-99-59 ( Мало )
Схема проезда
Лист №4 33104-2912104 задней рессоры ЧМЗ 33104-2912104
Лист №4 33104-2912104 задней рессоры ЧМЗ
Каталожный номер 33104-2912104
Производитель ЧМЗ ЧМЗ
Код 00-ГР038825
Доставка по всей Беларуси
Доступность остатки на филиалах Остатки на филиалах
Остаток Под заказ
Амортизатор 3302-2905006 (A21103C3) FENOX A21103C3
Амортизатор 3302-2905006 (A21103C3) FENOX
Каталожный номер A21103C3
Производитель FENOX FENOX
Код 00-ГР018383
Доставка по всей Беларуси
Доступность остатки на филиалах Остатки на филиалах
Остаток В наличии
Склад Адрес Контакт Остатки
г. Березино ул. Комсомольская, д. 24 +375 (44) 770-80-17 ( Мало )
Схема проезда
г. Брест Тельминский с/с, 1Д/1, 1 км южнее д. Тельмы-2 +375 (44) 599-90-75 ( Средне )
Схема проезда
г. Гомель ул. Барыкина, 291Б +375 (44) 514-15-30 ( Средне )
Схема проезда
г. Дятлово ул. Советская ,104 +375 (29) 187-87-37 ( Средне )
Схема проезда
г. Житковичи ул. Комсомольская, 49 +375 (29) 394-82-52 ( Средне )
Схема проезда
г. Лунинец ул.Красная, 175а +375 (44) 721-46-74 ( Мало )
Схема проезда
г. Петриков ул. Первомайская, 124 +375 (33) 660-06-75 ( Средне )
Схема проезда
г. Поставы ул. Советская, 69 +375 (44) 770-80-13 ( Средне )
Схема проезда
г. Пружаны ул. Макаренко, 21 +375 (29) 348-83-18 ( Средне )
Схема проезда
г. Слоним ул. Советская, 93а +375 (29) 394-82-01 ( Средне )
Схема проезда
Подушка штанги стабилизатора передняя ГАЗ-3309 3309-2906040-10
Подушка штанги стабилизатора передняя ГАЗ-3309
Каталожный номер 3309-2906040-10
Производитель RSTA RSTA
Код 35377
Доставка по всей Беларуси
Доступность остатки на филиалах Остатки на филиалах
Остаток: г.Минск, ул.Селицкого 21к В наличии
Склад Адрес Контакт Остатки
г. Минск ул. Селицкого, 21к +375 (44) 770-80-78 ( Средне )
Схема проезда
г. Барановичи ул. Пролетарская, 40 +375 (29) 795-96-37 ( Средне )
Схема проезда
г. Барановичи ул. Бадака, 27Б +375 (29) 350-33-47 ( Средне )
Схема проезда
г. Бобруйск ул. Орловского, 22к3 +375 (29) 345-37-07 ( Средне )
Схема проезда
г. Глубокое ул. Энгельса, 22 +375 (44) 505-71-40 ( Средне )
Схема проезда
г. Гомель ул. Барыкина, 291Б +375 (44) 514-15-30 ( Много )
Схема проезда
г. Гродно ул. Карского, 35 +375 (44) 770-70-21 ( Средне )
Схема проезда
г. Дятлово ул. Советская ,104 +375 (29) 187-87-37 ( Средне )
Схема проезда
г. Новогрудок ул. Индустриальная, 3 +375 (44) 729-39-19 ( Мало )
Схема проезда
г. Ошмяны ул. Льнозоводская 3 +375 (44) 770-80-91 ( Средне )
Схема проезда
г. Петриков ул. Первомайская, 124 +375 (33) 660-06-75 ( Средне )
Схема проезда
г. Полоцк-2 ул. Шенягина, 52 +375 (29) 302-94-73 ( Средне )
Схема проезда
г. Полоцк-2 ул. Шенягина, 52 +375 (29) 302-94-73 ( Мало )
Схема проезда
г. Слоним ул. Советская, 93а +375 (29) 394-82-01 ( Средне )
Схема проезда
Опора шаровая нижняя А21R23-2904314
Опора шаровая нижняя
Каталожный номер А21R23-2904314
Производитель ГАЗ ГАЗ
Код 39099
Доставка по всей Беларуси
Доступность остатки на филиалах Остатки на филиалах
Остаток: г.Минск, ул.Селицкого 21к В наличии
Склад Адрес Контакт Остатки
г. Минск ул. Селицкого, 21к +375 (44) 770-80-78 ( Средне )
Схема проезда