Республика Беларусь,
г. Минск, ул. Селицкого 21к - центральный склад
Пн-пт с 8:00 до 17:00
Меню
13-1007243-Б Прокладка уплотнительная
Наименование: Прокладка 13-1007243-Б уплотнительная
Каталожный номер: 13-1007243-Б
Производитель: ЯРТИ
Код товара: 16146
Доставка: по всей Беларуси
Остаток: в наличии

Нашли не точность в описании товара? сообщить администратору.

+375 (44) 770-80-78 +375 (29) 747-80-78
* Выставить счет, получить техническую информацию и стоимость
Заказать деталь Онлайн
Описание
Наличие на филиалах
Применяемость
Заменить на СТО

Прокладка 13-1007243-Б уплотнительная, 13-1007243-Б

  • Каталожный номер: 13-1007243-Б
  • Код товара  для заказа:  16146
Марка Модель Кат.номер Наим. по каталогу Чертеж
ГАЗ ГАЗ-3110 406.1007243 Втулка уплотнительная Клапаны и толкатели клапанов, крышка клапанов, катушки зажигания, провода и свечи, крышка маслоналивного патрубка двигателя ЗМЗ-4062.10
ГАЗ ГАЗ-3302 (ГАЗель) 406.1007243 Втулка уплотнительная Клапаны и толкатели клапанов, крышка маслоналивного патрубка, свечи, наконечники помехоподавительные и провода зажигания двигателей ЗМЗ 4061.10, ЗМЗ 4063.10, ЗМЗ 40637.10 Чертеж Клапаны и толкатели клапанов, крышка маслоналивного патрубка, свечи, наконечники помехоподавительные и провода зажигания двигателей ЗМЗ 4061.10, ЗМЗ 4063.10, ЗМЗ 40637.10
ГАЗ ГАЗ-2705 (ГАЗель) (2000) 406.1007243 Втулка уплотнительная Клапаны и толкатели клапанов, крышка клапанов, крышка маслоналивного патрубка, катушки зажигания, провода и свечи двигателей ЗМЗ-4061.10, ЗМЗ-4063.10 Чертеж Клапаны и толкатели клапанов, крышка клапанов, крышка маслоналивного патрубка, катушки зажигания, провода и свечи двигателей ЗМЗ-4061.10, ЗМЗ-4063.10
ГАЗ ГАЗ-2217 (Соболь) (1999) 406.1007243 Втулка уплотнительная Клапаны и толкатели клапанов, крышка клапанов, катушки зажигания, провода и свечи, крышка маслоналивного патрубка двигателя ЗМЗ-4063 Чертеж Клапаны и толкатели клапанов, крышка клапанов, катушки зажигания, провода и свечи, крышка маслоналивного патрубка двигателя ЗМЗ-4063
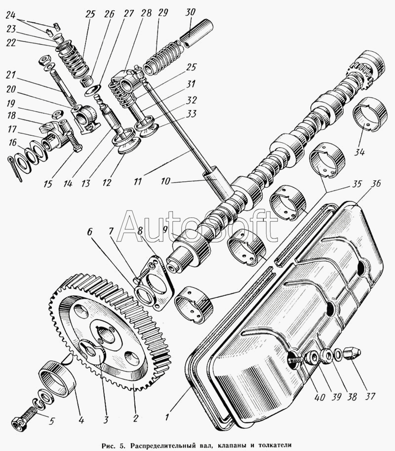
ГАЗ ГАЗ-3307 (2000) 13-1007243-Б Прокладка уплотнительная крышки коромысел Вал распределительный, клапаны и толкатели клапанов
ГАЗ ГАЗ-53 А (1989) 13-1007243-Б Прокладка уплотнительная крышки коромысел Распределительный вал, клапаны и толкатели Чертеж Распределительный вал, клапаны и толкатели
ГАЗ ГАЗ-66 (Каталог 1983 г.) (1983) 52-1007243 Буфер тяги крюка Крепление кабины
ГАЗ ГАЗ-66 (Каталог 1983 г.) (1983) 13-1007243-Б Прокладка уплотнительная крышки коромысел Распределительный вал, клапаны и толкатели
ГАЗ ГАЗ-66 (Каталог 1996 г.) (1996) 52-1007243 Буфер тяги крюка Крепление кабины
ГАЗ ГАЗ-66 (Каталог 1996 г.) (1996) 13-1007243-Б Прокладка уплотнительная крышки коромысел Вал распределительный, клапаны и толкатели клапанов двигателя Чертеж Вал распределительный, клапаны и толкатели клапанов двигателя
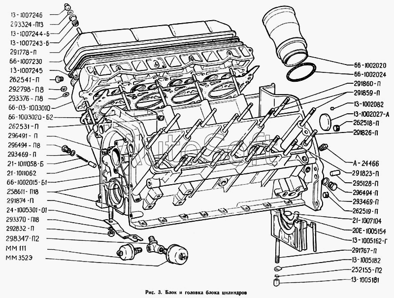
ГАЗ ГАЗ-71 13-1007243-Б Прокладка уплотнительная крышки коромысел Блок и головка блока цилиндров Чертеж Блок и головка блока цилиндров
ГАЗ ГАЗ-3302 (2004) (2004) 406.1007243 Втулка уплотнительная Газораспределительный механизм ЗМЗ-406 Чертеж Газораспределительный механизм ЗМЗ-406
ГАЗ ГАЗ-2705 (дв. ЗМЗ-402) (2006) 406.1007243 Втулка уплотнительная Клапаны и толкатели клапанов, крышка клапанов, крышка маслоналивного патрубка, катушки зажигания, провода и свечи двигателей ЗМЗ-406 Чертеж Клапаны и толкатели клапанов, крышка клапанов, крышка маслоналивного патрубка, катушки зажигания, провода и свечи двигателей ЗМЗ-406
ПАЗ ПАЗ-3205 (2001) 13-1007243-Б Прокладка крышки коромысел Газораспределительный механизм
ПАЗ ПАЗ-672М (1987) 13-1007243-Б Прокладка крышки коромысел Распределительный вал, клапаны и толкатели
ПАЗ ПАЗ-32053 (2004) 13-1007243-Б Прокладка крышки коромысел Блок цилиндров и головка блока цилиндров Чертеж Блок цилиндров и головка блока цилиндров
КАВЗ КАВЗ-685 (1971) 13-1007243-Б Прокладка крышки коромысел уплотнительная Распределительный вал, клапаны и толкатели Чертеж Распределительный вал, клапаны и толкатели
УАЗ УАЗ-31519 (2005) 406.1007243 Втулка уплотнительная Клапаны и толкатели
УАЗ УАЗ Patriot (2005) 406.1007243 Втулка уплотнительная Клапаны и толкатели клапанов двигателя
УАЗ UAZ Patriot (2007) 406.1007243 Втулка уплотнительная Клапаны и толкатели клапанов двигателя Чертеж Клапаны и толкатели клапанов двигателя
Склад Адрес Контакт Остатки
г. Минск ул. Селицкого, 21к +375 (44) 770-80-78 ( Много )
Схема проезда
г. Барановичи ул. Пролетарская, 40 +375 (29) 795-96-37 ( Средне )
Схема проезда
г. Брест Тельминский с/с, 1Д/1, 1 км южнее д. Тельмы-2 +375 (44) 599-90-75 ( Средне )
Схема проезда
г. Витебск ул. Правды, 33 +375 (44) 770-80-87 ( Много )
Схема проезда
г. Гродно ул. Карского, 35 +375 (44) 770-70-21 ( Много )
Схема проезда
г. Осиповичи ул. Короткая, 11 +375 (29) 165-60-07 ( Много )
Схема проезда
г. Ошмяны ул. Льнозоводская 3 +375 (44) 770-80-91 ( Средне )
Схема проезда
г. Полоцк-2 ул. Шенягина, 52 +375 (29) 302-94-73 ( Средне )
Схема проезда
г. Полоцк-2 ул. Шенягина, 52 +375 (29) 302-94-73 ( Средне )
Схема проезда
г. Сморгонь ул. Железнодорожная, 32 +375 (29) 671-02-10 ( Средне )
Схема проезда
г. Барановичи ул. Бадака, 27Б +375 (29) 350-33-47 Под заказ
Схема проезда
г. Берёза ул. Красноармейская, 89/11 +375 (29) 676-70-71 Под заказ
Схема проезда
г. Березино ул. Комсомольская, д. 24 +375 (44) 770-80-17 Под заказ
Схема проезда
г. Бобруйск ул. Орловского, 22к3 +375 (29) 345-37-07 Под заказ
Схема проезда
г. Бобруйск ул. Гоголя, 181/1-6 +375 (29) 630-05-01 Под заказ
Схема проезда
г. Борисов ул. Демина, 2а +375 (44) 560-99-75 Под заказ
Схема проезда
г. Витебск ул. Петруся Бровки, 34 +375 (29) 636-25-08 Под заказ
Схема проезда
г. Глубокое ул. Энгельса, 22 +375 (44) 505-71-40 Под заказ
Схема проезда
г. Гомель ул. Барыкина, 291Б +375 (44) 514-15-30 Под заказ
Схема проезда
г. Гомель ул. Текстильная, 10 +375 (44) 540-02-05 Под заказ
Схема проезда
г. Горки ул.Мира, д.51а/1 +375 (44) 565-33-61 Под заказ
Схема проезда
г. Дрогичин ул. Юбилейная, 42 +375 (29) 682-17-13 Под заказ
Схема проезда
г. Дятлово ул. Советская ,104 +375 (29) 187-87-37 Под заказ
Схема проезда
г. Житковичи ул. Комсомольская, 49 +375 (29) 394-82-52 Под заказ
Схема проезда
г. Жлобин ул. Козлова, 25 +375 (29) 346-06-78 Под заказ
Схема проезда
г. Ивацевичи ул. Загородная, 6А +375 (29) 188-59-01 Под заказ
Схема проезда
г. Кобрин ул. Пролетарская, 177А +375 (44) 588-10-80 Под заказ
Схема проезда
г. Кричев ул. Комсомольская, 126 +375 (29) 628-88-42 Под заказ
Схема проезда
г. Лельчицы ул. Советская, д.96/1 +375 (29) 346-98-96 Под заказ
Схема проезда
г. Лепель ул. Лобанка, 43 +375 (44) 778-65-21 Под заказ
Схема проезда
г. Лида ул. Качана, 7 +375 (29) 612-60-61 Под заказ
Схема проезда
г. Лунинец ул.Красная, 175а +375 (44) 721-46-74 Под заказ
Схема проезда
г. Минск ул. Бабушкина, 37 +375 (29) 632-00-82 Под заказ
Схема проезда
г. Могилев ул. Габровская 11Б +375 (29) 662-02-16 Под заказ
Схема проезда
г. Мозырь промузел Козенки +375 (44) 731-94-60 Под заказ
Схема проезда
г. Молодечно ул. Галицкого, 14 +375 (44) 567-28-47 Под заказ
Схема проезда
г. Несвиж ул. Кутузова, 2 +375 (29) 394-82-48 Под заказ
Схема проезда
г. Новогрудок ул. Индустриальная, 3 +375 (44) 729-39-19 Под заказ
Схема проезда
г. Орша ул. Сергея Кирова, д. 34 +375 (44) 583-91-42 Под заказ
Схема проезда
г. Петриков ул. Первомайская, 124 +375 (33) 660-06-75 Под заказ
Схема проезда
г. Пинск ул. Калиновского 32 +375 (44) 560-99-59 Под заказ
Схема проезда
г. Полоцк ул. Пролетарская, 6 +375 (29) 644-57-58 Под заказ
Схема проезда
г. Полоцк ул. Строительная, 30Б +375 (29) 302-97-91 Под заказ
Схема проезда
г. Поставы ул. Советская, 69 +375 (44) 770-80-13 Под заказ
Схема проезда
г. Пружаны ул. Макаренко, 21 +375 (29) 348-83-18 Под заказ
Схема проезда
г. Слоним ул. Советская, 93а +375 (29) 394-82-01 Под заказ
Схема проезда
г. Слуцк ул. Тутаринова, 8 +375 (29) 346-06-90 Под заказ
Схема проезда
г. Солигорск Чижевичский сельсовет, 3Г +375 (29) 899-58-52 Под заказ
Схема проезда
г. Столин ул. Быковского, 29 +375 (33) 304-54-36 Под заказ
Схема проезда
г. Щучин ул. Советская, 39 +375 (29) 177-29-70 Под заказ
Схема проезда
Товары из этой категории
К-т прокладок двигателя УМЗ Евро-3 4216-3906022-88
К-т прокладок двигателя УМЗ Евро-3
Каталожный номер 4216-3906022-88
Производитель ФАРЕР ФАРЕР
Код 33080
Доставка по всей Беларуси
Доступность остатки на филиалах Остатки на филиалах
Остаток: г.Минск, ул.Селицкого 21к В наличии
Склад Адрес Контакт Остатки
г. Минск ул. Селицкого, 21к +375 (44) 770-80-78 ( Много )
Схема проезда
г. Барановичи ул. Бадака, 27Б +375 (29) 350-33-47 ( Мало )
Схема проезда
г. Березино ул. Комсомольская, д. 24 +375 (44) 770-80-17 ( Мало )
Схема проезда
г. Бобруйск ул. Орловского, 22к3 +375 (29) 345-37-07 ( Мало )
Схема проезда
г. Борисов ул. Демина, 2а +375 (44) 560-99-75 ( Мало )
Схема проезда
г. Брест Тельминский с/с, 1Д/1, 1 км южнее д. Тельмы-2 +375 (44) 599-90-75 ( Мало )
Схема проезда
г. Витебск ул. Правды, 33 +375 (44) 770-80-87 ( Мало )
Схема проезда
г. Витебск ул. Петруся Бровки, 34 +375 (29) 636-25-08 ( Мало )
Схема проезда
г. Гомель ул. Барыкина, 291Б +375 (44) 514-15-30 ( Мало )
Схема проезда
г. Гомель ул. Барыкина, 291Б +375 (44) 514-15-30 ( Мало )
Схема проезда
г. Горки ул.Мира, д.51а/1 +375 (44) 565-33-61 ( Мало )
Схема проезда
г. Гродно ул. Карского, 35 +375 (44) 770-70-21 ( Средне )
Схема проезда
г. Ивацевичи ул. Загородная, 6А +375 (29) 188-59-01 ( Мало )
Схема проезда
г. Кричев ул. Комсомольская, 126 +375 (29) 628-88-42 ( Средне )
Схема проезда
г. Лунинец ул.Красная, 175а +375 (44) 721-46-74 ( Мало )
Схема проезда
г. Мозырь промузел Козенки +375 (44) 731-94-60 ( Мало )
Схема проезда
г. Молодечно ул. Галицкого, 14 +375 (44) 567-28-47 ( Мало )
Схема проезда
г. Новогрудок ул. Индустриальная, 3 +375 (44) 729-39-19 ( Мало )
Схема проезда
г. Осиповичи ул. Короткая, 11 +375 (29) 165-60-07 ( Мало )
Схема проезда
г. Ошмяны ул. Льнозоводская 3 +375 (44) 770-80-91 ( Мало )
Схема проезда
г. Полоцк-2 ул. Шенягина, 52 +375 (29) 302-94-73 ( Мало )
Схема проезда
г. Полоцк-2 ул. Шенягина, 52 +375 (29) 302-94-73 ( Мало )
Схема проезда
г. Поставы ул. Советская, 69 +375 (44) 770-80-13 ( Мало )
Схема проезда
г. Пружаны ул. Макаренко, 21 +375 (29) 348-83-18 ( Мало )
Схема проезда
г. Слоним ул. Советская, 93а +375 (29) 394-82-01 ( Мало )
Схема проезда
г. Сморгонь ул. Железнодорожная, 32 +375 (29) 671-02-10 ( Мало )
Схема проезда
Прокладка коллектора выпускного 4216-1008080
Прокладка коллектора выпускного
Каталожный номер 4216-1008080
Производитель RSTA RSTA
Код 29684
Доставка по всей Беларуси
Доступность остатки на филиалах Остатки на филиалах
Остаток: г.Минск, ул.Селицкого 21к В наличии
Склад Адрес Контакт Остатки
г. Минск ул. Селицкого, 21к +375 (44) 770-80-78 ( Средне )
Схема проезда
г. Барановичи ул. Бадака, 27Б +375 (29) 350-33-47 ( Мало )
Схема проезда
г. Березино ул. Комсомольская, д. 24 +375 (44) 770-80-17 ( Мало )
Схема проезда
г. Гомель ул. Барыкина, 291Б +375 (44) 514-15-30 ( Средне )
Схема проезда
г. Кобрин ул. Пролетарская, 177А +375 (44) 588-10-80 ( Мало )
Схема проезда
г. Новогрудок ул. Индустриальная, 3 +375 (44) 729-39-19 ( Мало )
Схема проезда
г. Осиповичи ул. Короткая, 11 +375 (29) 165-60-07 ( Средне )
Схема проезда
г. Ошмяны ул. Льнозоводская 3 +375 (44) 770-80-91 ( Средне )
Схема проезда
г. Полоцк-2 ул. Шенягина, 52 +375 (29) 302-94-73 ( Мало )
Схема проезда
г. Сморгонь ул. Железнодорожная, 32 +375 (29) 671-02-10 ( Мало )
Схема проезда
г. Щучин ул. Советская, 39 +375 (29) 177-29-70 ( Мало )
Схема проезда
Колпачок маслосъемный (комплект 16шт) 406-1007026
Колпачок маслосъемный (комплект 16шт)
Каталожный номер 406-1007026
Производитель RSTA RSTA
Код 18190
Доставка по всей Беларуси
Доступность остатки на филиалах Остатки на филиалах
Остаток: г.Минск, ул.Селицкого 21к В наличии
Склад Адрес Контакт Остатки
г. Минск ул. Селицкого, 21к +375 (44) 770-80-78 ( Мало )
Схема проезда
г. Бобруйск ул. Орловского, 22к3 +375 (29) 345-37-07 ( Мало )
Схема проезда
г. Гомель ул. Барыкина, 291Б +375 (44) 514-15-30 ( Средне )
Схема проезда
г. Горки ул.Мира, д.51а/1 +375 (44) 565-33-61 ( Мало )
Схема проезда
г. Гродно ул. Карского, 35 +375 (44) 770-70-21 ( Мало )
Схема проезда
г. Дятлово ул. Советская ,104 +375 (29) 187-87-37 ( Мало )
Схема проезда
г. Житковичи ул. Комсомольская, 49 +375 (29) 394-82-52 ( Мало )
Схема проезда
г. Новогрудок ул. Индустриальная, 3 +375 (44) 729-39-19 ( Мало )
Схема проезда
г. Осиповичи ул. Короткая, 11 +375 (29) 165-60-07 ( Мало )
Схема проезда
г. Полоцк-2 ул. Шенягина, 52 +375 (29) 302-94-73 ( Мало )
Схема проезда
г. Полоцк-2 ул. Шенягина, 52 +375 (29) 302-94-73 ( Мало )
Схема проезда
г. Слоним ул. Советская, 93а +375 (29) 394-82-01 ( Мало )
Схема проезда
г. Сморгонь ул. Железнодорожная, 32 +375 (29) 671-02-10 ( Средне )
Схема проезда
г. Столин ул. Быковского, 29 +375 (33) 304-54-36 ( Мало )
Схема проезда
г. Щучин ул. Советская, 39 +375 (29) 177-29-70 ( Мало )
Схема проезда
Привод распределителя 13-1016010-02
Привод распределителя
Каталожный номер 13-1016010-02
Производитель Промикс Промикс
Код 12231
Доставка по всей Беларуси
Доступность остатки на филиалах Остатки на филиалах
Остаток: г.Минск, ул.Селицкого 21к В наличии
Склад Адрес Контакт Остатки
г. Минск ул. Селицкого, 21к +375 (44) 770-80-78 ( Мало )
Схема проезда
г. Гродно ул. Карского, 35 +375 (44) 770-70-21 ( Мало )
Схема проезда
г. Дятлово ул. Советская ,104 +375 (29) 187-87-37 ( Мало )
Схема проезда
г. Слоним ул. Советская, 93а +375 (29) 394-82-01 ( Мало )
Схема проезда
Вкладыш коренной (0,5) 24-1000102-31
Вкладыш коренной (0,5)
Каталожный номер 24-1000102-31
Производитель Дайдо Дайдо
Код 10842
Доставка по всей Беларуси
Доступность остатки на филиалах Остатки на филиалах
Остаток: г.Минск, ул.Селицкого 21к В наличии
Склад Адрес Контакт Остатки
г. Минск ул. Селицкого, 21к +375 (44) 770-80-78 ( Средне )
Схема проезда