2108-1103010 Пробка бензобака с ключом нового образца ГАЗ-3302
| Наименование: | Пробка 2108-1103010 бензобака с ключом нового образца ГАЗ-3302 |
| Каталожный номер: | 2108-1103010 |
| Производитель: |
|
| Код товара: | 29631 |
| Доставка: | по всей Беларуси |
| Остаток: | в наличии |
Нашли не точность в описании товара? сообщить администратору.
* Выставить счет, получить техническую информацию и стоимость
Заказать деталь Онлайн
Описание
Наличие на филиалах
Применяемость
Заменить на СТО
Email
ras.Drenchik@gmail.com
Email
ras.Drobot@gmail.com
Email
ras.Rozhkov@gmail.com
Email
los.Konoda@gmail.com
Email
ras.titenkova@gmail.com
Email
ras.Abramovich@gmail.com
Email
pinsk.sto@gmail.com
Email
sto.Polock@snabavto.by
Ширина, м: 0.06
Высота, м: 0.06
Длина, м: 0.05
Вес, кг: 0.075
Код для заказа: 29631
| Марка | Модель | Кат.номер | Наим. по каталогу | Чертеж | |
|---|---|---|---|---|---|
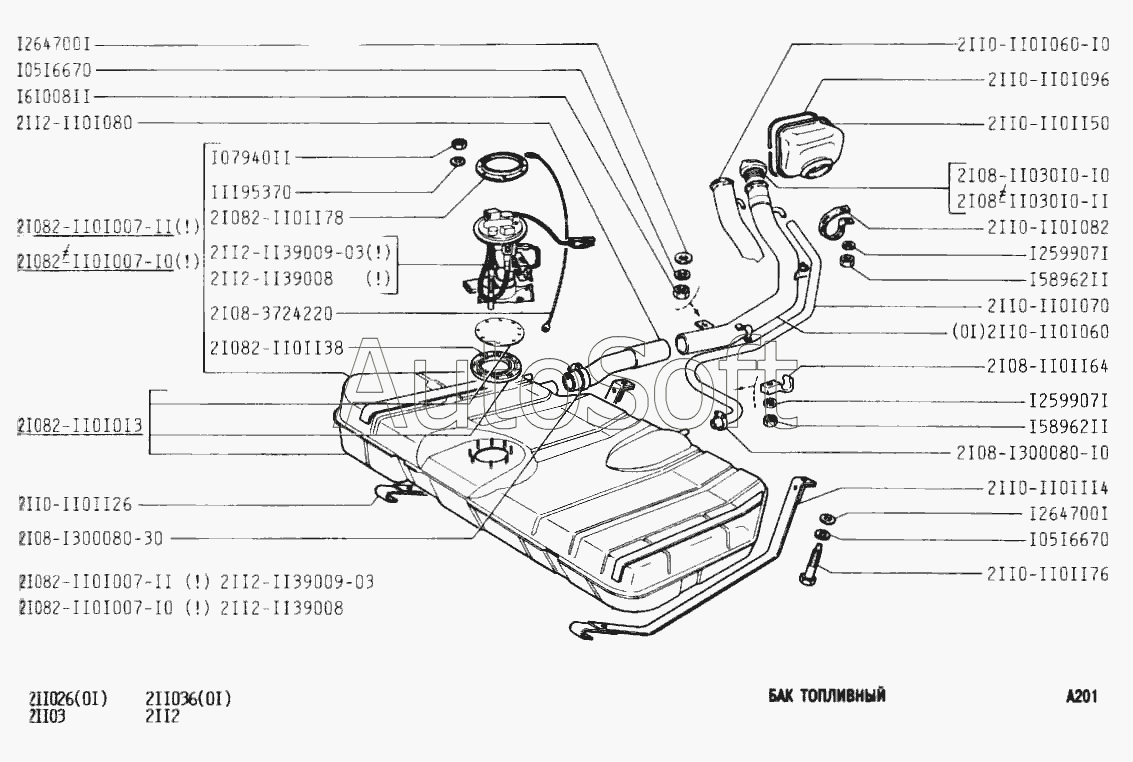
| ВАЗ | ВАЗ-2108 | 2108-1103010 | Пробка бака | Бак топливный |
|
| ВАЗ | ВАЗ-2108 | 2108-1103010-10 | Пробка бака | Бак топливный |
|
| ВАЗ | ВАЗ-2108 | 2108-1103010-11 | Пробка топливного бака | Бак топливный |
|
| ВАЗ | ВАЗ-2108 | 2108-1103010 | Пробка бака | Бак топливный (пластмассовый) | |
| ВАЗ | ВАЗ-2108 | 2108-1103010-10 | Пробка бака | Бак топливный (пластмассовый) | |
| ВАЗ | ВАЗ-2108 | 2108-1103010 | Пробка бака | Бак топливный | |
| ВАЗ | ВАЗ-2108 | 2108-1103010-10 | Пробка бака | Бак топливный | |
| ВАЗ | ВАЗ-2108 | 2108-1103010-11 | Пробка топливного бака | Бак топливный | |
| ВАЗ | ВАЗ-2109 (1991) | 2108-1103010 | Пробка бака | Бак топливный | |
| ВАЗ | ВАЗ-2109 (1991) | 2108-1103010-10 | Пробка бака | Бак топливный | |
| ВАЗ | ВАЗ-2109 (1991) | 2108-1103010 | Пробка бака | Бак топливный (пластмассовый) | |
| ВАЗ | ВАЗ-2109 (1991) | 2108-1103010-10 | Пробка бака | Бак топливный (пластмассовый) | |
| ВАЗ | ВАЗ-21099 | 2108-1103010 | Пробка бака | Бак топливный |
|
| ВАЗ | ВАЗ-21099 | 2108-1103010-10 | Пробка бака | Бак топливный |
|
| ВАЗ | ВАЗ-21099 | 2108-1103010 | Пробка бака | Бак топливный (пластмассовый) |
|
| ВАЗ | ВАЗ-21099 | 2108-1103010-10 | Пробка бака | Бак топливный (пластмассовый) |
|
| ВАЗ | ВАЗ-2110 | 2108-1103010-10 | Пробка бака | Бак топливный |
|
| ВАЗ | ВАЗ-2110 | 2108-1103010-11 | Пробка топливного бака | Бак топливный |
|
| ВАЗ | ВАЗ-2110 | 2108-1103010-10 | Пробка бака | Бак топливный |
|
| ВАЗ | ВАЗ-2110 | 2108-1103010-11 | Пробка топливного бака | Бак топливный |
|
| Склад | Адрес | Контакт | Остатки | |
|---|---|---|---|---|
| г. Минск | ул. Селицкого, 21к | +375 (44) 770-80-78 |
( Много )
|
Схема проезда |
| г. Барановичи | ул. Пролетарская, 40 | +375 (29) 795-96-37 |
( Мало )
|
Схема проезда |
| г. Барановичи | ул. Бадака, 27Б | +375 (29) 350-33-47 |
( Мало )
|
Схема проезда |
| г. Березино | ул. Комсомольская, д. 24 | +375 (44) 770-80-17 |
( Мало )
|
Схема проезда |
| г. Бобруйск | ул. Гоголя, 181/1-6 | +375 (29) 630-05-01 |
( Средне )
|
Схема проезда |
| г. Бобруйск | ул. Орловского, 22к3 | +375 (29) 345-37-07 |
( Мало )
|
Схема проезда |
| г. Борисов | ул. Демина, 2а | +375 (44) 560-99-75 |
( Мало )
|
Схема проезда |
| г. Витебск | ул. Правды, 33 | +375 (44) 770-80-87 |
( Средне )
|
Схема проезда |
| г. Глубокое | ул. Энгельса, 22 | +375 (44) 505-71-40 |
( Мало )
|
Схема проезда |
| г. Гомель | ул. Барыкина, 291Б | +375 (44) 514-15-30 |
( Средне )
|
Схема проезда |
| г. Гомель | ул. Барыкина, 291Б | +375 (44) 514-15-30 |
( Мало )
|
Схема проезда |
| г. Горки | ул.Мира, д.51а/1 | +375 (44) 565-33-61 |
( Мало )
|
Схема проезда |
| г. Гродно | ул. Карского, 35 | +375 (44) 770-70-21 |
( Средне )
|
Схема проезда |
| г. Дрогичин | ул. Юбилейная, 42 | +375 (29) 682-17-13 |
( Мало )
|
Схема проезда |
| г. Житковичи | ул. Комсомольская, 49 | +375 (29) 394-82-52 |
( Мало )
|
Схема проезда |
| г. Ивацевичи | ул. Загородная, 6А | +375 (29) 188-59-01 |
( Мало )
|
Схема проезда |
| г. Кобрин | ул. Пролетарская, 177А | +375 (44) 588-10-80 |
( Мало )
|
Схема проезда |
| г. Кричев | ул. Комсомольская, 126 | +375 (29) 628-88-42 |
( Мало )
|
Схема проезда |
| г. Лельчицы | ул. Советская, д.96/1 | +375 (29) 346-98-96 |
( Мало )
|
Схема проезда |
| г. Могилев | ул. Габровская 11Б | +375 (29) 662-02-16 |
( Мало )
|
Схема проезда |
| г. Мозырь | промузел Козенки | +375 (44) 731-94-60 |
( Мало )
|
Схема проезда |
| г. Молодечно | ул. Галицкого, 14 | +375 (44) 567-28-47 |
( Средне )
|
Схема проезда |
| г. Несвиж | ул. Кутузова, 2 | +375 (29) 394-82-48 |
( Мало )
|
Схема проезда |
| г. Новогрудок | ул. Индустриальная, 3 | +375 (44) 729-39-19 |
( Мало )
|
Схема проезда |
| г. Орша | ул. Сергея Кирова, д. 34 | +375 (44) 583-91-42 |
( Мало )
|
Схема проезда |
| г. Ошмяны | ул. Льнозоводская 3 | +375 (44) 770-80-91 |
( Мало )
|
Схема проезда |
| г. Полоцк-2 | ул. Шенягина, 52 | +375 (29) 302-94-73 |
( Мало )
|
Схема проезда |
| г. Полоцк-2 | ул. Шенягина, 52 | +375 (29) 302-94-73 |
( Мало )
|
Схема проезда |
| г. Поставы | ул. Советская, 69 | +375 (44) 770-80-13 |
( Мало )
|
Схема проезда |
| г. Пружаны | ул. Макаренко, 21 | +375 (29) 348-83-18 |
( Мало )
|
Схема проезда |
| г. Слоним | ул. Советская, 93а | +375 (29) 394-82-01 |
( Средне )
|
Схема проезда |
| г. Солигорск | Чижевичский сельсовет, 3Г | +375 (29) 899-58-52 |
( Мало )
|
Схема проезда |
| г. Столин | ул. Быковского, 29 | +375 (33) 304-54-36 |
( Мало )
|
Схема проезда |
| г. Щучин | ул. Советская, 39 | +375 (29) 177-29-70 |
( Мало )
|
Схема проезда |
| г. Берёза | ул. Красноармейская, 89/11 | +375 (29) 676-70-71 |
Под заказ
|
Схема проезда |
| г. Брест | Тельминский с/с, 1Д/1, 1 км южнее д. Тельмы-2 | +375 (44) 599-90-75 |
Под заказ
|
Схема проезда |
| г. Витебск | ул. Петруся Бровки, 34 | +375 (29) 636-25-08 |
Под заказ
|
Схема проезда |
| г. Гомель | ул. Текстильная, 10 | +375 (44) 540-02-05 |
Под заказ
|
Схема проезда |
| г. Дятлово | ул. Советская ,104 | +375 (29) 187-87-37 |
Под заказ
|
Схема проезда |
| г. Жлобин | ул. Козлова, 25 | +375 (29) 346-06-78 |
Под заказ
|
Схема проезда |
| г. Лепель | ул. Лобанка, 43 | +375 (44) 778-65-21 |
Под заказ
|
Схема проезда |
| г. Лида | ул. Качана, 7 | +375 (29) 612-60-61 |
Под заказ
|
Схема проезда |
| г. Лунинец | ул.Красная, 175а | +375 (44) 721-46-74 |
Под заказ
|
Схема проезда |
| г. Минск | ул. Бабушкина, 37 | +375 (29) 632-00-82 |
Под заказ
|
Схема проезда |
| г. Осиповичи | ул. Короткая, 11 | +375 (29) 165-60-07 |
Под заказ
|
Схема проезда |
| г. Петриков | ул. Первомайская, 124 | +375 (33) 660-06-75 |
Под заказ
|
Схема проезда |
| г. Пинск | ул. Калиновского 32 | +375 (44) 560-99-59 |
Под заказ
|
Схема проезда |
| г. Полоцк | ул. Пролетарская, 6 | +375 (29) 644-57-58 |
Под заказ
|
Схема проезда |
| г. Полоцк | ул. Строительная, 30Б | +375 (29) 302-97-91 |
Под заказ
|
Схема проезда |
| г. Слуцк | ул. Тутаринова, 8 | +375 (29) 346-06-90 |
Под заказ
|
Схема проезда |
| г. Сморгонь | ул. Железнодорожная, 32 | +375 (29) 671-02-10 |
Под заказ
|
Схема проезда |
Аналоги
| Пробка 2108-1103010 топливного бака | |
| Каталожный номер | 2108-1103010 |
| Производитель |
|
| Код | 00-ГР003799 |
| Доставка | по всей Беларуси |
| Доступность | остатки на филиалах |
| Остаток | Под заказ |
Политика обработки файлов cookie
На сайте snabavto.by используются файлы cookie для сбора обезличенной информации о пользователях. Это помогает нам анализировать статистику, совершенствовать сервис и делать его более удобным для вас. Подробнее о файлах cookie вы можете узнать в соответствующем разделе Политики обработки файлов cookie.
Ремавтоснаб