Республика Беларусь,
г. Минск, ул. Селицкого 21к - центральный склад
Пн-пт с 8:00 до 17:00
Меню
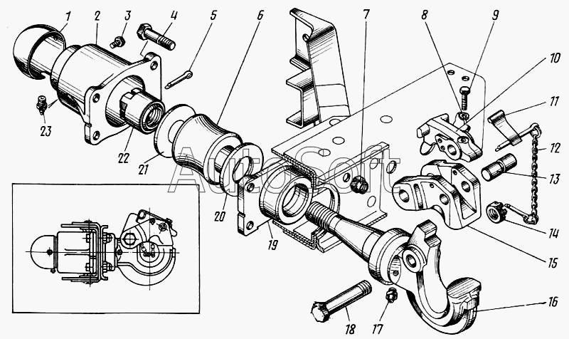
4310-2707210 Прибор буксирный в сборе
Наименование: Прибор буксирный 4310-2707210 в сборе
Каталожный номер: 4310-2707210
Производитель: КАМАЗ
Код товара: 00-ГР019397
Доставка: по всей Беларуси
Остаток: под заказ

Нашли не точность в описании товара? сообщить администратору.

+375 (44) 770-80-78 +375 (29) 747-80-78
* Выставить счет, получить техническую информацию и стоимость
Заказать деталь Онлайн
Описание
Наличие на филиалах
Применяемость
Заменить на СТО

Прибор буксирный 4310-2707210 в сборе производства КАМАЗ (РФ), Код для заказа: 00-ГР019397

Марка Модель Кат.номер Наим. по каталогу Чертеж
Камский автозавод 4310 4310-2707210 Прибор буксирный в сборе Устройство тягово-сцепное. Подгруппа 2707 Чертеж Устройство тягово-сцепное. Подгруппа 2707
Камский автозавод 43101 4310-2707235 Корпус в сборе Прибор буксирный в сборе 4310-2707210 Чертеж Прибор буксирный в сборе 4310-2707210
Камский автозавод 43101 4310-2707210 Прибор буксирный в сборе Прибор буксирный в сборе 4310-2707210 Чертеж Прибор буксирный в сборе 4310-2707210
Камский автозавод 43101 4310-2707237 Корпус прибора Прибор буксирный в сборе 4310-2707210 Чертеж Прибор буксирный в сборе 4310-2707210
Камский автозавод 43101 4310-2707241 Крышка корпуса Прибор буксирный в сборе 4310-2707210 Чертеж Прибор буксирный в сборе 4310-2707210
Камский автозавод 4310 4310-2707210 Прибор буксирный в сборе Устройство тягово-сцепное Чертеж Устройство тягово-сцепное
Камский автозавод 43114 4310-2707210 Прибор буксирный в сборе Установка буксирного прибора Чертеж Установка буксирного прибора
Камский автозавод 43118 (2002) 4310-2707210 Прибор буксирный в сборе Установка буксирного прибора Чертеж Установка буксирного прибора
Камский автозавод 4326 (2003г) 4310-2707210 Прибор буксирный в сборе Установка буксирного прибора Чертеж Установка буксирного прибора
Камский автозавод 43501 (4х4) (2007) 4310-2707210 Прибор буксирный в сборе 4310-2707210 Прибор буксирный в сборе
Камский автозавод 43501 (4х4) (2007) 5320-2707210 Прибор буксирный в сборе 4310-2707210 Прибор буксирный в сборе
Камский автозавод 43501 (4х4) (2007) 4310-2707235 Корпус в сборе 4310-2707210 Прибор буксирный в сборе
Камский автозавод 43501 (4х4) (2007) 4310-2707210 Прибор буксирный в сборе 43501-0000310 Автомобиль КАМАЗ-43501
Камский автозавод 43501 (4х4) (2007) 4310-2707210 Прибор буксирный в сборе 53501-0000310 Автомобиль КАМАЗ-53501
Камский автозавод 43501 (4х4) (2007) 4310-2707210 Прибор буксирный в сборе 63501-0001310 Автомобиль КАМАЗ-63501
Камский автозавод 4350 (4х4) (2004) 4310-2707210 Прибор буксирный в сборе 4310-2707210 Прибор буксирный в сборе Чертеж 4310-2707210 Прибор буксирный в сборе
Камский автозавод 4350 (4х4) (2004) 5320-2707210 Прибор буксирный в сборе 4310-2707210 Прибор буксирный в сборе Чертеж 4310-2707210 Прибор буксирный в сборе
Камский автозавод 4350 (4х4) (2004) 4310-2707235 Корпус в сборе 4310-2707210 Прибор буксирный в сборе Чертеж 4310-2707210 Прибор буксирный в сборе
Камский автозавод 4350 (4х4) (2004) 4310-2707210 Прибор буксирный в сборе 4350-0000310 Автомобиль КАМАЗ-4350 в сборе
Камский автозавод 4350 (4х4) (2004) 4310-2707210 Прибор буксирный в сборе 5350-0000310 Автомобиль КАМАЗ-5350 в сборе