Республика Беларусь,
г. Минск, ул. Селицкого 21к - центральный склад
Пн-пт с 8:00 до 17:00
Меню
35.3722.000-04 Предохранитель 20А АВАР,Санкт-Петербург
Наименование: Предохранитель 20А АВАР,Санкт-Петербург
Каталожный номер: 35.3722.000-04
Код товара: 35372200004
Доставка: по всей Беларуси
Остаток: под заказ 1-45 дней

Нашли не точность в описании товара? сообщить администратору.

+375 (44) 770-80-78 +375 (29) 747-80-78
* Выставить счет, получить техническую информацию и стоимость
Заказать деталь Онлайн
Описание
Наличие на филиалах
Применяемость
Заменить на СТО

35.3722.000-04 Предохранитель 20А.

  • Производитель: АВАР,Санкт-Петербург
  • Каталожный номер по заводу: 35.3722.000-04
  • Код для заказа:  35372200004
Марка Модель Кат.номер Наим. по каталогу Чертеж
ГАЗ ГАЗ-33027 (Дополнение) 35.3722.000 Предохранитель 35.3722 5А системы управления двигателем Электрооборудование Чертеж Электрооборудование
ГАЗ ГАЗ-33027 (Дополнение) 35.3722.000-02 Предохранитель 35.3722-02 10А системы управления двигателем Электрооборудование Чертеж Электрооборудование
ЛАЗ ЛАЗ 5252 29.3722.000 Предохранитель термобиметаллический 29.3722 Щит распределительный Чертеж Щит распределительный
ЛиАЗ ЛиАЗ 5256 11.3722.000 Блок плавких предохранителей 11.3722 (поз. F1) Электрооборудование Чертеж Электрооборудование
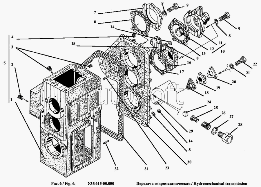
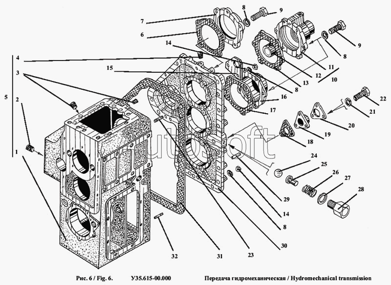
Амкодор Амкодор-333В (ТО-18Б3) Б12.000-10.3722 Шарик Передача гидромеханическая Чертеж Передача гидромеханическая
Амкодор Амкодор-333В (ТО-18Б3) Б12.000-10.3722 Шарик Передача гидромеханическая Чертеж Передача гидромеханическая
Амкодор Амкодор-333В (ТО-18Б3) Б7.000-5.3722 Шарик Механизм управления Чертеж Механизм управления
Амкодор Амкодор-333В (ТО-18Б3) Б12.000-10.3722 Шарик Клапан Чертеж Клапан
Амкодор Амкодор-342А (ТО-28А) Б12.000-10.3722 Шарик Передача гидромеханическая Чертеж Передача гидромеханическая
Амкодор Амкодор-342А (ТО-28А) Б12.000-10.3722 Шарик Передача гидромеханическая Чертеж Передача гидромеханическая
Амкодор Амкодор-342А (ТО-28А) Б7.000-5.3722 Шарик Механизм управления Чертеж Механизм управления
Амкодор Амкодор-342А (ТО-28А) Б12.000-10.3722 Шарик Клапан Чертеж Клапан
Амкодор Амкодор-9531 (ДЭ-226) (2006) Н18.256.3722 Шарик ДЭ-226.40.10.000 Система предпускового подогрева, охлаждения и смазки двигателя Чертеж ДЭ-226.40.10.000 Система предпускового подогрева, охлаждения и смазки двигателя
Амкодор Амкодор-9531 (ДЭ-226) (2006) Н18,256-60.3722 Шарик ДЭ-226.40.20.000 Система топливная Чертеж ДЭ-226.40.20.000 Система топливная
Амкодор Амкодор-9531 (ДЭ-226) (2006) 10.3722 Шарик ДЭ-226.45.10.000 Редуктор привода насоса Чертеж ДЭ-226.45.10.000 Редуктор привода насоса
Амкодор Амкодор-9531 (ДЭ-226) (2006) 10.3722 Шарик Д-902.80.00.000 Ходоуменьшитель Чертеж Д-902.80.00.000 Ходоуменьшитель
Амкодор Амкодор-9531 (ДЭ-226) (2006) 10.3722 Шарик ДЭ-226.60.01.000 Управление ходоуменьшителем и раздаточной коробкой Чертеж ДЭ-226.60.01.000 Управление ходоуменьшителем и раздаточной коробкой
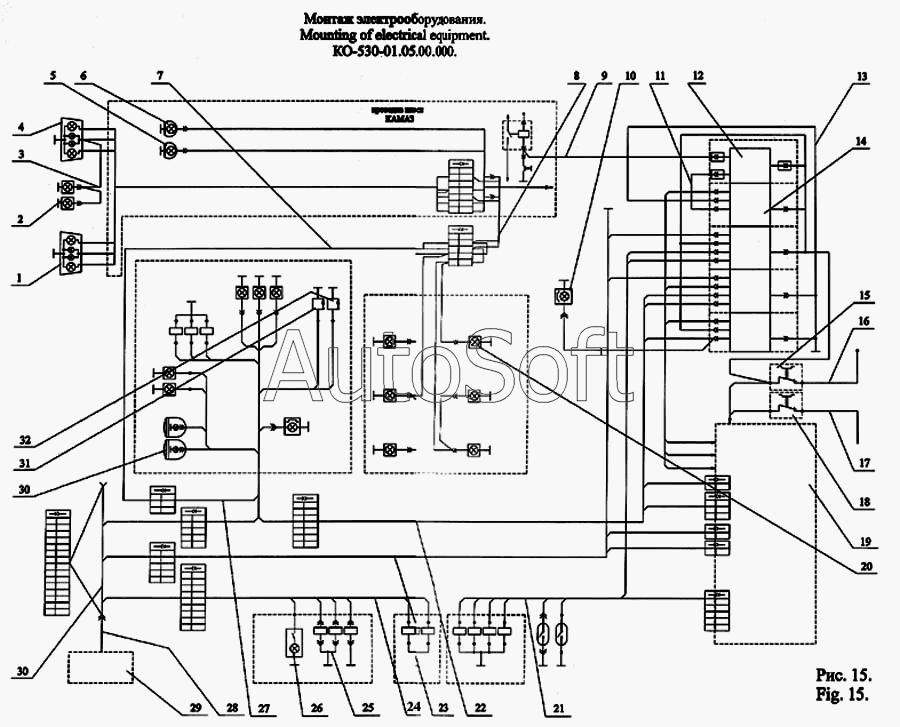
МЗКМ КО-530-01 292.3722.37.003.1415 Предохранитель термобиметаллический Монтаж электрооборудования КО-530-01.05.00.000 Чертеж Монтаж электрооборудования КО-530-01.05.00.000
МЗКМ КО-530-01 293.3722.37.003.1415 Предохранитель термобиметаллический Монтаж электрооборудования КО-530-01.05.00.000 Чертеж Монтаж электрооборудования КО-530-01.05.00.000
ПАЗ ПАЗ-3205-110 (2005) 11.3722.000 Блок предохранителей на 60 А Лампа подкапотная
Товары из этой категории
Ступица  МАЗ ОАО 4370-3104015
Ступица МАЗ ОАО
Каталожный номер 4370-3104015
Производитель
Код 43703104015
Доставка по всей Беларуси
Остаток Под заказ
Глушитель  БААЗ,Барановичи 5337-1201010
Глушитель БААЗ,Барановичи
Каталожный номер 5337-1201010
Производитель
Код 53371201010
Доставка по всей Беларуси
Остаток Под заказ
Кронштейн  МАЗ ОАО 6430-8511133-010
Кронштейн МАЗ ОАО
Каталожный номер 6430-8511133-010
Производитель
Код 64308511133010
Доставка по всей Беларуси
Остаток Под заказ
Труба выхлопная  МАЗ ОАО 103-1203178-41
Труба выхлопная МАЗ ОАО
Каталожный номер 103-1203178-41
Производитель
Код 103120317841
Доставка по всей Беларуси
Остаток Под заказ
Зажим  МАЗ ОАО 5440-2405093-010
Зажим МАЗ ОАО
Каталожный номер 5440-2405093-010
Производитель
Код 54402405093010
Доставка по всей Беларуси
Остаток Под заказ