64-3726000-03 Повторитель П поворотов правый
| Наименование: | Повторитель 64-3726000-03П поворотов правый |
| Каталожный номер: | 64-3726000-03 |
| Производитель: |
|
| Код товара: | 00-ГР027799 |
| Доставка: | по всей Беларуси |
| Остаток: | под заказ |
Нашли не точность в описании товара? сообщить администратору.
* Выставить счет, получить техническую информацию и стоимость
Заказать деталь Онлайн
Описание
Наличие на филиалах
Применяемость
Заменить на СТО
Email
ras.Drenchik@gmail.com
Email
ras.Drobot@gmail.com
Email
ras.Rozhkov@gmail.com
Email
los.Konoda@gmail.com
Email
ras.titenkova@gmail.com
Email
ras.Abramovich@gmail.com
Email
pinsk.sto@gmail.com
Email
sto.Polock@snabavto.by
Повторитель 64-3726000-03П поворотов правый производства RSTA (РФ), Код для заказа: 00-ГР027799
| Марка | Модель | Кат.номер | Наим. по каталогу | Чертеж | |
|---|---|---|---|---|---|
| ВАЗ | ВАЗ-2101 (1982) | 2101-3726000 | Боковой указатель поворота | Сигналы | |
| ВАЗ | ВАЗ-2102 (1982) | 2101-3726000 | Боковой указатель поворота | Сигналы | |
| ГАЗ | ГАЗ-24-10 (1995) | П149-3726000-01 | Переключатель указателей поворота | Управление рулевое | |
| ГАЗ | ГАЗ-3102 (2000) | П149-3726000-01 | Переключатель указателей поворота П149-01 | Рулевое управление |
|
| ГАЗ | ГАЗ-3102 (2000) | П149-3726000-01 | Переключатель указателей поворота П149-01 | Электрооборудование |
|
| ГАЗ | ГАЗ-31029 | П149-3726000-01 | Переключатель указателей поворота П149-01 | Управление рулевое | |
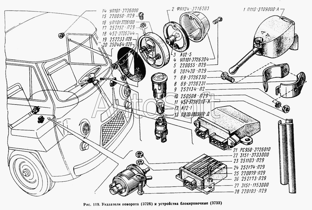
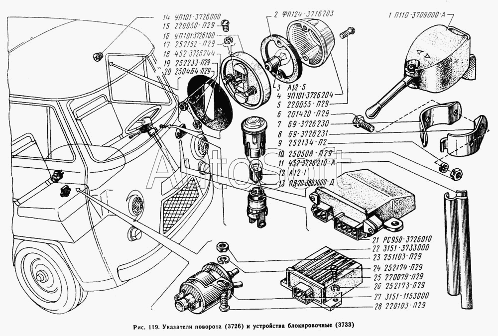
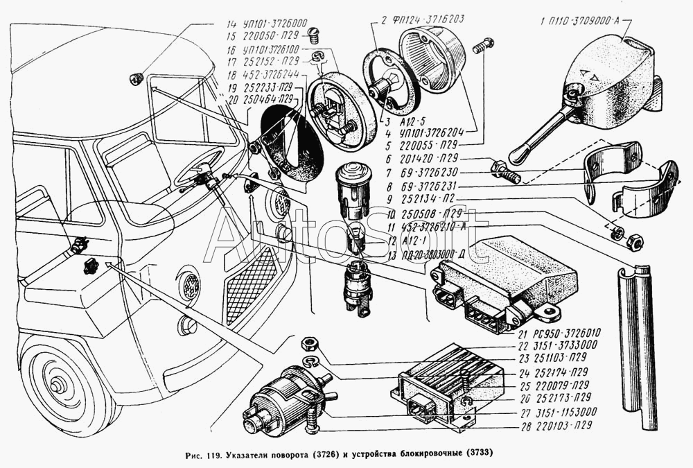
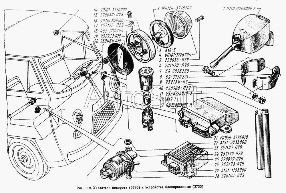
| УАЗ | УАЗ-3741 | УП101-3726000 | Повторитель боковой указателя поворота | Указатели поворота, устройства блокировочные |
|
| УАЗ | УАЗ-3962 | УП101-3726000 | Повторитель боковой указателя поворота | Указатели поворота, устройства блокировочные |
|
| УАЗ | УАЗ-2206 | УП101-3726000 | Повторитель боковой указателя поворота | Указатели поворота, устройства блокировочные |
|
| УАЗ | УАЗ-3303 | УП101-3726000 | Повторитель боковой указателя поворота | Указатели поворота, устройства блокировочные |
|
| МАЗ | МАЗ-500А | РС401-3726000-Г | Прерыватель указателя поворотов РС-401 | Схема электрооборудования | |
| МАЗ | МАЗ-500А | УП101-3726000-Б | Повторитель боковой указателя поворота | Схема электрооборудования | |
| МАЗ | МАЗ-503А | РС401-3726000-Г | Прерыватель указателя поворотов РС-401 | Схема электрооборудования | |
| МАЗ | МАЗ-503А | УП101-3726000-Б | Повторитель боковой указателя поворота | Схема электрооборудования | |
| МАЗ | МАЗ-504А | РС401-3726000-Г | Прерыватель указателя поворотов РС-401 | Схема электрооборудования | |
| МАЗ | МАЗ-504А | УП101-3726000-Б | Повторитель боковой указателя поворота | Схема электрооборудования | |
| МАЗ | МАЗ-537 | РС401-3726000 | Прерыватель указателей поворотов РС401 | Схема электрооборудования |
|
| ЛАЗ | ЛАЗ 699Р | УП101-3726000 | Фонарь повторителя указателя поворота УП101 | Электрооборудование |
|
| ЛАЗ | ЛАЗ 699Р | УП101-3726000 | Фонарь повторителя указателя поворота УП101 | Электрооборудование |
|
| ЛАЗ | ЛАЗ 4207 | П145-3726000 | Комбинированный переключатель указателей поворота и света П145 | Электрооборудование и радиооборудование |
|
Под заказ
Товары из этой категории
| Переключатель поворотов Г-53,ЗИЛ-130 старого образца | |
| Каталожный номер | П-105А-01 |
| Производитель |
|
| Код | 12070 |
| Доставка | по всей Беларуси |
| Доступность | остатки на филиалах |
| Остаток: г.Минск, ул.Селицкого 21к | В наличии |
| Склад | Адрес | Контакт | Остатки | |
|---|---|---|---|---|
| г. Минск | ул. Селицкого, 21к | +375 (44) 770-80-78 |
( Средне )
|
Схема проезда |
| г. Барановичи | ул. Пролетарская, 40 | +375 (29) 795-96-37 |
( Мало )
|
Схема проезда |
| г. Дятлово | ул. Советская ,104 | +375 (29) 187-87-37 |
( Мало )
|
Схема проезда |
| г. Осиповичи | ул. Короткая, 11 | +375 (29) 165-60-07 |
( Мало )
|
Схема проезда |
| Мотор омывателя без бачка | |
| Каталожный номер | 2110-5208009 |
| Производитель |
|
| Код | 21705 |
| Доставка | по всей Беларуси |
| Доступность | остатки на филиалах |
| Остаток | В наличии |
| Склад | Адрес | Контакт | Остатки | |
|---|---|---|---|---|
| г. Барановичи | ул. Пролетарская, 40 | +375 (29) 795-96-37 |
( Мало )
|
Схема проезда |
| г. Березино | ул. Комсомольская, д. 24 | +375 (44) 770-80-17 |
( Мало )
|
Схема проезда |
| г. Бобруйск | ул. Орловского, 22к3 | +375 (29) 345-37-07 |
( Средне )
|
Схема проезда |
| г. Борисов | ул. Демина, 2а | +375 (44) 560-99-75 |
( Мало )
|
Схема проезда |
| г. Витебск | ул. Правды, 33 | +375 (44) 770-80-87 |
( Мало )
|
Схема проезда |
| г. Глубокое | ул. Энгельса, 22 | +375 (44) 505-71-40 |
( Мало )
|
Схема проезда |
| г. Гомель | ул. Барыкина, 291Б | +375 (44) 514-15-30 |
( Средне )
|
Схема проезда |
| г. Горки | ул.Мира, д.51а/1 | +375 (44) 565-33-61 |
( Мало )
|
Схема проезда |
| г. Гродно | ул. Карского, 35 | +375 (44) 770-70-21 |
( Средне )
|
Схема проезда |
| г. Дрогичин | ул. Юбилейная, 42 | +375 (29) 682-17-13 |
( Мало )
|
Схема проезда |
| г. Ивацевичи | ул. Загородная, 6А | +375 (29) 188-59-01 |
( Средне )
|
Схема проезда |
| г. Лельчицы | ул. Советская, д.96/1 | +375 (29) 346-98-96 |
( Средне )
|
Схема проезда |
| г. Молодечно | ул. Галицкого, 14 | +375 (44) 567-28-47 |
( Мало )
|
Схема проезда |
| г. Осиповичи | ул. Короткая, 11 | +375 (29) 165-60-07 |
( Средне )
|
Схема проезда |
| г. Ошмяны | ул. Льнозоводская 3 | +375 (44) 770-80-91 |
( Мало )
|
Схема проезда |
| г. Полоцк-2 | ул. Шенягина, 52 | +375 (29) 302-94-73 |
( Мало )
|
Схема проезда |
| г. Пружаны | ул. Макаренко, 21 | +375 (29) 348-83-18 |
( Мало )
|
Схема проезда |
| г. Слоним | ул. Советская, 93а | +375 (29) 394-82-01 |
( Средне )
|
Схема проезда |
| г. Сморгонь | ул. Железнодорожная, 32 | +375 (29) 671-02-10 |
( Мало )
|
Схема проезда |
| г. Солигорск | Чижевичский сельсовет, 3Г | +375 (29) 899-58-52 |
( Средне )
|
Схема проезда |
| г. Щучин | ул. Советская, 39 | +375 (29) 177-29-70 |
( Средне )
|
Схема проезда |
| Фонарь 27.3717 освещения номерного знака н/о | |
| Каталожный номер | 27.3717 |
| Производитель |
|
| Код | 34044 |
| Доставка | по всей Беларуси |
| Доступность | остатки на филиалах |
| Остаток: г.Минск, ул.Селицкого 21к | В наличии |
| Склад | Адрес | Контакт | Остатки | |
|---|---|---|---|---|
| г. Минск | ул. Селицкого, 21к | +375 (44) 770-80-78 |
( Много )
|
Схема проезда |
| г. Берёза | ул. Красноармейская, 89/11 | +375 (29) 676-70-71 |
( Средне )
|
Схема проезда |
| г. Бобруйск | ул. Гоголя, 181/1-6 | +375 (29) 630-05-01 |
( Средне )
|
Схема проезда |
| г. Бобруйск | ул. Орловского, 22к3 | +375 (29) 345-37-07 |
( Средне )
|
Схема проезда |
| г. Гомель | ул. Барыкина, 291Б | +375 (44) 514-15-30 |
( Средне )
|
Схема проезда |
| г. Гродно | ул. Карского, 35 | +375 (44) 770-70-21 |
( Средне )
|
Схема проезда |
| г. Дятлово | ул. Советская ,104 | +375 (29) 187-87-37 |
( Средне )
|
Схема проезда |
| г. Кричев | ул. Комсомольская, 126 | +375 (29) 628-88-42 |
( Средне )
|
Схема проезда |
| г. Могилев | ул. Габровская 11Б | +375 (29) 662-02-16 |
( Мало )
|
Схема проезда |
| г. Новогрудок | ул. Индустриальная, 3 | +375 (44) 729-39-19 |
( Средне )
|
Схема проезда |
| г. Осиповичи | ул. Короткая, 11 | +375 (29) 165-60-07 |
( Средне )
|
Схема проезда |
| г. Полоцк-2 | ул. Шенягина, 52 | +375 (29) 302-94-73 |
( Мало )
|
Схема проезда |
| Электродвигатель отопителя кабины ГАЗель | |
| Каталожный номер | 511-3730000 |
| Производитель |
|
| Код | 14571 |
| Доставка | по всей Беларуси |
| Доступность | остатки на филиалах |
| Остаток: г.Минск, ул.Селицкого 21к | В наличии |
| Склад | Адрес | Контакт | Остатки | |
|---|---|---|---|---|
| г. Минск | ул. Селицкого, 21к | +375 (44) 770-80-78 |
( Мало )
|
Схема проезда |
| Распределитель зажигания 2402.3706-10 бесконтактный СОАТЭ | |
| Каталожный номер | 2402.3706-10 |
| Производитель |
|
| Код | 00-ГР018660 |
| Доставка | по всей Беларуси |
| Доступность | остатки на филиалах |
| Остаток: г.Минск, ул.Селицкого 21к | В наличии |
| Склад | Адрес | Контакт | Остатки | |
|---|---|---|---|---|
| г. Минск | ул. Селицкого, 21к | +375 (44) 770-80-78 |
( Средне )
|
Схема проезда |
| г. Березино | ул. Комсомольская, д. 24 | +375 (44) 770-80-17 |
( Мало )
|
Схема проезда |
| г. Бобруйск | ул. Орловского, 22к3 | +375 (29) 345-37-07 |
( Средне )
|
Схема проезда |
| г. Витебск | ул. Правды, 33 | +375 (44) 770-80-87 |
( Мало )
|
Схема проезда |
| г. Глубокое | ул. Энгельса, 22 | +375 (44) 505-71-40 |
( Мало )
|
Схема проезда |
| г. Гродно | ул. Карского, 35 | +375 (44) 770-70-21 |
( Мало )
|
Схема проезда |
| г. Дятлово | ул. Советская ,104 | +375 (29) 187-87-37 |
( Мало )
|
Схема проезда |
| г. Лельчицы | ул. Советская, д.96/1 | +375 (29) 346-98-96 |
( Мало )
|
Схема проезда |
| г. Молодечно | ул. Галицкого, 14 | +375 (44) 567-28-47 |
( Мало )
|
Схема проезда |
| г. Несвиж | ул. Кутузова, 2 | +375 (29) 394-82-48 |
( Мало )
|
Схема проезда |
| г. Новогрудок | ул. Индустриальная, 3 | +375 (44) 729-39-19 |
( Мало )
|
Схема проезда |
| г. Полоцк-2 | ул. Шенягина, 52 | +375 (29) 302-94-73 |
( Мало )
|
Схема проезда |
| г. Полоцк-2 | ул. Шенягина, 52 | +375 (29) 302-94-73 |
( Мало )
|
Схема проезда |
| г. Поставы | ул. Советская, 69 | +375 (44) 770-80-13 |
( Мало )
|
Схема проезда |
| г. Пружаны | ул. Макаренко, 21 | +375 (29) 348-83-18 |
( Мало )
|
Схема проезда |
| г. Сморгонь | ул. Железнодорожная, 32 | +375 (29) 671-02-10 |
( Мало )
|
Схема проезда |
| г. Солигорск | Чижевичский сельсовет, 3Г | +375 (29) 899-58-52 |
( Мало )
|
Схема проезда |
| г. Щучин | ул. Советская, 39 | +375 (29) 177-29-70 |
( Мало )
|
Схема проезда |
Политика обработки файлов cookie
На сайте snabavto.by используются файлы cookie для сбора обезличенной информации о пользователях. Это помогает нам анализировать статистику, совершенствовать сервис и делать его более удобным для вас. Подробнее о файлах cookie вы можете узнать в соответствующем разделе Политики обработки файлов cookie.
Ремавтоснаб