Республика Беларусь,
г. Минск, ул. Селицкого 21к - центральный склад
Пн-пт с 8:00 до 17:00
Меню
50-2401020 Поводок МТЗ
Наименование: Поводок 50-2401020 МТЗ
Каталожный номер: 50-2401020
Производитель: МТЗ
Код товара: 00-ГР027056
Доставка: по всей Беларуси
Остаток: под заказ

Нашли не точность в описании товара? сообщить администратору.

+375 (44) 770-80-78 +375 (29) 747-80-78
* Выставить счет, получить техническую информацию и стоимость
Заказать деталь Онлайн
Описание
Наличие на филиалах
Применяемость
Заменить на СТО

Ширина, м; 0.034
Высота, м: 0.03
Длина, м: 0.1
Вес, кг: 0.17

Поводок 50-2401020 МТЗ производства МТЗ (МТЗ), Код для заказа: 00-ГР027056

Марка Модель Кат.номер Наим. по каталогу Чертеж
МАЗ МАЗ-500А 500А-2401020 Кожух полуоси Картер заднего моста с полуосями и кожухами Чертеж Картер заднего моста с полуосями и кожухами
МАЗ МАЗ-503А 500А-2401020 Кожух полуоси Картер заднего моста с полуосями и кожухами Чертеж Картер заднего моста с полуосями и кожухами
МАЗ МАЗ-504А 500А-2401020 Кожух полуоси Картер заднего моста с полуосями и кожухами Чертеж Картер заднего моста с полуосями и кожухами
МАЗ МАЗ-5335 (2004) 500А-2401020 Кожух полуоси Картер заднего моста с полуосями и кожухами Чертеж Картер заднего моста с полуосями и кожухами
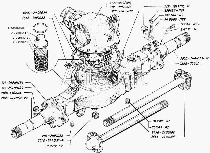
КрАЗ КрАЗ-255 255Б-2401020-11 Кожух полуоси правый Картер и кожухи полуосей мостов заднего и промежуточного Чертеж Картер и кожухи полуосей мостов заднего и промежуточного
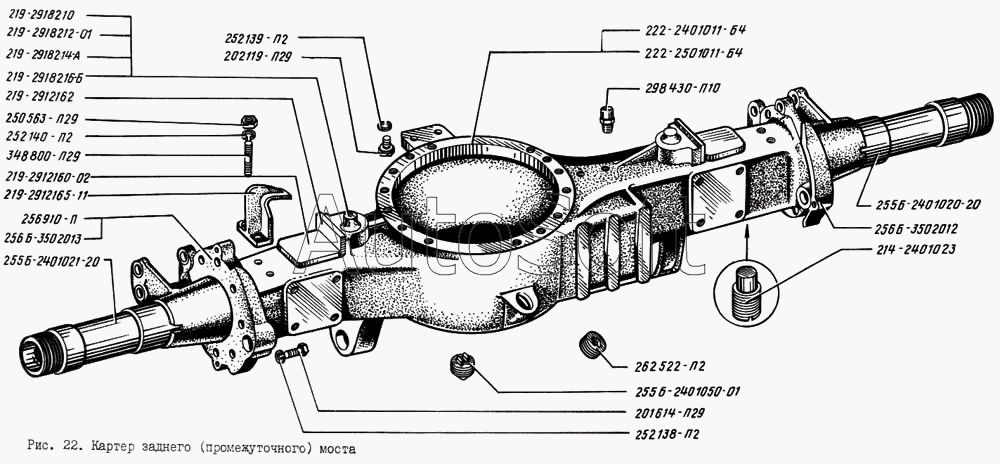
КрАЗ КрАЗ-256 255Б-2401020-20 Кожух полуоси правый Картер заднего (промежуточного) моста Чертеж Картер заднего (промежуточного) моста
КрАЗ КрАЗ-250 255Б-2401020-20 Кожух полуоси правый Мосты задний и промежуточный в сборе Чертеж Мосты задний и промежуточный в сборе
КрАЗ КрАЗ-260 6505-2401020 Кожух полуоси Картер и кожухи полуосей Чертеж Картер и кожухи полуосей
КрАЗ КрАЗ-6443 6505-2401020 Кожух полуоси Картер заднего и среднего мостов
КрАЗ КрАЗ-6510 (1993) 255Б-2401020-20 Кожух полуоси правый Мост задний (средний) в сборе Чертеж Мост задний (средний) в сборе
КрАЗ КрАЗ-6443 (каталог 2004 г) 6505-2401020 Кожух полуоси Мост задний. Мост средний Чертеж Мост задний. Мост средний
КрАЗ КрАЗ-65055 6505-2401020 Кожух полуоси Мосты задний и средний (картер)
КрАЗ КрАЗ-6322 (шасси) (2005) 6505-2401020 Кожух полуоси Картер заднего и среднего мостов Чертеж Картер заднего и среднего мостов
МТЗ МТЗ-80 (1998) 50-2401020 Поводок Корпус заднего моста. Дифференциал Чертеж Корпус заднего моста. Дифференциал
МТЗ МТЗ-100 50-2401020 Поводок Корпус заднего моста Чертеж Корпус заднего моста
МТЗ МТЗ-1221 (1997) 50-2401020 Поводок Корпус заднего моста Чертеж Корпус заднего моста
МТЗ МТЗ-082 082-2401020 Втулка (37-39) Мост задний (включая сборочные единицы ВОМ) 082-2400 Чертеж Мост задний (включая сборочные единицы ВОМ) 082-2400
МТЗ МТЗ-1523 100Х-2401020-01 Валик с поводком Механизм переключения ВОМ (независимый/синхронный)
МТЗ МТЗ-1522 (2008) 100Х-2401020-01 Валик с поводком Механизм переключения ВОМ (независимый/синхронный)
МоАЗ 7505 7505-2401020 Цапфа Мост задний 7505-2400010 Чертеж Мост задний 7505-2400010
Аналоги
Поводок 50-2401020 50-2401020
Поводок 50-2401020
Каталожный номер 50-2401020
Производитель RSTA RSTA
Код 25329
Доставка по всей Беларуси
Доступность остатки на филиалах Остатки на филиалах
Остаток Под заказ
Товары из этой категории
Рукав полуоси МТЗ 50-2407018
Рукав полуоси МТЗ
Каталожный номер 50-2407018
Производитель RSTA RSTA
Код 11538
Доставка по всей Беларуси
Доступность остатки на филиалах Остатки на филиалах
Остаток: г.Минск, ул.Селицкого 21к В наличии
Склад Адрес Контакт Остатки
г. Минск ул. Селицкого, 21к +375 (44) 770-80-78 ( Много )
Схема проезда
г. Берёза ул. Красноармейская, 89/11 +375 (29) 676-70-71 ( Мало )
Схема проезда
г. Дрогичин ул. Юбилейная, 42 +375 (29) 682-17-13 ( Мало )
Схема проезда
г. Ивацевичи ул. Загородная, 6А +375 (29) 188-59-01 ( Мало )
Схема проезда
г. Несвиж ул. Кутузова, 2 +375 (29) 394-82-48 ( Мало )
Схема проезда
г. Полоцк-2 ул. Шенягина, 52 +375 (29) 302-94-73 ( Мало )
Схема проезда
г. Пружаны ул. Макаренко, 21 +375 (29) 348-83-18 ( Мало )
Схема проезда
г. Столин ул. Быковского, 29 +375 (33) 304-54-36 ( Мало )
Схема проезда
Ремкомплект полный  РК1845 МТЗ-80 заднего моста GBC РК1845
Ремкомплект полный РК1845 МТЗ-80 заднего моста GBC
Каталожный номер РК1845
Производитель ГБЦ ГБЦ
Код 00-ГР033723
Доставка по всей Беларуси
Доступность остатки на филиалах Остатки на филиалах
Остаток Под заказ
Полуось 50-2407082-А-01 нового образца МТЗ 50-2407082-А-01
Полуось 50-2407082-А-01 нового образца МТЗ
Каталожный номер 50-2407082-А-01
Производитель МТЗ МТЗ
Код 00-ГР020505
Доставка по всей Беларуси
Доступность остатки на филиалах Остатки на филиалах
Остаток: г.Минск, ул.Селицкого 21к В наличии
Склад Адрес Контакт Остатки
г. Минск ул. Селицкого, 21к +375 (44) 770-80-78 ( Средне )
Схема проезда
г. Берёза ул. Красноармейская, 89/11 +375 (29) 676-70-71 ( Мало )
Схема проезда
г. Гомель ул. Барыкина, 291Б +375 (44) 514-15-30 ( Мало )
Схема проезда
г. Дрогичин ул. Юбилейная, 42 +375 (29) 682-17-13 ( Мало )
Схема проезда
г. Новогрудок ул. Индустриальная, 3 +375 (44) 729-39-19 ( Мало )
Схема проезда
Комплект прокладок заднего моста МТЗ-1221 (8 позиций) GBC РК 84
Комплект прокладок заднего моста МТЗ-1221 (8 позиций) GBC
Каталожный номер РК 84
Производитель ГБЦ ГБЦ
Код 00-ГР031934
Доставка по всей Беларуси
Доступность остатки на филиалах Остатки на филиалах
Остаток: г.Минск, ул.Селицкого 21к В наличии
Склад Адрес Контакт Остатки
г. Минск ул. Селицкого, 21к +375 (44) 770-80-78 ( Много )
Схема проезда
г. Барановичи ул. Пролетарская, 40 +375 (29) 795-96-37 ( Мало )
Схема проезда
г. Бобруйск ул. Орловского, 22к3 +375 (29) 345-37-07 ( Мало )
Схема проезда
г. Гродно ул. Карского, 35 +375 (44) 770-70-21 ( Мало )
Схема проезда
г. Дрогичин ул. Юбилейная, 42 +375 (29) 682-17-13 ( Мало )
Схема проезда
г. Дятлово ул. Советская ,104 +375 (29) 187-87-37 ( Мало )
Схема проезда
г. Житковичи ул. Комсомольская, 49 +375 (29) 394-82-52 ( Мало )
Схема проезда
г. Ивацевичи ул. Загородная, 6А +375 (29) 188-59-01 ( Мало )
Схема проезда
г. Новогрудок ул. Индустриальная, 3 +375 (44) 729-39-19 ( Мало )
Схема проезда
г. Осиповичи ул. Короткая, 11 +375 (29) 165-60-07 ( Мало )
Схема проезда
г. Полоцк-2 ул. Шенягина, 52 +375 (29) 302-94-73 ( Средне )
Схема проезда
г. Столин ул. Быковского, 29 +375 (33) 304-54-36 ( Средне )
Схема проезда
Крышка 50-2407028 рукава полуоси МТЗ 50-2407028
Крышка 50-2407028 рукава полуоси МТЗ
Каталожный номер 50-2407028
Производитель МТЗ МТЗ
Код 00-ГР020731
Доставка по всей Беларуси
Доступность остатки на филиалах Остатки на филиалах
Остаток: г.Минск, ул.Селицкого 21к В наличии
Склад Адрес Контакт Остатки
г. Минск ул. Селицкого, 21к +375 (44) 770-80-78 ( Средне )
Схема проезда
г. Бобруйск ул. Орловского, 22к3 +375 (29) 345-37-07 ( Мало )
Схема проезда
г. Глубокое ул. Энгельса, 22 +375 (44) 505-71-40 ( Средне )
Схема проезда
г. Лельчицы ул. Советская, д.96/1 +375 (29) 346-98-96 ( Мало )
Схема проезда
г. Полоцк-2 ул. Шенягина, 52 +375 (29) 302-94-73 ( Средне )
Схема проезда