Республика Беларусь,
г. Минск, ул. Селицкого 21к - центральный склад
Пн-пт с 8:00 до 17:00
Меню
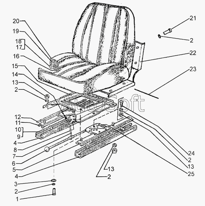
80В-6804007 Подушка сиденья нижняя
Наименование: Подушка сиденья 80В-6804007 нижняя
Каталожный номер: 80В-6804007
Производитель: ОЗАА
Код товара: 00-ГР024846
Доставка: по всей Беларуси
Остаток: под заказ

Нашли не точность в описании товара? сообщить администратору.

+375 (44) 770-80-78 +375 (29) 747-80-78
* Выставить счет, получить техническую информацию и стоимость
Заказать деталь Онлайн
Описание
Наличие на филиалах
Применяемость
Заменить на СТО

Подушка сиденья 80В-6804007 нижняя производства ОЗАА (ОЗАА), Код для заказа: 00-ГР024846

Марка Модель Кат.номер Наим. по каталогу Чертеж
МТЗ МТЗ-1523 80В-6804007 Подушка Сиденье оператора Чертеж Сиденье оператора
МТЗ МТЗ-1522 (2008) 80В-6804007 Подушка Сиденье оператора
МТЗ МТЗ-822 (2008) 80В-6804007 Подушка Сиденье оператора
МТЗ МТЗ-922 (2008) 80В-6804007 Подушка Сиденье оператора
МТЗ МТЗ-923 (2008) 80В-6804007 Подушка Сиденье оператора
МТЗ МТЗ-1005 (2008) 80В-6804007 Подушка Сиденье водителя Чертеж Сиденье водителя
МТЗ МТЗ-80 (2002) (2002) 80В-6804007 Подушка 6800 Сиденье оператора Чертеж 6800 Сиденье оператора
МТЗ МТЗ-90/92 (2008) 80В-6804007 Подушка Сиденье оператора
МТЗ МЛ-131 (2008) 80В-6804007 Подушка Сиденье оператора Чертеж Сиденье оператора
МТЗ МТЗ-80 (2009) (2009) 80В-6804007 Подушка Сиденье оператора
МТЗ МТЗ-570 (2010) 80В-6804007 Подушка Сиденье оператора
МТЗ МТЗ-900/920/950/952 (2009) 80В-6804007 Подушка Сиденье оператора Чертеж Сиденье оператора
МТЗ МТЗ-920.4/952.4 (2009) 80В-6804007 Подушка Сиденье оператора Чертеж Сиденье оператора
МТЗ МТЗ-826 (2010) 80В-6804007 Подушка Сиденье
МТЗ МТЗ-1021.3 (2010) 80В-6804007 Подушка Сиденье оператора Чертеж Сиденье оператора
МТЗ МТЗ-1025.4 (2009) 80В-6804007 Подушка Сиденье оператора Чертеж Сиденье оператора
МТЗ МТЗ-510/512, 520/522 (2010) 80В-6804007 Подушка Сиденье оператора Чертеж Сиденье оператора
МТЗ МТЗ-310, 320, 321 (2011) 80В-6804007 Подушка Сиденье оператора 80В-6804000
МТЗ МТЗ-1221 (2009) (2009) 80В-6804007 Подушка Сиденье оператора
МТЗ 1220 (2011) 80В-6804007 Подушка Сиденье оператора Чертеж Сиденье оператора
Товары из этой категории
Сиденье УНВ 102М.01.23.10.00 УНВ 102М.01.23.10.00
Сиденье УНВ 102М.01.23.10.00
Каталожный номер УНВ 102М.01.23.10.00
Производитель РБ РБ
Код 00-ГР038487
Доставка по всей Беларуси
Доступность остатки на филиалах Остатки на филиалах
Остаток Под заказ
Сиденье 80В-6800000 складываемое в сборе 80В-6800000 СБ
Сиденье 80В-6800000 складываемое в сборе
Каталожный номер 80В-6800000 СБ
Производитель КНР КНР
Код 00-ГР011566
Доставка по всей Беларуси
Доступность остатки на филиалах Остатки на филиалах
Остаток В наличии
Склад Адрес Контакт Остатки
г. Глубокое ул. Энгельса, 22 +375 (44) 505-71-40 ( Мало )
Схема проезда
г. Полоцк-2 ул. Шенягина, 52 +375 (29) 302-94-73 ( Мало )
Схема проезда
г. Столин ул. Быковского, 29 +375 (33) 304-54-36 ( Мало )
Схема проезда
Сиденье 80В-6800005-02 80В-6800005-02
Сиденье 80В-6800005-02
Каталожный номер 80В-6800005-02
Производитель RSTA RSTA
Код 00-ГР038337
Доставка по всей Беларуси
Доступность остатки на филиалах Остатки на филиалах
Остаток Под заказ