64-6025-В Подушка двигателя верхняя УАЗ
| Наименование: | Подушка 64-6025-В двигателя верхняя УАЗ |
| Каталожный номер: | 64-6025-В |
| Производитель: |
|
| Код товара: | 16191 |
| Доставка: | по всей Беларуси |
| Остаток: | под заказ |
Нашли не точность в описании товара? сообщить администратору.
* Выставить счет, получить техническую информацию и стоимость
Заказать деталь Онлайн
Описание
Наличие на филиалах
Применяемость
Заменить на СТО
Email
ras.Drenchik@gmail.com
Email
ras.Drobot@gmail.com
Email
ras.Rozhkov@gmail.com
Email
los.Konoda@gmail.com
Email
ras.titenkova@gmail.com
Email
ras.Abramovich@gmail.com
Email
pinsk.sto@gmail.com
Email
sto.Polock@snabavto.by
Подушка ГАЗ-3307, 33081, 3309 крепления кабины задняя верхняя
Подушка 64-6025-В двигателя верхняя УАЗ производства ЗМЗ (РФ), Код для заказа: 16191
| Марка | Модель | Кат.номер | Наим. по каталогу | Чертеж | |
|---|---|---|---|---|---|
| ГАЗ | ГАЗ-3306 (1994) | 64-6025-В | Подушка крепления кабины верхняя задняя в сборе | Кабина, подвеска кабины, крышка люка пола, крышка люка под тяги |
|
| ГАЗ | ГАЗ-3306 (1994) | 64-6025-В | Подушка крепления кабины верхняя задняя в сборе | Подушки крепления оперения, облицовка радиатора, капот, подножки | |
| ГАЗ | ГАЗ-3307 (2000) | 64-6025-В | Подушка крепления кабины верхняя задняя в сборе | Подвеска кабины, кожух пола | |
| ГАЗ | ГАЗ-3309 | 64-6025-В | Подушка крепления кабины верхняя задняя в сборе | Кабина, подвеска кабины, крышка люка пола |
|
| ГАЗ | ГАЗ-3309 | 64-6025-В | Подушка крепления кабины верхняя задняя в сборе | Подушки крепления оперения, облицовка радиатора, капот, подножки |
|
| ГАЗ | ГАЗ-4301 | 64-6025-В | Подушка крепления кабины верхняя задняя в сборе | Кабина, подвеска кабины, крышка люка пола, крышка люка под тяги |
|
| ГАЗ | ГАЗ-4301 | 64-6025-В | Подушка крепления кабины верхняя задняя в сборе | Подушки крепления оперения, облицовка радиатора, капот, подножки |
|
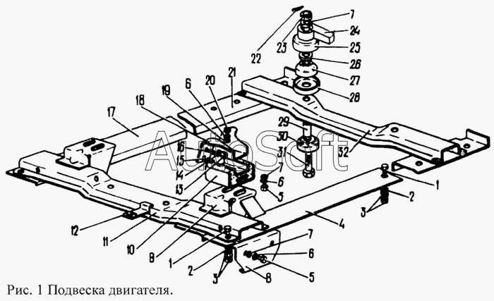
| ГАЗ | ГАЗ-52-01 | 64-6025-В | Подушка крепления кабины верхняя задняя в сборе | Подвеска двигателя | |
| ГАЗ | ГАЗ-52-02 | 64-6025-В | Подушка крепления кабины верхняя задняя в сборе | Кабина | |
| ГАЗ | ГАЗ-52-02 | 64-6025-В | Подушка крепления кабины верхняя задняя в сборе | Подвеска двигателя |
|
| ГАЗ | ГАЗ-53 А (1989) | 64-6025-В | Подушка крепления кабины верхняя задняя в сборе | Кабина | |
| ГАЗ | ГАЗ-66 (Каталог 1983 г.) (1983) | 64-6025-В | Подушка крепления кабины верхняя задняя в сборе | Подвеска двигателя | |
| ГАЗ | ГАЗ-66 (Каталог 1996 г.) (1996) | 64-6025-В | Подушка крепления кабины верхняя задняя в сборе | Подвеска двигателя |
|
| ГАЗ | ГАЗ-71 | 64-6025-Г | Подушка задней опоры двигателя верхняя в сборе | Подвеска двигателя |
|
| УАЗ | УАЗ-3741 | 64-6025-В | Подушка верхняя | Подвеска двигателя |
|
| УАЗ | УАЗ-3962 | 64-6025-В | Подушка верхняя | Подвеска двигателя |
|
| УАЗ | УАЗ-2206 | 64-6025-В | Подушка верхняя | Подвеска двигателя |
|
| УАЗ | УАЗ-3303 | 64-6025-В | Подушка верхняя | Подвеска двигателя |
|
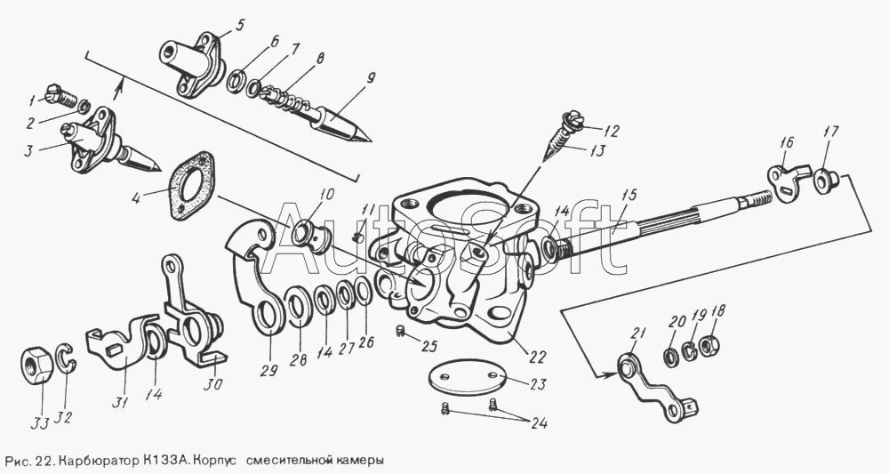
| ЛуАЗ | ЛуАЗ 969М | 45 9967 6025 | Шайба (кол-во деталей от 0 до 3) | Карбюратор К133А. Корпус смесительной камеры |
|
| ПАЗ | ПАЗ-3205 (2001) | 64-6025-В | Подушка подвески двигателя верхняя | Подвеска двигателя |
|
Под заказ
Товары из этой категории
| Прокладка | |
| Каталожный номер | 4216-1007245-01 |
| Производитель |
|
| Код | 43018 |
| Доставка | по всей Беларуси |
| Доступность | остатки на филиалах |
| Остаток: г.Минск, ул.Селицкого 21к | В наличии |
| Склад | Адрес | Контакт | Остатки | |
|---|---|---|---|---|
| г. Минск | ул. Селицкого, 21к | +375 (44) 770-80-78 |
( Средне )
|
Схема проезда |
| г. Барановичи | ул. Бадака, 27Б | +375 (29) 350-33-47 |
( Мало )
|
Схема проезда |
| г. Березино | ул. Комсомольская, д. 24 | +375 (44) 770-80-17 |
( Мало )
|
Схема проезда |
| г. Бобруйск | ул. Орловского, 22к3 | +375 (29) 345-37-07 |
( Мало )
|
Схема проезда |
| г. Гродно | ул. Карского, 35 | +375 (44) 770-70-21 |
( Средне )
|
Схема проезда |
| г. Дрогичин | ул. Юбилейная, 42 | +375 (29) 682-17-13 |
( Мало )
|
Схема проезда |
| г. Мозырь | промузел Козенки | +375 (44) 731-94-60 |
( Мало )
|
Схема проезда |
| г. Петриков | ул. Первомайская, 124 | +375 (33) 660-06-75 |
( Мало )
|
Схема проезда |
| г. Слоним | ул. Советская, 93а | +375 (29) 394-82-01 |
( Мало )
|
Схема проезда |
| Элемент 412-1″С фильтра масляного | |
| Каталожный номер | 412-1 С |
| Производитель |
|
| Код | 13143 |
| Доставка | по всей Беларуси |
| Доступность | остатки на филиалах |
| Остаток: г.Минск, ул.Селицкого 21к | В наличии |
| Склад | Адрес | Контакт | Остатки | |
|---|---|---|---|---|
| г. Минск | ул. Селицкого, 21к | +375 (44) 770-80-78 |
( Много )
|
Схема проезда |
| г. Бобруйск | ул. Орловского, 22к3 | +375 (29) 345-37-07 |
( Средне )
|
Схема проезда |
| г. Борисов | ул. Демина, 2а | +375 (44) 560-99-75 |
( Мало )
|
Схема проезда |
| г. Витебск | ул. Правды, 33 | +375 (44) 770-80-87 |
( Мало )
|
Схема проезда |
| г. Гомель | ул. Барыкина, 291Б | +375 (44) 514-15-30 |
( Мало )
|
Схема проезда |
| г. Гродно | ул. Карского, 35 | +375 (44) 770-70-21 |
( Мало )
|
Схема проезда |
| г. Дятлово | ул. Советская ,104 | +375 (29) 187-87-37 |
( Средне )
|
Схема проезда |
| г. Житковичи | ул. Комсомольская, 49 | +375 (29) 394-82-52 |
( Средне )
|
Схема проезда |
| г. Ивацевичи | ул. Загородная, 6А | +375 (29) 188-59-01 |
( Мало )
|
Схема проезда |
| г. Кричев | ул. Комсомольская, 126 | +375 (29) 628-88-42 |
( Средне )
|
Схема проезда |
| г. Лепель | ул. Лобанка, 43 | +375 (44) 778-65-21 |
( Средне )
|
Схема проезда |
| г. Лунинец | ул.Красная, 175а | +375 (44) 721-46-74 |
( Мало )
|
Схема проезда |
| г. Могилев | ул. Габровская 11Б | +375 (29) 662-02-16 |
( Мало )
|
Схема проезда |
| г. Молодечно | ул. Галицкого, 14 | +375 (44) 567-28-47 |
( Мало )
|
Схема проезда |
| г. Несвиж | ул. Кутузова, 2 | +375 (29) 394-82-48 |
( Мало )
|
Схема проезда |
| г. Новогрудок | ул. Индустриальная, 3 | +375 (44) 729-39-19 |
( Мало )
|
Схема проезда |
| г. Орша | ул. Сергея Кирова, д. 34 | +375 (44) 583-91-42 |
( Средне )
|
Схема проезда |
| г. Осиповичи | ул. Короткая, 11 | +375 (29) 165-60-07 |
( Средне )
|
Схема проезда |
| г. Полоцк-2 | ул. Шенягина, 52 | +375 (29) 302-94-73 |
( Средне )
|
Схема проезда |
| г. Полоцк-2 | ул. Шенягина, 52 | +375 (29) 302-94-73 |
( Средне )
|
Схема проезда |
| г. Поставы | ул. Советская, 69 | +375 (44) 770-80-13 |
( Средне )
|
Схема проезда |
| г. Пружаны | ул. Макаренко, 21 | +375 (29) 348-83-18 |
( Мало )
|
Схема проезда |
| г. Слоним | ул. Советская, 93а | +375 (29) 394-82-01 |
( Мало )
|
Схема проезда |
| г. Сморгонь | ул. Железнодорожная, 32 | +375 (29) 671-02-10 |
( Средне )
|
Схема проезда |
| Опора двигателя передняя | |
| Каталожный номер | 3160-1001020 |
| Производитель |
|
| Код | 19851 |
| Доставка | по всей Беларуси |
| Доступность | остатки на филиалах |
| Остаток: г.Минск, ул.Селицкого 21к | В наличии |
| Склад | Адрес | Контакт | Остатки | |
|---|---|---|---|---|
| г. Минск | ул. Селицкого, 21к | +375 (44) 770-80-78 |
( Средне )
|
Схема проезда |
| г. Новогрудок | ул. Индустриальная, 3 | +375 (44) 729-39-19 |
( Мало )
|
Схема проезда |
| К-т прокладок двигателя УАЗ 100л/с (17шт полный) | |
| Каталожный номер | 421-1003020 |
| Производитель |
|
| Код | 17648 |
| Доставка | по всей Беларуси |
| Доступность | остатки на филиалах |
| Остаток: г.Минск, ул.Селицкого 21к | В наличии |
| Склад | Адрес | Контакт | Остатки | |
|---|---|---|---|---|
| г. Минск | ул. Селицкого, 21к | +375 (44) 770-80-78 |
( Средне )
|
Схема проезда |
| г. Березино | ул. Комсомольская, д. 24 | +375 (44) 770-80-17 |
( Мало )
|
Схема проезда |
| г. Гомель | ул. Барыкина, 291Б | +375 (44) 514-15-30 |
( Мало )
|
Схема проезда |
| г. Ивацевичи | ул. Загородная, 6А | +375 (29) 188-59-01 |
( Мало )
|
Схема проезда |
| г. Мозырь | промузел Козенки | +375 (44) 731-94-60 |
( Мало )
|
Схема проезда |
| г. Слоним | ул. Советская, 93а | +375 (29) 394-82-01 |
( Мало )
|
Схема проезда |
| Гидрокомпенсатор 514-1007040 (к-т., 8шт.) «ЗавГар» | |
| Каталожный номер | 514-1007040 |
| Производитель |
|
| Код | 00-ГР014815 |
| Доставка | по всей Беларуси |
| Доступность | остатки на филиалах |
| Остаток | Под заказ |
Политика обработки файлов cookie
На сайте snabavto.by используются файлы cookie для сбора обезличенной информации о пользователях. Это помогает нам анализировать статистику, совершенствовать сервис и делать его более удобным для вас. Подробнее о файлах cookie вы можете узнать в соответствующем разделе Политики обработки файлов cookie.
Ремавтоснаб