Республика Беларусь,
г. Минск, ул. Селицкого 21к - центральный склад
Пн-пт с 8:00 до 17:00
Меню
24-1001050 Подушка двигателя задняя Г-3110,3302
Наименование: Подушка 24-1001050 двигателя задняя Г-3110,3302
Каталожный номер: 24-1001050
Производитель: Чайковский
Код товара: 12077
Доставка: по всей Беларуси
Остаток: в наличии

Нашли не точность в описании товара? сообщить администратору.

+375 (44) 770-80-78 +375 (29) 747-80-78
* Выставить счет, получить техническую информацию и стоимость
Заказать деталь Онлайн
Описание
Наличие на филиалах
Применяемость
Заменить на СТО

БС вес: 0,45 на 13.04.2020

Код для заказа: 12077

Марка Модель Кат.номер Наим. по каталогу Чертеж
ГАЗ ГАЗ-14 (Чайка) (1980) 13-1001050 Подушка задней опоры двигателя в сборе Подвеска двигателя Чертеж Подвеска двигателя
ГАЗ ГАЗ-24 24-1001050-Б Подушка опоры двигателя задняя Подвеска двигателя Чертеж Подвеска двигателя
ГАЗ ГАЗ-3105 (1996) 3105-1001050 Подушка подвески двигателя задняя в сборе Подвеска двигателя Чертеж Подвеска двигателя
ГАЗ ГАЗ-3110 24-1001050-Б Подушка опоры двигателя задняя Подвеска двигателей. I - ЗМЗ-4062.10, II - ЗМЗ-402.10 и ЗМЗ-4021.10
ГАЗ ГАЗ-3302 (ГАЗель) 24-1001050-Б Подушка опоры двигателя задняя Подвеска двигателей ЗМЗ 4061.10, ЗМЗ 4063.10, ЗМЗ 40637.10, ЗМЗ 4025.10, ЗМЗ 4026.10 Чертеж Подвеска двигателей ЗМЗ 4061.10, ЗМЗ 4063.10, ЗМЗ 40637.10, ЗМЗ 4025.10, ЗМЗ 4026.10
ГАЗ ГАЗ-3302 (ГАЗель) 24-1001050-Б Подушка опоры двигателя задняя Рама, поперечины крепления и установки двигателя, брызговик двигателя
ГАЗ ГАЗ-2705 (ГАЗель) (2000) 24-1001050-Б Подушка опоры двигателя задняя Подвеска двигателей Чертеж Подвеска двигателей
ГАЗ ГАЗ-33027 (Дополнение) 24-1001050-Б Подушка опоры двигателя задняя Двигатель
ГАЗ ГАЗ-2217 (Соболь) (1999) 24-1001050-Б Подушка опоры двигателя задняя Подвеска двигателя ЗМЗ-4063 Чертеж Подвеска двигателя ЗМЗ-4063
ГАЗ ГАЗ-2217 (Соболь) (1999) 24-1001050-Б Подушка опоры двигателя задняя Подвеска двигателя ЗМЗ-4063 Чертеж Подвеска двигателя ЗМЗ-4063
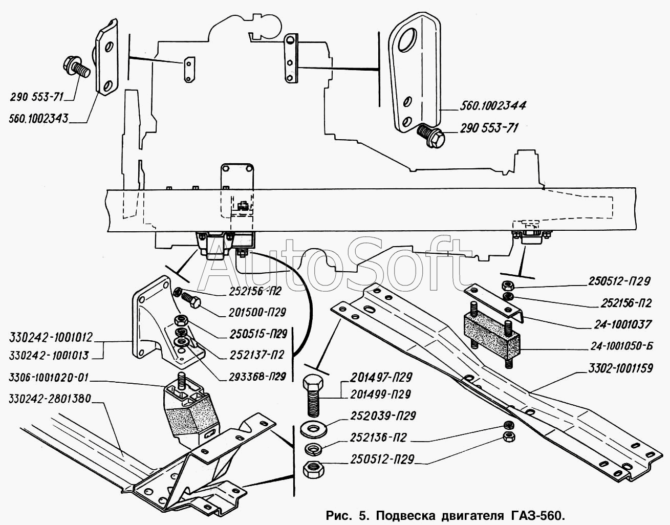
ГАЗ ГАЗ-2217 (Соболь) (1999) 24-1001050-Б Подушка опоры двигателя задняя Подвеска двигателя ГАЗ-560 Чертеж Подвеска двигателя ГАЗ-560
ГАЗ ГАЗ-2217 (Соболь) (1999) 24-1001050-Б Подушка опоры двигателя задняя Подвеска двигателя ГАЗ-560 Чертеж Подвеска двигателя ГАЗ-560
ГАЗ ГАЗ-3307 (2000) 53А-1001050-21 Подушка Подвеска двигателя Чертеж Подвеска двигателя
ГАЗ ГАЗ-4301 130-1001050 Подушка Подвеска двигателя
ГАЗ ГАЗ-53 А (1989) 53А-1001050-11 Подушка верхняя задней опоры двигателя в сборе Подвеска двигателя
ГАЗ ГАЗ-69 (1957) 69-1001050 Подушка задней опоры двигателя верхняя в сборе Подвеска двигателя Чертеж Подвеска двигателя
МАЗ МАЗ-643068 (2003) 64301-1001050 Кронштейн Крепление двигателя 64301-1001002 Чертеж Крепление двигателя 64301-1001002
МАЗ МАЗ-643068 (2003) 64301-1001050 Кронштейн Крепление двигателя 64301-1001002-010 Чертеж Крепление двигателя 64301-1001002-010
МАЗ МАЗ-643068 (2003) 64301-1001050 Кронштейн Крепление двигателя 64301-1001002-020 Чертеж Крепление двигателя 64301-1001002-020
ЗИЛ ЗИЛ-431410 Каталог 1989 г. (1989) 130-1001050 Подушка задней опоры двигателя Двигатель и его подвеска
Склад Адрес Контакт Остатки
г. Минск ул. Селицкого, 21к +375 (44) 770-80-78 ( Средне )
Схема проезда
г. Барановичи ул. Пролетарская, 40 +375 (29) 795-96-37 ( Средне )
Схема проезда
г. Березино ул. Комсомольская, д. 24 +375 (44) 770-80-17 ( Средне )
Схема проезда
г. Бобруйск ул. Гоголя, 181/1-6 +375 (29) 630-05-01 ( Средне )
Схема проезда
г. Бобруйск ул. Орловского, 22к3 +375 (29) 345-37-07 ( Мало )
Схема проезда
г. Витебск ул. Правды, 33 +375 (44) 770-80-87 ( Средне )
Схема проезда
г. Глубокое ул. Энгельса, 22 +375 (44) 505-71-40 ( Мало )
Схема проезда
г. Гомель ул. Барыкина, 291Б +375 (44) 514-15-30 ( Средне )
Схема проезда
г. Горки ул.Мира, д.51а/1 +375 (44) 565-33-61 ( Мало )
Схема проезда
г. Гродно ул. Карского, 35 +375 (44) 770-70-21 ( Средне )
Схема проезда
г. Ивацевичи ул. Загородная, 6А +375 (29) 188-59-01 ( Средне )
Схема проезда
г. Кричев ул. Комсомольская, 126 +375 (29) 628-88-42 ( Мало )
Схема проезда
г. Лельчицы ул. Советская, д.96/1 +375 (29) 346-98-96 ( Средне )
Схема проезда
г. Молодечно ул. Галицкого, 14 +375 (44) 567-28-47 ( Средне )
Схема проезда
г. Несвиж ул. Кутузова, 2 +375 (29) 394-82-48 ( Мало )
Схема проезда
г. Новогрудок ул. Индустриальная, 3 +375 (44) 729-39-19 ( Средне )
Схема проезда
г. Орша ул. Сергея Кирова, д. 34 +375 (44) 583-91-42 ( Мало )
Схема проезда
г. Осиповичи ул. Короткая, 11 +375 (29) 165-60-07 ( Средне )
Схема проезда
г. Ошмяны ул. Льнозоводская 3 +375 (44) 770-80-91 ( Средне )
Схема проезда
г. Полоцк-2 ул. Шенягина, 52 +375 (29) 302-94-73 ( Мало )
Схема проезда
г. Полоцк-2 ул. Шенягина, 52 +375 (29) 302-94-73 ( Средне )
Схема проезда
г. Слоним ул. Советская, 93а +375 (29) 394-82-01 ( Средне )
Схема проезда
г. Слуцк ул. Тутаринова, 8 +375 (29) 346-06-90 ( Мало )
Схема проезда
г. Солигорск Чижевичский сельсовет, 3Г +375 (29) 899-58-52 ( Средне )
Схема проезда
г. Столин ул. Быковского, 29 +375 (33) 304-54-36 ( Средне )
Схема проезда
г. Щучин ул. Советская, 39 +375 (29) 177-29-70 ( Мало )
Схема проезда
г. Барановичи ул. Бадака, 27Б +375 (29) 350-33-47 Под заказ
Схема проезда
г. Берёза ул. Красноармейская, 89/11 +375 (29) 676-70-71 Под заказ
Схема проезда
г. Борисов ул. Демина, 2а +375 (44) 560-99-75 Под заказ
Схема проезда
г. Брест Тельминский с/с, 1Д/1, 1 км южнее д. Тельмы-2 +375 (44) 599-90-75 Под заказ
Схема проезда
г. Витебск ул. Петруся Бровки, 34 +375 (29) 636-25-08 Под заказ
Схема проезда
г. Гомель ул. Текстильная, 10 +375 (44) 540-02-05 Под заказ
Схема проезда
г. Дрогичин ул. Юбилейная, 42 +375 (29) 682-17-13 Под заказ
Схема проезда
г. Дятлово ул. Советская ,104 +375 (29) 187-87-37 Под заказ
Схема проезда
г. Житковичи ул. Комсомольская, 49 +375 (29) 394-82-52 Под заказ
Схема проезда
г. Жлобин ул. Козлова, 25 +375 (29) 346-06-78 Под заказ
Схема проезда
г. Кобрин ул. Пролетарская, 177А +375 (44) 588-10-80 Под заказ
Схема проезда
г. Лепель ул. Лобанка, 43 +375 (44) 778-65-21 Под заказ
Схема проезда
г. Лида ул. Качана, 7 +375 (29) 612-60-61 Под заказ
Схема проезда
г. Лунинец ул.Красная, 175а +375 (44) 721-46-74 Под заказ
Схема проезда
г. Минск ул. Бабушкина, 37 +375 (29) 632-00-82 Под заказ
Схема проезда
г. Могилев ул. Габровская 11Б +375 (29) 662-02-16 Под заказ
Схема проезда
г. Мозырь промузел Козенки +375 (44) 731-94-60 Под заказ
Схема проезда
г. Петриков ул. Первомайская, 124 +375 (33) 660-06-75 Под заказ
Схема проезда
г. Пинск ул. Калиновского 32 +375 (44) 560-99-59 Под заказ
Схема проезда
г. Полоцк ул. Пролетарская, 6 +375 (29) 644-57-58 Под заказ
Схема проезда
г. Полоцк ул. Строительная, 30Б +375 (29) 302-97-91 Под заказ
Схема проезда
г. Поставы ул. Советская, 69 +375 (44) 770-80-13 Под заказ
Схема проезда
г. Пружаны ул. Макаренко, 21 +375 (29) 348-83-18 Под заказ
Схема проезда
г. Сморгонь ул. Железнодорожная, 32 +375 (29) 671-02-10 Под заказ
Схема проезда
Товары из этой категории
Прокладка клапанной крышки 13-1007245 Г-53 силикон 13-1007245
Прокладка клапанной крышки 13-1007245 Г-53 силикон
Каталожный номер 13-1007245
Производитель ЗМЗ ЗМЗ
Код 00-ГР005049
Доставка по всей Беларуси
Доступность остатки на филиалах Остатки на филиалах
Остаток: г.Минск, ул.Селицкого 21к В наличии
Склад Адрес Контакт Остатки
г. Минск ул. Селицкого, 21к +375 (44) 770-80-78 ( Средне )
Схема проезда
Коллектор выпускной в сборе 4216-1008025-22
Коллектор выпускной в сборе
Каталожный номер 4216-1008025-22
Производитель ЗМЗ ЗМЗ
Код 26328
Доставка по всей Беларуси
Доступность остатки на филиалах Остатки на филиалах
Остаток Под заказ
Крышка 406-1002058-10 цепи 406-1002058-10
Крышка 406-1002058-10 цепи
Каталожный номер 406-1002058-10
Производитель ЗМЗ ЗМЗ
Код 26536
Доставка по всей Беларуси
Доступность остатки на филиалах Остатки на филиалах
Остаток: г.Минск, ул.Селицкого 21к В наличии
Склад Адрес Контакт Остатки
г. Минск ул. Селицкого, 21к +375 (44) 770-80-78 ( Мало )
Схема проезда
Прокладка 3932475 турбокомпрессора (прямоугольная) 3932475
Прокладка 3932475 турбокомпрессора (прямоугольная)
Каталожный номер 3932475
Производитель ЗМЗ ЗМЗ
Код 5976
Доставка по всей Беларуси
Доступность остатки на филиалах Остатки на филиалах
Остаток Под заказ
Гидрокомпенсатор комплект 8 шт. 406-1007045
Гидрокомпенсатор комплект 8 шт.
Каталожный номер 406-1007045
Производитель ЗавГар ЗавГар
Код 27611
Доставка по всей Беларуси
Доступность остатки на филиалах Остатки на филиалах
Остаток: г.Минск, ул.Селицкого 21к В наличии
Склад Адрес Контакт Остатки
г. Минск ул. Селицкого, 21к +375 (44) 770-80-78 ( Много )
Схема проезда
г. Барановичи ул. Пролетарская, 40 +375 (29) 795-96-37 ( Мало )
Схема проезда
г. Гомель ул. Барыкина, 291Б +375 (44) 514-15-30 ( Мало )
Схема проезда
г. Гродно ул. Карского, 35 +375 (44) 770-70-21 ( Мало )
Схема проезда
г. Лунинец ул.Красная, 175а +375 (44) 721-46-74 ( Средне )
Схема проезда
г. Петриков ул. Первомайская, 124 +375 (33) 660-06-75 ( Мало )
Схема проезда
г. Полоцк-2 ул. Шенягина, 52 +375 (29) 302-94-73 ( Средне )
Схема проезда
г. Слуцк ул. Тутаринова, 8 +375 (29) 346-06-90 ( Средне )
Схема проезда
г. Сморгонь ул. Железнодорожная, 32 +375 (29) 671-02-10 ( Мало )
Схема проезда