Республика Беларусь,
г. Минск, ул. Селицкого 21к - центральный склад
Пн-пт с 8:00 до 17:00
Меню
130-1001051 Подушка опоры двигателя нижняя
Наименование: Подушка 130-1001051 опоры двигателя нижняя
Каталожный номер: 130-1001051
Производитель: RSTA
Код товара: 10391
Доставка: по всей Беларуси
Остаток: под заказ

Нашли не точность в описании товара? сообщить администратору.

+375 (44) 770-80-78 +375 (29) 747-80-78
* Выставить счет, получить техническую информацию и стоимость
Заказать деталь Онлайн
Описание
Наличие на филиалах
Применяемость
Заменить на СТО

Код для заказа: 10391

Марка Модель Кат.номер Наим. по каталогу Чертеж
ЛиАЗ ЛиАЗ 677 130-1001051 Подушка подвески двигателя нижняя Подвеска двигателя Чертеж Подвеска двигателя
ЛиАЗ ЛиАЗ 677 130-1001051 Подушка подвески двигателя нижняя Радиатор, подвеска и трубопроводы
ЛиАЗ ЛиАЗ 677 130-1001051 Подушка подвески двигателя нижняя Подвеска гидропередачи
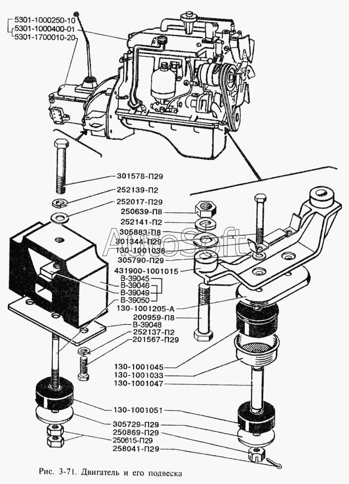
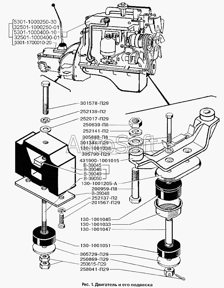
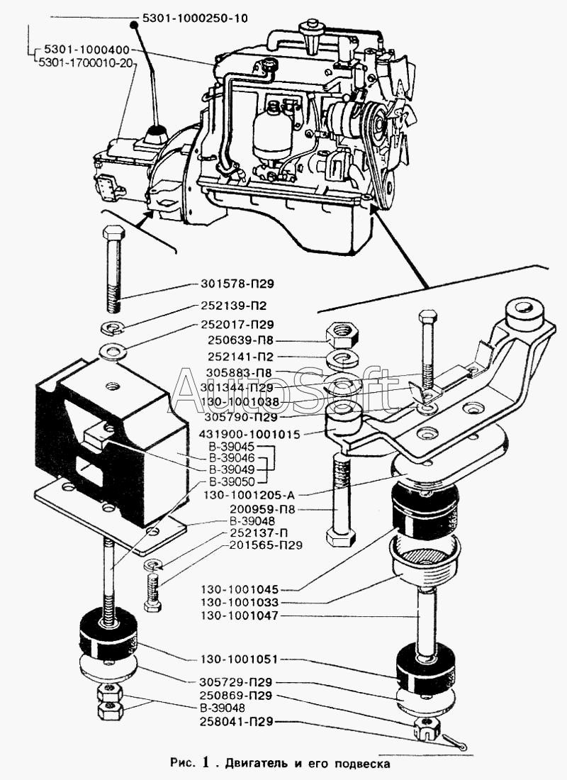
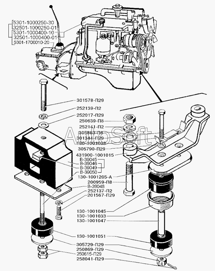
ЗИЛ ЗИЛ-433360 (1995) 130-1001051 Подушка опоры двигателя нижняя Двигатель и его подвеска Чертеж Двигатель и его подвеска
ЗИЛ ЗИЛ-442160 (1995) 130-1001051 Подушка опоры двигателя нижняя Двигатель и его подвеска Чертеж Двигатель и его подвеска
ЗИЛ ЗИЛ-494560 (1995) 130-1001051 Подушка опоры двигателя нижняя Двигатель и его подвеска Чертеж Двигатель и его подвеска
ЗИЛ ЗИЛ-5301 (2000) 130-1001051 Подушка опоры двигателя нижняя Двигатель и его подвеска Чертеж Двигатель и его подвеска
ЗИЛ ЗИЛ-3250 (2000) 130-1001051 Подушка опоры двигателя нижняя Двигатель и его подвеска Чертеж Двигатель и его подвеска
ЗИЛ ЗИЛ-5301 (2006) (2006) 130-1001051 Подушка опоры двигателя нижняя Двигатель и его подвеска Чертеж Двигатель и его подвеска
ЗИЛ ЗИЛ-433110 (2003) 130-1001051 Подушка опоры двигателя нижняя Двигатель и его подвеска Чертеж Двигатель и его подвеска
ЗИЛ ЗИЛ-3250 (2006) 130-1001051 Подушка опоры двигателя нижняя Двигатель и его подвеска Чертеж Двигатель и его подвеска
ЗИЛ ЗИЛ-431416 (1990) 130-1001051 Подушка опоры двигателя нижняя Двигатель\Двигатель и его подвеска Чертеж Двигатель\Двигатель и его подвеска
ЗИЛ ЗИЛ-441517 Каталог 1987 г. (1987) 130-1001051 Подушка опоры двигателя нижняя Двигатель и его подвеска Чертеж Двигатель и его подвеска
ЗИЛ ЗИЛ-43272Н, 43273Н (2004) 130-1001051 Подушка опоры двигателя нижняя Двигатель и подвеска Чертеж Двигатель и подвеска
ЗИЛ ЗИЛ-130 (1985) 130-1001051 Подушка опоры двигателя нижняя Двигатель и его подвеска Чертеж Двигатель и его подвеска
КАЗ КАЗ 608 130-1001051 Подушка передней и задней опор двигателя нижняя Подвеска двигателя, установка масляных фильтров
МАЗ МАЗ-6312B9-0008425-012 (2015) 650107-1001051 Кронштейн Крепление двигателя 6312В9-1001002-040, (-050), (-060), (-070), (-080), (-090), (-100) (-110), (-120), (-130)
Товары из этой категории
Поршень стандарт (100,0) 130-1004015-20
Поршень стандарт (100,0)
Каталожный номер 130-1004015-20
Производитель RSTA RSTA
Код 24489
Доставка по всей Беларуси
Доступность остатки на филиалах Остатки на филиалах
Остаток В наличии
Склад Адрес Контакт Остатки
г. Барановичи ул. Бадака, 27Б +375 (29) 350-33-47 ( Мало )
Схема проезда
г. Гродно ул. Карского, 35 +375 (44) 770-70-21 ( Мало )
Схема проезда
г. Полоцк-2 ул. Шенягина, 52 +375 (29) 302-94-73 ( Мало )
Схема проезда
Прокладка клапанной крышки красная 130-1003270
Прокладка клапанной крышки красная
Каталожный номер 130-1003270
Производитель RSTA RSTA
Код 19889
Доставка по всей Беларуси
Доступность остатки на филиалах Остатки на филиалах
Остаток В наличии
Склад Адрес Контакт Остатки
г. Осиповичи ул. Короткая, 11 +375 (29) 165-60-07 ( Мало )
Схема проезда
Прокладка средняя коллектора выпускного 131-1008080
Прокладка средняя коллектора выпускного
Каталожный номер 131-1008080
Производитель RSTA RSTA
Код 12489
Доставка по всей Беларуси
Доступность остатки на филиалах Остатки на филиалах
Остаток В наличии
Склад Адрес Контакт Остатки
г. Гродно ул. Карского, 35 +375 (44) 770-70-21 ( Мало )
Схема проезда
г. Осиповичи ул. Короткая, 11 +375 (29) 165-60-07 ( Средне )
Схема проезда
Подушка опоры двигателя ЗИЛ-4331 4331-1001020-10
Подушка опоры двигателя ЗИЛ-4331
Каталожный номер 4331-1001020-10
Производитель RSTA RSTA
Код 31082
Доставка по всей Беларуси
Доступность остатки на филиалах Остатки на филиалах
Остаток Под заказ
Прокладка ГБЦ 130-1003020-10
Прокладка ГБЦ
Каталожный номер 130-1003020-10
Производитель RSTA RSTA
Код 10251
Доставка по всей Беларуси
Доступность остатки на филиалах Остатки на филиалах
Остаток В наличии
Склад Адрес Контакт Остатки
г. Бобруйск ул. Орловского, 22к3 +375 (29) 345-37-07 ( Средне )
Схема проезда
г. Полоцк-2 ул. Шенягина, 52 +375 (29) 302-94-73 ( Мало )
Схема проезда