Республика Беларусь,
г. Минск, ул. Селицкого 21к - центральный склад
Пн-пт с 8:00 до 17:00
Меню
6-7217А Подшипник МАЗ ОАО, УВК
Наименование: Подшипник МАЗ ОАО, УВК
Каталожный номер: 6-7217А
Код товара: 67217А
Доставка: по всей Беларуси
Остаток: под заказ

Нашли не точность в описании товара? сообщить администратору.

+375 (44) 770-80-78 +375 (29) 747-80-78
* Выставить счет, получить техническую информацию и стоимость
Заказать деталь Онлайн
Описание
Наличие на филиалах
Применяемость
Заменить на СТО

6-7217А Подшипник.

  • Производитель: МАЗ ОАО, УВК
  • Каталожный номер по заводу: 6-7217А
  • Код для заказа:  67217А
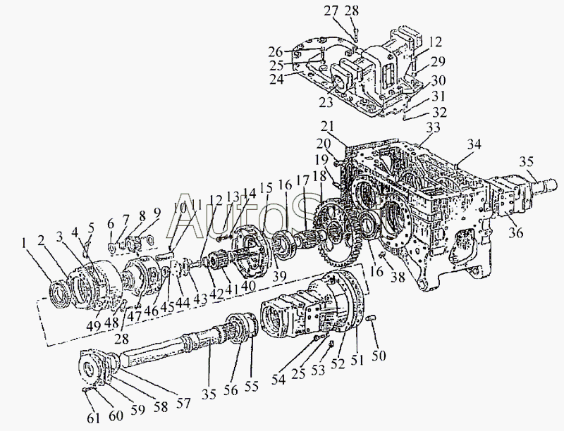
Марка Модель Кат.номер Наим. по каталогу Чертеж
Камский автозавод 6460 6-7217А Подшипник роликовый конический однорядный Передача главная среднего моста Чертеж Передача главная среднего моста
Камский автозавод 6520 6-7217А Подшипник роликовый конический однорядный Передача главная среднего моста Чертеж Передача главная среднего моста
Камский автозавод 740.30-260 (Евро 2) (2004) 45104953000710 Подшипник 6-7217А роликовый конический однорядный 154.1700150 Коробка передач Чертеж 154.1700150 Коробка передач
Камский автозавод 740.30-260 (Евро 2) (2004) 45104953000712 Кольцо внутреннее с сепаратором и роликами подшипника 6-7217А 154.1701025 Вал первичный коробки передач Чертеж 154.1701025 Вал первичный коробки передач
Камский автозавод 6522 (2005) 6-7217А Подшипник роликовый конический однорядный Передача главная среднего моста Чертеж Передача главная среднего моста
Камский автозавод 65116 (2006) 45104953000712 Кольцо внутреннее с сепаратором и роликами подшипника 6-7217А Вал первичный коробки передач с зубчатой муфтой и втулкой Чертеж Вал первичный коробки передач с зубчатой муфтой и втулкой
Камский автозавод 43501 (4х4) (2007) 45104953000710 Подшипник 6-7217А роликовый конический однорядный 154.1700150 Коробка передач в сборе Чертеж 154.1700150 Коробка передач в сборе
Камский автозавод 4350 (4х4) (2004) 45104953000710 Подшипник 6-7217А роликовый конический однорядный 154.1700150 Коробка передач в сборе Чертеж 154.1700150 Коробка передач в сборе
Камский автозавод 43261 (Евро-1, 2) (2007) 45104953000710 Подшипник 6-7217А роликовый конический однорядный 154.1700150 Коробка передач Чертеж 154.1700150 Коробка передач
Камский автозавод 43261 (Евро-1, 2) (2007) 45104953000712 Кольцо внутреннее с сепаратором и роликами подшипника 6-7217А 154.1701025 Вал первичный коробки передач Чертеж 154.1701025 Вал первичный коробки передач
МТЗ МТЗ-1221 (1997) 7217А Подшипник Корпус заднего моста Чертеж Корпус заднего моста
МТЗ МТЗ-1523 7217А Подшипник Корпус заднего моста. Конечная передача
МТЗ МТЗ-1522 (2008) 7217А Подшипник Корпус заднего моста. Конечная передача
МТЗ МТЗ-1222/1523 (2009) 7217А Подшипник Корпус заднего моста. Конечная передача Чертеж Корпус заднего моста. Конечная передача
МТЗ МТЗ-1523.4 (2010) 7217А Подшипник Корпус заднего моста, конечная передача
МТЗ МТЗ-1021.3 (2010) 7217А Подшипник Задний мост, дифференциал, конечные передачи Чертеж Задний мост, дифференциал, конечные передачи
МТЗ МТЗ-1221 (2009) (2009) 7217А Подшипник Задний мост. Дифференциал. Конечные передачи Чертеж Задний мост. Дифференциал. Конечные передачи
МТЗ 1220 (2011) 7217А Подшипник Задний мост. Дифференциал. Конечные передачи Чертеж Задний мост. Дифференциал. Конечные передачи
АМАЗ МАЗ-256 6-7217А Подшипник Дифференциал 4370-2403010-010
МАЗ МАЗ-437041 (Зубренок) (2010) 6-7217А Подшипник 6-7217 А Редуктор заднего моста. Дифференциал 4370-2403010-020 Чертеж Редуктор заднего моста. Дифференциал 4370-2403010-020
Товары из этой категории
Прокладка  МАЗ ОАО, УВК 6430-5001896-010
Прокладка МАЗ ОАО, УВК
Каталожный номер 6430-5001896-010
Производитель
Код 64305001896010
Доставка по всей Беларуси
Остаток Под заказ
Гайка накидная  МАЗ ОАО 401120
Гайка накидная МАЗ ОАО
Каталожный номер 401120
Производитель
Код 401120
Доставка по всей Беларуси
Остаток Под заказ
Палец  МАЗ ОАО 6430-2906026
Палец МАЗ ОАО
Каталожный номер 6430-2906026
Производитель
Код 64302906026
Доставка по всей Беларуси
Остаток Под заказ
Петля  МАЗ ОАО 256000-5411101
Петля МАЗ ОАО
Каталожный номер 256000-5411101
Производитель
Код 2560005411101
Доставка по всей Беларуси
Остаток Под заказ
Корпус водила, МАЗ ОАО 631705-2305029-000
Корпус водила, МАЗ ОАО
Каталожный номер 631705-2305029-000
Производитель
Код 6317052305029000
Доставка по всей Беларуси
Остаток Под заказ