Республика Беларусь,
г. Минск, ул. Селицкого 21к - центральный склад
Пн-пт с 8:00 до 17:00
Меню
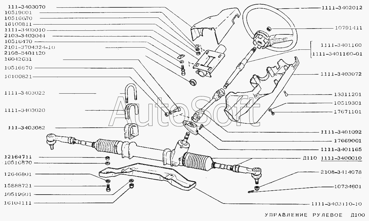
2108-3401120 Подшипник вала рулевого
Наименование: Подшипник 2108-3401120 вала рулевого
Каталожный номер: 2108-3401120
Производитель: RSTA
Код товара: 00-ГР033434
Доставка: по всей Беларуси
Остаток: под заказ

Нашли не точность в описании товара? сообщить администратору.

+375 (44) 770-80-78 +375 (29) 747-80-78
* Выставить счет, получить техническую информацию и стоимость
Заказать деталь Онлайн
Описание
Наличие на филиалах
Применяемость
Заменить на СТО

Подшипник 2108-3401120 вала рулевого производства RSTA (РФ), Код для заказа: 00-ГР033434

Марка Модель Кат.номер Наим. по каталогу Чертеж
ВАЗ ВАЗ-2108 2108-3401120 Подшипник игольчатый Колонка рулевая Чертеж Колонка рулевая
ВАЗ ВАЗ-2109 (1991) 2108-3401120 Подшипник игольчатый Колонка рулевая Чертеж Колонка рулевая
ВАЗ ВАЗ-2109 (1991) 2108-3401120 Подшипник игольчатый Колонка рулевая Чертеж Колонка рулевая
ВАЗ ВАЗ-21099 2108-3401120 Подшипник игольчатый Колонка рулевая
ВАЗ ВАЗ-21099 2108-3401120 Подшипник игольчатый Колонка рулевая
ВАЗ ВАЗ-2110 2108-3401120 Подшипник игольчатый Вал рулевого управления
ВАЗ ВАЗ-2111 2108-3401120 Подшипник игольчатый Вал рулевого управления Чертеж Вал рулевого управления
ВАЗ ВАЗ-2112 2108-3401120 Подшипник игольчатый Вал рулевого управления
ВАЗ ВАЗ-2115 (2000) 2108-3401120 Подшипник игольчатый Вал рулевого управления
ВАЗ ВАЗ-2120 (Надежда) 2108-3401120 Подшипник игольчатый Вал рулевого управления
ВАЗ ВАЗ-2120 (Надежда) 2108-3401120 Подшипник игольчатый Схема установки подшипников
ВАЗ ВАЗ-1111 "ОКА" (1998) 2108-3401120 Подшипник игольчатый Управление рулевое Чертеж Управление рулевое
ВАЗ ВАЗ-2123 (2000) 2108-3401120 Подшипник игольчатый Вал рулевого управления
ВАЗ ВАЗ-2110 (2004) 2108-3401120 Подшипник игольчатый Вал рулевого управления Чертеж Вал рулевого управления
ВАЗ ВАЗ-2110 (2000) 2108-3401120 Подшипник игольчатый Вал рулевого управления
ВАЗ ВАЗ-2110 (2000) 2108-3401120 Подшипник игольчатый Схема расположения подшипников качения Чертеж Схема расположения подшипников качения
ВАЗ ВАЗ-2115 (2003) 2108-3401120 Подшипник игольчатый Вал рулевого управления Чертеж Вал рулевого управления
ВАЗ ВАЗ-2115 (2003) 2108-3401120 Подшипник игольчатый Схема расположения подшипников качения Чертеж Схема расположения подшипников качения
ВАЗ ВАЗ-1111 (ОКА) (2000) 2108-3401120 Подшипник игольчатый Управление рулевое
ВАЗ ВАЗ-1111 (ОКА) (2000) 2108-3401120 Подшипник игольчатый Схема расположения подшипников качения
Товары из этой категории
Масло моторное SAE 5W-40 VOLAR Ultra API SN/CF (5л.) 5W-40
Масло моторное SAE 5W-40 VOLAR Ultra API SN/CF (5л.)
Каталожный номер 5W-40
Производитель VOLAR VOLAR
Код 00-ГР037416
Доставка по всей Беларуси
Доступность остатки на филиалах Остатки на филиалах
Остаток Под заказ
Диск тормозной 2121-3501070 «ЗавГар» 2121-3501070
Диск тормозной 2121-3501070 «ЗавГар»
Каталожный номер 2121-3501070
Производитель ЗавГар ЗавГар
Код 17896
Доставка по всей Беларуси
Доступность остатки на филиалах Остатки на филиалах
Остаток: г.Минск, ул.Селицкого 21к В наличии
Склад Адрес Контакт Остатки
г. Минск ул. Селицкого, 21к +375 (44) 770-80-78 ( Средне )
Схема проезда
Фильтр масляный 2108-1012005-08 2108-1012005-08
Фильтр масляный 2108-1012005-08
Каталожный номер 2108-1012005-08
Производитель ВАЗ ВАЗ
Код 29291
Доставка по всей Беларуси
Доступность остатки на филиалах Остатки на филиалах
Остаток В наличии
Склад Адрес Контакт Остатки
г. Гомель ул. Барыкина, 291Б +375 (44) 514-15-30 ( Средне )
Схема проезда
Пробка расширительного бачка 2108-1311065
Пробка расширительного бачка
Каталожный номер 2108-1311065
Производитель ЗавГар ЗавГар
Код 46071
Доставка по всей Беларуси
Доступность остатки на филиалах Остатки на филиалах
Остаток: г.Минск, ул.Селицкого 21к В наличии
Склад Адрес Контакт Остатки
г. Минск ул. Селицкого, 21к +375 (44) 770-80-78 ( Мало )
Схема проезда
г. Бобруйск ул. Орловского, 22к3 +375 (29) 345-37-07 ( Мало )
Схема проезда
г. Гродно ул. Карского, 35 +375 (44) 770-70-21 ( Мало )
Схема проезда
г. Жлобин ул. Козлова, 25 +375 (29) 346-06-78 ( Мало )
Схема проезда
г. Ошмяны ул. Льнозоводская 3 +375 (44) 770-80-91 ( Мало )
Схема проезда
г. Петриков ул. Первомайская, 124 +375 (33) 660-06-75 ( Мало )
Схема проезда
Чехол 21214-2201168 шарнира вала карданного 21214-2201168
Чехол 21214-2201168 шарнира вала карданного
Каталожный номер 21214-2201168
Производитель РФ РФ
Код 00-ГР020228
Доставка по всей Беларуси
Доступность остатки на филиалах Остатки на филиалах
Остаток Под заказ