Республика Беларусь,
г. Минск, ул. Селицкого 21к - центральный склад
Пн-пт с 8:00 до 17:00
Меню
180505 Подшипник
Наименование: Подшипник 180505
Каталожный номер: 180505
Производитель: RCZP LTD
Код товара: 28729
Доставка: по всей Беларуси
Остаток: под заказ

Нашли не точность в описании товара? сообщить администратору.

+375 (44) 770-80-78 +375 (29) 747-80-78
* Выставить счет, получить техническую информацию и стоимость
Заказать деталь Онлайн
Описание
Наличие на филиалах
Применяемость
Заменить на СТО

Подшипник 180505 производства RCZP LTD (РФ), Код для заказа: 28729

Марка Модель Кат.номер Наим. по каталогу Чертеж
СМД 23 (Каталог РСМ) 180505 Подшипник Ролик натяжной
СМД 31А (Каталог РСМ) 180505 Подшипник Ролик натяжной
СМД 21...-24 (1998 г. Москва) (1998) 180505 Подшипник Ролик натяжной СМД-21, -22, 22А, 23, 23.01, 23.02, 24, 24.01, 24.02 Чертеж Ролик натяжной СМД-21, -22, 22А, 23, 23.01, 23.02, 24, 24.01, 24.02
СМД 31 (1998 г. Москва) (1998) 180505 Подшипник Ролик натяжной СМД-31, -31А, -31.01, 31Б.04 Чертеж Ролик натяжной СМД-31, -31А, -31.01, 31Б.04
СМД 60...-73 (1998 г. Москва) (1998) 180505 Подшипник Ролик натяжной СМД-60, -62, -64, -66, -72 Чертеж Ролик натяжной СМД-60, -62, -64, -66, -72
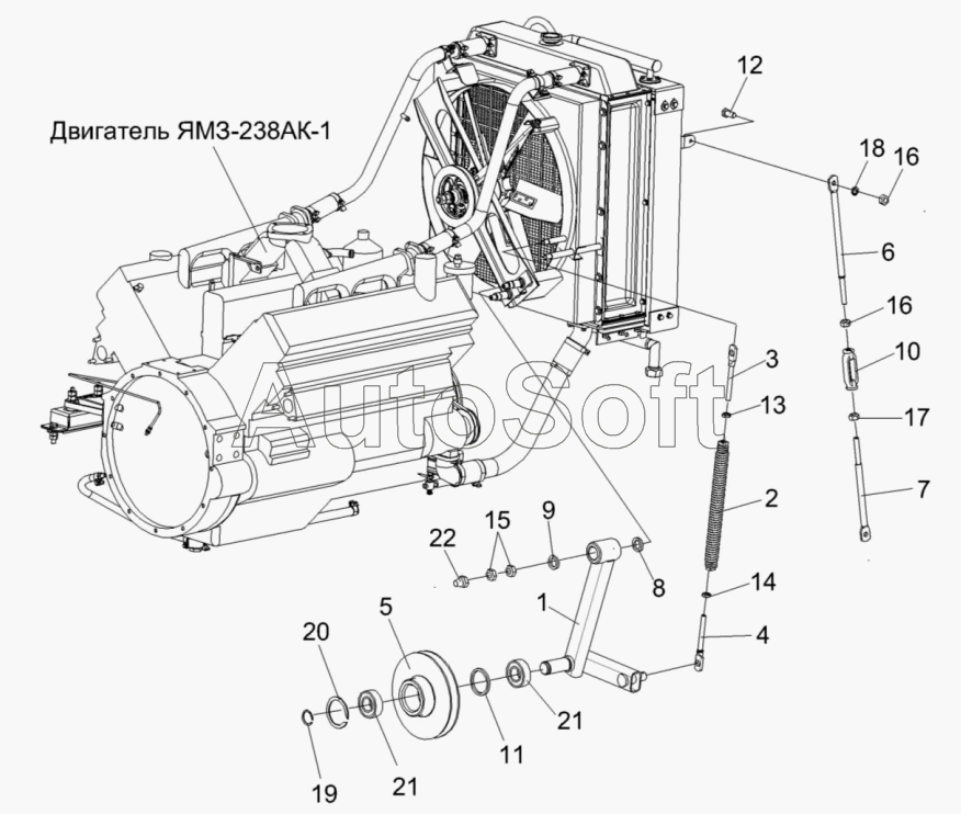
Гомсельмаш КСК-100А (2002) 180505 Подшипник ГОСТ 8882-75 Установка привода вентилятора КИС 0106650В Чертеж Установка привода вентилятора КИС 0106650В
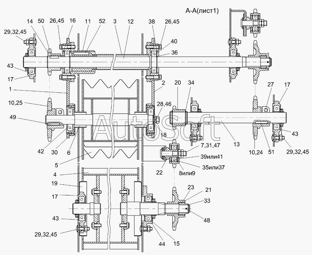
Гомсельмаш КСК-100А (2002) Подшипник №180505 ГОСТ 8882-75 Подшипник №180505 ГОСТ 8882-75 Схема расположения подшипников самоходного измельчителя Чертеж Схема расположения подшипников самоходного измельчителя
Гомсельмаш КСК-600 (2007) Подшипник 180505-8882 Подшипник 180505-8882 Рычаг КГС 0116110
Гомсельмаш КСК-600 (2007) Подшипник 180505 С17 – 8882 Подшипник 180505 С17 – 8882 Рамка переходная КГС 0810000 Чертеж Рамка переходная КГС 0810000
Гомсельмаш КСК-600 (2007) Подшипник 180505 С17 – 8882 Подшипник 180505 С17 – 8882 Рамка переходная КГС 0810000 Чертеж Рамка переходная КГС 0810000
Гомсельмаш КВК-800 (FS80-5) (2013) 180505-8882 Подшипник 180505-8882 Привод вентилятора КВС-5-0150260
Гомсельмаш КЗС-812 (2013) 180505С17-8882 Подшипник 180505 С17-8882 Привод вентилятора КЗК 0106020Б
Гомсельмаш КЗС-812С (2011) 180505С17-8882 Подшипник 180505 С17-8882 Привод вентилятора КЗК 0106020Б
Гомсельмаш КГС-0800000 (2010) 180505С17-8882 Подшипник 180505 С17-8882 Рамка переходная КГС 0810000 (лист 3) Чертеж Рамка переходная КГС 0810000 (лист 3)
Гомсельмаш КЗС-7 (2010) 180505С17-8882 Подшипник 180505 С17-8882 Привод вентилятора КЗК 0106020А
Гомсельмаш КСК-600 (2011) 180505-8882 Подшипник 180505-8882 Установка рычага КГС 0116230 и растяжки КИЛ-1-0116330 Чертеж Установка рычага КГС 0116230 и растяжки КИЛ-1-0116330
Гомсельмаш КЗС-575 (2016) 180505-8882 Подшипник 180505-8882 Рычаг КЗК 0106700А
Гомсельмаш КВК-800 (FS80-2) (2010) 180505-8882 Подшипник 180505-8882 Привод вентилятора КВС-2-0150090А
Гомсельмаш КВК-800 (FS80-5) (2016) 180505-8882 Подшипник 180505-8882 Привод вентилятора КВС-5-0150260
Гомсельмаш КСК-600 (2015) 180505-8882 Подшипник 180505-8882 Установка рычага КГС 0116230 и растяжки КИЛ-1-0116330
Товары из этой категории
Подшипник 8.9647 (6-42308 АЛ1М) (я) 8.9647
Подшипник 8.9647 (6-42308 АЛ1М) (я)
Каталожный номер 8.9647
Производитель Автодизель Автодизель
Код 4487
Доставка по всей Беларуси
Доступность остатки на филиалах Остатки на филиалах
Остаток: г.Минск, ул.Селицкого 21к В наличии
Склад Адрес Контакт Остатки
г. Минск ул. Селицкого, 21к +375 (44) 770-80-78 ( Средне )
Схема проезда
г. Бобруйск ул. Орловского, 22к3 +375 (29) 345-37-07 ( Мало )
Схема проезда
г. Гомель ул. Барыкина, 291Б +375 (44) 514-15-30 ( Мало )
Схема проезда
г. Кобрин ул. Пролетарская, 177А +375 (44) 588-10-80 ( Мало )
Схема проезда
г. Ошмяны ул. Льнозоводская 3 +375 (44) 770-80-91 ( Мало )
Схема проезда
Подшипник 180203 180203 (6203 2RS)
Подшипник 180203
Каталожный номер 180203 (6203 2RS)
Производитель RCZP LTD RCZP LTD
Код 18573
Доставка по всей Беларуси
Доступность остатки на филиалах Остатки на филиалах
Остаток: г.Минск, ул.Селицкого 21к В наличии
Склад Адрес Контакт Остатки
г. Минск ул. Бабушкина, 37 +375 (29) 632-00-82 ( Мало )
Схема проезда
г. Минск ул. Селицкого, 21к +375 (44) 770-80-78 ( Много )
Схема проезда
г. Барановичи ул. Бадака, 27Б +375 (29) 350-33-47 ( Много )
Схема проезда
г. Березино ул. Комсомольская, д. 24 +375 (44) 770-80-17 ( Много )
Схема проезда
г. Бобруйск ул. Гоголя, 181/1-6 +375 (29) 630-05-01 ( Средне )
Схема проезда
г. Бобруйск ул. Орловского, 22к3 +375 (29) 345-37-07 ( Средне )
Схема проезда
г. Борисов ул. Демина, 2а +375 (44) 560-99-75 ( Средне )
Схема проезда
г. Брест Тельминский с/с, 1Д/1, 1 км южнее д. Тельмы-2 +375 (44) 599-90-75 ( Средне )
Схема проезда
г. Витебск ул. Правды, 33 +375 (44) 770-80-87 ( Средне )
Схема проезда
г. Витебск ул. Петруся Бровки, 34 +375 (29) 636-25-08 ( Средне )
Схема проезда
г. Глубокое ул. Энгельса, 22 +375 (44) 505-71-40 ( Много )
Схема проезда
г. Гомель ул. Барыкина, 291Б +375 (44) 514-15-30 ( Мало )
Схема проезда
г. Гомель ул. Барыкина, 291Б +375 (44) 514-15-30 ( Средне )
Схема проезда
г. Горки ул.Мира, д.51а/1 +375 (44) 565-33-61 ( Много )
Схема проезда
г. Гродно ул. Карского, 35 +375 (44) 770-70-21 ( Средне )
Схема проезда
г. Дрогичин ул. Юбилейная, 42 +375 (29) 682-17-13 ( Средне )
Схема проезда
г. Житковичи ул. Комсомольская, 49 +375 (29) 394-82-52 ( Много )
Схема проезда
г. Жлобин ул. Козлова, 25 +375 (29) 346-06-78 ( Много )
Схема проезда
г. Ивацевичи ул. Загородная, 6А +375 (29) 188-59-01 ( Много )
Схема проезда
г. Кобрин ул. Пролетарская, 177А +375 (44) 588-10-80 ( Средне )
Схема проезда
г. Кричев ул. Комсомольская, 126 +375 (29) 628-88-42 ( Много )
Схема проезда
г. Лельчицы ул. Советская, д.96/1 +375 (29) 346-98-96 ( Много )
Схема проезда
г. Лепель ул. Лобанка, 43 +375 (44) 778-65-21 ( Средне )
Схема проезда
г. Лунинец ул.Красная, 175а +375 (44) 721-46-74 ( Много )
Схема проезда
г. Могилев ул. Габровская 11Б +375 (29) 662-02-16 ( Мало )
Схема проезда
г. Мозырь промузел Козенки +375 (44) 731-94-60 ( Средне )
Схема проезда
г. Несвиж ул. Кутузова, 2 +375 (29) 394-82-48 ( Средне )
Схема проезда
г. Новогрудок ул. Индустриальная, 3 +375 (44) 729-39-19 ( Много )
Схема проезда
г. Орша ул. Сергея Кирова, д. 34 +375 (44) 583-91-42 ( Много )
Схема проезда
г. Осиповичи ул. Короткая, 11 +375 (29) 165-60-07 ( Много )
Схема проезда
г. Ошмяны ул. Льнозоводская 3 +375 (44) 770-80-91 ( Много )
Схема проезда
г. Пинск ул. Калиновского 32 +375 (44) 560-99-59 ( Средне )
Схема проезда
г. Полоцк-2 ул. Шенягина, 52 +375 (29) 302-94-73 ( Средне )
Схема проезда
г. Полоцк-2 ул. Шенягина, 52 +375 (29) 302-94-73 ( Средне )
Схема проезда
г. Поставы ул. Советская, 69 +375 (44) 770-80-13 ( Много )
Схема проезда
г. Пружаны ул. Макаренко, 21 +375 (29) 348-83-18 ( Средне )
Схема проезда
г. Слоним ул. Советская, 93а +375 (29) 394-82-01 ( Средне )
Схема проезда
г. Слуцк ул. Тутаринова, 8 +375 (29) 346-06-90 ( Средне )
Схема проезда
г. Сморгонь ул. Железнодорожная, 32 +375 (29) 671-02-10 ( Средне )
Схема проезда
г. Солигорск Чижевичский сельсовет, 3Г +375 (29) 899-58-52 ( Много )
Схема проезда
г. Столин ул. Быковского, 29 +375 (33) 304-54-36 ( Много )
Схема проезда
г. Щучин ул. Советская, 39 +375 (29) 177-29-70 ( Средне )
Схема проезда
Подшипник 664906E (K28x33x27) 664906E (K28x33x27)
Подшипник 664906E (K28x33x27)
Каталожный номер 664906E (K28x33x27)
Производитель RCZP LTD RCZP LTD
Код 00-ГР024799
Доставка по всей Беларуси
Доступность остатки на филиалах Остатки на филиалах
Остаток: г.Минск, ул.Селицкого 21к В наличии
Склад Адрес Контакт Остатки
г. Минск ул. Селицкого, 21к +375 (44) 770-80-78 ( Средне )
Схема проезда
Подшипник 1211Т 1211Т
Подшипник 1211Т
Каталожный номер 1211Т
Производитель RCZP LTD RCZP LTD
Код 34114
Доставка по всей Беларуси
Доступность остатки на филиалах Остатки на филиалах
Остаток В наличии
Склад Адрес Контакт Остатки
г. Гродно ул. Карского, 35 +375 (44) 770-70-21 ( Мало )
Схема проезда
г. Мозырь промузел Козенки +375 (44) 731-94-60 ( Мало )
Схема проезда
Подшипник 180210-8882 вариатора Гомсельмаш 180210 (6210 2RS)
Подшипник 180210-8882 вариатора Гомсельмаш
Каталожный номер 180210 (6210 2RS)
Производитель RCZP LTD RCZP LTD
Код 19912
Доставка по всей Беларуси
Доступность остатки на филиалах Остатки на филиалах
Остаток: г.Минск, ул.Селицкого 21к В наличии
Склад Адрес Контакт Остатки
г. Минск ул. Селицкого, 21к +375 (44) 770-80-78 ( Много )
Схема проезда
г. Березино ул. Комсомольская, д. 24 +375 (44) 770-80-17 ( Средне )
Схема проезда
г. Берёза ул. Красноармейская, 89/11 +375 (29) 676-70-71 ( Мало )
Схема проезда
г. Бобруйск ул. Гоголя, 181/1-6 +375 (29) 630-05-01 ( Средне )
Схема проезда
г. Борисов ул. Демина, 2а +375 (44) 560-99-75 ( Много )
Схема проезда
г. Витебск ул. Правды, 33 +375 (44) 770-80-87 ( Средне )
Схема проезда
г. Глубокое ул. Энгельса, 22 +375 (44) 505-71-40 ( Средне )
Схема проезда
г. Гомель ул. Барыкина, 291Б +375 (44) 514-15-30 ( Много )
Схема проезда
г. Горки ул.Мира, д.51а/1 +375 (44) 565-33-61 ( Средне )
Схема проезда
г. Гродно ул. Карского, 35 +375 (44) 770-70-21 ( Средне )
Схема проезда
г. Дрогичин ул. Юбилейная, 42 +375 (29) 682-17-13 ( Средне )
Схема проезда
г. Дятлово ул. Советская ,104 +375 (29) 187-87-37 ( Средне )
Схема проезда
г. Житковичи ул. Комсомольская, 49 +375 (29) 394-82-52 ( Много )
Схема проезда
г. Жлобин ул. Козлова, 25 +375 (29) 346-06-78 ( Средне )
Схема проезда
г. Ивацевичи ул. Загородная, 6А +375 (29) 188-59-01 ( Много )
Схема проезда
г. Кобрин ул. Пролетарская, 177А +375 (44) 588-10-80 ( Средне )
Схема проезда
г. Кричев ул. Комсомольская, 126 +375 (29) 628-88-42 ( Средне )
Схема проезда
г. Лельчицы ул. Советская, д.96/1 +375 (29) 346-98-96 ( Много )
Схема проезда
г. Лепель ул. Лобанка, 43 +375 (44) 778-65-21 ( Средне )
Схема проезда
г. Лунинец ул.Красная, 175а +375 (44) 721-46-74 ( Много )
Схема проезда
г. Молодечно ул. Галицкого, 14 +375 (44) 567-28-47 ( Средне )
Схема проезда
г. Несвиж ул. Кутузова, 2 +375 (29) 394-82-48 ( Мало )
Схема проезда
г. Осиповичи ул. Короткая, 11 +375 (29) 165-60-07 ( Много )
Схема проезда
г. Ошмяны ул. Льнозоводская 3 +375 (44) 770-80-91 ( Средне )
Схема проезда
г. Поставы ул. Советская, 69 +375 (44) 770-80-13 ( Много )
Схема проезда
г. Пружаны ул. Макаренко, 21 +375 (29) 348-83-18 ( Средне )
Схема проезда
г. Слоним ул. Советская, 93а +375 (29) 394-82-01 ( Средне )
Схема проезда
г. Солигорск Чижевичский сельсовет, 3Г +375 (29) 899-58-52 ( Средне )
Схема проезда
г. Столин ул. Быковского, 29 +375 (33) 304-54-36 ( Много )
Схема проезда
г. Щучин ул. Советская, 39 +375 (29) 177-29-70 ( Средне )
Схема проезда