Республика Беларусь,
г. Минск, ул. Селицкого 21к - центральный склад
Пн-пт с 8:00 до 17:00
Меню
1321-2707011-Б Плита
Наименование: Плита 1321-2707011-Б
Каталожный номер: 1321-2707011-Б
Производитель: RSTA
Код товара: 00-ГР011156
Доставка: по всей Беларуси
Остаток: под заказ

Нашли не точность в описании товара? сообщить администратору.

+375 (44) 770-80-78 +375 (29) 747-80-78
* Выставить счет, получить техническую информацию и стоимость
Заказать деталь Онлайн
Описание
Наличие на филиалах
Применяемость
Заменить на СТО

30.09.20

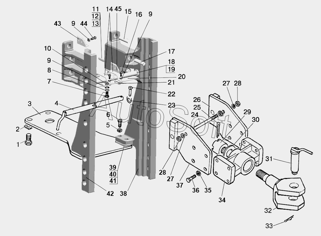
Плита 1321-2707011-Б производства RSTA (РФ), Код для заказа: 00-ГР011156

Марка Модель Кат.номер Наим. по каталогу Чертеж
МТЗ МТЗ-822 (2008) 1321-2707011-Б Плита Тягово-сцепное устройство
МТЗ МТЗ-922 (2008) 1321-2707011-Б Плита Тягово-сцепное устройство Чертеж Тягово-сцепное устройство
МТЗ МТЗ-923 (2008) 1321-2707011-Б Плита Тягово-сцепное устройство
МТЗ МТЗ-80 (2009) (2009) 1321-2707011-Б Плита Тягово-сцепное устройство (для трактора «БЕЛАРУС-82П»)
МТЗ МТЗ-900/920/950/952 (2009) 1321-2707011-Б Плита Тягово-сцепное устройство
МТЗ МТЗ-920.4/952.4 (2009) 1321-2707011-Б Плита Тягово-сцепное устройство
МТЗ МТЗ-826 (2010) 1321-2707011-Б Плита Тягово-сцепное устройство
МТЗ МТЗ-1021.3 (2010) 1321-2707011-Б Плита Тягово-сцепное устройство (сварные боковины)
МТЗ МТЗ-1021.3 (2010) 1321-2707011-Б Плита Тягово-сцепное устройство (литые боковины) Чертеж Тягово-сцепное устройство (литые боковины)
МТЗ МТЗ-1025.4 (2009) 1321-2707011-Б Плита Тягово-сцепное устройство
МТЗ МТЗ-1221 (2009) (2009) 1321-2707011-Б Плита Тягово-сцепное устройство (варианты комплектации) Чертеж Тягово-сцепное устройство (варианты комплектации)
МТЗ МТЗ-1221 (2009) (2009) 1321-2707011-Б Плита Устройство прицепное. Тягово-сцепное устройство Чертеж Устройство прицепное. Тягово-сцепное устройство
МТЗ 1220 (2011) 1321-2707011-Б Плита Тягово-сцепное устройство Чертеж Тягово-сцепное устройство
МТЗ 92П (2010) 1321-2707011-Б Плита Тягово-сцепное устройство Чертеж Тягово-сцепное устройство
МТЗ 1220.5 (2013) 1321-2707011-Б Плита Тягово-сцепное устройство
МТЗ 922.5 (2013) 1321-2707011-Б Плита Тягово-сцепное устройство Чертеж Тягово-сцепное устройство
МТЗ 923.4 (2014) 1321-2707011-Б Плита Тягово-сцепное устройство Чертеж Тягово-сцепное устройство
МТЗ 922.3 / 922.4 (2013) 1321-2707011-Б Плита Тягово-сцепное устройство Чертеж Тягово-сцепное устройство
МТЗ 923.5 (2013) 1321-2707011-Б Плита Тягово-сцепное устройство
МТЗ МТЗ-80.1 (2015) 1321-2707011-Б Плита Тягово-сцепное устройство Чертеж Тягово-сцепное устройство