Республика Беларусь,
г. Минск, ул. Селицкого 21к - центральный склад
Пн-пт с 8:00 до 17:00
Меню
ТО-18.02.10.021 Пластина
Наименование: Пластина ТО-18.02.10.021
Каталожный номер: ТО-18.02.10.021
Производитель: РБ
Код товара: 00-ГР006564
Доставка: по всей Беларуси
Остаток: под заказ

Нашли не точность в описании товара? сообщить администратору.

+375 (44) 770-80-78 +375 (29) 747-80-78
* Выставить счет, получить техническую информацию и стоимость
Заказать деталь Онлайн
Описание
Наличие на филиалах
Применяемость
Заменить на СТО

Пластина ТО-18.02.10.021 производства РБ (РБ), Код для заказа: 00-ГР006564

Марка Модель Кат.номер Наим. по каталогу Чертеж
ГАЗ ГАЗ-24-10 (1995) ХГ.2.021.027 Радиоприемник (24-10-7901010) Радиооборудование
ГАЗ ГАЗ-3102 (2000) Хг2.021.018-01 Магнитола «Старт-203» (3102-7901010) Радиооборудование Чертеж Радиооборудование
ГАЗ ГАЗ-31029 Х-Г2.021.018-08 Магнитола Радиооборудование Чертеж Радиооборудование
ГАЗ ГАЗ-3105 (1996) Хг2.021.035 Магнитола "Старт-203Э2-05 стерео" Радиоприемник
ГАЗ ГАЗ-3110 РМ95.09.021-01 Провод соединительный Радиооборудование, антенна с электроприводом
МАЗ МАЗ-437040 (Зубренок) (2002) ВРЕИ 203621.021-01 Зеркало широкоугольное IV класса Установка стекол и зеркал Чертеж Установка стекол и зеркал
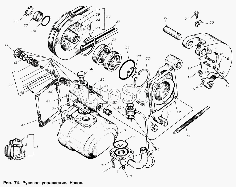
МАЗ МАЗ-437040 (Зубренок) (2002) 021-025-25-2-3 Кольцо Установка рулевого управления Чертеж Установка рулевого управления
МАЗ МАЗ-437040 (Зубренок) (2002) 253111 Кольцо 021-025-25-2-3 Клапан расхода и давления
МАЗ МАЗ-437040 (Зубренок) (2002) 017-021-25-2-3 Кольцо Установка рулевой колонки и рулевого механизма
МАЗ МАЗ-53363 ВРЕИ.203621-021-01 Зеркало широкоугольное Установка стекол, зеркал и противосолнечных козырьков, крышки вентиляционного люка Чертеж Установка стекол, зеркал и противосолнечных козырьков, крышки вентиляционного люка
МАЗ МАЗ-53363 021-025-25-2-3 Кольцо Установка рулевого управления Чертеж Установка рулевого управления
МАЗ МАЗ-53363 017-021-25-2-3 Кольцо Установка рулевого управления Чертеж Установка рулевого управления
МАЗ МАЗ-53363 021-025-25-2-3 Кольцо Рулевое управление. Насос Чертеж Рулевое управление. Насос
МАЗ МАЗ-53363 ХГ2.021.030-14 Магнитола в комплекте с динамиками Электрооборудование Чертеж Электрооборудование
МАЗ МАЗ-53366 ВРЕИ.203621-021-01 Зеркало широкоугольное Установка стекол, зеркал и противосолнечных козырьков, крышки вентиляционного люка Чертеж Установка стекол, зеркал и противосолнечных козырьков, крышки вентиляционного люка
МАЗ МАЗ-53366 021-025-25-2-3 Кольцо Установка рулевого управления Чертеж Установка рулевого управления
МАЗ МАЗ-53366 017-021-25-2-3 Кольцо Установка рулевого управления Чертеж Установка рулевого управления
МАЗ МАЗ-53366 021-025-25-2-3 Кольцо Рулевое управление. Насос Чертеж Рулевое управление. Насос
МАЗ МАЗ-53366 ХГ2.021.030-14 Магнитола в комплекте с динамиками Электрооборудование Чертеж Электрооборудование
МАЗ МАЗ-5337 ВРЕИ-203621.021-03 Зеркало широкоугольное Установка стекол, зеркал и противосолнечных козырьков Чертеж Установка стекол, зеркал и противосолнечных козырьков
Товары из этой категории
Датчик 19.3828 AE температуры АВТОЭЛЕКТРИКА 19.3828 AE
Датчик 19.3828 AE температуры АВТОЭЛЕКТРИКА
Каталожный номер 19.3828 AE
Производитель Автоэлектрика Автоэлектрика
Код 00-ГР022721
Доставка по всей Беларуси
Доступность остатки на филиалах Остатки на филиалах
Остаток: г.Минск, ул.Селицкого 21к В наличии
Склад Адрес Контакт Остатки
г. Минск ул. Селицкого, 21к +375 (44) 770-80-78 ( Мало )
Схема проезда
г. Березино ул. Комсомольская, д. 24 +375 (44) 770-80-17 ( Мало )
Схема проезда
г. Бобруйск ул. Орловского, 22к3 +375 (29) 345-37-07 ( Мало )
Схема проезда
г. Борисов ул. Демина, 2а +375 (44) 560-99-75 ( Мало )
Схема проезда
г. Брест Тельминский с/с, 1Д/1, 1 км южнее д. Тельмы-2 +375 (44) 599-90-75 ( Мало )
Схема проезда
г. Витебск ул. Правды, 33 +375 (44) 770-80-87 ( Мало )
Схема проезда
г. Гродно ул. Карского, 35 +375 (44) 770-70-21 ( Мало )
Схема проезда
г. Дрогичин ул. Юбилейная, 42 +375 (29) 682-17-13 ( Мало )
Схема проезда
г. Житковичи ул. Комсомольская, 49 +375 (29) 394-82-52 ( Средне )
Схема проезда
г. Ивацевичи ул. Загородная, 6А +375 (29) 188-59-01 ( Мало )
Схема проезда
г. Кобрин ул. Пролетарская, 177А +375 (44) 588-10-80 ( Мало )
Схема проезда
г. Кричев ул. Комсомольская, 126 +375 (29) 628-88-42 ( Мало )
Схема проезда
г. Ошмяны ул. Льнозоводская 3 +375 (44) 770-80-91 ( Средне )
Схема проезда
г. Петриков ул. Первомайская, 124 +375 (33) 660-06-75 ( Мало )
Схема проезда
г. Пинск ул. Калиновского 32 +375 (44) 560-99-59 ( Мало )
Схема проезда
г. Полоцк-2 ул. Шенягина, 52 +375 (29) 302-94-73 ( Мало )
Схема проезда
г. Слоним ул. Советская, 93а +375 (29) 394-82-01 ( Мало )
Схема проезда
г. Сморгонь ул. Железнодорожная, 32 +375 (29) 671-02-10 ( Мало )
Схема проезда
г. Солигорск Чижевичский сельсовет, 3Г +375 (29) 899-58-52 ( Мало )
Схема проезда
Датчик давления масла 23.3829
Датчик давления масла
Каталожный номер 23.3829
Производитель RSTA RSTA
Код 10975
Доставка по всей Беларуси
Доступность остатки на филиалах Остатки на филиалах
Остаток В наличии
Склад Адрес Контакт Остатки
г. Горки ул.Мира, д.51а/1 +375 (44) 565-33-61 ( Мало )
Схема проезда
г. Гродно ул. Карского, 35 +375 (44) 770-70-21 ( Мало )
Схема проезда
Датчик 6002.3829 АЕ давления масла АВТОЭЛЕКТРИКА 6002.3829 АЕ
Датчик 6002.3829 АЕ давления масла АВТОЭЛЕКТРИКА
Каталожный номер 6002.3829 АЕ
Производитель Автоэлектрика Автоэлектрика
Код 00-ГР022717
Доставка по всей Беларуси
Доступность остатки на филиалах Остатки на филиалах
Остаток: г.Минск, ул.Селицкого 21к В наличии
Склад Адрес Контакт Остатки
г. Минск ул. Селицкого, 21к +375 (44) 770-80-78 ( Средне )
Схема проезда
г. Барановичи ул. Пролетарская, 40 +375 (29) 795-96-37 ( Мало )
Схема проезда
г. Витебск ул. Правды, 33 +375 (44) 770-80-87 ( Мало )
Схема проезда
г. Глубокое ул. Энгельса, 22 +375 (44) 505-71-40 ( Средне )
Схема проезда
г. Гомель ул. Барыкина, 291Б +375 (44) 514-15-30 ( Мало )
Схема проезда
г. Гродно ул. Карского, 35 +375 (44) 770-70-21 ( Мало )
Схема проезда
г. Дрогичин ул. Юбилейная, 42 +375 (29) 682-17-13 ( Мало )
Схема проезда
г. Дятлово ул. Советская ,104 +375 (29) 187-87-37 ( Мало )
Схема проезда
г. Кобрин ул. Пролетарская, 177А +375 (44) 588-10-80 ( Средне )
Схема проезда
г. Кричев ул. Комсомольская, 126 +375 (29) 628-88-42 ( Средне )
Схема проезда
г. Лепель ул. Лобанка, 43 +375 (44) 778-65-21 ( Мало )
Схема проезда
г. Ошмяны ул. Льнозоводская 3 +375 (44) 770-80-91 ( Мало )
Схема проезда
г. Полоцк-2 ул. Шенягина, 52 +375 (29) 302-94-73 ( Средне )
Схема проезда
г. Полоцк-2 ул. Шенягина, 52 +375 (29) 302-94-73 ( Средне )
Схема проезда
г. Слуцк ул. Тутаринова, 8 +375 (29) 346-06-90 ( Мало )
Схема проезда
г. Сморгонь ул. Железнодорожная, 32 +375 (29) 671-02-10 ( Средне )
Схема проезда
г. Столин ул. Быковского, 29 +375 (33) 304-54-36 ( Средне )
Схема проезда
г. Щучин ул. Советская, 39 +375 (29) 177-29-70 ( Мало )
Схема проезда
Спидометр ГАЗ-53 СП-135
Спидометр ГАЗ-53
Каталожный номер СП-135
Производитель Автоприбор Автоприбор
Код 10741
Доставка по всей Беларуси
Доступность остатки на филиалах Остатки на филиалах
Остаток: г.Минск, ул.Селицкого 21к В наличии
Склад Адрес Контакт Остатки
г. Минск ул. Селицкого, 21к +375 (44) 770-80-78 ( Средне )
Схема проезда
г. Барановичи ул. Пролетарская, 40 +375 (29) 795-96-37 ( Мало )
Схема проезда
г. Глубокое ул. Энгельса, 22 +375 (44) 505-71-40 ( Мало )
Схема проезда
г. Гродно ул. Карского, 35 +375 (44) 770-70-21 ( Средне )
Схема проезда
г. Новогрудок ул. Индустриальная, 3 +375 (44) 729-39-19 ( Мало )
Схема проезда
г. Орша ул. Сергея Кирова, д. 34 +375 (44) 583-91-42 ( Мало )
Схема проезда
г. Осиповичи ул. Короткая, 11 +375 (29) 165-60-07 ( Мало )
Схема проезда
г. Ошмяны ул. Льнозоводская 3 +375 (44) 770-80-91 ( Мало )
Схема проезда
г. Петриков ул. Первомайская, 124 +375 (33) 660-06-75 ( Мало )
Схема проезда
г. Полоцк-2 ул. Шенягина, 52 +375 (29) 302-94-73 ( Мало )
Схема проезда
г. Полоцк-2 ул. Шенягина, 52 +375 (29) 302-94-73 ( Мало )
Схема проезда
г. Поставы ул. Советская, 69 +375 (44) 770-80-13 ( Мало )
Схема проезда
Шестерня привода спидометра ведущая 5312-3802033
Шестерня привода спидометра ведущая
Каталожный номер 5312-3802033
Производитель RSTA RSTA
Код 44387
Доставка по всей Беларуси
Доступность остатки на филиалах Остатки на филиалах
Остаток В наличии
Склад Адрес Контакт Остатки
г. Гродно ул. Карского, 35 +375 (44) 770-70-21 ( Мало )
Схема проезда