Республика Беларусь,
г. Минск, ул. Селицкого 21к - центральный склад
Пн-пт с 8:00 до 17:00
Меню
Р-19.3706 Пластина прерывателя Г-24 бесконтактная
Наименование: Пластина прерывателя Р-19.3706 Г-24 бесконтактная
Каталожный номер: Р-19.3706
Производитель: RSTA
Код товара: 14386
Доставка: по всей Беларуси
Остаток: в наличии

Нашли не точность в описании товара? сообщить администратору.

+375 (44) 770-80-78 +375 (29) 747-80-78
* Выставить счет, получить техническую информацию и стоимость
Заказать деталь Онлайн
Описание
Наличие на филиалах
Применяемость
Заменить на СТО

Код для заказа: 14386

Марка Модель Кат.номер Наим. по каталогу Чертеж
ГАЗ ГАЗ-24-10 (1995) 19.08.3706 Датчик-распределитель Катушка зажигания, датчик-распределитель, свечи провода зажигания Чертеж Катушка зажигания, датчик-распределитель, свечи провода зажигания
ГАЗ ГАЗ-31029 1901.3706 Датчик-распределитель Катушка зажигания, датчик-распределитель, свечи и провода зажигания
ГАЗ ГАЗ-3110 1908.3706000 Датчик-распределитель зажигания 1908.3706 Катушка зажигания, датчик-распределитель, провода и свечи двигателей ЗМЗ-402.10 и ЗМЗ-4021.10 Чертеж Катушка зажигания, датчик-распределитель, провода и свечи двигателей ЗМЗ-402.10 и ЗМЗ-4021.10
ГАЗ ГАЗ-3110 1908.3706000 Датчик-распределитель зажигания 1908.3706 Приборы электрооборудования и провода автомобиля с двигателями ЗМЗ-4062.10 и ЗМЗ-4021.10 (моторный отсек) Чертеж Приборы электрооборудования и провода автомобиля с двигателями ЗМЗ-4062.10 и ЗМЗ-4021.10 (моторный отсек)
ГАЗ ГАЗ-3302 (ГАЗель) 1908.3706000 Датчик-распределитель зажигания 1908.3706 Катушка зажигания, датчик-распределитель, свечи и провода зажигания двигателей ЗМЗ 4025.10, ЗМЗ 4026.10
ГАЗ ГАЗ-2705 (ГАЗель) (2000) 1902.3706 Датчик-распределитель зажигания Катушка зажигания, датчик-распределитель, провода и свечи двигателей ЗМЗ-4025.10, ЗМЗ-4026.10
ГАЗ ГАЗ-66 (Каталог 1996 г.) (1996) 2402.3706 Датчик-распределитель Катушка зажигания, датчик-распределитель, свечи и провода зажигания (не экранированные для автомобиля ГАЗ-66-11)
УАЗ УАЗ-3160 (2002) 34.3706000 Датчик-распределитель 34.3706 в сборе Распределитель зажигания, свечи и провода зажигания Чертеж Распределитель зажигания, свечи и провода зажигания
ЛуАЗ ЛуАЗ 969М 45 7371 6144 Распределитель зажигания 17.3706.06 Установка распределителя зажигания
ЛАЗ ЛАЗ 4207 3706-5205800 Рычаг стеклоочистителя Стеклоочиститель и стеклоомыватель
ЛАЗ ЛАЗ 4207 3706.5205900 Щетка стеклоочистителя Стеклоочиститель и стеклоомыватель
ЛАЗ ЛАЗ 5252 3706-5205800 Рычаг стеклоочистителя Стеклоочиститель и стеклоомыватель
ЛАЗ ЛАЗ 5252 3706-5205900 Щетка стеклоочистителя Стеклоочиститель и стеклоомыватель
ЛиАЗ ЛиАЗ 5256 3706-5205800 Рычаг стеклоочистителя Стеклоомыватель и стеклоочиститель Чертеж Стеклоомыватель и стеклоочиститель
ЛиАЗ ЛиАЗ 5256 3706-5205900 Щетка стеклоочистителя Стеклоомыватель и стеклоочиститель Чертеж Стеклоомыватель и стеклоочиститель
ЗИЛ ЗИЛ-431410 Каталог 1989 г. (1989) 130-3706010-30 Распределитель 46.3706 Схема электрооборудования автомобилей ЗИЛ-431410, ЗИЛ-44 1510, ЗИЛ-431510, ЗИЛ-495810 Чертеж Схема электрооборудования автомобилей ЗИЛ-431410, ЗИЛ-44 1510, ЗИЛ-431510, ЗИЛ-495810
ЗИЛ ЗИЛ-431410 Каталог 1989 г. (1989) 131-3706010-20 Датчик-распределитель 43.3706 в сборе Схема электрооборудования автомобиля ЗИЛ-431917 Чертеж Схема электрооборудования автомобиля ЗИЛ-431917
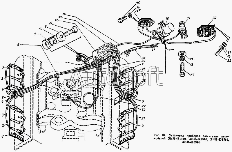
ЗИЛ ЗИЛ-431410 Каталог 1989 г. (1989) 130-3706010-30 Распределитель 46.3706 Установка приборов зажигания автомобилей ЗИЛ-431410, ЗИЛ-441510, ЗИЛ-431510, ЗИЛ-495810 Чертеж Установка приборов зажигания автомобилей ЗИЛ-431410, ЗИЛ-441510, ЗИЛ-431510, ЗИЛ-495810
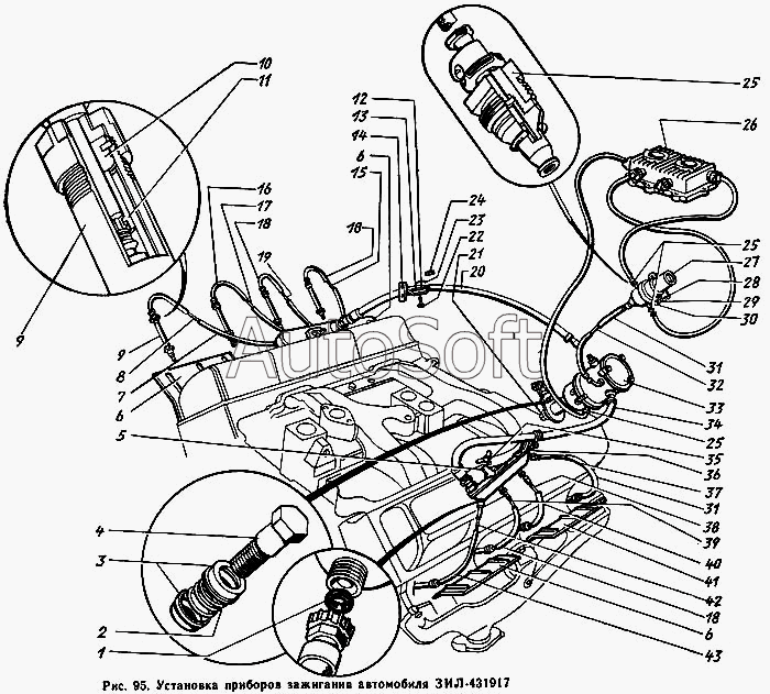
ЗИЛ ЗИЛ-431410 Каталог 1989 г. (1989) 131-3706010-20 Датчик-распределитель 43.3706 в сборе Установка приборов зажигания автомобиля ЗИЛ-431917 Чертеж Установка приборов зажигания автомобиля ЗИЛ-431917
ЗИЛ ЗИЛ-431410 Каталог 1989 г. (1989) 130-3706010-30 Распределитель 46.3706 Распределитель типа 4601.3706 Чертеж Распределитель типа 4601.3706
Склад Адрес Контакт Остатки
г. Гродно ул. Карского, 35 +375 (44) 770-70-21 ( Мало )
Схема проезда
г. Барановичи ул. Бадака, 27Б +375 (29) 350-33-47 Под заказ
Схема проезда
г. Барановичи ул. Пролетарская, 40 +375 (29) 795-96-37 Под заказ
Схема проезда
г. Берёза ул. Красноармейская, 89/11 +375 (29) 676-70-71 Под заказ
Схема проезда
г. Березино ул. Комсомольская, д. 24 +375 (44) 770-80-17 Под заказ
Схема проезда
г. Бобруйск ул. Орловского, 22к3 +375 (29) 345-37-07 Под заказ
Схема проезда
г. Бобруйск ул. Гоголя, 181/1-6 +375 (29) 630-05-01 Под заказ
Схема проезда
г. Борисов ул. Демина, 2а +375 (44) 560-99-75 Под заказ
Схема проезда
г. Брест Тельминский с/с, 1Д/1, 1 км южнее д. Тельмы-2 +375 (44) 599-90-75 Под заказ
Схема проезда
г. Витебск ул. Правды, 33 +375 (44) 770-80-87 Под заказ
Схема проезда
г. Витебск ул. Петруся Бровки, 34 +375 (29) 636-25-08 Под заказ
Схема проезда
г. Глубокое ул. Энгельса, 22 +375 (44) 505-71-40 Под заказ
Схема проезда
г. Гомель ул. Барыкина, 291Б +375 (44) 514-15-30 Под заказ
Схема проезда
г. Гомель ул. Текстильная, 10 +375 (44) 540-02-05 Под заказ
Схема проезда
г. Горки ул.Мира, д.51а/1 +375 (44) 565-33-61 Под заказ
Схема проезда
г. Дрогичин ул. Юбилейная, 42 +375 (29) 682-17-13 Под заказ
Схема проезда
г. Дятлово ул. Советская ,104 +375 (29) 187-87-37 Под заказ
Схема проезда
г. Житковичи ул. Комсомольская, 49 +375 (29) 394-82-52 Под заказ
Схема проезда
г. Жлобин ул. Козлова, 25 +375 (29) 346-06-78 Под заказ
Схема проезда
г. Ивацевичи ул. Загородная, 6А +375 (29) 188-59-01 Под заказ
Схема проезда
г. Кобрин ул. Пролетарская, 177А +375 (44) 588-10-80 Под заказ
Схема проезда
г. Кричев ул. Комсомольская, 126 +375 (29) 628-88-42 Под заказ
Схема проезда
г. Лельчицы ул. Советская, д.96/1 +375 (29) 346-98-96 Под заказ
Схема проезда
г. Лепель ул. Лобанка, 43 +375 (44) 778-65-21 Под заказ
Схема проезда
г. Лида ул. Качана, 7 +375 (29) 612-60-61 Под заказ
Схема проезда
г. Лунинец ул.Красная, 175а +375 (44) 721-46-74 Под заказ
Схема проезда
г. Минск ул. Бабушкина, 37 +375 (29) 632-00-82 Под заказ
Схема проезда
г. Минск ул. Селицкого, 21к +375 (44) 770-80-78 Под заказ
Схема проезда
г. Могилев ул. Габровская 11Б +375 (29) 662-02-16 Под заказ
Схема проезда
г. Мозырь промузел Козенки +375 (44) 731-94-60 Под заказ
Схема проезда
г. Молодечно ул. Галицкого, 14 +375 (44) 567-28-47 Под заказ
Схема проезда
г. Несвиж ул. Кутузова, 2 +375 (29) 394-82-48 Под заказ
Схема проезда
г. Новогрудок ул. Индустриальная, 3 +375 (44) 729-39-19 Под заказ
Схема проезда
г. Орша ул. Сергея Кирова, д. 34 +375 (44) 583-91-42 Под заказ
Схема проезда
г. Осиповичи ул. Короткая, 11 +375 (29) 165-60-07 Под заказ
Схема проезда
г. Ошмяны ул. Льнозоводская 3 +375 (44) 770-80-91 Под заказ
Схема проезда
г. Петриков ул. Первомайская, 124 +375 (33) 660-06-75 Под заказ
Схема проезда
г. Пинск ул. Калиновского 32 +375 (44) 560-99-59 Под заказ
Схема проезда
г. Полоцк ул. Пролетарская, 6 +375 (29) 644-57-58 Под заказ
Схема проезда
г. Полоцк ул. Строительная, 30Б +375 (29) 302-97-91 Под заказ
Схема проезда
г. Полоцк-2 ул. Шенягина, 52 +375 (29) 302-94-73 Под заказ
Схема проезда
г. Поставы ул. Советская, 69 +375 (44) 770-80-13 Под заказ
Схема проезда
г. Пружаны ул. Макаренко, 21 +375 (29) 348-83-18 Под заказ
Схема проезда
г. Слоним ул. Советская, 93а +375 (29) 394-82-01 Под заказ
Схема проезда
г. Слуцк ул. Тутаринова, 8 +375 (29) 346-06-90 Под заказ
Схема проезда
г. Сморгонь ул. Железнодорожная, 32 +375 (29) 671-02-10 Под заказ
Схема проезда
г. Солигорск Чижевичский сельсовет, 3Г +375 (29) 899-58-52 Под заказ
Схема проезда
г. Столин ул. Быковского, 29 +375 (33) 304-54-36 Под заказ
Схема проезда
г. Щучин ул. Советская, 39 +375 (29) 177-29-70 Под заказ
Схема проезда
Товары из этой категории
К-т проводов ВВ силикон (406двигатель) PR 4062-3707300
К-т проводов ВВ силикон (406двигатель)
Каталожный номер PR 4062-3707300
Производитель PRAVT PRAVT
Код 12259
Доставка по всей Беларуси
Доступность остатки на филиалах Остатки на филиалах
Остаток: г.Минск, ул.Селицкого 21к В наличии
Склад Адрес Контакт Остатки
г. Минск ул. Бабушкина, 37 +375 (29) 632-00-82 ( Мало )
Схема проезда
г. Минск ул. Селицкого, 21к +375 (44) 770-80-78 ( Средне )
Схема проезда
г. Бобруйск ул. Орловского, 22к3 +375 (29) 345-37-07 ( Мало )
Схема проезда
г. Витебск ул. Правды, 33 +375 (44) 770-80-87 ( Мало )
Схема проезда
г. Горки ул.Мира, д.51а/1 +375 (44) 565-33-61 ( Мало )
Схема проезда
г. Гродно ул. Карского, 35 +375 (44) 770-70-21 ( Мало )
Схема проезда
г. Дрогичин ул. Юбилейная, 42 +375 (29) 682-17-13 ( Мало )
Схема проезда
г. Дятлово ул. Советская ,104 +375 (29) 187-87-37 ( Мало )
Схема проезда
г. Кобрин ул. Пролетарская, 177А +375 (44) 588-10-80 ( Мало )
Схема проезда
г. Кричев ул. Комсомольская, 126 +375 (29) 628-88-42 ( Мало )
Схема проезда
г. Осиповичи ул. Короткая, 11 +375 (29) 165-60-07 ( Мало )
Схема проезда
г. Ошмяны ул. Льнозоводская 3 +375 (44) 770-80-91 ( Мало )
Схема проезда
г. Полоцк-2 ул. Шенягина, 52 +375 (29) 302-94-73 ( Мало )
Схема проезда
г. Полоцк-2 ул. Шенягина, 52 +375 (29) 302-94-73 ( Мало )
Схема проезда
г. Слоним ул. Советская, 93а +375 (29) 394-82-01 ( Мало )
Схема проезда
г. Сморгонь ул. Железнодорожная, 32 +375 (29) 671-02-10 ( Мало )
Схема проезда
г. Солигорск Чижевичский сельсовет, 3Г +375 (29) 899-58-52 ( Мало )
Схема проезда
Выключатель заднего хода (1352.3768-02) ВК-403
Выключатель заднего хода (1352.3768-02)
Каталожный номер ВК-403
Производитель RSTA RSTA
Код 13741
Доставка по всей Беларуси
Доступность остатки на филиалах Остатки на филиалах
Остаток Под заказ
Спидометр ГАЗ-53 СП-135
Спидометр ГАЗ-53
Каталожный номер СП-135
Производитель Автоприбор Автоприбор
Код 10741
Доставка по всей Беларуси
Доступность остатки на филиалах Остатки на филиалах
Остаток: г.Минск, ул.Селицкого 21к В наличии
Склад Адрес Контакт Остатки
г. Минск ул. Селицкого, 21к +375 (44) 770-80-78 ( Средне )
Схема проезда
г. Барановичи ул. Пролетарская, 40 +375 (29) 795-96-37 ( Мало )
Схема проезда
г. Глубокое ул. Энгельса, 22 +375 (44) 505-71-40 ( Мало )
Схема проезда
г. Гродно ул. Карского, 35 +375 (44) 770-70-21 ( Средне )
Схема проезда
г. Жлобин ул. Козлова, 25 +375 (29) 346-06-78 ( Мало )
Схема проезда
г. Новогрудок ул. Индустриальная, 3 +375 (44) 729-39-19 ( Мало )
Схема проезда
г. Орша ул. Сергея Кирова, д. 34 +375 (44) 583-91-42 ( Мало )
Схема проезда
г. Осиповичи ул. Короткая, 11 +375 (29) 165-60-07 ( Мало )
Схема проезда
г. Ошмяны ул. Льнозоводская 3 +375 (44) 770-80-91 ( Мало )
Схема проезда
г. Петриков ул. Первомайская, 124 +375 (33) 660-06-75 ( Мало )
Схема проезда
г. Полоцк-2 ул. Шенягина, 52 +375 (29) 302-94-73 ( Мало )
Схема проезда
г. Полоцк-2 ул. Шенягина, 52 +375 (29) 302-94-73 ( Мало )
Схема проезда
г. Поставы ул. Советская, 69 +375 (44) 770-80-13 ( Мало )
Схема проезда
Мотор омывателя без бачка 2110-5208009
Мотор омывателя без бачка
Каталожный номер 2110-5208009
Производитель RSTA RSTA
Код 21705
Доставка по всей Беларуси
Доступность остатки на филиалах Остатки на филиалах
Остаток В наличии
Склад Адрес Контакт Остатки
г. Барановичи ул. Пролетарская, 40 +375 (29) 795-96-37 ( Мало )
Схема проезда
г. Березино ул. Комсомольская, д. 24 +375 (44) 770-80-17 ( Мало )
Схема проезда
г. Бобруйск ул. Орловского, 22к3 +375 (29) 345-37-07 ( Средне )
Схема проезда
г. Борисов ул. Демина, 2а +375 (44) 560-99-75 ( Мало )
Схема проезда
г. Витебск ул. Правды, 33 +375 (44) 770-80-87 ( Мало )
Схема проезда
г. Глубокое ул. Энгельса, 22 +375 (44) 505-71-40 ( Мало )
Схема проезда
г. Гомель ул. Барыкина, 291Б +375 (44) 514-15-30 ( Средне )
Схема проезда
г. Горки ул.Мира, д.51а/1 +375 (44) 565-33-61 ( Мало )
Схема проезда
г. Гродно ул. Карского, 35 +375 (44) 770-70-21 ( Средне )
Схема проезда
г. Дрогичин ул. Юбилейная, 42 +375 (29) 682-17-13 ( Мало )
Схема проезда
г. Дятлово ул. Советская ,104 +375 (29) 187-87-37 ( Средне )
Схема проезда
г. Ивацевичи ул. Загородная, 6А +375 (29) 188-59-01 ( Средне )
Схема проезда
г. Лельчицы ул. Советская, д.96/1 +375 (29) 346-98-96 ( Средне )
Схема проезда
г. Молодечно ул. Галицкого, 14 +375 (44) 567-28-47 ( Мало )
Схема проезда
г. Осиповичи ул. Короткая, 11 +375 (29) 165-60-07 ( Средне )
Схема проезда
г. Ошмяны ул. Льнозоводская 3 +375 (44) 770-80-91 ( Мало )
Схема проезда
г. Полоцк-2 ул. Шенягина, 52 +375 (29) 302-94-73 ( Мало )
Схема проезда
г. Пружаны ул. Макаренко, 21 +375 (29) 348-83-18 ( Мало )
Схема проезда
г. Слоним ул. Советская, 93а +375 (29) 394-82-01 ( Средне )
Схема проезда
г. Сморгонь ул. Железнодорожная, 32 +375 (29) 671-02-10 ( Мало )
Схема проезда
г. Солигорск Чижевичский сельсовет, 3Г +375 (29) 899-58-52 ( Средне )
Схема проезда
г. Щучин ул. Советская, 39 +375 (29) 177-29-70 ( Средне )
Схема проезда
Выключатель 82.3709-08.16 82.3709-08.16
Выключатель 82.3709-08.16
Каталожный номер 82.3709-08.16
Производитель Автоарматура Автоарматура
Код 47207
Доставка по всей Беларуси
Доступность остатки на филиалах Остатки на филиалах
Остаток: г.Минск, ул.Селицкого 21к В наличии
Склад Адрес Контакт Остатки
г. Минск ул. Селицкого, 21к +375 (44) 770-80-78 ( Средне )
Схема проезда
г. Бобруйск ул. Орловского, 22к3 +375 (29) 345-37-07 ( Мало )
Схема проезда