Республика Беларусь,
г. Минск, ул. Селицкого 21к - центральный склад
Пн-пт с 8:00 до 17:00
Меню
238-3701790 Планка натяжителя
Наименование: Планка 238-3701790 натяжителя
Каталожный номер: 238-3701790
Производитель: RSTA
Код товара: 39410
Доставка: по всей Беларуси
Остаток: под заказ

Нашли не точность в описании товара? сообщить администратору.

+375 (44) 770-80-78 +375 (29) 747-80-78
* Выставить счет, получить техническую информацию и стоимость
Заказать деталь Онлайн
Описание
Наличие на филиалах
Применяемость
Заменить на СТО

Планка 238-3701790 натяжителя производства RSTA (РФ), Код для заказа: 39410

Марка Модель Кат.номер Наим. по каталогу Чертеж
КрАЗ КрАЗ-255 238-3701790 Планка Генератор Г-288А Чертеж Генератор Г-288А
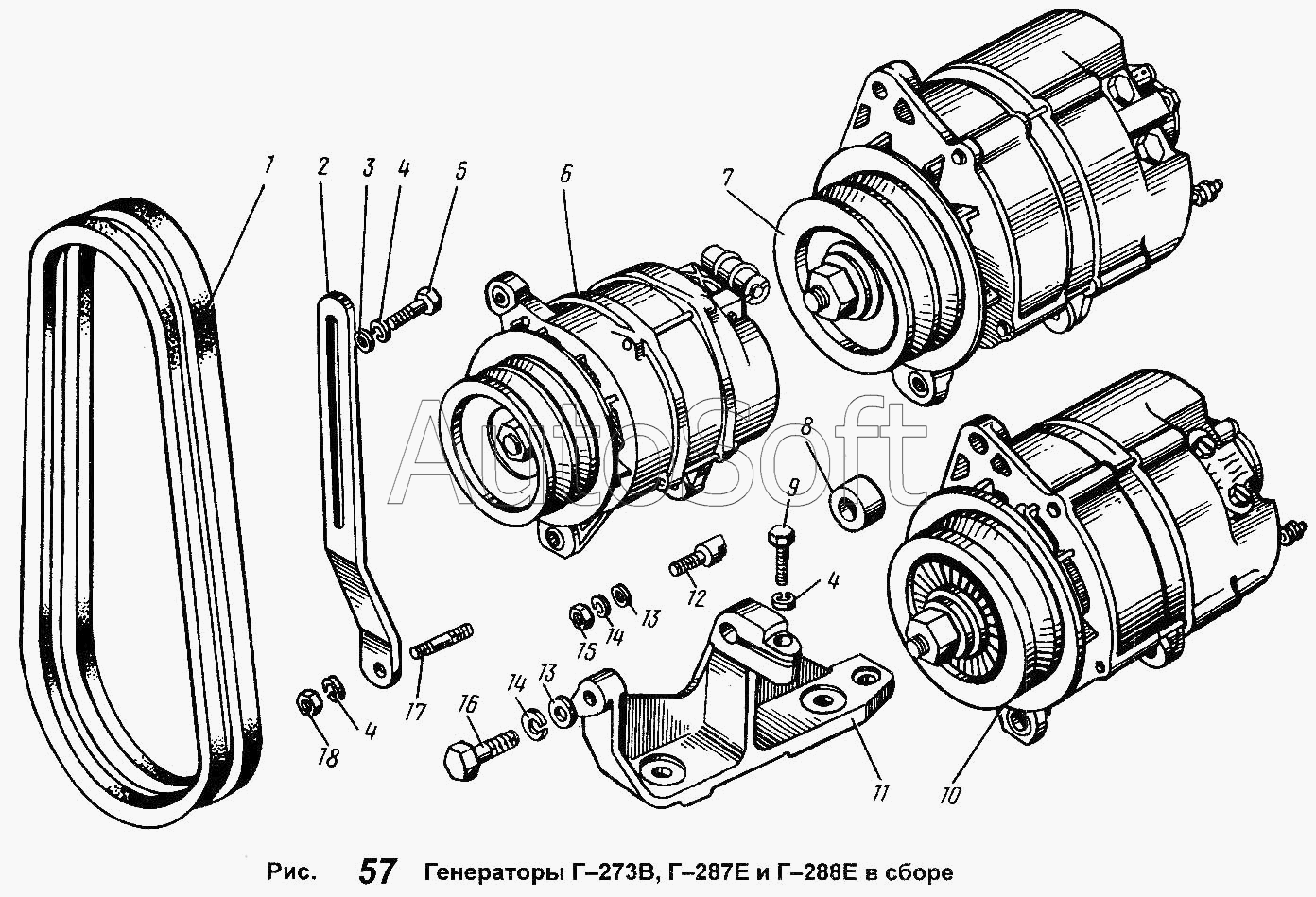
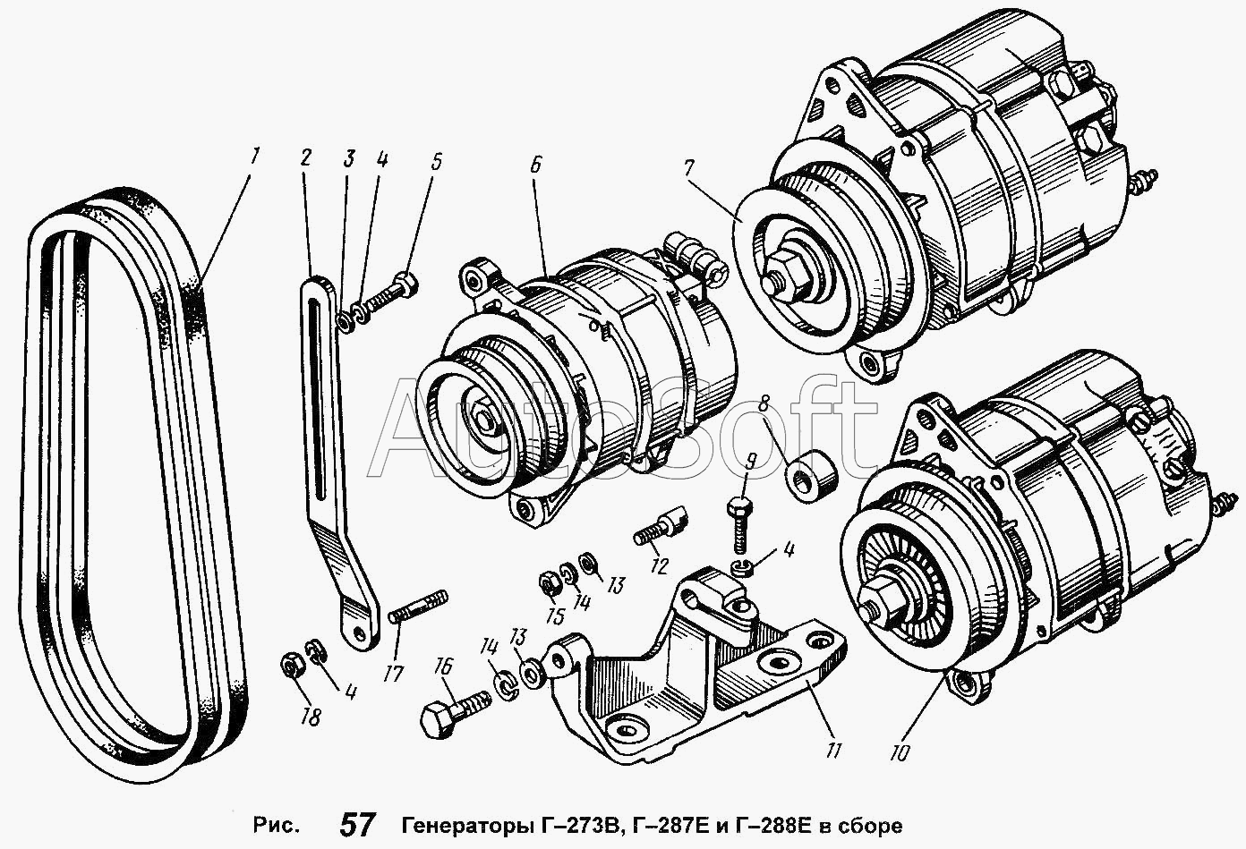
ЯМЗ ЯМЗ-236 М 238-3701790 Планка натяжная Генераторы Г-273В, Г-287Е и Г-288Е в сборе Чертеж Генераторы Г-273В, Г-287Е и Г-288Е в сборе
ЯМЗ ЯМЗ-236 ДК и ЯМЗ 238 АК (2002) 238АК-3701790 Планка Генератор 967.3701-1 и Г997.3701 в сборе
ЯМЗ ЯМЗ-238 М 238-3701790 Планка натяжная Генераторы Г-273В, Г-287Е и Г-288Е в сборе Чертеж Генераторы Г-273В, Г-287Е и Г-288Е в сборе
ЯМЗ ЯМЗ-238 АК 238АК-3701790 Планка Установка генератора Чертеж Установка генератора
ЯМЗ ЯМЗ-238 АМ 238-3701790 Планка натяжная Генераторы Г-273В, Г-287Е и Г-288Е в сборе Чертеж Генераторы Г-273В, Г-287Е и Г-288Е в сборе
ЯМЗ ЯМЗ-238 ГМ 238-3701790 Планка натяжная Генераторы Г-273В, Г-287Е и Г-288Е в сборе Чертеж Генераторы Г-273В, Г-287Е и Г-288Е в сборе
ЯМЗ ЯМЗ-238 ИМ 238-3701790 Планка натяжная Генераторы Г-273В, Г-287Е и Г-288Е в сборе
ЯМЗ ЯМЗ-238 НД 238-3701790 Планка натяжная Генераторы Г-273В, Г-287Е и Г-288Е в сборе Чертеж Генераторы Г-273В, Г-287Е и Г-288Е в сборе
ЯМЗ ЯМЗ-238 Н 238-3701790 Планка натяжная Генераторы Г-273В, Г-287Е и Г-288Е в сборе
ЯМЗ ЯМЗ-238 Л 238-3701790 Планка натяжная Генераторы Г-273В, Г-287Е и Г-288Е в сборе
ЯМЗ ЯМЗ-238 ПМ и 238 ФМ 238-3701790 Планка натяжная Генераторы Г-273В, Г-287Е и Г-288Е в сборе
ЯМЗ Общий (см. мод-ции) 238-3701790 Планка натяжная Генераторы Г-273В, Г-287Е и Г-288Е в сборе
ЯМЗ ЯМЗ-238НД3, НД4, НД5 (2002) 238-3701790 Планка натяжная Генератор в сборе, его крепление и привод Чертеж Генератор в сборе, его крепление и привод
ЯМЗ ЯМЗ-236, -238, -238НБ (2010) 238-3701790 Планка натяжная Генератор двигателя ЯМЗ-238 до № 438949 для автомобилей КрАЗ
ЯМЗ ЯМЗ-236, -238, -238НБ (2010) 238-3701790 Планка натяжная Генератор двигателя ЯМЗ-238НБ
ПТЗ К-702МВА 238-3701790 Планка Генератор двигателя-238НД
Гомсельмаш УЭС-2-280А (2010) 238-3701790 Планка натяжная 238-3701790 Двигатель УЭС-6-0400360 (вид слева)
Гомсельмаш КСК-600 (2011) 238-3701790 Планка натяжная 238-3701790 Установка дизеля ЯМЗ-238АК-1 КГС 0116000А (лист 2) Чертеж Установка дизеля ЯМЗ-238АК-1 КГС 0116000А (лист 2)
Товары из этой категории
Выключатель 3842.3710-02.38М AE знака автопоезда АВТОЭЛЕКТРИКА 3842.3710-02.38М AE
Выключатель 3842.3710-02.38М AE знака автопоезда АВТОЭЛЕКТРИКА
Каталожный номер 3842.3710-02.38М AE
Производитель Автоэлектрика Автоэлектрика
Код 00-ГР024410
Доставка по всей Беларуси
Доступность остатки на филиалах Остатки на филиалах
Остаток: г.Минск, ул.Селицкого 21к В наличии
Склад Адрес Контакт Остатки
г. Минск ул. Селицкого, 21к +375 (44) 770-80-78 ( Средне )
Схема проезда
г. Березино ул. Комсомольская, д. 24 +375 (44) 770-80-17 ( Мало )
Схема проезда
г. Бобруйск ул. Орловского, 22к3 +375 (29) 345-37-07 ( Мало )
Схема проезда
г. Борисов ул. Демина, 2а +375 (44) 560-99-75 ( Мало )
Схема проезда
г. Витебск ул. Правды, 33 +375 (44) 770-80-87 ( Мало )
Схема проезда
г. Дятлово ул. Советская ,104 +375 (29) 187-87-37 ( Мало )
Схема проезда
г. Ивацевичи ул. Загородная, 6А +375 (29) 188-59-01 ( Мало )
Схема проезда
г. Кобрин ул. Пролетарская, 177А +375 (44) 588-10-80 ( Мало )
Схема проезда
г. Лельчицы ул. Советская, д.96/1 +375 (29) 346-98-96 ( Мало )
Схема проезда
г. Лепель ул. Лобанка, 43 +375 (44) 778-65-21 ( Мало )
Схема проезда
г. Осиповичи ул. Короткая, 11 +375 (29) 165-60-07 ( Средне )
Схема проезда
г. Полоцк-2 ул. Шенягина, 52 +375 (29) 302-94-73 ( Мало )
Схема проезда
г. Полоцк-2 ул. Шенягина, 52 +375 (29) 302-94-73 ( Средне )
Схема проезда
г. Поставы ул. Советская, 69 +375 (44) 770-80-13 ( Мало )
Схема проезда
г. Пружаны ул. Макаренко, 21 +375 (29) 348-83-18 ( Средне )
Схема проезда
г. Слоним ул. Советская, 93а +375 (29) 394-82-01 ( Мало )
Схема проезда
г. Солигорск Чижевичский сельсовет, 3Г +375 (29) 899-58-52 ( Мало )
Схема проезда
г. Столин ул. Быковского, 29 +375 (33) 304-54-36 ( Мало )
Схема проезда
Решетка защитная фары 6312А9-3711140-000
Решетка защитная фары
Каталожный номер 6312А9-3711140-000
Производитель МАЗ МАЗ
Код 00-ГР007419
Доставка по всей Беларуси
Доступность остатки на филиалах Остатки на филиалах
Остаток: г.Минск, ул.Селицкого 21к В наличии
Склад Адрес Контакт Остатки
г. Минск ул. Селицкого, 21к +375 (44) 770-80-78 ( Средне )
Схема проезда
г. Борисов ул. Демина, 2а +375 (44) 560-99-75 ( Мало )
Схема проезда
г. Солигорск Чижевичский сельсовет, 3Г +375 (29) 899-58-52 ( Мало )
Схема проезда
Модуль управления свечами накаливания МУСН-03
Модуль управления свечами накаливания
Каталожный номер МУСН-03
Производитель RSTA RSTA
Код 7557
Доставка по всей Беларуси
Доступность остатки на филиалах Остатки на филиалах
Остаток Под заказ
Провод выключения массы L=750мм 54322-3724069-10
Провод выключения массы L=750мм
Каталожный номер 54322-3724069-10
Производитель Автоэлектросервис Автоэлектросервис
Код 1029
Доставка по всей Беларуси
Доступность остатки на филиалах Остатки на филиалах
Остаток В наличии
Склад Адрес Контакт Остатки
г. Минск ул. Бабушкина, 37 +375 (29) 632-00-82 ( Мало )
Схема проезда
г. Барановичи ул. Пролетарская, 40 +375 (29) 795-96-37 ( Средне )
Схема проезда
г. Глубокое ул. Энгельса, 22 +375 (44) 505-71-40 ( Средне )
Схема проезда
г. Горки ул.Мира, д.51а/1 +375 (44) 565-33-61 ( Мало )
Схема проезда
г. Кобрин ул. Пролетарская, 177А +375 (44) 588-10-80 ( Мало )
Схема проезда
г. Мозырь промузел Козенки +375 (44) 731-94-60 ( Мало )
Схема проезда
г. Петриков ул. Первомайская, 124 +375 (33) 660-06-75 ( Мало )
Схема проезда
г. Полоцк-2 ул. Шенягина, 52 +375 (29) 302-94-73 ( Мало )
Схема проезда
г. Сморгонь ул. Железнодорожная, 32 +375 (29) 671-02-10 ( Средне )
Схема проезда
Блок фонарей подсветки ном-го знака БФП-2НИС Радиотехника БФП-2НИС
Блок фонарей подсветки ном-го знака БФП-2НИС Радиотехника
Каталожный номер БФП-2НИС
Производитель Радиотехника Радиотехника
Код 00-ГР012039
Доставка по всей Беларуси
Доступность остатки на филиалах Остатки на филиалах
Остаток: г.Минск, ул.Селицкого 21к В наличии
Склад Адрес Контакт Остатки
г. Минск ул. Селицкого, 21к +375 (44) 770-80-78 ( Много )
Схема проезда
г. Барановичи ул. Бадака, 27Б +375 (29) 350-33-47 ( Мало )
Схема проезда
г. Бобруйск ул. Орловского, 22к3 +375 (29) 345-37-07 ( Мало )
Схема проезда
г. Витебск ул. Петруся Бровки, 34 +375 (29) 636-25-08 ( Мало )
Схема проезда
г. Гомель ул. Барыкина, 291Б +375 (44) 514-15-30 ( Мало )
Схема проезда
г. Дятлово ул. Советская ,104 +375 (29) 187-87-37 ( Мало )
Схема проезда
г. Кобрин ул. Пролетарская, 177А +375 (44) 588-10-80 ( Мало )
Схема проезда
г. Могилев ул. Габровская 11Б +375 (29) 662-02-16 ( Мало )
Схема проезда
г. Мозырь промузел Козенки +375 (44) 731-94-60 ( Средне )
Схема проезда
г. Новогрудок ул. Индустриальная, 3 +375 (44) 729-39-19 ( Мало )
Схема проезда
г. Солигорск Чижевичский сельсовет, 3Г +375 (29) 899-58-52 ( Мало )
Схема проезда
г. Щучин ул. Советская, 39 +375 (29) 177-29-70 ( Средне )
Схема проезда