Республика Беларусь,
г. Минск, ул. Селицкого 21к - центральный склад
Пн-пт с 8:00 до 17:00
Меню
87-55406-SX Петля двери STELLOX
Наименование: Петля 87-55406-SX двери STELLOX
Каталожный номер: 87-55406-SX
Производитель: STELLOX
Код товара: 00-ГР039037
Доставка: по всей Беларуси
Остаток: под заказ
Цена:

Нашли не точность в описании товара? сообщить администратору.

+375 (44) 770-80-78 +375 (29) 747-80-78
* Выставить счет, получить техническую информацию и стоимость
Заказать деталь Онлайн
Описание
Наличие на филиалах
Применяемость

Cummins ISF 2.8

Петля 87-55406-SX двери STELLOX производства STELLOX (STELLOX), Код для заказа: 00-ГР039037

Марка Модель Кат.номер Наим. по каталогу Чертеж
Камский автозавод 4310 1/55406/21 Болт М12х1,25-6gх40 Основание платформы в сборе
Камский автозавод 4310 1/55406/21 Болт М12х1,25-6gх40 Основание платформы в сборе
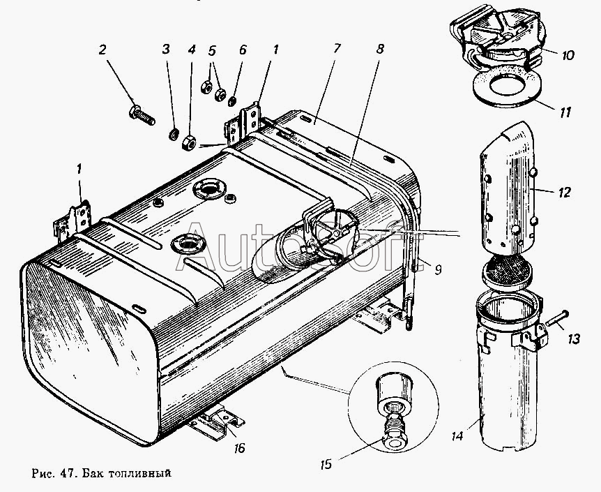
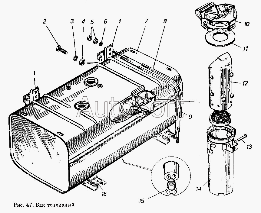
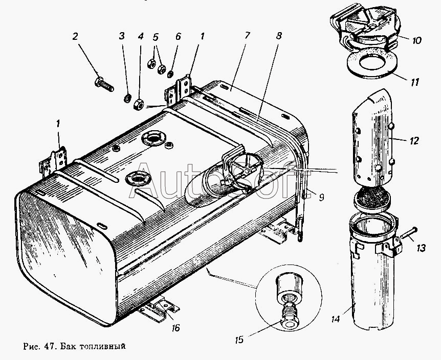
Камский автозавод 4310 1/55406/21 Болт М12х1,25-6gх40 Бак топливный, пробка топливного бака Чертеж Бак топливный, пробка топливного бака
Камский автозавод 4310 1/55406/21 Болт М12х1,25-6gх40 Коробка раздаточная с коробкой отбора мощности в сборе Чертеж Коробка раздаточная с коробкой отбора мощности в сборе
Камский автозавод 4310 1/55406/21 Болт М12х1,25-6gх40 Буфер передний и буфер задний Чертеж Буфер передний и буфер задний
Камский автозавод 4310 1/55406/21 Болт М12х1,25-6gх40 Тормоза рабочие задние Чертеж Тормоза рабочие задние
Камский автозавод 4310 1/55406/21 Болт М12х1,25-6gх40 Установка аккумуляторных батарей и выключателя массы Чертеж Установка аккумуляторных батарей и выключателя массы
Камский автозавод 4326 (2001) 1/55406/21 Болт М12х1,25-6gх40 Бак топливный
Камский автозавод 4326 (2001) 1/55406/21 Болт М12х1,25-6gх40 Коробка раздаточная с коробкой отбора мощности Чертеж Коробка раздаточная с коробкой отбора мощности
Камский автозавод 4326 (2001) 1/55406/21 Болт М12х1,25-6gх40 Буфер передний и буфер задний Чертеж Буфер передний и буфер задний
Камский автозавод 4326 (2001) 1/55406/21 Болт М12х1,25-6gх40 Тормоза рабочие задние Чертеж Тормоза рабочие задние
Камский автозавод 5320 1/55406/21 Болт М12х1,25-6gх40 Основание платформы 5320-8501010
Камский автозавод 5320 1/55406/21 Болт М12х1,25-6gх40 Бак топливный Чертеж Бак топливный
Камский автозавод 5320 1/55406/21 Болт М12х1,25-6gх40 Рама 5320-2800010
Камский автозавод 53212 1/55406/21 Болт М12х1,25-6gх40 Основание платформы 5320-8501010
Камский автозавод 53212 1/55406/21 Болт М12х1,25-6gх40 Бак топливный Чертеж Бак топливный
Камский автозавод 5410 1/55406/21 Болт М12х1,25-6gх40 Основание платформы 5320-8501010
Камский автозавод 5410 1/55406/21 Болт М12х1,25-6gх40 Бак топливный Чертеж Бак топливный
Камский автозавод 54112 1/55406/21 Болт М12х1,25-6gх40 Основание платформы 5320-8501010
Камский автозавод 54112 1/55406/21 Болт М12х1,25-6gх40 Бак топливный
Товары из этой категории
Подшипник 664613-Е (4421-1701161) 664613-Е
Подшипник 664613-Е (4421-1701161)
Каталожный номер 664613-Е
Код 29852
Доставка по всей Беларуси
Доступность остатки на филиалах Остатки на филиалах
Остаток: г.Минск, ул.Селицкого 21к В наличии
Склад Адрес Контакт Остатки
г. Минск ул. Селицкого, 21к +375 (44) 770-80-78 ( Средне )
Схема проезда
Диск сцепления 130-1601090 нажимной рычажный 130-1601090
Диск сцепления 130-1601090 нажимной рычажный
Каталожный номер 130-1601090
Код 00-ГР016156
Доставка по всей Беларуси
Доступность остатки на филиалах Остатки на филиалах
Остаток: г.Минск, ул.Селицкого 21к В наличии
Склад Адрес Контакт Остатки
г. Минск ул. Селицкого, 21к +375 (44) 770-80-78 ( Средне )
Схема проезда
г. Волковыск ул. Жолудева, 74Д-2 +375 (44) 786-00-40 ( Мало )
Схема проезда
Реле поворотов ЗИЛ-130 РС-950
Реле поворотов ЗИЛ-130
Каталожный номер РС-950
Код 14180
Доставка по всей Беларуси
Доступность остатки на филиалах Остатки на филиалах
Остаток: г.Минск, ул.Селицкого 21к В наличии
Склад Адрес Контакт Остатки
г. Минск ул. Бабушкина, 37 +375 (29) 632-00-82 ( Мало )
Схема проезда
г. Минск ул. Селицкого, 21к +375 (44) 770-80-78 ( Средне )
Схема проезда
г. Барановичи ул. Пролетарская, 40 +375 (29) 795-96-37 ( Мало )
Схема проезда
г. Бобруйск ул. Гоголя, 181/1-6 +375 (29) 630-05-01 ( Мало )
Схема проезда
г. Волковыск ул. Жолудева, 74Д-2 +375 (44) 786-00-40 ( Мало )
Схема проезда
г. Гродно ул. Карского, 35 +375 (44) 770-70-21 ( Мало )
Схема проезда
г. Дрогичин ул. Юбилейная, 42 +375 (29) 682-17-13 ( Мало )
Схема проезда
г. Житковичи ул. Комсомольская, 49 +375 (29) 394-82-52 ( Мало )
Схема проезда
г. Кобрин ул. Пролетарская, 177А +375 (44) 588-10-80 ( Мало )
Схема проезда
г. Могилев ул. Габровская 11Б +375 (29) 662-02-16 ( Мало )
Схема проезда
г. Новогрудок ул. Индустриальная, 3 +375 (44) 729-39-19 ( Мало )
Схема проезда
г. Осиповичи ул. Короткая, 11 +375 (29) 165-60-07 ( Мало )
Схема проезда
г. Петриков ул. Первомайская, 124 +375 (33) 660-06-75 ( Мало )
Схема проезда
г. Полоцк-2 ул. Шенягина, 52 +375 (29) 302-94-73 ( Мало )
Схема проезда
г. Поставы ул. Советская, 69 +375 (44) 770-80-13 ( Мало )
Схема проезда
Переключатель 9912.3709 стеклооч.ЗИЛ-5301 АВТОАРМАТУРА 9912.3709
Переключатель 9912.3709 стеклооч.ЗИЛ-5301 АВТОАРМАТУРА
Каталожный номер 9912.3709
Код 29394
Доставка по всей Беларуси
Доступность остатки на филиалах Остатки на филиалах
Остаток: г.Минск, ул.Селицкого 21к В наличии
Склад Адрес Контакт Остатки
г. Минск ул. Селицкого, 21к +375 (44) 770-80-78 ( Средне )
Схема проезда
г. Гомель ул. Барыкина, 291Б +375 (44) 514-15-30 ( Мало )
Схема проезда
Стремянка (L=550 мм)  задней рессоры 130Д-2912408
Стремянка (L=550 мм) задней рессоры
Каталожный номер 130Д-2912408
Код 10473
Доставка по всей Беларуси
Доступность остатки на филиалах Остатки на филиалах
Остаток: г.Минск, ул.Селицкого 21к В наличии
Склад Адрес Контакт Остатки
г. Минск ул. Селицкого, 21к +375 (44) 770-80-78 ( Много )
Схема проезда
г. Березино ул. Комсомольская, д. 24 +375 (44) 770-80-17 ( Средне )
Схема проезда
г. Бобруйск ул. Орловского, 22к3 +375 (29) 345-37-07 ( Средне )
Схема проезда
г. Ошмяны ул. Льнозоводская 3 +375 (44) 770-80-91 ( Средне )
Схема проезда
Щетка стеклоочистителя 500мм ЗИЛ-5301 520-12-004
Щетка стеклоочистителя 500мм ЗИЛ-5301
Каталожный номер 520-12-004
Код 13060
Доставка по всей Беларуси
Доступность остатки на филиалах Остатки на филиалах
Остаток: г.Минск, ул.Селицкого 21к В наличии
Склад Адрес Контакт Остатки
г. Минск ул. Селицкого, 21к +375 (44) 770-80-78 ( Средне )
Схема проезда
г. Борисов ул. Демина, 2а +375 (44) 560-99-75 ( Средне )
Схема проезда
г. Гомель ул. Барыкина, 291Б +375 (44) 514-15-30 ( Средне )
Схема проезда
г. Гродно ул. Карского, 35 +375 (44) 770-70-21 ( Средне )
Схема проезда
г. Дятлово ул. Советская ,104 +375 (29) 187-87-37 ( Средне )
Схема проезда
г. Ошмяны ул. Льнозоводская 3 +375 (44) 770-80-91 ( Мало )
Схема проезда
г. Полоцк-2 ул. Шенягина, 52 +375 (29) 302-94-73 ( Мало )
Схема проезда
Втулка разжимного кулака 130-3501126
Втулка разжимного кулака
Каталожный номер 130-3501126
Код 13472
Доставка по всей Беларуси
Доступность остатки на филиалах Остатки на филиалах
Остаток: г.Минск, ул.Селицкого 21к В наличии
Склад Адрес Контакт Остатки
г. Минск ул. Селицкого, 21к +375 (44) 770-80-78 ( Много )
Схема проезда
г. Бобруйск ул. Орловского, 22к3 +375 (29) 345-37-07 ( Средне )
Схема проезда
г. Ошмяны ул. Льнозоводская 3 +375 (44) 770-80-91 ( Средне )
Схема проезда
г. Полоцк-2 ул. Шенягина, 52 +375 (29) 302-94-73 ( Много )
Схема проезда
г. Слуцк ул. Тутаринова, 8 +375 (29) 346-06-90 ( Средне )
Схема проезда
К-т прокладок двигателя Д-245 ЗИЛ-5301 полный РК-245
К-т прокладок двигателя Д-245 ЗИЛ-5301 полный
Каталожный номер РК-245
Код 15597
Доставка по всей Беларуси
Доступность остатки на филиалах Остатки на филиалах
Остаток В наличии
Склад Адрес Контакт Остатки
г. Лепель ул. Лобанка, 43 +375 (44) 778-65-21 ( Мало )
Схема проезда
г. Слуцк ул. Тутаринова, 8 +375 (29) 346-06-90 ( Мало )
Схема проезда