Республика Беларусь,
г. Минск, ул. Селицкого 21к - центральный склад
Пн-пт с 8:00 до 17:00
Меню
П-301 Переключатель света центральный
Наименование: Переключатель П-301 света центральный
Каталожный номер: П-301
Производитель: RSTA
Код товара: 12952
Доставка: по всей Беларуси
Остаток: под заказ

Нашли не точность в описании товара? сообщить администратору.

+375 (44) 770-80-78 +375 (29) 747-80-78
* Выставить счет, получить техническую информацию и стоимость
Заказать деталь Онлайн
Описание
Наличие на филиалах
Применяемость
Заменить на СТО

Код для заказа: 12952

Марка Модель Кат.номер Наим. по каталогу Чертеж
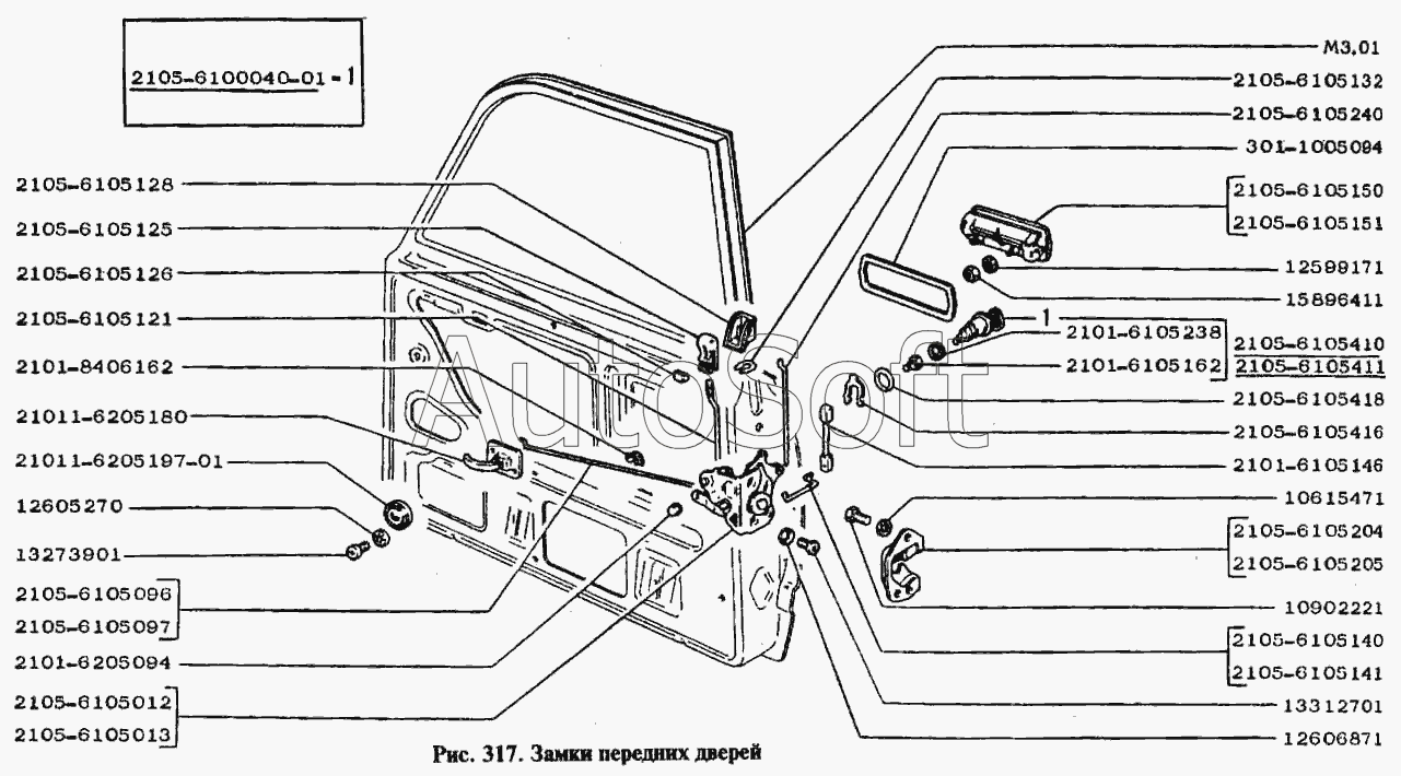
ВАЗ ВАЗ-2104 301-1005094 Уплотнитель Замки передних дверей Чертеж Замки передних дверей
ВАЗ ВАЗ-2104 301-1005094 Уплотнитель Замки задних дверей Чертеж Замки задних дверей
ВАЗ ВАЗ-2105 301-1005094 Уплотнитель Замки передних дверей Чертеж Замки передних дверей
ВАЗ ВАЗ-2105 301-1005094 Уплотнитель Замки задних дверей Чертеж Замки задних дверей
УАЗ УАЗ-3160 (2002) Пр2005-14.301 Лента ЛПРБ 54х1,4-16 Сиденье переднее
УАЗ УАЗ-3160 (2002) ШНКФ 453473.301 Вставка Насос усилителя рулевого управления, трубопроводы и шланги рулевого управления, бак масляный рулевого управления
УАЗ УАЗ-3160 (2002) 17.3722.301 Заглушка Патроны ламп, приборы освещения, фонари, выключатели сигнала торможения, сигналы звуковые, предохранители, соединители электропроводов, прикуриватель, катафот двери Чертеж Патроны ламп, приборы освещения, фонари, выключатели сигнала торможения, сигналы звуковые, предохранители, соединители электропроводов, прикуриватель, катафот двери
ЛуАЗ ЛуАЗ 969М 46 1212 3596 Подшипник 301 ГОСТ 8338-75 Вал распределительный
МАЗ МАЗ-53363 СБИЕ. 301.126.004 Фонарь сигнальный в сборе Установка фонарей знака автопоезда
МАЗ МАЗ-53366 СБИЕ. 301.126.004 Фонарь сигнальный в сборе Установка фонарей знака автопоезда
МАЗ МАЗ-6303 (2000) СБИЕ. 301.126.004 Фонарь сигнальный в сборе Установка фонарей знака автопоезда
МАЗ МАЗ-643068 (2003) 446.055.301.0 Блок электронный Установка электронных блоков на автомобилях МАЗ-544020/643068 Чертеж Установка электронных блоков на автомобилях МАЗ-544020/643068
МАЗ МАЗ-643068 (2003) 446.055.301.0 Блок электронный Установка электронных блоков на автомобилях МАЗ-544008/643008
МАЗ МАЗ-9008 СБИЕ 301 126.005-01 Фонарь габаритный на гибкой основе правый Электрооборудование Чертеж Электрооборудование
МАЗ МАЗ-9008 СБИЕ 301 126.005 Фонарь габаритный на гибкой основе левый Электрооборудование Чертеж Электрооборудование
Ikarus 260.50 301.19.00 Секция насосная Топливный насос Чертеж Топливный насос
Ikarus 260.50 301.38.00 Насосная секция в сборе Топливный насос Чертеж Топливный насос
Ikarus 260.50 301.53.000 Секцияя насосная Топливный насос Чертеж Топливный насос
Ikarus 260.50 301.19.00 Секция насосная Топливный насос Чертеж Топливный насос
Ikarus 260.50 301.38.00 Насосная секция в сборе Топливный насос Чертеж Топливный насос
Товары из этой категории
Свеча А-14 В А-14 В
Свеча А-14 В
Каталожный номер А-14 В
Производитель RSTA RSTA
Код 12140
Доставка по всей Беларуси
Доступность остатки на филиалах Остатки на филиалах
Остаток: г.Минск, ул.Селицкого 21к В наличии
Склад Адрес Контакт Остатки
г. Минск ул. Селицкого, 21к +375 (44) 770-80-78 ( Много )
Схема проезда
г. Борисов ул. Демина, 2а +375 (44) 560-99-75 ( Много )
Схема проезда
г. Витебск ул. Петруся Бровки, 34 +375 (29) 636-25-08 ( Много )
Схема проезда
г. Гродно ул. Карского, 35 +375 (44) 770-70-21 ( Много )
Схема проезда
г. Дятлово ул. Советская ,104 +375 (29) 187-87-37 ( Средне )
Схема проезда
г. Осиповичи ул. Короткая, 11 +375 (29) 165-60-07 ( Средне )
Схема проезда
Моторедуктор стеклоочистителя ГАЗ-53 161-3730 161-3730000
Моторедуктор стеклоочистителя ГАЗ-53 161-3730
Каталожный номер 161-3730000
Производитель PEKAR PEKAR
Код 17171
Доставка по всей Беларуси
Доступность остатки на филиалах Остатки на филиалах
Остаток: г.Минск, ул.Селицкого 21к В наличии
Склад Адрес Контакт Остатки
г. Минск ул. Селицкого, 21к +375 (44) 770-80-78 ( Средне )
Схема проезда
г. Гродно ул. Карского, 35 +375 (44) 770-70-21 ( Мало )
Схема проезда
Выключатель 82.3709-08.16 82.3709-08.16
Выключатель 82.3709-08.16
Каталожный номер 82.3709-08.16
Производитель Автоарматура Автоарматура
Код 47207
Доставка по всей Беларуси
Доступность остатки на филиалах Остатки на филиалах
Остаток: г.Минск, ул.Селицкого 21к В наличии
Склад Адрес Контакт Остатки
г. Минск ул. Селицкого, 21к +375 (44) 770-80-78 ( Средне )
Схема проезда
г. Бобруйск ул. Орловского, 22к3 +375 (29) 345-37-07 ( Мало )
Схема проезда
Выключатель массы 1300.3737
Выключатель массы
Каталожный номер 1300.3737
Производитель RSTA RSTA
Код 13073
Доставка по всей Беларуси
Доступность остатки на филиалах Остатки на филиалах
Остаток В наличии
Склад Адрес Контакт Остатки
г. Горки ул.Мира, д.51а/1 +375 (44) 565-33-61 ( Мало )
Схема проезда
г. Дятлово ул. Советская ,104 +375 (29) 187-87-37 ( Мало )
Схема проезда
Сигнал С302/303 IM 12В к-т IMPULS С302/303 IM
Сигнал С302/303 IM 12В к-т IMPULS
Каталожный номер С302/303 IM
Производитель Автоимпульс Автоимпульс
Код 00-ГР026776
Доставка по всей Беларуси
Доступность остатки на филиалах Остатки на филиалах
Остаток В наличии
Склад Адрес Контакт Остатки
г. Витебск ул. Правды, 33 +375 (44) 770-80-87 ( Мало )
Схема проезда
г. Несвиж ул. Кутузова, 2 +375 (29) 394-82-48 ( Мало )
Схема проезда
г. Ошмяны ул. Льнозоводская 3 +375 (44) 770-80-91 ( Мало )
Схема проезда
г. Слоним ул. Советская, 93а +375 (29) 394-82-01 ( Мало )
Схема проезда