ВК354-3704000 Переключатель Автоарматура,С.Петербург
| Наименование: | Переключатель Автоарматура,С.Петербург |
| Каталожный номер: | ВК354-3704000 |
| Код товара: | ВК3543704000 |
| Доставка: | по всей Беларуси |
| Остаток: | под заказ |
Нашли не точность в описании товара? сообщить администратору.
* Выставить счет, получить техническую информацию и стоимость
Заказать деталь Онлайн
Описание
Наличие на филиалах
Применяемость
Заменить на СТО
Email
ras.Drenchik@gmail.com
Email
ras.Drobot@gmail.com
Email
ras.Rozhkov@gmail.com
Email
los.Konoda@gmail.com
Email
ras.titenkova@gmail.com
Email
ras.Abramovich@gmail.com
Email
pinsk.sto@gmail.com
Email
sto.Polock@snabavto.by
ВК354-3704000 Переключатель.
- Производитель: Автоарматура,С.Петербург
- Каталожный номер по заводу: ВК354-3704000
- Код для заказа: ВК3543704000
| Марка | Модель | Кат.номер | Наим. по каталогу | Чертеж | |
|---|---|---|---|---|---|
| МАЗ | МАЗ-54328 | ВК354-3704000 | Переключатель управления ПЖД | Контрольно-измерительные приборы, выключатели, установка предохранителей и реле | |
| МАЗ | МАЗ-5433 | ВК354-3704000 | Переключатель управления ПЖД | Схема установки изделий электрооборудования МАЗ-53371 | |
| МАЗ | МАЗ-5434 | ВК354-3704000 | Переключатель управления ПЖД | Установка электрооборудования ПЖД | |
| МАЗ | МАЗ-64255 | ВК354-3704000 | Переключатель управления ПЖД | Установка электрооборудования ПЖД |
|
| ЛАЗ | ЛАЗ 699Р | ВК354-3704000-01 | Выключатель предпускового подогревателя | Электрооборудование |
|
| ЛАЗ | ЛАЗ 699Р | ВК354-3704000-01 | Выключатель предпускового подогревателя | Электрооборудование |
|
| ЛАЗ | ЛАЗ 699Р | ВК354-3704000-01 | Выключатель предпускового подогревателя | Щиток приборов | |
| ЛАЗ | ЛАЗ 4207 | ВК354-3704000 | Выключатель ВК354-01 | Щит распределительный мотоотсека |
|
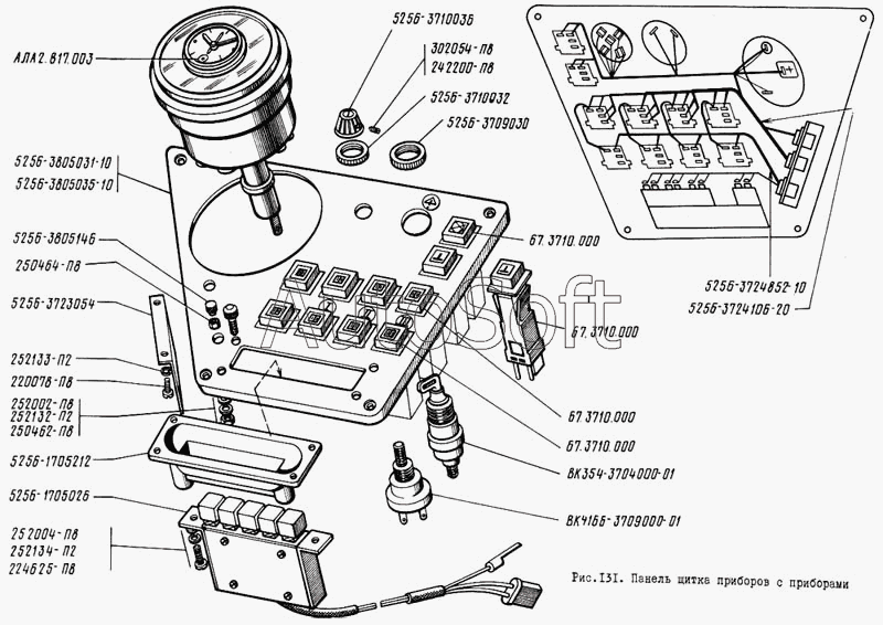
| ЛиАЗ | ЛиАЗ 5256 | ВК354-3704000-01 | Выключатель ВК354-01 | Панель щитка приборов с приборами |
|
| ЛиАЗ | ЛиАЗ 5256 | ВК354-3704000 | Выключатель ВК354-01 | Панель выключателей мотоотсека | |
| ПАЗ | ПАЗ-3205 (2001) | ВК354-3704000-01 | Выключатель (аварийной системы) | Планка генератора | |
| КрАЗ | КрАЗ-250 | ВК354-3704000 | Выключатель предпускового подогревателя | Электросхема | |
| КрАЗ | КрАЗ-260 | ВК354-3704000 | Выключатель предпускового подогревателя | Панель приборов | |
| КрАЗ | КрАЗ-260 | ВК354-3704000 | Выключатель предпускового подогревателя | Электропровода, аппаратура коммутационная и приборы |
|
| КрАЗ | КрАЗ-6443 | ВК354-3704000 | Выключатель предпускового подогревателя | Схема электрооборудования |
|
| КрАЗ | КрАЗ-6443 | ВК354-3704000-0 | Выключатель подогревателя | Панель приборов |
|
| КрАЗ | КрАЗ-6510 (1993) | ВК354-3704000-0 | Выключатель подогревателя | Панель приборов | |
| КрАЗ | КрАЗ-6510 (1993) | ВК354-3704000 | Выключатель предпускового подогревателя | Электрооборудование КрАЗ-6510, КрАЗ-65101 | |
| КрАЗ | КрАЗ-6510 (1993) | ВК354-3704000-0 | Выключатель подогревателя | Электрооборудование КрАЗ-6444 и КрАЗ-65101 | |
| МЗКТ | МЗКТ-65158 (1999) | ВК354-3704000 | Переключатель управления ПЖД ВК354 | Установка электрооборудования в кабине | |
Под заказ
Товары из этой категории
| Радиатор кондиционера JAC, Китай | |
| Каталожный номер | 8105010R0284 |
| Производитель | |
| Код | 8105010R0284 |
| Доставка | по всей Беларуси |
| Остаток | Под заказ |
| Жиклер Экран,Борисов | |
| Каталожный номер | АДЮИ.306549.001-01 |
| Производитель | |
| Код | АДЮИ30654900101 |
| Доставка | по всей Беларуси |
| Остаток | Под заказ |
| Ступица МАЗ ОАО | |
| Каталожный номер | 93866-3104006 |
| Производитель | |
| Код | 938663104006 |
| Доставка | по всей Беларуси |
| Остаток | Под заказ |
| Камера тормозная левая МАЗ ОАО | |
| Каталожный номер | 101-3519101 |
| Производитель | |
| Код | 1013519101 |
| Доставка | по всей Беларуси |
| Остаток | Под заказ |
| Привод останова двигателя, МАЗ ОАО | |
| Каталожный номер | 631727-1115010-000 |
| Производитель | |
| Код | 6317271115010000 |
| Доставка | по всей Беларуси |
| Остаток | Под заказ |
Политика обработки файлов cookie
На сайте snabavto.by используются файлы cookie для сбора обезличенной информации о пользователях. Это помогает нам анализировать статистику, совершенствовать сервис и делать его более удобным для вас. Подробнее о файлах cookie вы можете узнать в соответствующем разделе Политики обработки файлов cookie.
Ремавтоснаб