Республика Беларусь,
г. Минск, ул. Селицкого 21к - центральный склад
Пн-пт с 8:00 до 17:00
Меню
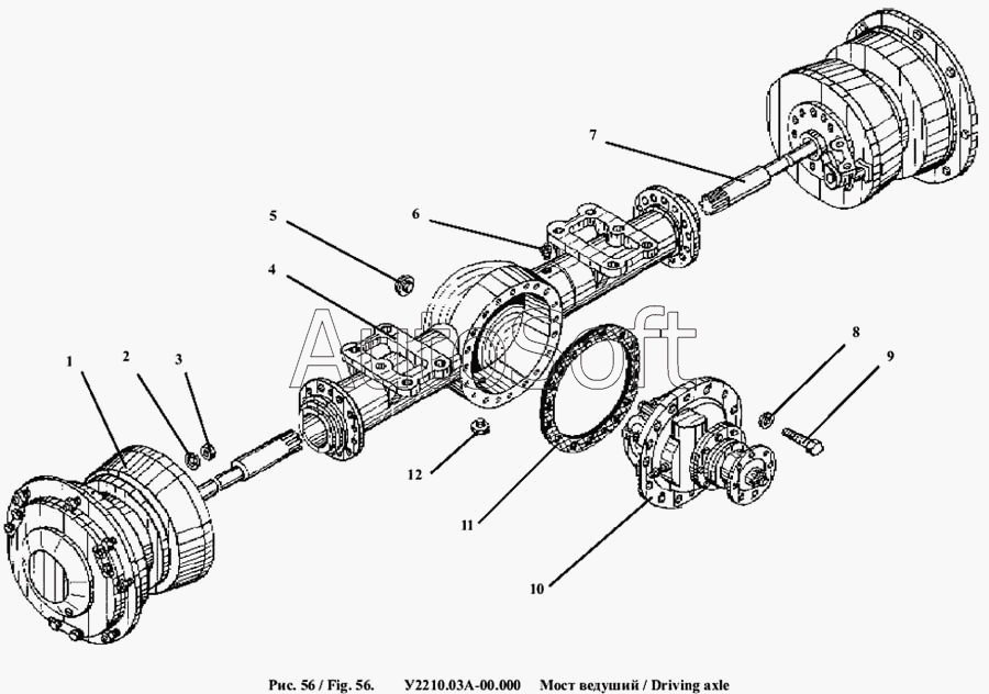
У2210.03А-06.000 Передача колёсная
Наименование: Передача У2210.03А-06.000 колёсная
Каталожный номер: У2210.03А-06.000
Производитель: Амкодор
Код товара: 00-ГР017333
Доставка: по всей Беларуси
Остаток: под заказ

Нашли не точность в описании товара? сообщить администратору.

+375 (44) 770-80-78 +375 (29) 747-80-78
* Выставить счет, получить техническую информацию и стоимость
Заказать деталь Онлайн
Описание
Наличие на филиалах
Применяемость
Заменить на СТО

Передача У2210.03А-06.000 колёсная производства Амкодор (РБ), Код для заказа: 00-ГР017333

Марка Модель Кат.номер Наим. по каталогу Чертеж
Амкодор Амкодор-333В (ТО-18Б3) У2210.03А-06.000-01 Колесная передача Мост ведущий Чертеж Мост ведущий
Амкодор Амкодор-333В (ТО-18Б3) У2210.03А-06.000 Колесная передача Мост ведущий Чертеж Мост ведущий
Амкодор Амкодор-342А (ТО-28А) У2210.03А-06.000-01 Колесная передача Мост ведущий Чертеж Мост ведущий
Амкодор Амкодор-342А (ТО-28А) У2210.03А-06.000 Колесная передача Мост ведущий Чертеж Мост ведущий
Амкодор Амкодор-327 (ТО-18Д) (2003) У2210.03А-00.000 Мост ведущий Мост ведущий Чертеж Мост ведущий
Амкодор Амкодор-327 (ТО-18Д) (2003) У2210.03А-06.000-01 Колесная передача Мост ведущий Чертеж Мост ведущий
Амкодор Амкодор-327 (ТО-18Д) (2003) У2210.03А-06.000 Колесная передача Мост ведущий Чертеж Мост ведущий
Амкодор Амкодор-333 (ТО-18Б) (2004) У2210.03А-06 000 -01 Колесная передача Мост ведущий Чертеж Мост ведущий
Амкодор Амкодор-333 (ТО-18Б) (2004) У2210.03А-06.000 Колесная передача Мост ведущий Чертеж Мост ведущий
Амкодор Амкодор-332С-01 (2006) У2210.03А-00.000 Мост ведущий Установка мостов и колес ТО-18Б.75.00.000-02 Чертеж Установка мостов и колес ТО-18Б.75.00.000-02
Амкодор Амкодор-332С-01 (2006) У2210.03А-06.000-01 Колесная передача Мост ведущий У2210.03А-00.000 Чертеж Мост ведущий У2210.03А-00.000
Амкодор Амкодор-332С-01 (2006) У2210.03А-00.011 Картер моста Мост ведущий У2210.03А-00.000 Чертеж Мост ведущий У2210.03А-00.000
Амкодор Амкодор-332С-01 (2006) У2210.03А-06.000 Колесная передача Мост ведущий У2210.03А-00.000 Чертеж Мост ведущий У2210.03А-00.000
Амкодор Амкодор-332С-01 (2006) У2210.02-03.000 Главная передача Мост ведущий У2210.03А-00.000 Чертеж Мост ведущий У2210.03А-00.000
Амкодор Амкодор-332С-01 (2006) У2210.02-00.009 Прокладка Мост ведущий У2210.03А-00.000 Чертеж Мост ведущий У2210.03А-00.000
Амкодор Амкодор-333А (ТО-18Б2) (2006) У2210.03А-00.000 Мост ведущий Установка мостов и колес ТО-18Б.75.00.000-02 Чертеж Установка мостов и колес ТО-18Б.75.00.000-02
Амкодор Амкодор-333А (ТО-18Б2) (2006) У2210.03А-06.000-01 Колесная передача Мост ведущий У2210.03А-00.000 Чертеж Мост ведущий У2210.03А-00.000
Амкодор Амкодор-333А (ТО-18Б2) (2006) У2210.03А-00.011 Картер моста Мост ведущий У2210.03А-00.000 Чертеж Мост ведущий У2210.03А-00.000
Амкодор Амкодор-333А (ТО-18Б2) (2006) У2210.03А-06.000 Колесная передача Мост ведущий У2210.03А-00.000 Чертеж Мост ведущий У2210.03А-00.000
Амкодор Амкодор-333А (ТО-18Б2) (2006) У2210.02-03.000 Главная передача Мост ведущий У2210.03А-00.000 Чертеж Мост ведущий У2210.03А-00.000
Товары из этой категории
Жгут с адаптером и разъемом 1-0967325-1+9004 180 2 провода АА-ГруппАвто 1-0967325-1+9004
Жгут с адаптером и разъемом 1-0967325-1+9004 180 2 провода АА-ГруппАвто
Каталожный номер 1-0967325-1+9004
Производитель АА-ГруппАвто АА-ГруппАвто
Код 00-ГР038567
Доставка по всей Беларуси
Доступность остатки на филиалах Остатки на филиалах
Остаток: г.Минск, ул.Селицкого 21к В наличии
Склад Адрес Контакт Остатки
г. Минск ул. Бабушкина, 37 +375 (29) 632-00-82 ( Средне )
Схема проезда
г. Минск ул. Селицкого, 21к +375 (44) 770-80-78 ( Много )
Схема проезда
г. Березино ул. Комсомольская, д. 24 +375 (44) 770-80-17 ( Мало )
Схема проезда
г. Берёза ул. Красноармейская, 89/11 +375 (29) 676-70-71 ( Средне )
Схема проезда
г. Бобруйск ул. Орловского, 22к3 +375 (29) 345-37-07 ( Много )
Схема проезда
г. Борисов ул. Демина, 2а +375 (44) 560-99-75 ( Средне )
Схема проезда
г. Брест Тельминский с/с, 1Д/1, 1 км южнее д. Тельмы-2 +375 (44) 599-90-75 ( Средне )
Схема проезда
г. Витебск ул. Петруся Бровки, 34 +375 (29) 636-25-08 ( Средне )
Схема проезда
г. Гомель ул. Барыкина, 291Б +375 (44) 514-15-30 ( Средне )
Схема проезда
г. Горки ул.Мира, д.51а/1 +375 (44) 565-33-61 ( Мало )
Схема проезда
г. Житковичи ул. Комсомольская, 49 +375 (29) 394-82-52 ( Средне )
Схема проезда
г. Кобрин ул. Пролетарская, 177А +375 (44) 588-10-80 ( Средне )
Схема проезда
г. Лельчицы ул. Советская, д.96/1 +375 (29) 346-98-96 ( Средне )
Схема проезда
г. Лунинец ул.Красная, 175а +375 (44) 721-46-74 ( Средне )
Схема проезда
г. Молодечно ул. Галицкого, 14 +375 (44) 567-28-47 ( Средне )
Схема проезда
г. Новогрудок ул. Индустриальная, 3 +375 (44) 729-39-19 ( Мало )
Схема проезда
г. Осиповичи ул. Короткая, 11 +375 (29) 165-60-07 ( Средне )
Схема проезда
г. Ошмяны ул. Льнозоводская 3 +375 (44) 770-80-91 ( Средне )
Схема проезда
г. Пинск ул. Калиновского 32 +375 (44) 560-99-59 ( Средне )
Схема проезда
г. Полоцк-2 ул. Шенягина, 52 +375 (29) 302-94-73 ( Средне )
Схема проезда
г. Полоцк-2 ул. Шенягина, 52 +375 (29) 302-94-73 ( Средне )
Схема проезда
г. Поставы ул. Советская, 69 +375 (44) 770-80-13 ( Много )
Схема проезда
г. Слуцк ул. Тутаринова, 8 +375 (29) 346-06-90 ( Средне )
Схема проезда
г. Щучин ул. Советская, 39 +375 (29) 177-29-70 ( Много )
Схема проезда
Разъем 0-0282104-1 водонепроницаемый (папа) с проводами 0-0282104-1
Разъем 0-0282104-1 водонепроницаемый (папа) с проводами
Каталожный номер 0-0282104-1
Производитель Автоэлектросервис Автоэлектросервис
Код 00-ГР021506
Доставка по всей Беларуси
Доступность остатки на филиалах Остатки на филиалах
Остаток: г.Минск, ул.Селицкого 21к В наличии
Склад Адрес Контакт Остатки
г. Минск ул. Селицкого, 21к +375 (44) 770-80-78 ( Много )
Схема проезда
г. Барановичи ул. Пролетарская, 40 +375 (29) 795-96-37 ( Мало )
Схема проезда
г. Березино ул. Комсомольская, д. 24 +375 (44) 770-80-17 ( Мало )
Схема проезда
г. Бобруйск ул. Гоголя, 181/1-6 +375 (29) 630-05-01 ( Много )
Схема проезда
г. Бобруйск ул. Орловского, 22к3 +375 (29) 345-37-07 ( Средне )
Схема проезда
г. Борисов ул. Демина, 2а +375 (44) 560-99-75 ( Средне )
Схема проезда
г. Витебск ул. Правды, 33 +375 (44) 770-80-87 ( Средне )
Схема проезда
г. Витебск ул. Петруся Бровки, 34 +375 (29) 636-25-08 ( Средне )
Схема проезда
г. Гомель ул. Барыкина, 291Б +375 (44) 514-15-30 ( Много )
Схема проезда
г. Горки ул.Мира, д.51а/1 +375 (44) 565-33-61 ( Средне )
Схема проезда
г. Дятлово ул. Советская ,104 +375 (29) 187-87-37 ( Средне )
Схема проезда
г. Житковичи ул. Комсомольская, 49 +375 (29) 394-82-52 ( Много )
Схема проезда
г. Ивацевичи ул. Загородная, 6А +375 (29) 188-59-01 ( Мало )
Схема проезда
г. Кобрин ул. Пролетарская, 177А +375 (44) 588-10-80 ( Средне )
Схема проезда
г. Кричев ул. Комсомольская, 126 +375 (29) 628-88-42 ( Средне )
Схема проезда
г. Лельчицы ул. Советская, д.96/1 +375 (29) 346-98-96 ( Средне )
Схема проезда
г. Новогрудок ул. Индустриальная, 3 +375 (44) 729-39-19 ( Средне )
Схема проезда
г. Осиповичи ул. Короткая, 11 +375 (29) 165-60-07 ( Мало )
Схема проезда
г. Ошмяны ул. Льнозоводская 3 +375 (44) 770-80-91 ( Средне )
Схема проезда
г. Пинск ул. Калиновского 32 +375 (44) 560-99-59 ( Средне )
Схема проезда
г. Полоцк-2 ул. Шенягина, 52 +375 (29) 302-94-73 ( Мало )
Схема проезда
г. Полоцк-2 ул. Шенягина, 52 +375 (29) 302-94-73 ( Средне )
Схема проезда
г. Слоним ул. Советская, 93а +375 (29) 394-82-01 ( Мало )
Схема проезда
г. Слуцк ул. Тутаринова, 8 +375 (29) 346-06-90 ( Средне )
Схема проезда
г. Сморгонь ул. Железнодорожная, 32 +375 (29) 671-02-10 ( Средне )
Схема проезда
г. Солигорск Чижевичский сельсовет, 3Г +375 (29) 899-58-52 ( Мало )
Схема проезда
г. Щучин ул. Советская, 39 +375 (29) 177-29-70 ( Много )
Схема проезда
Жгут 89262-3724170-1 Автоэлектросервис 89262-3724170-1
Жгут 89262-3724170-1 Автоэлектросервис
Каталожный номер 89262-3724170-1
Производитель Автоэлектросервис Автоэлектросервис
Код 00-ГР028931
Доставка по всей Беларуси
Доступность остатки на филиалах Остатки на филиалах
Остаток Под заказ
Жгут 93866-3724111 93866-3724111
Жгут 93866-3724111
Каталожный номер 93866-3724111
Производитель Автоэлектросервис Автоэлектросервис
Код 00-ГР014067
Доставка по всей Беларуси
Доступность остатки на филиалах Остатки на филиалах
Остаток В наличии
Склад Адрес Контакт Остатки
г. Ивацевичи ул. Загородная, 6А +375 (29) 188-59-01 ( Мало )
Схема проезда
Жгут с адптером  90 и гофрой 4 провода 1-0867325-1
Жгут с адптером 90 и гофрой 4 провода
Каталожный номер 1-0867325-1
Производитель Автоэлектросервис Автоэлектросервис
Код 9230
Доставка по всей Беларуси
Доступность остатки на филиалах Остатки на филиалах
Остаток В наличии
Склад Адрес Контакт Остатки
г. Барановичи ул. Пролетарская, 40 +375 (29) 795-96-37 ( Средне )
Схема проезда
г. Барановичи ул. Бадака, 27Б +375 (29) 350-33-47 ( Средне )
Схема проезда
г. Березино ул. Комсомольская, д. 24 +375 (44) 770-80-17 ( Мало )
Схема проезда
г. Борисов ул. Демина, 2а +375 (44) 560-99-75 ( Мало )
Схема проезда
г. Витебск ул. Правды, 33 +375 (44) 770-80-87 ( Мало )
Схема проезда
г. Глубокое ул. Энгельса, 22 +375 (44) 505-71-40 ( Средне )
Схема проезда
г. Гомель ул. Барыкина, 291Б +375 (44) 514-15-30 ( Мало )
Схема проезда
г. Гомель ул. Барыкина, 291Б +375 (44) 514-15-30 ( Средне )
Схема проезда
г. Гродно ул. Карского, 35 +375 (44) 770-70-21 ( Средне )
Схема проезда
г. Дрогичин ул. Юбилейная, 42 +375 (29) 682-17-13 ( Средне )
Схема проезда
г. Житковичи ул. Комсомольская, 49 +375 (29) 394-82-52 ( Средне )
Схема проезда
г. Ивацевичи ул. Загородная, 6А +375 (29) 188-59-01 ( Средне )
Схема проезда
г. Кричев ул. Комсомольская, 126 +375 (29) 628-88-42 ( Мало )
Схема проезда
г. Лельчицы ул. Советская, д.96/1 +375 (29) 346-98-96 ( Мало )
Схема проезда
г. Лепель ул. Лобанка, 43 +375 (44) 778-65-21 ( Мало )
Схема проезда
г. Лунинец ул.Красная, 175а +375 (44) 721-46-74 ( Средне )
Схема проезда
г. Могилев ул. Габровская 11Б +375 (29) 662-02-16 ( Средне )
Схема проезда
г. Мозырь промузел Козенки +375 (44) 731-94-60 ( Средне )
Схема проезда
г. Молодечно ул. Галицкого, 14 +375 (44) 567-28-47 ( Средне )
Схема проезда
г. Несвиж ул. Кутузова, 2 +375 (29) 394-82-48 ( Средне )
Схема проезда
г. Орша ул. Сергея Кирова, д. 34 +375 (44) 583-91-42 ( Средне )
Схема проезда
г. Пинск ул. Калиновского 32 +375 (44) 560-99-59 ( Мало )
Схема проезда
г. Пружаны ул. Макаренко, 21 +375 (29) 348-83-18 ( Средне )
Схема проезда
г. Сморгонь ул. Железнодорожная, 32 +375 (29) 671-02-10 ( Средне )
Схема проезда
г. Столин ул. Быковского, 29 +375 (33) 304-54-36 ( Средне )
Схема проезда