Республика Беларусь,
г. Минск, ул. Селицкого 21к - центральный склад
Пн-пт с 8:00 до 17:00
Меню
24-1602410 Педаль сцепления
Наименование: Педаль 24-1602410 сцепления
Каталожный номер: 24-1602410
Производитель: RSTA
Код товара: 38376
Доставка: по всей Беларуси
Остаток: под заказ

Нашли не точность в описании товара? сообщить администратору.

+375 (44) 770-80-78 +375 (29) 747-80-78
* Выставить счет, получить техническую информацию и стоимость
Заказать деталь Онлайн
Описание
Наличие на филиалах
Применяемость
Заменить на СТО

Педаль 24-1602410 сцепления производства ГАЗ (РФ), Код для заказа: 38376

Марка Модель Кат.номер Наим. по каталогу Чертеж
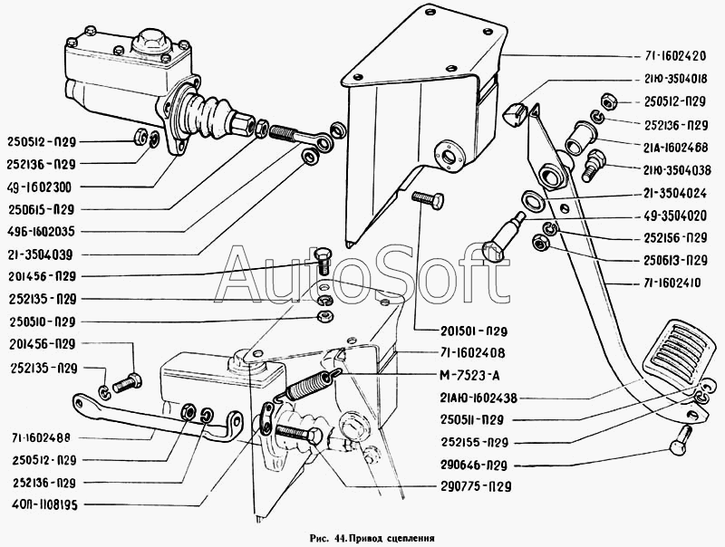
ГАЗ ГАЗ-24 24-1602410 Педаль сцепления в сборе Привод выключения сцепления Чертеж Привод выключения сцепления
ГАЗ ГАЗ-24-10 (1995) 24-1602410-01 Педаль сцепления в сборе Педаль сцепления и тормоза, привод механизма управления тормозами
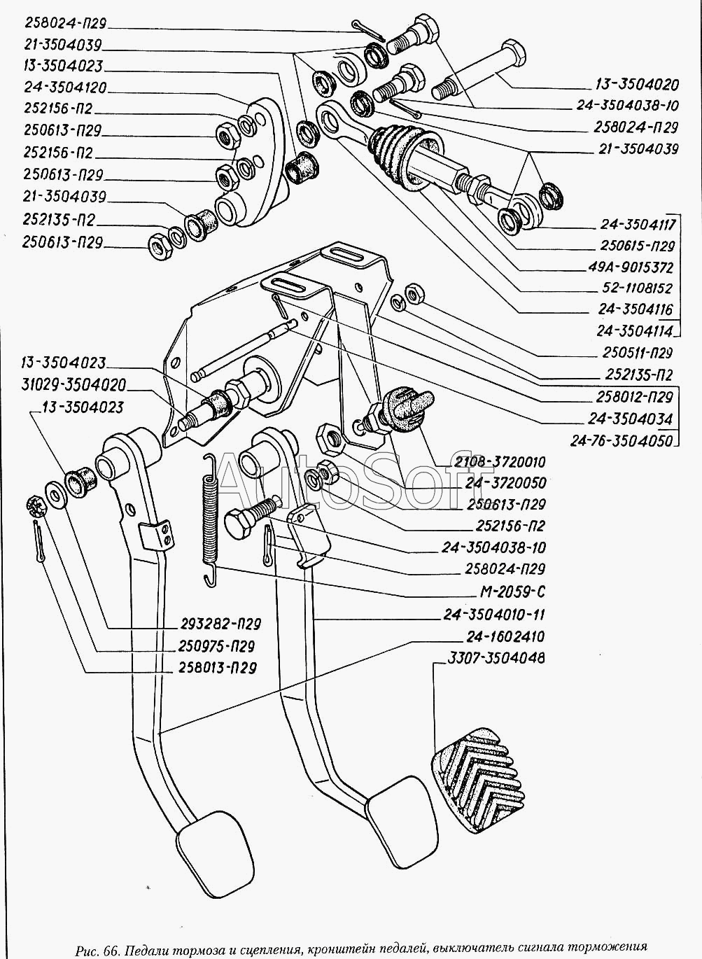
ГАЗ ГАЗ-3102 (2000) 24-1602410-01 Педаль сцепления в сборе Педаль сцепления и тормоза, привод механизма управления тормозами Чертеж Педаль сцепления и тормоза, привод механизма управления тормозами
ГАЗ ГАЗ-31029 24-1602410-01 Педаль сцепления в сборе Педаль сцепления и тормоза, привод механизма управления тормозами
ГАЗ ГАЗ-3105 (1996) 3105-1602410 Педаль сцепления Привод выключения сцепления
ГАЗ ГАЗ-3110 24-1602410 Педаль сцепления в сборе Педали тормоза и сцепления, кронштейн педалей, выключатель сигнала торможения Чертеж Педали тормоза и сцепления, кронштейн педалей, выключатель сигнала торможения
ГАЗ ГАЗ-3306 (1994) 24-1602410 Педаль сцепления в сборе Кронштейн с педалями сцепления, тормоза и цилиндр главный тормозов
ГАЗ ГАЗ-3307 (2000) 24-1602410 Педаль сцепления в сборе Механизм и привод управления сцеплением Чертеж Механизм и привод управления сцеплением
ГАЗ ГАЗ-3309 24-1602410 Педаль сцепления в сборе Кронштейн с педалями сцепления и тормоза, цилиндр главный тормозов
ГАЗ ГАЗ-4301 24-1602410 Педаль сцепления в сборе Привод сцепления Чертеж Привод сцепления
ГАЗ ГАЗ-66 (Каталог 1983 г.) (1983) 66-01-1602410 Педаль сцепления в сборе Привод выключения сцепления Чертеж Привод выключения сцепления
ГАЗ ГАЗ-66 (Каталог 1996 г.) (1996) 66-11-1602410 Педаль сцепления в сборе Механизм и привод управления сцеплением
ГАЗ ГАЗ-71 71-1602410 Педаль сцепления в сборе Привод сцепления Чертеж Привод сцепления
ГАЗ ГАЗ-3308 (2000) 24-1602410 Педаль сцепления в сборе Привод выключения сцепления, главный цилиндр сцепления Чертеж Привод выключения сцепления, главный цилиндр сцепления
КрАЗ КрАЗ-6443 11.1602410 Пневмогидроусилитель сцепления в сборе Привод управления сцеплением
КрАЗ КрАЗ-6443 11.1602410 Пневмогидроусилитель сцепления в сборе Пневмогидроусилитель сцепления
КрАЗ КрАЗ-6443 (каталог 2004 г) 11-1602410 Пневмогидроусилитель сцепления Привод управления сцеплением (с 2000 г)
КрАЗ КрАЗ-6443 (каталог 2004 г) 11.1602410 Пневмогидроусилитель сцепления в сборе Пневмогидроусилитель сцепления (с 2000 г) Чертеж Пневмогидроусилитель сцепления (с 2000 г)
КрАЗ КрАЗ-65055 11.1602410 Пневмогидроусилитель сцепления в сборе Привод управления сцеплением - после 2000г
КрАЗ КрАЗ-65055 11.1602410 Пневмогидроусилитель сцепления в сборе Пневмогидроусилитель сцепления - после 2000 г
Товары из этой категории
Цилиндр сцепления рабочий Г-66-40,Г-3308,3309 4301-1602510
Цилиндр сцепления рабочий Г-66-40,Г-3308,3309
Каталожный номер 4301-1602510
Производитель V-NN V-NN
Код 15535
Доставка по всей Беларуси
Доступность остатки на филиалах Остатки на филиалах
Остаток: г.Минск, ул.Селицкого 21к В наличии
Склад Адрес Контакт Остатки
г. Минск ул. Селицкого, 21к +375 (44) 770-80-78 ( Средне )
Схема проезда
г. Бобруйск ул. Гоголя, 181/1-6 +375 (29) 630-05-01 ( Мало )
Схема проезда
г. Витебск ул. Правды, 33 +375 (44) 770-80-87 ( Мало )
Схема проезда
г. Гомель ул. Барыкина, 291Б +375 (44) 514-15-30 ( Мало )
Схема проезда
г. Дятлово ул. Советская ,104 +375 (29) 187-87-37 ( Мало )
Схема проезда
г. Кричев ул. Комсомольская, 126 +375 (29) 628-88-42 ( Мало )
Схема проезда
г. Молодечно ул. Галицкого, 14 +375 (44) 567-28-47 ( Мало )
Схема проезда
г. Несвиж ул. Кутузова, 2 +375 (29) 394-82-48 ( Мало )
Схема проезда
г. Новогрудок ул. Индустриальная, 3 +375 (44) 729-39-19 ( Мало )
Схема проезда
г. Орша ул. Сергея Кирова, д. 34 +375 (44) 583-91-42 ( Мало )
Схема проезда
г. Осиповичи ул. Короткая, 11 +375 (29) 165-60-07 ( Мало )
Схема проезда
г. Ошмяны ул. Льнозоводская 3 +375 (44) 770-80-91 ( Мало )
Схема проезда
г. Полоцк-2 ул. Шенягина, 52 +375 (29) 302-94-73 ( Мало )
Схема проезда
г. Полоцк-2 ул. Шенягина, 52 +375 (29) 302-94-73 ( Мало )
Схема проезда
г. Поставы ул. Советская, 69 +375 (44) 770-80-13 ( Мало )
Схема проезда
г. Слоним ул. Советская, 93а +375 (29) 394-82-01 ( Мало )
Схема проезда
г. Слуцк ул. Тутаринова, 8 +375 (29) 346-06-90 ( Мало )
Схема проезда
г. Столин ул. Быковского, 29 +375 (33) 304-54-36 ( Мало )
Схема проезда
Вилка выключения сцепления 24-1601200
Вилка выключения сцепления
Каталожный номер 24-1601200
Производитель ГАЗ ГАЗ
Код 10542
Доставка по всей Беларуси
Доступность остатки на филиалах Остатки на филиалах
Остаток: г.Минск, ул.Селицкого 21к В наличии
Склад Адрес Контакт Остатки
г. Минск ул. Селицкого, 21к +375 (44) 770-80-78 ( Средне )
Схема проезда
г. Барановичи ул. Бадака, 27Б +375 (29) 350-33-47 ( Мало )
Схема проезда
г. Бобруйск ул. Гоголя, 181/1-6 +375 (29) 630-05-01 ( Мало )
Схема проезда
г. Бобруйск ул. Орловского, 22к3 +375 (29) 345-37-07 ( Мало )
Схема проезда
г. Витебск ул. Правды, 33 +375 (44) 770-80-87 ( Мало )
Схема проезда
г. Глубокое ул. Энгельса, 22 +375 (44) 505-71-40 ( Мало )
Схема проезда
г. Гомель ул. Барыкина, 291Б +375 (44) 514-15-30 ( Мало )
Схема проезда
г. Гомель ул. Барыкина, 291Б +375 (44) 514-15-30 ( Мало )
Схема проезда
г. Горки ул.Мира, д.51а/1 +375 (44) 565-33-61 ( Мало )
Схема проезда
г. Гродно ул. Карского, 35 +375 (44) 770-70-21 ( Мало )
Схема проезда
г. Дрогичин ул. Юбилейная, 42 +375 (29) 682-17-13 ( Мало )
Схема проезда
г. Дятлово ул. Советская ,104 +375 (29) 187-87-37 ( Мало )
Схема проезда
г. Кобрин ул. Пролетарская, 177А +375 (44) 588-10-80 ( Мало )
Схема проезда
г. Кричев ул. Комсомольская, 126 +375 (29) 628-88-42 ( Мало )
Схема проезда
г. Молодечно ул. Галицкого, 14 +375 (44) 567-28-47 ( Мало )
Схема проезда
г. Несвиж ул. Кутузова, 2 +375 (29) 394-82-48 ( Мало )
Схема проезда
г. Новогрудок ул. Индустриальная, 3 +375 (44) 729-39-19 ( Мало )
Схема проезда
г. Осиповичи ул. Короткая, 11 +375 (29) 165-60-07 ( Мало )
Схема проезда
г. Ошмяны ул. Льнозоводская 3 +375 (44) 770-80-91 ( Мало )
Схема проезда
г. Пинск ул. Калиновского 32 +375 (44) 560-99-59 ( Мало )
Схема проезда
г. Полоцк-2 ул. Шенягина, 52 +375 (29) 302-94-73 ( Мало )
Схема проезда
г. Полоцк-2 ул. Шенягина, 52 +375 (29) 302-94-73 ( Мало )
Схема проезда
г. Поставы ул. Советская, 69 +375 (44) 770-80-13 ( Мало )
Схема проезда
г. Пружаны ул. Макаренко, 21 +375 (29) 348-83-18 ( Мало )
Схема проезда
г. Слоним ул. Советская, 93а +375 (29) 394-82-01 ( Мало )
Схема проезда
г. Сморгонь ул. Железнодорожная, 32 +375 (29) 671-02-10 ( Мало )
Схема проезда
Цилиндр сцепления,РФ 31029-1602510
Цилиндр сцепления,РФ
Каталожный номер 31029-1602510
Производитель КНР КНР
Код 33401
Доставка по всей Беларуси
Доступность остатки на филиалах Остатки на филиалах
Остаток В наличии
Склад Адрес Контакт Остатки
г. Борисов ул. Демина, 2а +375 (44) 560-99-75 ( Мало )
Схема проезда
г. Гродно ул. Карского, 35 +375 (44) 770-70-21 ( Мало )
Схема проезда
г. Молодечно ул. Галицкого, 14 +375 (44) 567-28-47 ( Мало )
Схема проезда
г. Солигорск Чижевичский сельсовет, 3Г +375 (29) 899-58-52 ( Мало )
Схема проезда
Цилиндр сцепления, РФ 66-11-1602300
Цилиндр сцепления, РФ
Каталожный номер 66-11-1602300
Производитель КНР КНР
Код 33407
Доставка по всей Беларуси
Доступность остатки на филиалах Остатки на филиалах
Остаток В наличии
Склад Адрес Контакт Остатки
г. Гомель ул. Барыкина, 291Б +375 (44) 514-15-30 ( Мало )
Схема проезда
Цилиндр сцепления привода 486283000131
Цилиндр сцепления привода
Каталожный номер 486283000131
Производитель Автомагнат Автомагнат
Код 28749
Доставка по всей Беларуси
Доступность остатки на филиалах Остатки на филиалах
Остаток В наличии
Склад Адрес Контакт Остатки
г. Витебск ул. Правды, 33 +375 (44) 770-80-87 ( Мало )
Схема проезда
г. Гродно ул. Карского, 35 +375 (44) 770-70-21 ( Мало )
Схема проезда
г. Кричев ул. Комсомольская, 126 +375 (29) 628-88-42 ( Мало )
Схема проезда
г. Лунинец ул.Красная, 175а +375 (44) 721-46-74 ( Мало )
Схема проезда
г. Молодечно ул. Галицкого, 14 +375 (44) 567-28-47 ( Мало )
Схема проезда
г. Полоцк-2 ул. Шенягина, 52 +375 (29) 302-94-73 ( Мало )
Схема проезда
г. Слоним ул. Советская, 93а +375 (29) 394-82-01 ( Мало )
Схема проезда
г. Сморгонь ул. Железнодорожная, 32 +375 (29) 671-02-10 ( Мало )
Схема проезда