90-63-150-150 Патрубок силиконовый угловой 90°
| Наименование: | Патрубок силиконовый 90-63-150-150 угловой 90° |
| Каталожный номер: | 90-63-150-150 |
| Производитель: |
|
| Код товара: | 00-ГР012263 |
| Доставка: | по всей Беларуси |
| Остаток: | в наличии |
Нашли не точность в описании товара? сообщить администратору.
* Выставить счет, получить техническую информацию и стоимость
Заказать деталь Онлайн
Описание
Наличие на филиалах
Применяемость
Заменить на СТО
Email
ras.Drenchik@gmail.com
Email
ras.Drobot@gmail.com
Email
ras.Rozhkov@gmail.com
Email
los.Konoda@gmail.com
Email
ras.titenkova@gmail.com
Email
ras.Abramovich@gmail.com
Email
pinsk.sto@gmail.com
Email
sto.Polock@snabavto.by
Патрубок силиконовый 90-63-150-150 угловой 90°. Код товара для заказа: 00-ГР012263
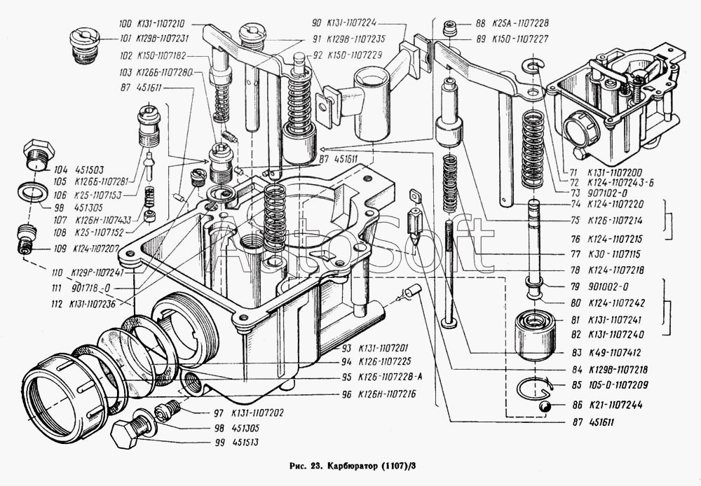
| Марка | Модель | Кат.номер | Наим. по каталогу | Чертеж | |
|---|---|---|---|---|---|
| ГАЗ | ГАЗ-3102 (2000) | К 150-1107239 | Стакан | Карбюратор | |
| ГАЗ | ГАЗ-3102 (2000) | К 150-1107253 | Жиклер | Карбюратор | |
| ГАЗ | ГАЗ-3102 (2000) | К 150-1107260 | Крышка в сборе | Карбюратор | |
| ГАЗ | ГАЗ-3102 (2000) | К 150-1107208 | Распылитель | Карбюратор | |
| ГАЗ | ГАЗ-3102 (2000) | К 150-1107394 | Крышка клапана разбаланснровки | Карбюратор | |
| ГАЗ | ГАЗ-3102 (2000) | К 150-1107182 | Винт | Карбюратор | |
| ГАЗ | ГАЗ-66 (Каталог 1983 г.) (1983) | 66-70-3723140 | Вилка штепсельная в сборе ПС300А-150-Э | Схема электрооборудования автомобиля ГАЗ-66-01 | |
| ГАЗ | ГАЗ-66 (Каталог 1983 г.) (1983) | 66-70-3723140 | Вилка штепсельная в сборе ПС300А-150-Э | Схема электрооборудования автомобиля ГАЗ-66-05 |
|
| УАЗ | УАЗ-3741 | К 150-1107227 | Пружина малого диффузора | Карбюратор |
|
| УАЗ | УАЗ-3741 | К 150-1107504 | Жиклер | Карбюратор |
|
| УАЗ | УАЗ-3962 | К 150-1107227 | Пружина малого диффузора | Карбюратор | |
| УАЗ | УАЗ-3962 | К 150-1107504 | Жиклер | Карбюратор | |
| УАЗ | УАЗ-2206 | К 150-1107227 | Пружина малого диффузора | Карбюратор |
|
| УАЗ | УАЗ-2206 | К 150-1107504 | Жиклер | Карбюратор |
|
| УАЗ | УАЗ-3303 | К 150-1107227 | Пружина малого диффузора | Карбюратор | |
| УАЗ | УАЗ-3303 | К 150-1107504 | Жиклер | Карбюратор | |
| УАЗ | УАЗ-3160 (2002) | 0 280 150 902 | Форсунка | Трубопроводы топливные и насос топливный низкого давления электрический |
|
| МАЗ | МАЗ-537 | 401.38.011 | Баллон 10-150 | Баллоны системы воздухопуска и их крепление |
|
| МАЗ | МАЗ-53363 | 64221-810)150 | Кран управления отопителем | Кран управления отопителем |
|
| МАЗ | МАЗ-53366 | 64221-810)150 | Кран управления отопителем | Кран управления отопителем | |
| Склад | Адрес | Контакт | Остатки | |
|---|---|---|---|---|
| г. Минск | ул. Селицкого, 21к | +375 (44) 770-80-78 |
( Много )
|
Схема проезда |
| г. Бобруйск | ул. Орловского, 22к3 | +375 (29) 345-37-07 |
( Мало )
|
Схема проезда |
| г. Дрогичин | ул. Юбилейная, 42 | +375 (29) 682-17-13 |
( Мало )
|
Схема проезда |
| г. Кричев | ул. Комсомольская, 126 | +375 (29) 628-88-42 |
( Мало )
|
Схема проезда |
| г. Ошмяны | ул. Льнозоводская 3 | +375 (44) 770-80-91 |
( Средне )
|
Схема проезда |
| г. Солигорск | Чижевичский сельсовет, 3Г | +375 (29) 899-58-52 |
( Мало )
|
Схема проезда |
| г. Барановичи | ул. Бадака, 27Б | +375 (29) 350-33-47 |
Под заказ
|
Схема проезда |
| г. Барановичи | ул. Пролетарская, 40 | +375 (29) 795-96-37 |
Под заказ
|
Схема проезда |
| г. Берёза | ул. Красноармейская, 89/11 | +375 (29) 676-70-71 |
Под заказ
|
Схема проезда |
| г. Березино | ул. Комсомольская, д. 24 | +375 (44) 770-80-17 |
Под заказ
|
Схема проезда |
| г. Бобруйск | ул. Гоголя, 181/1-6 | +375 (29) 630-05-01 |
Под заказ
|
Схема проезда |
| г. Борисов | ул. Демина, 2а | +375 (44) 560-99-75 |
Под заказ
|
Схема проезда |
| г. Брест | Тельминский с/с, 1Д/1, 1 км южнее д. Тельмы-2 | +375 (44) 599-90-75 |
Под заказ
|
Схема проезда |
| г. Витебск | ул. Правды, 33 | +375 (44) 770-80-87 |
Под заказ
|
Схема проезда |
| г. Витебск | ул. Петруся Бровки, 34 | +375 (29) 636-25-08 |
Под заказ
|
Схема проезда |
| г. Глубокое | ул. Энгельса, 22 | +375 (44) 505-71-40 |
Под заказ
|
Схема проезда |
| г. Гомель | ул. Барыкина, 291Б | +375 (44) 514-15-30 |
Под заказ
|
Схема проезда |
| г. Гомель | ул. Текстильная, 10 | +375 (44) 540-02-05 |
Под заказ
|
Схема проезда |
| г. Горки | ул.Мира, д.51а/1 | +375 (44) 565-33-61 |
Под заказ
|
Схема проезда |
| г. Гродно | ул. Карского, 35 | +375 (44) 770-70-21 |
Под заказ
|
Схема проезда |
| г. Дятлово | ул. Советская ,104 | +375 (29) 187-87-37 |
Под заказ
|
Схема проезда |
| г. Житковичи | ул. Комсомольская, 49 | +375 (29) 394-82-52 |
Под заказ
|
Схема проезда |
| г. Жлобин | ул. Козлова, 25 | +375 (29) 346-06-78 |
Под заказ
|
Схема проезда |
| г. Ивацевичи | ул. Загородная, 6А | +375 (29) 188-59-01 |
Под заказ
|
Схема проезда |
| г. Кобрин | ул. Пролетарская, 177А | +375 (44) 588-10-80 |
Под заказ
|
Схема проезда |
| г. Лельчицы | ул. Советская, д.96/1 | +375 (29) 346-98-96 |
Под заказ
|
Схема проезда |
| г. Лепель | ул. Лобанка, 43 | +375 (44) 778-65-21 |
Под заказ
|
Схема проезда |
| г. Лида | ул. Качана, 7 | +375 (29) 612-60-61 |
Под заказ
|
Схема проезда |
| г. Лунинец | ул.Красная, 175а | +375 (44) 721-46-74 |
Под заказ
|
Схема проезда |
| г. Минск | ул. Бабушкина, 37 | +375 (29) 632-00-82 |
Под заказ
|
Схема проезда |
| г. Могилев | ул. Габровская 11Б | +375 (29) 662-02-16 |
Под заказ
|
Схема проезда |
| г. Мозырь | промузел Козенки | +375 (44) 731-94-60 |
Под заказ
|
Схема проезда |
| г. Молодечно | ул. Галицкого, 14 | +375 (44) 567-28-47 |
Под заказ
|
Схема проезда |
| г. Несвиж | ул. Кутузова, 2 | +375 (29) 394-82-48 |
Под заказ
|
Схема проезда |
| г. Новогрудок | ул. Индустриальная, 3 | +375 (44) 729-39-19 |
Под заказ
|
Схема проезда |
| г. Орша | ул. Сергея Кирова, д. 34 | +375 (44) 583-91-42 |
Под заказ
|
Схема проезда |
| г. Осиповичи | ул. Короткая, 11 | +375 (29) 165-60-07 |
Под заказ
|
Схема проезда |
| г. Петриков | ул. Первомайская, 124 | +375 (33) 660-06-75 |
Под заказ
|
Схема проезда |
| г. Пинск | ул. Калиновского 32 | +375 (44) 560-99-59 |
Под заказ
|
Схема проезда |
| г. Полоцк | ул. Пролетарская, 6 | +375 (29) 644-57-58 |
Под заказ
|
Схема проезда |
| г. Полоцк | ул. Строительная, 30Б | +375 (29) 302-97-91 |
Под заказ
|
Схема проезда |
| г. Полоцк-2 | ул. Шенягина, 52 | +375 (29) 302-94-73 |
Под заказ
|
Схема проезда |
| г. Поставы | ул. Советская, 69 | +375 (44) 770-80-13 |
Под заказ
|
Схема проезда |
| г. Пружаны | ул. Макаренко, 21 | +375 (29) 348-83-18 |
Под заказ
|
Схема проезда |
| г. Слоним | ул. Советская, 93а | +375 (29) 394-82-01 |
Под заказ
|
Схема проезда |
| г. Слуцк | ул. Тутаринова, 8 | +375 (29) 346-06-90 |
Под заказ
|
Схема проезда |
| г. Сморгонь | ул. Железнодорожная, 32 | +375 (29) 671-02-10 |
Под заказ
|
Схема проезда |
| г. Столин | ул. Быковского, 29 | +375 (33) 304-54-36 |
Под заказ
|
Схема проезда |
| г. Щучин | ул. Советская, 39 | +375 (29) 177-29-70 |
Под заказ
|
Схема проезда |
Товары из этой категории
| Рукав с ниточной оплеткой 14х23-1,6 ГОСТ 10362-76 | |
| Каталожный номер | 14x23x1,6 |
| Производитель |
|
| Код | 25845 |
| Доставка | по всей Беларуси |
| Доступность | остатки на филиалах |
| Остаток | В наличии |
| Склад | Адрес | Контакт | Остатки | |
|---|---|---|---|---|
| г. Гомель | ул. Барыкина, 291Б | +375 (44) 514-15-30 |
( Мало )
|
Схема проезда |
| г. Кобрин | ул. Пролетарская, 177А | +375 (44) 588-10-80 |
( Мало )
|
Схема проезда |
| г. Лепель | ул. Лобанка, 43 | +375 (44) 778-65-21 |
( Мало )
|
Схема проезда |
| Рукав РВД | |
| Каталожный номер | РВД D12 L 1410 S27 |
| Производитель |
|
| Код | 21444 |
| Доставка | по всей Беларуси |
| Доступность | остатки на филиалах |
| Остаток: г.Минск, ул.Селицкого 21к | В наличии |
| Склад | Адрес | Контакт | Остатки | |
|---|---|---|---|---|
| г. Минск | ул. Селицкого, 21к | +375 (44) 770-80-78 |
( Много )
|
Схема проезда |
| г. Барановичи | ул. Пролетарская, 40 | +375 (29) 795-96-37 |
( Мало )
|
Схема проезда |
| г. Березино | ул. Комсомольская, д. 24 | +375 (44) 770-80-17 |
( Средне )
|
Схема проезда |
| г. Берёза | ул. Красноармейская, 89/11 | +375 (29) 676-70-71 |
( Мало )
|
Схема проезда |
| г. Бобруйск | ул. Гоголя, 181/1-6 | +375 (29) 630-05-01 |
( Средне )
|
Схема проезда |
| г. Бобруйск | ул. Орловского, 22к3 | +375 (29) 345-37-07 |
( Мало )
|
Схема проезда |
| г. Борисов | ул. Демина, 2а | +375 (44) 560-99-75 |
( Средне )
|
Схема проезда |
| г. Витебск | ул. Петруся Бровки, 34 | +375 (29) 636-25-08 |
( Мало )
|
Схема проезда |
| г. Глубокое | ул. Энгельса, 22 | +375 (44) 505-71-40 |
( Средне )
|
Схема проезда |
| г. Горки | ул.Мира, д.51а/1 | +375 (44) 565-33-61 |
( Средне )
|
Схема проезда |
| г. Гродно | ул. Карского, 35 | +375 (44) 770-70-21 |
( Средне )
|
Схема проезда |
| г. Дрогичин | ул. Юбилейная, 42 | +375 (29) 682-17-13 |
( Средне )
|
Схема проезда |
| г. Дятлово | ул. Советская ,104 | +375 (29) 187-87-37 |
( Средне )
|
Схема проезда |
| г. Житковичи | ул. Комсомольская, 49 | +375 (29) 394-82-52 |
( Много )
|
Схема проезда |
| г. Жлобин | ул. Козлова, 25 | +375 (29) 346-06-78 |
( Много )
|
Схема проезда |
| г. Ивацевичи | ул. Загородная, 6А | +375 (29) 188-59-01 |
( Средне )
|
Схема проезда |
| г. Кричев | ул. Комсомольская, 126 | +375 (29) 628-88-42 |
( Средне )
|
Схема проезда |
| г. Лельчицы | ул. Советская, д.96/1 | +375 (29) 346-98-96 |
( Много )
|
Схема проезда |
| г. Лепель | ул. Лобанка, 43 | +375 (44) 778-65-21 |
( Средне )
|
Схема проезда |
| г. Лунинец | ул.Красная, 175а | +375 (44) 721-46-74 |
( Средне )
|
Схема проезда |
| г. Могилев | ул. Габровская 11Б | +375 (29) 662-02-16 |
( Средне )
|
Схема проезда |
| г. Молодечно | ул. Галицкого, 14 | +375 (44) 567-28-47 |
( Средне )
|
Схема проезда |
| г. Несвиж | ул. Кутузова, 2 | +375 (29) 394-82-48 |
( Средне )
|
Схема проезда |
| г. Новогрудок | ул. Индустриальная, 3 | +375 (44) 729-39-19 |
( Средне )
|
Схема проезда |
| г. Орша | ул. Сергея Кирова, д. 34 | +375 (44) 583-91-42 |
( Средне )
|
Схема проезда |
| г. Осиповичи | ул. Короткая, 11 | +375 (29) 165-60-07 |
( Средне )
|
Схема проезда |
| г. Ошмяны | ул. Льнозоводская 3 | +375 (44) 770-80-91 |
( Средне )
|
Схема проезда |
| г. Полоцк-2 | ул. Шенягина, 52 | +375 (29) 302-94-73 |
( Средне )
|
Схема проезда |
| г. Полоцк-2 | ул. Шенягина, 52 | +375 (29) 302-94-73 |
( Средне )
|
Схема проезда |
| г. Поставы | ул. Советская, 69 | +375 (44) 770-80-13 |
( Средне )
|
Схема проезда |
| г. Пружаны | ул. Макаренко, 21 | +375 (29) 348-83-18 |
( Мало )
|
Схема проезда |
| г. Слоним | ул. Советская, 93а | +375 (29) 394-82-01 |
( Средне )
|
Схема проезда |
| г. Слуцк | ул. Тутаринова, 8 | +375 (29) 346-06-90 |
( Мало )
|
Схема проезда |
| г. Сморгонь | ул. Железнодорожная, 32 | +375 (29) 671-02-10 |
( Средне )
|
Схема проезда |
| г. Солигорск | Чижевичский сельсовет, 3Г | +375 (29) 899-58-52 |
( Средне )
|
Схема проезда |
| г. Столин | ул. Быковского, 29 | +375 (33) 304-54-36 |
( Средне )
|
Схема проезда |
| г. Щучин | ул. Советская, 39 | +375 (29) 177-29-70 |
( Средне )
|
Схема проезда |
| Рукав 12х20-1,6 | |
| Каталожный номер | 12х20-1,6 |
| Производитель |
|
| Код | 28816 |
| Доставка | по всей Беларуси |
| Доступность | остатки на филиалах |
| Остаток | В наличии |
| Склад | Адрес | Контакт | Остатки | |
|---|---|---|---|---|
| г. Витебск | ул. Петруся Бровки, 34 | +375 (29) 636-25-08 |
( Средне )
|
Схема проезда |
| Рукав РВД | |
| Каталожный номер | РВД D20 L 1410 S41 |
| Производитель |
|
| Код | 21453 |
| Доставка | по всей Беларуси |
| Доступность | остатки на филиалах |
| Остаток: г.Минск, ул.Селицкого 21к | В наличии |
| Склад | Адрес | Контакт | Остатки | |
|---|---|---|---|---|
| г. Минск | ул. Селицкого, 21к | +375 (44) 770-80-78 |
( Много )
|
Схема проезда |
| г. Березино | ул. Комсомольская, д. 24 | +375 (44) 770-80-17 |
( Мало )
|
Схема проезда |
| г. Бобруйск | ул. Гоголя, 181/1-6 | +375 (29) 630-05-01 |
( Мало )
|
Схема проезда |
| г. Бобруйск | ул. Орловского, 22к3 | +375 (29) 345-37-07 |
( Средне )
|
Схема проезда |
| г. Гомель | ул. Барыкина, 291Б | +375 (44) 514-15-30 |
( Средне )
|
Схема проезда |
| г. Горки | ул.Мира, д.51а/1 | +375 (44) 565-33-61 |
( Мало )
|
Схема проезда |
| г. Дрогичин | ул. Юбилейная, 42 | +375 (29) 682-17-13 |
( Мало )
|
Схема проезда |
| г. Дятлово | ул. Советская ,104 | +375 (29) 187-87-37 |
( Средне )
|
Схема проезда |
| г. Житковичи | ул. Комсомольская, 49 | +375 (29) 394-82-52 |
( Мало )
|
Схема проезда |
| г. Жлобин | ул. Козлова, 25 | +375 (29) 346-06-78 |
( Мало )
|
Схема проезда |
| г. Кричев | ул. Комсомольская, 126 | +375 (29) 628-88-42 |
( Мало )
|
Схема проезда |
| г. Лельчицы | ул. Советская, д.96/1 | +375 (29) 346-98-96 |
( Средне )
|
Схема проезда |
| г. Лепель | ул. Лобанка, 43 | +375 (44) 778-65-21 |
( Средне )
|
Схема проезда |
| г. Могилев | ул. Габровская 11Б | +375 (29) 662-02-16 |
( Мало )
|
Схема проезда |
| г. Несвиж | ул. Кутузова, 2 | +375 (29) 394-82-48 |
( Средне )
|
Схема проезда |
| г. Новогрудок | ул. Индустриальная, 3 | +375 (44) 729-39-19 |
( Мало )
|
Схема проезда |
| г. Ошмяны | ул. Льнозоводская 3 | +375 (44) 770-80-91 |
( Мало )
|
Схема проезда |
| г. Полоцк-2 | ул. Шенягина, 52 | +375 (29) 302-94-73 |
( Мало )
|
Схема проезда |
| г. Слоним | ул. Советская, 93а | +375 (29) 394-82-01 |
( Средне )
|
Схема проезда |
| г. Сморгонь | ул. Железнодорожная, 32 | +375 (29) 671-02-10 |
( Мало )
|
Схема проезда |
| г. Столин | ул. Быковского, 29 | +375 (33) 304-54-36 |
( Средне )
|
Схема проезда |
| Рукав РВД | |
| Каталожный номер | РВД D12 L 1810 S27 |
| Производитель |
|
| Код | 30683 |
| Доставка | по всей Беларуси |
| Доступность | остатки на филиалах |
| Остаток: г.Минск, ул.Селицкого 21к | В наличии |
| Склад | Адрес | Контакт | Остатки | |
|---|---|---|---|---|
| г. Минск | ул. Селицкого, 21к | +375 (44) 770-80-78 |
( Много )
|
Схема проезда |
| г. Барановичи | ул. Пролетарская, 40 | +375 (29) 795-96-37 |
( Мало )
|
Схема проезда |
| г. Березино | ул. Комсомольская, д. 24 | +375 (44) 770-80-17 |
( Мало )
|
Схема проезда |
| г. Бобруйск | ул. Гоголя, 181/1-6 | +375 (29) 630-05-01 |
( Мало )
|
Схема проезда |
| г. Бобруйск | ул. Орловского, 22к3 | +375 (29) 345-37-07 |
( Средне )
|
Схема проезда |
| г. Борисов | ул. Демина, 2а | +375 (44) 560-99-75 |
( Средне )
|
Схема проезда |
| г. Глубокое | ул. Энгельса, 22 | +375 (44) 505-71-40 |
( Мало )
|
Схема проезда |
| г. Горки | ул.Мира, д.51а/1 | +375 (44) 565-33-61 |
( Средне )
|
Схема проезда |
| г. Дрогичин | ул. Юбилейная, 42 | +375 (29) 682-17-13 |
( Средне )
|
Схема проезда |
| г. Дятлово | ул. Советская ,104 | +375 (29) 187-87-37 |
( Мало )
|
Схема проезда |
| г. Житковичи | ул. Комсомольская, 49 | +375 (29) 394-82-52 |
( Средне )
|
Схема проезда |
| г. Ивацевичи | ул. Загородная, 6А | +375 (29) 188-59-01 |
( Мало )
|
Схема проезда |
| г. Кричев | ул. Комсомольская, 126 | +375 (29) 628-88-42 |
( Средне )
|
Схема проезда |
| г. Лельчицы | ул. Советская, д.96/1 | +375 (29) 346-98-96 |
( Много )
|
Схема проезда |
| г. Могилев | ул. Габровская 11Б | +375 (29) 662-02-16 |
( Мало )
|
Схема проезда |
| г. Новогрудок | ул. Индустриальная, 3 | +375 (44) 729-39-19 |
( Средне )
|
Схема проезда |
| г. Осиповичи | ул. Короткая, 11 | +375 (29) 165-60-07 |
( Средне )
|
Схема проезда |
| г. Ошмяны | ул. Льнозоводская 3 | +375 (44) 770-80-91 |
( Мало )
|
Схема проезда |
| г. Слоним | ул. Советская, 93а | +375 (29) 394-82-01 |
( Средне )
|
Схема проезда |
| г. Сморгонь | ул. Железнодорожная, 32 | +375 (29) 671-02-10 |
( Мало )
|
Схема проезда |
| г. Солигорск | Чижевичский сельсовет, 3Г | +375 (29) 899-58-52 |
( Мало )
|
Схема проезда |
| г. Столин | ул. Быковского, 29 | +375 (33) 304-54-36 |
( Средне )
|
Схема проезда |
Политика обработки файлов cookie
На сайте snabavto.by используются файлы cookie для сбора обезличенной информации о пользователях. Это помогает нам анализировать статистику, совершенствовать сервис и делать его более удобным для вас. Подробнее о файлах cookie вы можете узнать в соответствующем разделе Политики обработки файлов cookie.
Ремавтоснаб