Республика Беларусь,
г. Минск, ул. Селицкого 21к - центральный склад
Пн-пт с 8:00 до 17:00
Меню
80-8100100 Панель МТЗ
Наименование: Панель 80-8100100 МТЗ
Каталожный номер: 80-8100100
Производитель: МТЗ
Код товара: 00-ГР037397
Доставка: по всей Беларуси
Остаток: под заказ

Нашли не точность в описании товара? сообщить администратору.

+375 (44) 770-80-78 +375 (29) 747-80-78
* Выставить счет, получить техническую информацию и стоимость
Заказать деталь Онлайн
Описание
Наличие на филиалах
Применяемость
Заменить на СТО

Панель 80-8100100 МТЗ производства МТЗ (МТЗ), Код для заказа: 00-ГР037397

Марка Модель Кат.номер Наим. по каталогу Чертеж
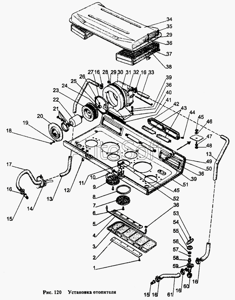
МТЗ МТЗ-1221 (1997) 80-8100100 Панель Кабина Чертеж Кабина
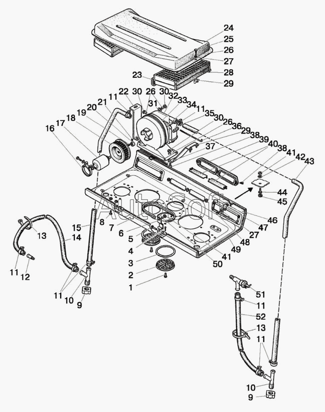
МТЗ МТЗ-1221 (1997) 80-8100100 Панель Установка отопителя Чертеж Установка отопителя
МТЗ МТЗ-822 (2008) 822-8100100 Панель Отопитель
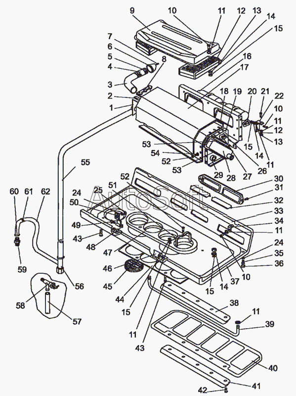
МТЗ МТЗ-922 (2008) 822-8100100 Панель Отопитель Чертеж Отопитель
МТЗ МТЗ-923 (2008) 822-8100100 Панель Отопитель Чертеж Отопитель
МТЗ МТЗ-1005 (2008) 80-8100100 Панель Кабина
МТЗ МТЗ-1005 (2008) 80-8100100 Панель Установка отопителя Чертеж Установка отопителя
МТЗ МТЗ-80 (2002) (2002) 80-8100100 Панель 6702, 6706 Кабина трактора. Пол кабины Чертеж 6702, 6706 Кабина трактора. Пол кабины
МТЗ МТЗ-80 (2002) (2002) 80-8100100 Панель 8101, 8115 Отопитель. Арматура отопителя Чертеж 8101, 8115 Отопитель. Арматура отопителя
МТЗ МЛПТ-354М (2008) МЛ131-8100100 Панель Система отопления Чертеж Система отопления
МТЗ МТЗ-80 (2009) (2009) 80-8100100 Панель Пол кабины Чертеж Пол кабины
МТЗ МТЗ-80 (2009) (2009) 80-8100100 Панель Отопитель. Арматура отопителя Чертеж Отопитель. Арматура отопителя
МТЗ МТЗ-570 (2010) 80-8100100 Панель Пол кабины Чертеж Пол кабины
МТЗ МТЗ-570 (2010) 80-8100100 Панель Отопитель. Арматура отопителя Чертеж Отопитель. Арматура отопителя
МТЗ МТЗ-570 (2010) 80-8100100 Панель Отопитель Чертеж Отопитель
МТЗ МТЗ-821/921 (2009) 822-8100100 Панель Отопитель
МТЗ МТЗ-900/920/950/952 (2009) 80-8100100 Панель Пол кабины
МТЗ МТЗ-900/920/950/952 (2009) 80-8100100 Панель Отопитель
Нефтекамский автозавод 5299-08 (надстройка) 5299-08-8100100 Трубы правой боковины салона Система отопления
ЛиАЗ ЛиАЗ-5256, 6212 (2006) (2006) 525625-8100100-10 Установка салонных отопителей Установка салонных отопителей
Товары из этой категории
Радиатор отопителя кабины 1522-8101060
Радиатор отопителя кабины
Каталожный номер 1522-8101060
Производитель Таспо-ф Таспо-ф
Код 28258
Доставка по всей Беларуси
Доступность остатки на филиалах Остатки на филиалах
Остаток: г.Минск, ул.Селицкого 21к В наличии
Склад Адрес Контакт Остатки
г. Минск ул. Селицкого, 21к +375 (44) 770-80-78 ( Средне )
Схема проезда
г. Дятлово ул. Советская ,104 +375 (29) 187-87-37 ( Мало )
Схема проезда
г. Несвиж ул. Кутузова, 2 +375 (29) 394-82-48 ( Мало )
Схема проезда
Радиатор отопителя 3-х рядный 80-8101900
Радиатор отопителя 3-х рядный
Каталожный номер 80-8101900
Производитель RSTA RSTA
Код 25711
Доставка по всей Беларуси
Доступность остатки на филиалах Остатки на филиалах
Остаток: г.Минск, ул.Селицкого 21к В наличии
Склад Адрес Контакт Остатки
г. Минск ул. Селицкого, 21к +375 (44) 770-80-78 ( Мало )
Схема проезда
г. Барановичи ул. Пролетарская, 40 +375 (29) 795-96-37 ( Мало )
Схема проезда
г. Березино ул. Комсомольская, д. 24 +375 (44) 770-80-17 ( Мало )
Схема проезда
г. Лепель ул. Лобанка, 43 +375 (44) 778-65-21 ( Мало )
Схема проезда
г. Полоцк-2 ул. Шенягина, 52 +375 (29) 302-94-73 ( Мало )
Схема проезда