Республика Беларусь,
г. Минск, ул. Селицкого 21к - центральный склад
Пн-пт с 8:00 до 17:00
Меню
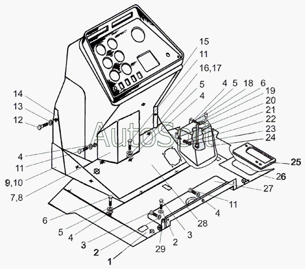
80-6700320 Панель МТЗ
Наименование: Панель 80-6700320 МТЗ
Каталожный номер: 80-6700320
Производитель: МТЗ
Код товара: 00-ГР020434
Доставка: по всей Беларуси
Остаток: под заказ

Нашли не точность в описании товара? сообщить администратору.

+375 (44) 770-80-78 +375 (29) 747-80-78
* Выставить счет, получить техническую информацию и стоимость
Заказать деталь Онлайн
Описание
Наличие на филиалах
Применяемость
Заменить на СТО

Ширина, м: 0.5
Высота, м: 0.5
Длина, м: 0.5
Вес, кг: 3.76

Панель 80-6700320 МТЗ производства МТЗ (МТЗ), Код для заказа: 00-ГР020434

Марка Модель Кат.номер Наим. по каталогу Чертеж
МТЗ МТЗ-1221 (1997) 80-6700320 Панель Кабина Чертеж Кабина
МТЗ МТЗ-1005 (2008) 80-6700320 Панель Кабина
МТЗ МТЗ-1005 (2008) 80-6700320 Панель Панели
МТЗ МЛ-131 (2008) 354-6700320 Панель Панели щитка приборов и подкабинного пространства Чертеж Панели щитка приборов и подкабинного пространства
МТЗ МЛПТ-354М (2008) 354-6700320 Панель Установка панелей щитка приборов, установка кожуха и уплотнителя Чертеж Установка панелей щитка приборов, установка кожуха и уплотнителя
МТЗ МТЗ-80 (2009) (2009) 80-6700320 Панель Пол кабины Чертеж Пол кабины
МТЗ МТЗ-570 (2010) 80-6700320 Панель Пол кабины Чертеж Пол кабины
МТЗ МТЗ-900/920/950/952 (2009) 80-6700320 Панель Пол кабины
МТЗ МТЗ-920.4/952.4 (2009) 80-6700320 Панель Пол кабины Чертеж Пол кабины
МТЗ МТЗ-826 (2010) 80-6700320 Панель Пол кабины Чертеж Пол кабины
МТЗ МТЗ-1021.3 (2010) 80-6700320 Панель Пол кабины Чертеж Пол кабины
МТЗ МТЗ-1025.4 (2009) 80-6700320 Панель Пол кабины Чертеж Пол кабины
МТЗ МТЗ-1221 (2009) (2009) 80-6700320 Панель Кабина трактора Чертеж Кабина трактора
МТЗ МТЗ-1221 (2009) (2009) 80-6700320 Панель Панели Чертеж Панели
МТЗ МЛПТ-344 (2011) 354-6700320 Панель Установка панелей щитка приборов Чертеж Установка панелей щитка приборов
МТЗ 1220 (2011) 80-6700320 Панель Кабина трактора Чертеж Кабина трактора
МТЗ 1220 (2011) 80-6700320 Панель Панели Чертеж Панели
МТЗ 92П (2010) 80-6700320-01 Панель Пол кабины Чертеж Пол кабины
МТЗ 892 (2011) 80-6700320 Панель Пол кабины Чертеж Пол кабины
ЮМЗ ЮМЗ-6Л (1991) 45-6700320 Рамка Рама ветрового окна. Каркас кабины Чертеж Рама ветрового окна. Каркас кабины
Товары из этой категории
Крыло передних колес МТЗ-1221 1221-8403001-01
Крыло передних колес МТЗ-1221
Каталожный номер 1221-8403001-01
Производитель RSTA RSTA
Код 46518
Доставка по всей Беларуси
Доступность остатки на филиалах Остатки на филиалах
Остаток: г.Минск, ул.Селицкого 21к В наличии
Склад Адрес Контакт Остатки
г. Минск ул. Селицкого, 21к +375 (44) 770-80-78 ( Много )
Схема проезда
г. Бобруйск ул. Орловского, 22к3 +375 (29) 345-37-07 ( Средне )
Схема проезда
г. Дрогичин ул. Юбилейная, 42 +375 (29) 682-17-13 ( Средне )
Схема проезда
г. Ивацевичи ул. Загородная, 6А +375 (29) 188-59-01 ( Средне )
Схема проезда
г. Осиповичи ул. Короткая, 11 +375 (29) 165-60-07 ( Средне )
Схема проезда
г. Ошмяны ул. Льнозоводская 3 +375 (44) 770-80-91 ( Средне )
Схема проезда
г. Полоцк-2 ул. Шенягина, 52 +375 (29) 302-94-73 ( Средне )
Схема проезда
Стекло боковое с отверстием 868х779 1221-6708901
Стекло боковое с отверстием 868х779
Каталожный номер 1221-6708901
Производитель Гомельстекло Гомельстекло
Код 33049
Доставка по всей Беларуси
Доступность остатки на филиалах Остатки на филиалах
Остаток: г.Минск, ул.Селицкого 21к В наличии
Склад Адрес Контакт Остатки
г. Минск ул. Селицкого, 21к +375 (44) 770-80-78 ( Много )
Схема проезда
г. Березино ул. Комсомольская, д. 24 +375 (44) 770-80-17 ( Мало )
Схема проезда
г. Ивацевичи ул. Загородная, 6А +375 (29) 188-59-01 ( Средне )
Схема проезда
г. Осиповичи ул. Короткая, 11 +375 (29) 165-60-07 ( Средне )
Схема проезда
г. Полоцк-2 ул. Шенягина, 52 +375 (29) 302-94-73 ( Средне )
Схема проезда
Крыло пластмассовое 4мм 80-8403041
Крыло пластмассовое 4мм
Каталожный номер 80-8403041
Производитель RSTA RSTA
Код 27917
Доставка по всей Беларуси
Доступность остатки на филиалах Остатки на филиалах
Остаток: г.Минск, ул.Селицкого 21к В наличии
Склад Адрес Контакт Остатки
г. Минск ул. Селицкого, 21к +375 (44) 770-80-78 ( Много )
Схема проезда
г. Глубокое ул. Энгельса, 22 +375 (44) 505-71-40 ( Средне )
Схема проезда
г. Горки ул.Мира, д.51а/1 +375 (44) 565-33-61 ( Средне )
Схема проезда
г. Дрогичин ул. Юбилейная, 42 +375 (29) 682-17-13 ( Средне )
Схема проезда
г. Житковичи ул. Комсомольская, 49 +375 (29) 394-82-52 ( Средне )
Схема проезда
г. Жлобин ул. Козлова, 25 +375 (29) 346-06-78 ( Средне )
Схема проезда
г. Ивацевичи ул. Загородная, 6А +375 (29) 188-59-01 ( Средне )
Схема проезда
г. Кричев ул. Комсомольская, 126 +375 (29) 628-88-42 ( Средне )
Схема проезда
г. Лепель ул. Лобанка, 43 +375 (44) 778-65-21 ( Средне )
Схема проезда
г. Молодечно ул. Галицкого, 14 +375 (44) 567-28-47 ( Средне )
Схема проезда
г. Несвиж ул. Кутузова, 2 +375 (29) 394-82-48 ( Средне )
Схема проезда
г. Новогрудок ул. Индустриальная, 3 +375 (44) 729-39-19 ( Средне )
Схема проезда
г. Ошмяны ул. Льнозоводская 3 +375 (44) 770-80-91 ( Средне )
Схема проезда
г. Петриков ул. Первомайская, 124 +375 (33) 660-06-75 ( Средне )
Схема проезда
г. Полоцк-2 ул. Шенягина, 52 +375 (29) 302-94-73 ( Средне )
Схема проезда
г. Пружаны ул. Макаренко, 21 +375 (29) 348-83-18 ( Средне )
Схема проезда
г. Слоним ул. Советская, 93а +375 (29) 394-82-01 ( Средне )
Схема проезда
г. Столин ул. Быковского, 29 +375 (33) 304-54-36 ( Средне )
Схема проезда
Моторедуктор стеклоочистителя 192.090.010
Моторедуктор стеклоочистителя
Каталожный номер 192.090.010
Производитель RSTA RSTA
Код 19938
Доставка по всей Беларуси
Доступность остатки на филиалах Остатки на филиалах
Остаток: г.Минск, ул.Селицкого 21к В наличии
Склад Адрес Контакт Остатки
г. Минск ул. Селицкого, 21к +375 (44) 770-80-78 ( Средне )
Схема проезда
г. Дятлово ул. Советская ,104 +375 (29) 187-87-37 ( Мало )
Схема проезда
г. Новогрудок ул. Индустриальная, 3 +375 (44) 729-39-19 ( Мало )
Схема проезда
Виброизолятор кабины МТЗ 80-6700160
Виброизолятор кабины МТЗ
Каталожный номер 80-6700160
Производитель RSTA RSTA
Код 16625
Доставка по всей Беларуси
Доступность остатки на филиалах Остатки на филиалах
Остаток: г.Минск, ул.Селицкого 21к В наличии
Склад Адрес Контакт Остатки
г. Минск ул. Селицкого, 21к +375 (44) 770-80-78 ( Средне )
Схема проезда
г. Барановичи ул. Бадака, 27Б +375 (29) 350-33-47 ( Средне )
Схема проезда
г. Бобруйск ул. Орловского, 22к3 +375 (29) 345-37-07 ( Средне )
Схема проезда
г. Борисов ул. Демина, 2а +375 (44) 560-99-75 ( Мало )
Схема проезда
г. Витебск ул. Правды, 33 +375 (44) 770-80-87 ( Мало )
Схема проезда
г. Глубокое ул. Энгельса, 22 +375 (44) 505-71-40 ( Средне )
Схема проезда
г. Гомель ул. Барыкина, 291Б +375 (44) 514-15-30 ( Средне )
Схема проезда
г. Дятлово ул. Советская ,104 +375 (29) 187-87-37 ( Средне )
Схема проезда
г. Жлобин ул. Козлова, 25 +375 (29) 346-06-78 ( Средне )
Схема проезда
г. Ивацевичи ул. Загородная, 6А +375 (29) 188-59-01 ( Средне )
Схема проезда
г. Кобрин ул. Пролетарская, 177А +375 (44) 588-10-80 ( Мало )
Схема проезда
г. Лепель ул. Лобанка, 43 +375 (44) 778-65-21 ( Много )
Схема проезда
г. Молодечно ул. Галицкого, 14 +375 (44) 567-28-47 ( Мало )
Схема проезда
г. Несвиж ул. Кутузова, 2 +375 (29) 394-82-48 ( Средне )
Схема проезда
г. Новогрудок ул. Индустриальная, 3 +375 (44) 729-39-19 ( Средне )
Схема проезда
г. Ошмяны ул. Льнозоводская 3 +375 (44) 770-80-91 ( Средне )
Схема проезда
г. Полоцк-2 ул. Шенягина, 52 +375 (29) 302-94-73 ( Средне )
Схема проезда
г. Поставы ул. Советская, 69 +375 (44) 770-80-13 ( Средне )
Схема проезда
г. Пружаны ул. Макаренко, 21 +375 (29) 348-83-18 ( Мало )
Схема проезда
г. Слоним ул. Советская, 93а +375 (29) 394-82-01 ( Мало )
Схема проезда
г. Сморгонь ул. Железнодорожная, 32 +375 (29) 671-02-10 ( Средне )
Схема проезда
г. Столин ул. Быковского, 29 +375 (33) 304-54-36 ( Средне )
Схема проезда
г. Щучин ул. Советская, 39 +375 (29) 177-29-70 ( Средне )
Схема проезда