Республика Беларусь,
г. Минск, ул. Селицкого 21к - центральный склад
Пн-пт с 8:00 до 17:00
Меню
260087-П29 Палец вилки
Наименование: Палец 260087-П29 вилки
Каталожный номер: 260087-П29
Производитель: ЗИЛ
Код товара: 00-ГР041580
Доставка: по всей Беларуси
Остаток: под заказ

Нашли не точность в описании товара? сообщить администратору.

+375 (44) 770-80-78 +375 (29) 747-80-78
* Выставить счет, получить техническую информацию и стоимость
Заказать деталь Онлайн
Описание
Наличие на филиалах
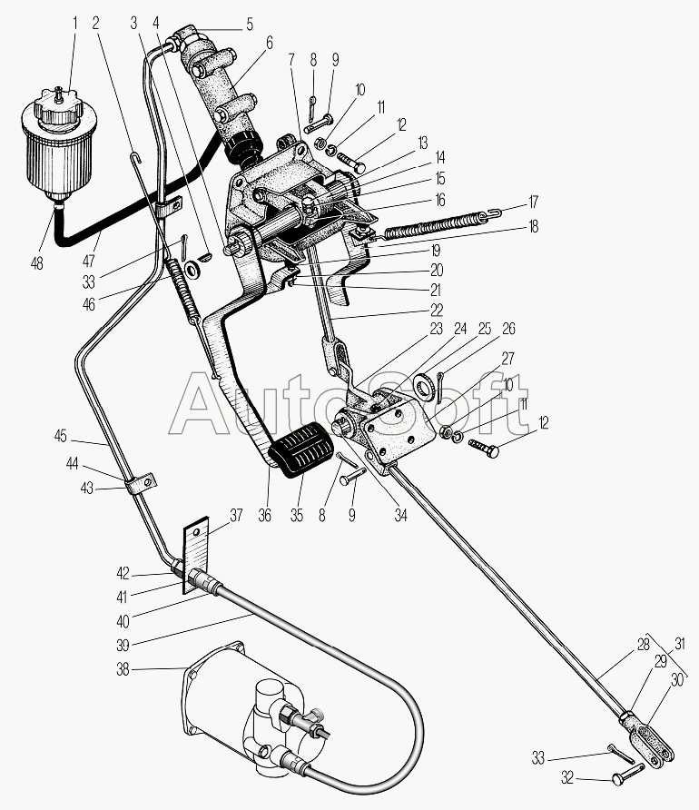
Применяемость
Заменить на СТО

Палец 260087-П29 вилки производства ЗИЛ (РФ), Код для заказа: 00-ГР041580

Марка Модель Кат.номер Наим. по каталогу Чертеж
ГАЗ ГАЗ-3302 (ГАЗель) 260087-П29 Палец 12х35 Тормоз стояночный и его привод
ГАЗ ГАЗ-2705 (ГАЗель) (2000) 260087-П29 Палец 12х35 Тормоз стояночный и его привод
ГАЗ ГАЗ-3306 (1994) 260087-П29 Палец 12х35 Рычаг стояночного тормоза и привод стояночного тормоза
ГАЗ ГАЗ-4301 260087-П29 Палец 12х35 Педаль и привод механизма управления тормозами, кран тормозной двухсекционный с рычагом и выключатель сигнала торможения Чертеж Педаль и привод механизма управления тормозами, кран тормозной двухсекционный с рычагом и выключатель сигнала торможения
ГАЗ ГАЗ-3302 (2004) (2004) 260087-П29 Палец 12х35 Тормоз стояночный и его привод
ГАЗ ГАЗ-3309 (Евро 2) (2008) 260087-П29 Палец 12х35 Установка привода тормозного крана Чертеж Установка привода тормозного крана
ГАЗ ГАЗ-3309 (Евро 2) (2008) 260087-П29 Палец 12х35 Рычаг стояночного тормоза
ЗИЛ ЗИЛ-433360 (1995) 260087-П29 Палец Педаль и привод управления сцеплением Чертеж Педаль и привод управления сцеплением
ЗИЛ ЗИЛ-442160 (1995) 260087-П29 Палец Педаль и привод управления сцеплением Чертеж Педаль и привод управления сцеплением
ЗИЛ ЗИЛ-494560 (1995) 260087-П29 Палец Педаль и привод управления сцеплением Чертеж Педаль и привод управления сцеплением
ЗИЛ ЗИЛ-5301 (2000) 260087-П29 Палец Педаль и привод управления сцеплением Чертеж Педаль и привод управления сцеплением
ЗИЛ ЗИЛ-3250 (2000) 260087-П29 Палец Педаль и привод управления сцеплением Чертеж Педаль и привод управления сцеплением
ЗИЛ ЗИЛ-433100 (Каталог 2003 года) 260087-П29 Палец Педаль и привод управления сцеплением Чертеж Педаль и привод управления сцеплением
ЗИЛ ЗИЛ-5301 (2006) (2006) 260087-П29 Палец Педаль и привод управления сцеплением
ЗИЛ ЗИЛ-433110 (2003) 260087-П29 Палец Педаль и привод управления сцеплением Чертеж Педаль и привод управления сцеплением
ЗИЛ ЗИЛ-3250 (2006) 260087-П29 Палец Педаль и привод управления сцеплением
ЗИЛ ЗИЛ-43272Н, 43273Н (2004) 260087-П29 Палец Педаль и привод управления сцеплением (до сентября 2006 г) Чертеж Педаль и привод управления сцеплением (до сентября 2006 г)
УралАЗ УРАЛ-375 260087-П29 Палец 12х35 Привод тормозного крана (Рис. 92) Чертеж Привод тормозного крана (Рис. 92)
УралАЗ УРАЛ-55571-1121-70 (2011) 260087-П29 Палец 12х35 Привод педалей сцепления и тормоза Чертеж Привод педалей сцепления и тормоза
УралАЗ УРАЛ-43204-1111-70 (2012) 260087-П29 Палец 12х35 Привод педалей сцепления и тормоза Чертеж Привод педалей сцепления и тормоза
Товары из этой категории
Вал гибкий ЗИЛ 130 ГВ 300-04
Вал гибкий ЗИЛ 130
Каталожный номер ГВ 300-04
Производитель RSTA RSTA
Код 10381
Доставка по всей Беларуси
Доступность остатки на филиалах Остатки на филиалах
Остаток: г.Минск, ул.Селицкого 21к В наличии
Склад Адрес Контакт Остатки
г. Минск ул. Селицкого, 21к +375 (44) 770-80-78 ( Средне )
Схема проезда
г. Бобруйск ул. Орловского, 22к3 +375 (29) 345-37-07 ( Мало )
Схема проезда
г. Глубокое ул. Энгельса, 22 +375 (44) 505-71-40 ( Мало )
Схема проезда
г. Дятлово ул. Советская ,104 +375 (29) 187-87-37 ( Мало )
Схема проезда
г. Жлобин ул. Козлова, 25 +375 (29) 346-06-78 ( Мало )
Схема проезда
г. Кричев ул. Комсомольская, 126 +375 (29) 628-88-42 ( Мало )
Схема проезда
г. Новогрудок ул. Индустриальная, 3 +375 (44) 729-39-19 ( Мало )
Схема проезда
г. Осиповичи ул. Короткая, 11 +375 (29) 165-60-07 ( Средне )
Схема проезда
г. Полоцк-2 ул. Шенягина, 52 +375 (29) 302-94-73 ( Мало )
Схема проезда
г. Поставы ул. Советская, 69 +375 (44) 770-80-13 ( Мало )
Схема проезда
г. Слоним ул. Советская, 93а +375 (29) 394-82-01 ( Мало )
Схема проезда
г. Сморгонь ул. Железнодорожная, 32 +375 (29) 671-02-10 ( Средне )
Схема проезда
Гайка шпильки (М18х1,5х14) 250563-П29
Гайка шпильки (М18х1,5х14)
Каталожный номер 250563-П29
Производитель Красная Этна Красная Этна
Код 26523
Доставка по всей Беларуси
Доступность остатки на филиалах Остатки на филиалах
Остаток: г.Минск, ул.Селицкого 21к В наличии
Склад Адрес Контакт Остатки
г. Минск ул. Бабушкина, 37 +375 (29) 632-00-82 ( Мало )
Схема проезда
г. Минск ул. Селицкого, 21к +375 (44) 770-80-78 ( Много )
Схема проезда
г. Березино ул. Комсомольская, д. 24 +375 (44) 770-80-17 ( Много )
Схема проезда
г. Бобруйск ул. Гоголя, 181/1-6 +375 (29) 630-05-01 ( Много )
Схема проезда
г. Бобруйск ул. Орловского, 22к3 +375 (29) 345-37-07 ( Много )
Схема проезда
г. Борисов ул. Демина, 2а +375 (44) 560-99-75 ( Много )
Схема проезда
г. Витебск ул. Правды, 33 +375 (44) 770-80-87 ( Средне )
Схема проезда
г. Глубокое ул. Энгельса, 22 +375 (44) 505-71-40 ( Много )
Схема проезда
г. Гродно ул. Карского, 35 +375 (44) 770-70-21 ( Много )
Схема проезда
г. Дятлово ул. Советская ,104 +375 (29) 187-87-37 ( Много )
Схема проезда
г. Ивацевичи ул. Загородная, 6А +375 (29) 188-59-01 ( Много )
Схема проезда
г. Кричев ул. Комсомольская, 126 +375 (29) 628-88-42 ( Много )
Схема проезда
г. Лельчицы ул. Советская, д.96/1 +375 (29) 346-98-96 ( Средне )
Схема проезда
г. Мозырь промузел Козенки +375 (44) 731-94-60 ( Много )
Схема проезда
г. Молодечно ул. Галицкого, 14 +375 (44) 567-28-47 ( Много )
Схема проезда
г. Несвиж ул. Кутузова, 2 +375 (29) 394-82-48 ( Много )
Схема проезда
г. Новогрудок ул. Индустриальная, 3 +375 (44) 729-39-19 ( Мало )
Схема проезда
г. Орша ул. Сергея Кирова, д. 34 +375 (44) 583-91-42 ( Много )
Схема проезда
г. Ошмяны ул. Льнозоводская 3 +375 (44) 770-80-91 ( Много )
Схема проезда
г. Полоцк-2 ул. Шенягина, 52 +375 (29) 302-94-73 ( Средне )
Схема проезда
г. Полоцк-2 ул. Шенягина, 52 +375 (29) 302-94-73 ( Много )
Схема проезда
г. Поставы ул. Советская, 69 +375 (44) 770-80-13 ( Много )
Схема проезда
г. Пружаны ул. Макаренко, 21 +375 (29) 348-83-18 ( Много )
Схема проезда
г. Слоним ул. Советская, 93а +375 (29) 394-82-01 ( Много )
Схема проезда
г. Сморгонь ул. Железнодорожная, 32 +375 (29) 671-02-10 ( Много )
Схема проезда
г. Солигорск Чижевичский сельсовет, 3Г +375 (29) 899-58-52 ( Много )
Схема проезда
г. Столин ул. Быковского, 29 +375 (33) 304-54-36 ( Много )
Схема проезда
г. Щучин ул. Советская, 39 +375 (29) 177-29-70 ( Много )
Схема проезда
Труба 131-1203011-Б2 приемная левая 131-1203011-Б2
Труба 131-1203011-Б2 приемная левая
Каталожный номер 131-1203011-Б2
Производитель Автоглушитель Автоглушитель
Код 18850
Доставка по всей Беларуси
Доступность остатки на филиалах Остатки на филиалах
Остаток: г.Минск, ул.Селицкого 21к В наличии
Склад Адрес Контакт Остатки
г. Минск ул. Селицкого, 21к +375 (44) 770-80-78 ( Средне )
Схема проезда
Шпилька задняя левая 120-3104051
Шпилька задняя левая
Каталожный номер 120-3104051
Производитель RSTA RSTA
Код 10315
Доставка по всей Беларуси
Доступность остатки на филиалах Остатки на филиалах
Остаток: г.Минск, ул.Селицкого 21к В наличии
Склад Адрес Контакт Остатки
г. Минск ул. Бабушкина, 37 +375 (29) 632-00-82 ( Средне )
Схема проезда
г. Минск ул. Селицкого, 21к +375 (44) 770-80-78 ( Много )
Схема проезда
г. Бобруйск ул. Орловского, 22к3 +375 (29) 345-37-07 ( Много )
Схема проезда
г. Борисов ул. Демина, 2а +375 (44) 560-99-75 ( Средне )
Схема проезда
г. Горки ул.Мира, д.51а/1 +375 (44) 565-33-61 ( Средне )
Схема проезда
г. Гродно ул. Карского, 35 +375 (44) 770-70-21 ( Средне )
Схема проезда
г. Дятлово ул. Советская ,104 +375 (29) 187-87-37 ( Много )
Схема проезда
г. Жлобин ул. Козлова, 25 +375 (29) 346-06-78 ( Много )
Схема проезда
г. Ивацевичи ул. Загородная, 6А +375 (29) 188-59-01 ( Много )
Схема проезда
г. Кобрин ул. Пролетарская, 177А +375 (44) 588-10-80 ( Много )
Схема проезда
г. Лепель ул. Лобанка, 43 +375 (44) 778-65-21 ( Много )
Схема проезда
г. Новогрудок ул. Индустриальная, 3 +375 (44) 729-39-19 ( Много )
Схема проезда
г. Осиповичи ул. Короткая, 11 +375 (29) 165-60-07 ( Средне )
Схема проезда
г. Поставы ул. Советская, 69 +375 (44) 770-80-13 ( Много )
Схема проезда
г. Сморгонь ул. Железнодорожная, 32 +375 (29) 671-02-10 ( Много )
Схема проезда
г. Щучин ул. Советская, 39 +375 (29) 177-29-70 ( Средне )
Схема проезда
Прокладка средняя коллектора выпускного 131-1008080
Прокладка средняя коллектора выпускного
Каталожный номер 131-1008080
Производитель RSTA RSTA
Код 12489
Доставка по всей Беларуси
Доступность остатки на филиалах Остатки на филиалах
Остаток В наличии
Склад Адрес Контакт Остатки
г. Гродно ул. Карского, 35 +375 (44) 770-70-21 ( Мало )
Схема проезда
г. Осиповичи ул. Короткая, 11 +375 (29) 165-60-07 ( Средне )
Схема проезда
Манжета (колпачок маслосъемный) ЗИЛ-130 130-1007014-Б
Манжета (колпачок маслосъемный) ЗИЛ-130
Каталожный номер 130-1007014-Б
Производитель БРТ БРТ
Код 10580
Доставка по всей Беларуси
Доступность остатки на филиалах Остатки на филиалах
Остаток: г.Минск, ул.Селицкого 21к В наличии
Склад Адрес Контакт Остатки
г. Минск ул. Селицкого, 21к +375 (44) 770-80-78 ( Много )
Схема проезда
г. Бобруйск ул. Орловского, 22к3 +375 (29) 345-37-07 ( Много )
Схема проезда
г. Лепель ул. Лобанка, 43 +375 (44) 778-65-21 ( Много )
Схема проезда
г. Несвиж ул. Кутузова, 2 +375 (29) 394-82-48 ( Много )
Схема проезда
г. Новогрудок ул. Индустриальная, 3 +375 (44) 729-39-19 ( Много )
Схема проезда
г. Осиповичи ул. Короткая, 11 +375 (29) 165-60-07 ( Много )
Схема проезда
г. Полоцк-2 ул. Шенягина, 52 +375 (29) 302-94-73 ( Много )
Схема проезда
г. Поставы ул. Советская, 69 +375 (44) 770-80-13 ( Средне )
Схема проезда
г. Сморгонь ул. Железнодорожная, 32 +375 (29) 671-02-10 ( Средне )
Схема проезда
Прокладка ГБЦ 130-1003020-10
Прокладка ГБЦ
Каталожный номер 130-1003020-10
Производитель RSTA RSTA
Код 10251
Доставка по всей Беларуси
Доступность остатки на филиалах Остатки на филиалах
Остаток В наличии
Склад Адрес Контакт Остатки
г. Бобруйск ул. Орловского, 22к3 +375 (29) 345-37-07 ( Средне )
Схема проезда
г. Полоцк-2 ул. Шенягина, 52 +375 (29) 302-94-73 ( Мало )
Схема проезда
Крестовина карданного вала (под стопорное кольцо) 130-2201025-10
Крестовина карданного вала (под стопорное кольцо)
Каталожный номер 130-2201025-10
Производитель КМК КМК
Код 24631
Доставка по всей Беларуси
Доступность остатки на филиалах Остатки на филиалах
Остаток: г.Минск, ул.Селицкого 21к В наличии
Склад Адрес Контакт Остатки
г. Минск ул. Бабушкина, 37 +375 (29) 632-00-82 ( Средне )
Схема проезда
г. Минск ул. Селицкого, 21к +375 (44) 770-80-78 ( Много )
Схема проезда
г. Барановичи ул. Пролетарская, 40 +375 (29) 795-96-37 ( Средне )
Схема проезда
г. Березино ул. Комсомольская, д. 24 +375 (44) 770-80-17 ( Средне )
Схема проезда
г. Берёза ул. Красноармейская, 89/11 +375 (29) 676-70-71 ( Мало )
Схема проезда
г. Бобруйск ул. Гоголя, 181/1-6 +375 (29) 630-05-01 ( Средне )
Схема проезда
г. Бобруйск ул. Орловского, 22к3 +375 (29) 345-37-07 ( Средне )
Схема проезда
г. Борисов ул. Демина, 2а +375 (44) 560-99-75 ( Средне )
Схема проезда
г. Витебск ул. Правды, 33 +375 (44) 770-80-87 ( Средне )
Схема проезда
г. Витебск ул. Петруся Бровки, 34 +375 (29) 636-25-08 ( Средне )
Схема проезда
г. Гомель ул. Барыкина, 291Б +375 (44) 514-15-30 ( Средне )
Схема проезда
г. Гомель ул. Барыкина, 291Б +375 (44) 514-15-30 ( Много )
Схема проезда
г. Горки ул.Мира, д.51а/1 +375 (44) 565-33-61 ( Средне )
Схема проезда
г. Гродно ул. Карского, 35 +375 (44) 770-70-21 ( Средне )
Схема проезда
г. Дрогичин ул. Юбилейная, 42 +375 (29) 682-17-13 ( Мало )
Схема проезда
г. Дятлово ул. Советская ,104 +375 (29) 187-87-37 ( Средне )
Схема проезда
г. Житковичи ул. Комсомольская, 49 +375 (29) 394-82-52 ( Средне )
Схема проезда
г. Ивацевичи ул. Загородная, 6А +375 (29) 188-59-01 ( Мало )
Схема проезда
г. Кобрин ул. Пролетарская, 177А +375 (44) 588-10-80 ( Средне )
Схема проезда
г. Кричев ул. Комсомольская, 126 +375 (29) 628-88-42 ( Средне )
Схема проезда
г. Лельчицы ул. Советская, д.96/1 +375 (29) 346-98-96 ( Средне )
Схема проезда
г. Лепель ул. Лобанка, 43 +375 (44) 778-65-21 ( Средне )
Схема проезда
г. Лунинец ул.Красная, 175а +375 (44) 721-46-74 ( Много )
Схема проезда
г. Могилев ул. Габровская 11Б +375 (29) 662-02-16 ( Мало )
Схема проезда
г. Мозырь промузел Козенки +375 (44) 731-94-60 ( Средне )
Схема проезда
г. Молодечно ул. Галицкого, 14 +375 (44) 567-28-47 ( Средне )
Схема проезда
г. Несвиж ул. Кутузова, 2 +375 (29) 394-82-48 ( Средне )
Схема проезда
г. Новогрудок ул. Индустриальная, 3 +375 (44) 729-39-19 ( Средне )
Схема проезда
г. Орша ул. Сергея Кирова, д. 34 +375 (44) 583-91-42 ( Средне )
Схема проезда
г. Осиповичи ул. Короткая, 11 +375 (29) 165-60-07 ( Мало )
Схема проезда
г. Ошмяны ул. Льнозоводская 3 +375 (44) 770-80-91 ( Средне )
Схема проезда
г. Пинск ул. Калиновского 32 +375 (44) 560-99-59 ( Средне )
Схема проезда
г. Полоцк-2 ул. Шенягина, 52 +375 (29) 302-94-73 ( Средне )
Схема проезда
г. Полоцк-2 ул. Шенягина, 52 +375 (29) 302-94-73 ( Средне )
Схема проезда
г. Полоцк-2 ул. Шенягина, 52 +375 (29) 302-94-73 ( Средне )
Схема проезда
г. Поставы ул. Советская, 69 +375 (44) 770-80-13 ( Средне )
Схема проезда
г. Пружаны ул. Макаренко, 21 +375 (29) 348-83-18 ( Средне )
Схема проезда
г. Слуцк ул. Тутаринова, 8 +375 (29) 346-06-90 ( Средне )
Схема проезда
г. Сморгонь ул. Железнодорожная, 32 +375 (29) 671-02-10 ( Средне )
Схема проезда
г. Солигорск Чижевичский сельсовет, 3Г +375 (29) 899-58-52 ( Мало )
Схема проезда
г. Щучин ул. Советская, 39 +375 (29) 177-29-70 ( Средне )
Схема проезда